A Treatise on Mechanics

by Henry Kater (1777~1835)

Transcriber’s notes:

The text of this e-book has mostly been preserved in its original form including some inconsistency of hyphenation and use of diacritics (aeriform/aëriform). Three spelling typos have been corrected (arrangment → arrangement, pully → pulley, dye → die) as have typos in equations on pages 40 and 43. And some missing punctuation has been corrected silently (periods, commas, incorrect quotes). To assist the reader, hyperlinks have been added to the table of contents, index and footnotes, as well as to the numerous cross-references within the text. Page numbers are shown in the right margin and footnotes are located at the end. Footnotes are located at the end.

The cover image of the book was created by the transcriber and is placed in the public domain.

A
TREATISE ON MECHANICS,

BY
CAPTAIN HENRY KATER, V. PRES: R.S.
─── and ───
DIONYSIUS LARDNER, D.C.L. F.R.S. &c. &c.
A NEW EDITION REVISED & CORRECTED.
1852.

H. Corbould del.E. Finder fc.

London:
PRINTED FOR LONGMAN, BROWN, GREEN & LONGMANS. PATERNOSTER ROW:

ADVERTISEMENT.

This Treatise on Mechanics, which was originally published in 1830, is the work of Dr. Lardner, with the exception of the twenty-first chapter, which was written by the late Captain Kater. The present edition has been revised and corrected by Dr. Lardner.

London, January, 1852.


v

CONTENTS.

CHAP. I.
PROPERTIES OF MATTER.
Organs of Sense.—Sen­sa­tions.—Pro­per­ties or Qua­li­ties.—Ob­ser­va­tion. —Com­pa­ri­son and Gen­er­al­isa­tion.—Par­tic­ular and gen­eral Qua­li­ties.—Mag­ni­tude. —Size.—Vol­ume.—Lines.—Sur­faces.—Edges.—Area.—Length. —Im­pene­tra­bil­ity.—Ap­par­ent Pene­tra­tion.—Figure.—Dif­fer­ent from Volume. —Atoms.—Mol­ecules.—Matter sep­ar­able.—Par­ticles.—Force.—Co­he­sion of Atoms.—Hypo­thet­ical Phrases un­neces­sary.—At­trac­tion.
CHAP. II.
PROPERTIES OF MATTER, CONTINUED.
Divisibility.—Unlimited Divisibility.—Wollaston’s micro­metric Wire. —Method of mak­ing it.—Thick­ness of a Soap Bubble.—Wings of In­sects.—Gild­ing of Wire for Em­broi­dery.—Glob­ules of the Blood.—Animal­cules.—Their minute Organ­isa­tion.—Ulti­mate Atoms.—Crys­tals.—Por­osity.—Vol­ume.—Den­sity. —Quick­silver pass­ing through Pores of Wood.—Fil­tra­tion.—Por­osity of Hydro­phane. —Com­press­ibil­ity.—Elas­ti­city.—Di­lat­abil­ity.—Heat.—Con­trac­tion of Metal used to re­store the Per­pen­dic­ular to Walls of a Build­ing.—Im­pene­tra­bil­ity of Air. —Com­press­ibil­ity of it.—Elas­ti­city of it.—Liquids not ab­so­lute­ly in­com­press­ible. —Ex­peri­ments.—Elas­ti­city of Fluids.—Aeri­form Fluids.—Do­mes­tic Fire Box.— Evo­lu­tion of Heat by com­pressed Air.
CHAP. III.
INERTIA.
Inertia.—Matter In­cap­able of spon­tan­eous Change.—Im­pedi­ments to Motion.—Motion of the Solar Sys­tem.—Law of Nature.—Language used to express Inertia some­times faulty.—Familiar Examples of Inertia.
CHAP. IV.
ACTION AND REACTION.
Inertia in a single Body.—Consequences of Inertia in two or more Bodies.— Examples.—Effects of Impact.—Motion not estimated by Speed or Velo­city alone.—Examples.—Rule for es­ti­mat­ing the Quan­tity of Motion.—Action and Re­action.—Examples of.—Velo­city of two Bodies after Impact.—Rule for finding the common Velo­city after Impact.—Magnet and Iron.—Feather and Cannon Ball im­ping­ing.—Newton’s Laws of Mo­tion.—In­util­ity of.—Fa­­miliar Effects result­ing from Con­se­quen­ces of Inertia.vi
CHAP. V.
COMPOSITION AND RESOLUTION OF FORCE.
Motion and Pressure.—Force.—Attraction.—Para­llelo­gram of Forces.—Resultant.—Com­po­nents.—Com­po­si­tion of Force.—Reso­lu­tion of Force.—Illu­stra­tive Ex­peri­ments.—Com­po­si­tion of Pres­sures.—Theo­rems regu­lat­ing Pres­sures also regulate Motion.—Examples.—Reso­lu­tion of Motion.—Forces in Equi­lib­rium.—Com­po­si­tion of Motion and Pres­sure.—Illu­stra­tions.—Boat in a Cur­rent.—Motions of Fishes.—Flight of Birds.—Sails of a Vessel.—Tack­ing.—Eques­trian Feats.—Ab­so­lute and rela­tive Motion.
CHAP. VI.
ATTRACTION.
Impulse.—Mechanical State of Bodies.—Ab­so­lute Rest.—Uni­form and recti­linear Motion.—Attrac­tions.—Mo­lecu­lar or atomic.—Inter­stitial Spaces in Bodies.—Re­pul­sion and Attrac­tion.—Co­he­sion.—In Solids and Fluids.—Manu­fac­ture of Shot.—Ca­pil­lary Attrac­tions.—Short­en­ing of Rope by Mois­ture.—Sus­pen­sion of Li­quids in ca­pil­lary Tubes.—Ca­pil­lary Siphon.—Affinity between Quicksilver and Gold.—Examples of Affini­ty.—Sul­phur­ic Acid and Water.—Oxy­gen and Hydro­gen. —Oxy­gen and Quick­silver.—Mag­net­ism.—Elec­tri­city and Elec­tro-Mag­net­ism.—Gravi­ta­tion.—Its Law.—Examples of.—De­pends on the Mass.—Attrac­tion be­tween the Earth and de­tached Bodies on its Surface.—Weight.—Gravi­ta­tion of the Earth.—Illu­stra­ted by Pro­jec­tiles. —Plumb-Line.—Caven­dish’s Experi­ments.
CHAP. VII.
TERRESTRIAL GRAVITY.
Phenomena of falling Bodies.—Gravity greater at the Poles than Equa­tor.—Heavy and light Bodies fall with equal Speed to the Earth.— Experi­ment.—In­creased Velo­city of falling Bodies.—Prin­ci­ples of uni­form­ly ac­cel­er­ated Motion.—Re­la­tions between the Height, Time, and Velocity.—Attwood’s Machine.—Re­tard­ed Motion.
CHAP. VIII.
OF THE MOTION OF BODIES ON INCLINED PLANES AND CURVES.
Force perpendicular to a Plane.—Oblique Force.—Inclined Plane.—Weight produces Pressure and Motion.—Motion uni­form­ly ac­cel­er­ated.—Space moved through in a given Time.—In­creased Ele­va­tion pro­duces in­creased Force.—Per­pen­dic­ular and ho­ri­zon­tal Plane.—Final Velo­city.—Motion down a Curve.—De­pends upon Velo­city and Curva­ture.—Centri­fugal Force.—Circle of Curva­ture.—Radius of Curva­ture.—Whirl­ing Table.—Experi­ments.—Solar System.—Examples of centri­fugal Force.
CHAP. IX.
THE CENTRE OF GRAVITY.
Terrestrial Attraction the combined Action of parallel Forces.—Single equi­valent Force.—Examples.—Method of find­ing the Centre ofvii Gravity.—Line of Direc­tion.—Globe.—Ob­late Spher­oid.—Pro­late Spher­oid.—Cube. —Straight Wand.—Flat Plate.—Tri­ang­ular Plate.—Centre of Grav­ity not always within the Body.—A Ring.—Ex­peri­ments.—Stable, instable, and neu­tral Equi­lib­rium. —Motion and Posi­tion of the Arms and Feet.—Effect of the Knee-Joint.—Posi­tions of a Dancer.—Porter under a Load.—Motion of a Quad­ru­ped.—Rope Danc­ing.—Centre of Grav­ity of two Bodies se­pa­rated from each other.—Math­em­at­ical and ex­peri­ment­al Examples. —The Con­ser­va­tion of the Motion of the Centre of Grav­ity.—Solar System.—Centre of Grav­ity some­times called Centre of Inertia.
CHAP. X.
THE MECHANICAL PROPERTIES OF AN AXIS.
An Axis.—Planets and common spin­ning Top.—Oscil­la­tion or Vi­bra­tion.—In­stan­taneous and con­tinued Forces.—Per­cus­sion.—Con­tinued Force.—Ro­ta­tion.—Im­pressed Forces.—Proper­ties of a fixed Axis.—Move­ment of the Force round the Axis.—Le­ver­age of the Force.—Im­pulse per­pen­dic­ular to, but not crossing, the Axis.—Radius of Gyra­tion.—Centre of Gyra­tion.—Moment of Iner­tia.—Prin­ci­pal Axes.—Centre of Per­cus­sion.
CHAP. XI.
OF THE PENDULUM.
Isochronism.—Experiments.—Simple Pen­du­lum.—Examples il­lu­stra­tive of.—Length of.—Ex­peri­ments of Kater, Biot, Sabine, and others.—Huygens’ Cyc­loi­dal Pen­du­lum.
CHAP. XII.
OF SIMPLE MACHINES.
Statics.—Dynamics.—Force.—Power.—Weight.—Lever.—Cord.—In­clined Plane.
CHAP. XIII.
OF THE LEVER.
Arms.—Fulcrum.—Three Kinds of Levers.—Crow Bar.—Hand­spike. —Oar.—Nut­crack­ers.—Turn­ing Lathe.—Steel­yard.—Rect­angu­lar Lever.—Hammer.—Load be­tween two Bearers.—Com­bin­ation of Levers.—Equi­va­lent Lever.
CHAP. XIV.
OF WHEEL-WORK.
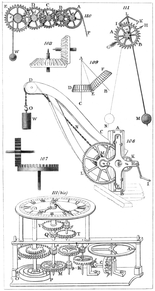
Wheel and Axle.—Thick­ness of the Rope.—Ways of apply­ing the Power.—Pro­ject­ing Pins.—Wind­lass.—Winch.—Axle.—Hori­zon­tal Wheel.—Tread-Mill.—Cranes.—Water-Wheels. —Paddle-Wheel.—Rachet-Wheel.—Rack.—Spring of a Watch.—Fusee.—Straps or Cords.—Examples of.—Turn­ing Lathe.—Re­volv­ing Shafts.—Spin­ning Ma­chine­ry.—Saw-Mill.—Pinion.—Leaves. —Crane.—Spur-Wheels.—Crown-Wheels.—Bev­elled Wheels.—Hunt­ing-Cog.—Chro­no­meters. —Hair-Spring.—Balance-Wheel.viii
CHAP. XV.
OF THE PULLEY.
Cord.—Sheave.—Fixed Pulley.—Fire Escapes.—Single move­able Pulley.—Systems of Pulleys.—Smeaton’s Tackle.—White’s Pulley.—Ad­van­tage of.—Runner.—Spanish Bartons.
CHAP. XVI.
ON THE INCLINED PLANE, WEDGE, AND SCREW.
Inclined Plane.—Effect of a Weight on.—Power of.—Roads.—Power Oblique to the Plane.—Plane some­times moves under the Weight.—Wedge.—Some­times formed of two in­clined Planes.—More power­ful as its Angle is acute.—Where used.—Limits to the Angle.—Screw.—Hunter’s Screw.—Examples.—Mi­cro­meter Screw.
CHAP. XVII.
ON THE REGULATION AND ACCUMULATION OF FORCE.
Uniformity of Operation.—Ir­regu­larity of prime Mover.—Water-Mill.—Wind-Mill.—Steam Press­ure.—Animal Power.—Spring.—Reg­u­la­tors.—Steam-Engine.—Governor.—Self-acting Damper.—Tachometer.—Ac­cu­mu­la­tion of Power.—Examples.—Hammer.—Flail.—Bow-string.—Fire Arms.—Air-Gun.—Steam-Gun.—Inert Matter a Maga­zine for Force.—Fly-Wheel.—Con­densed Air.—Roll­ing Metal.—Coin­ing-Press.
CHAP. XVIII.
MECHANICAL CONTRIVANCES FOR MODIFYING MOTION.
Division of Motion into rectilinear and rotatory.—Con­tinued and re­cip­ro­ca­ting.—Examples.—Flow­ing Water.—Wind.—Animal Motion.—Fall­ing of a Body.—Syringe-Pump.—Hammer.—Steam-Engine.—Full­ing Mill.—Rose-Engine.—Ap­par­atus of Zureda.—Leupold’s Appli­ca­tion of it.—Hooke’s uni­ver­sal Joint.—Circ­ular and al­ter­nate Motion.—Examples.—Watt’s Methods of con­nect­ing the Motion of the Pis­ton with that of the Beam.—Para­llel Motion.
CHAP. XIX.
OF FRICTION AND THE RIGIDITY OF CORDAGE.
Friction and Rigidity.—Laws of Fric­tion.—Ri­gid­ity of Cordage.—Strength of Ma­ter­ials.—Re­sist­ance from Friction.—In­de­pen­dent of the Mag­ni­tude of Sur­faces.—Examples.—Vince’s Ex­peri­ments.—Effect of Velo­ci­ty.—Means for di­min­ish­ing Fric­tion.—Fric­tion Wheels.—Angle of Repose.—Best Angle of Draught.—Rail-Roads.—Stiff­ness of Ropes.
CHAP. XX.
ON THE STRENGTH OF MATERIALS.
Difficulty of determining the Laws which govern the Strength of Ma­ter­ials.—Forces tend­ing to se­par­ate the Parts of a Solid.—Laws by whichix Solids resist Com­pres­sion.—Euler’s theory.—Trans­verse Strength of Solids.—Strength di­min­ished by the Increase of Height.—Later­al or Trans­verse Strain.—Limits of Mag­ni­tude.—Re­la­tive Strength of small Animals greater than large ones.
CHAP. XXI.
ON BALANCES AND PENDULUMS.
Weight.—Time.—The Balance.—Ful­crum.—Centre of Grav­ity of.—Sen­si­bil­ity of.—Po­si­tions of the Ful­crum.—Beam various­ly con­struc­ted.—Trough­ton’s Bal­ance.—Robin­son’s Bal­ance.—Kater’s Bal­ance.—Method of ad­just­ing a Bal­ance.—Use of it.—Pre­cau­tions ne­ces­sary.—Of Weights.—Ad­just­ment of.—Dr. Black’s Bal­ance.—Steel­yard.—Roman Statera or Steel­yard.—Con­veni­ence of.—C. Paul’s Steel­yard.—Chinese Steel-yard.—Danish Bal­ance.—Bent Lever Bal­ance.—Brady’s Bal­ance.—Weigh­ing Ma­chine for Turn­pike Roads.—In­stru­ments for Weigh­ing by means of a Spring.—Spring Steel­yard.—Salter’s Spring Balance.—Marriott’s Dial Weigh­ing Ma­chine.—Dyna­mom­eter.—Com­pen­sa­tion Pen­du­lums.—Barton’s Grid­iron Pen­du­lum.—Table of linear Ex­pan­sion.—Second Table.—Harrison’s Pen­du­lum.—Trough­ton’s Pen­du­lum.—Benzen­berg’s Pen­du­lum.—Ward’s Com­pen­sa­tion Pen­du­lum.—Com­pen­sa­tion Tube of Julien le Roy.—Deparcieux’s Com­pen­sa­tion.—Kater’s Pen­du­lum.—Reed’s Pen­du­lum.—Ellicott’s Pen­du­lum.—Mer­cur­ial Pen­du­lum.—Graham’s Pen­du­lum.—Com­pen­sa­tion Pen­du­lum of Wood and Lead.—Smeaton’s Pen­du­lum.—Brown’s Mode of Ad­just­ment.

1


THE

ELEMENTS OF MECHANICS.


CHAP. I.
PROPERTIES OF MATTER—MAGNITUDE—IMPENETRABILITY—FIGURE—FORCE.

(1.) Placed in the material world, Man is continually exposed to the action of an infinite variety of objects by which he is surrounded. The body, to which the thinking and living principles have been united, is an apparatus exquisitely contrived to receive and to transmit impressions. Its various parts are organised with obvious reference to the several external agents by which it is to be effected. Each organ is designed to convey to the mind immediate notice of some peculiar action, and is accordingly endued with a corresponding susceptibility. This adaptation of such organs to the particular influences of material agents, is rendered still more conspicuous when we consider that, however delicate its structure, each organ is wholly insensible to every influence except that to which it appears to be specially appropriated. The eye, so intensely susceptible of impressions from light, is not at all affected by those of sound; while the fine mechanism of the ear, so sensitively alive to every effect of the latter class, is altogether insensible to the former. The splendour of excessive light may occasion blindness, and deafness may result from the roar of a cannonade; but neither the sight nor the hearing can be injured by the most ex2treme action of that principle which is designed to affect the other.

Thus the organs of sense are instruments by which the mind is enabled to determine the existence and the qualities of external things. The effects which these objects produce upon the mind through the organs, are called sensations, and these sensations are the immediate elements of all human knowledge. Matter is the general name which has been given to that substance, which, under forms infinitely various, affects the senses. Metaphysicians have differed in defining this principle. Some have even doubted of its existence. But these discussions are beyond the sphere of mechanical philosophy, the conclusions of which are in nowise affected by them. Our investigations here relate, not to matter as an abstract existence, but to those qualities which we discover in it by the senses, and of the existence of which we are sure, however the question as to matter itself may be decided. When we speak of “bodies,” we mean those things, whatever they be, which excite in our minds certain sensations; and the powers to excite those sensations are called “properties,” or “qualities.”

(2.) To ascertain by observation the properties of bodies, is the first step towards obtaining a knowledge of nature. Hence man becomes a natural philosopher the moment he begins to feel and to perceive. The first stage of life is a state of constant and curious excitement. Observation and attention, ever awake, are engaged upon a succession of objects new and wonderful. The large repository of the memory is opened, and every hour pours into it unbounded stores of natural facts and appearances, the rich materials of future knowledge. The keen appetite for discovery implanted in the mind for the highest ends, continually stimulated by the presence of what is novel, renders torpid every other faculty, and the powers of reflection and comparison are lost in the incessant activity and unexhausted vigour of observation. After a season, however, the3 more ordinary classes of phenomena cease to excite by their novelty. Attention is drawn from the discovery of what is new, to the examination of what is familiar. From the external world the mind turns in upon itself, and the feverish astonishment of childhood gives place to the more calm contemplation of incipient maturity. The vast and heterogeneous mass of phenomena collected by past experience is brought under review. The great work of comparison begins. Memory produces her stores, and reason arranges them. Then succeed those first attempts at generalisation which mark the dawn of science in the mind.

To compare, to classify, to generalise, seem to be instinctive propensities peculiar to man. They separate him from inferior animals by a wide chasm. It is to these powers that all the higher mental attributes may be traced, and it is from their right application that all progress in science must arise. Without these powers, the phenomena of nature would continue a confused heap of crude facts, with which the memory might be loaded, but from which the intellect would derive no advantage. Comparison and generalisation are the great digestive organs of the mind, by which only nutrition can be extracted from this mass of intellectual food, and without which, observation the most extensive, and attention the most unremitting, can be productive of no real or useful advancement in knowledge.

(3.) Upon reviewing those properties of bodies which the senses most frequently present to us, we observe that very few of them are essential to, and inseparable from, matter. The greater number may be called particular or peculiar qualities, being found in some bodies but not in others. Thus the property of attracting iron is peculiar to the loadstone, and not observable in other substances. One body excites the sensation of green, another of red, and a third is deprived of all colour. A few characteristic and essential qualities are, however, inseparable from matter in whatever state, or4 under whatever form it exist. Such properties alone can be considered as tests of materiality. Where their presence is neither manifest to sense, nor demonstrable by reason, there matter is not. The principal of these qualities are magnitude and impenetrability.

(4.) Magnitude.—Every body occupies space, that is, it has magnitude. This is a property observable by the senses in all bodies which are not so minute as to elude them, and which the understanding can trace to the smallest particle of matter. It is impossible, by any stretch of imagination, even to conceive a portion of matter so minute as to have no magnitude.

The quantity of space which a body occupies is sometimes called its magnitude. In colloquial phraseology, the word size is used to express this notion; but the most correct term, and that which we shall generally adopt is volume. Thus we say, the volume of the earth is so many cubic miles, the volume of this room is so many cubic feet.

The external limits of the magnitude of a body are lines and surfaces, lines being the limits which separate the several surfaces of the same body. The linear limits of a body are also called edges. Thus the line which separates the top of a chest from one of its sides is called an edge.

The quantity of a surface is called its area, and the quantity of a line is called its length. Thus we say, the area of a field is so many acres, the length of a rope is so many yards. The word “magnitude” is, however, often used indifferently for volume, area, and length. If the objects of investigation were of a more complex and subtle character, as in metaphysics, this unsteady application of terms might be productive of confusion, and even of error; but in this science the meaning of the term is evident, from the way in which it is applied, and no inconvenience is found to arise.

(5.) Impenetrability.—This property will be most clearly explained by defining the positive quality from which it takes its name, and of which it merely signifies5 the absence. A substance would be penetrable if it were such as to allow another to pass through the space which it occupies, without disturbing its component parts. Thus, if a comet striking the earth could enter it at one side, and, passing through it, emerge from the other without separating or deranging any bodies on or within the earth, then the earth would be penetrable by the comet. When bodies are said to be impenetrable, it is therefore meant that one cannot pass through another without displacing some or all of the component parts of that other. There are many instances of apparent penetration; but in all these, the parts of the body which seem to be penetrated are displaced. Thus, if the point of a needle be plunged in a vessel of water, all the water which previously filled the space into which the needle enters will be displaced, and the level of the water will rise in the vessel to the same height as it would by pouring in so much more water as would fill the space occupied by the needle.

(6.) Figure.—If the hand be placed upon a solid body, we become sensible of its impenetrability, by the obstruction which it opposes to the entrance of the hand within its dimensions. We are also sensible that this obstruction commences at certain places; that it has certain determinate limits; that these limitations are placed in certain directions relatively to each other. The mutual relation which is found to subsist between these boundaries of a body, gives us the notion of its figure. The figure and volume of a body should be carefully distinguished. Each is entirely independent of the other. Bodies having very different volumes may have the same figure; and in like manner bodies differing in figure may have the same volume. The figure of a body is what in popular language is called its shape or form. The volume of a body is that which is commonly called its size. It will hence be easily understood, that one body (a globe, for example) may have ten times the volume of another (globe), and yet have the same figure; and that two bodies (as a die and a globe) may have figures altogether6 different, and yet have equal volumes. What we have here observed of volumes will also be applicable to lengths and areas. The arc of a circle and a straight line may have the same length, although they have different figures; and, on the other hand, two arcs of different circles may have the same figure, but very unequal lengths. The surface of a ball is curved, that of the table plane; and yet the area of the surface of the ball may be equal to that of the table.

(7.) Atoms—Molecules.—Impenetrability must not be confounded with inseparability. Every body which has been brought under human observation is separable into parts; and these parts, however small, are separable into others, still more minute. To this process of division no practical limit has ever been found. Nevertheless, many of the phenomena which the researches of those who have successfully examined the laws of nature have developed, render it highly probable that all bodies are composed of elementary parts which are indivisible and unalterable. The component parts, which may be called atoms, are so minute, as altogether to elude the senses, even when aided by the most powerful scientific instruments. The word molecule is often used to signify component parts of a body so small as to escape sensible observation, but not ultimate atoms, each molecule being supposed to be formed of several atoms, arranged according to some determinate figure. Particle is used also to express small component parts, but more generally is applied to those which are not too minute to be discoverable by observation.

(8.) Force.—If the particles of matter were endued with no property in relation to one another, except their mutual impenetrability, the universe would be like a mass of sand, without variety of state or form. Atoms, when placed in juxtaposition, would neither cohere, as in solid bodies, nor repel each other, as in aeriform substances. On the contrary, we find that in some cases the atoms which compose bodies are not simply placed together, but a certain effect is manifested in their7 strong coherence. If they were merely placed in juxtaposition, their separation would be effected as easily as any one of them could be removed from one place to another. Take a piece of iron, and attempt to separate its parts: the effort will be strongly resisted, and it will be a matter of much greater facility to move the whole mass. It appears, therefore, that in such cases the parts which are in juxtaposition cohere and resist their mutual separation. This effect is denominated force; and the constituent atoms are said to cohere with a greater or less degree of force, according as they oppose a greater or less resistance to their mutual separation.

The coherence of particles in juxtaposition is an effect of the same class as the mutual approach of particles placed at a distance from each other. It is not difficult to perceive that the same influence which causes the bodies A and B to approach each other, when placed at some distance asunder, will, when they unite, retain them together, and oppose a resistance to their separation. Hence this effect of the mutual approximation of bodies towards each other is also called force.

Force is generally defined to be “whatever produces or opposes the production of motion in matter.” In this sense, it is a name for the unknown cause of a known effect. It would, however, be more philosophical to give the name, not to the cause, of which we are ignorant, but to the effect, of which we have sensible evidence. To observe and to classify is the whole business of the natural philosopher. When causes are referred to, it is implied, that effects of the same class arise from the agency of the same cause. However probable this assumption may be, it is altogether unnecessary. All the objects of science, the enlargement of mind, the extension and improvement of knowledge, the facility of its acquisition, are obtained by generalisation alone, and no good can arise from tainting our conclusions with the possible errors of hypotheses.

It may be here, once for all, observed, that the phraseology of causation and hypotheses has become so8 interwoven with the language of science, that it is impossible to avoid the frequent use of it. Thus, we say, “the magnet attracts iron;” the expression attract intimating the cause of the observed effect. In such cases, however, we must be understood to mean the effect itself, finding it less inconvenient to continue the use of the received phrases, modifying their signification, than to introduce new ones.

Force, when manifested by the mutual approach or cohesion of bodies, is also called attraction, and it is variously denominated, according to the circumstances under which it is observed to act. Thus, the force which holds together the atoms of solid bodies is called cohesive attraction. The force which draws bodies to the surface of the earth, when placed above it, is called the attraction of gravitation. The force which is exhibited by the mutual approach, or adhesion, of the loadstone and iron, is called magnetic attraction, and so on.

When force is manifested by the motion of bodies from each other, it is called repulsion. Thus, if a piece of glass, having been briskly rubbed with a silk handkerchief, touch successively two feathers, these feathers, if brought near each other, will move asunder. This effect is called repulsion, and the feathers are said to repel each other.

(9.) The influence which forces have upon the form, state, arrangement, and motions of material substances is the principal object of physical science. In its strict sense, Mechanics is a term of very extensive signification. According to the more popular usage, however, it has been generally applied to that part of physical science which includes the investigation of the phenomena of motion and rest, pressure and other effects developed by the mutual action of solid masses. The consideration of similar phenomena, exhibited in bodies of the liquid form, is consigned to Hydrostatics, and that of aeriform fluids to Pneumatics.


9

CHAP. II.
DIVISIBILITY—POROSITY—DENSITY—COMPRESSIBILITY—ELASTICITY—DILATABILITY.

(10.) Besides the qualities of magnitude and impenetrability, there are several other general properties of bodies contemplated in mechanical philosophy, and to which we shall have frequent occasion to refer. Those which we shall notice in the present chapter are,

1. Divisibility.
2. Porosity—Density.
3. Compressibility—Elasticity.
4. Dilatability.

(11.) Divisibility.—Observation and experience prove that all bodies of sensible magnitude, even the most solid, consist of parts which are separable. To the practical subdivision of matter there seems to be no assignable limit. Numerous examples of the division of matter, to a degree almost exceeding belief, may be found in experimental enquiries instituted in physical science; the useful arts furnish many instances not less striking; but, perhaps, the most conspicuous proofs which can be produced, of the extreme minuteness of which the parts of matter are susceptible, arise from the consideration of certain parts of the organised world.

(12.) The relative places of stars in the heavens, as seen in the field of view of a telescope, are marked by fine lines of wire placed before the eye-glass, and which cross each other at right angles. The stars appearing in the telescope as mere lucid points without sensible magnitude, it is necessary that the wires which mark their places should have a corresponding tenuity. But these wires being magnified by the eye-glass would have an apparent thickness, which would render them inapplicable to this purpose, unless their real dimensions were of a most uncommon degree of minuteness. To obtain wire for this purpose, Dr. Wollaston invented the10 following process:—A piece of fine platinum wire, a b, is extended along the axis of a cylindrical mould, A B, fig. 1. Into this mould, at A, molten silver is poured. Since the heat necessary for the fusion of platinum is much greater than that which retains silver in the liquid form, the wire a b remains solid, while the mould A B is filled with the silver. When the metal has become solid by being cooled, and has been removed from the mould, a cylindrical bar of silver is obtained, having a platinum wire in its axis. This bar is then wire-drawn, by forcing it successively through holes C, D, E, F, G, H, diminishing in magnitude, the first hole being a little less than the wire at the beginning of the process. By these means the platinum a b is wire-drawn at the same time and in the same proportion with the silver, so that whatever be the original proportion of the thickness of the wire a b to that of the mould A B, the same will be the proportion of the platinum wire to the whole at the several thicknesses C, D, &c. If we suppose the mould A B to be ten times the thickness of the wire a b, then the silver wire, throughout the whole process, will be ten times the thickness of the platinum wire which it includes within it. The silver wire may be drawn to a thickness not exceeding the 300th of an inch. The platinum will thus not exceed the 3000th of an inch. The wire is then dipped in nitric acid, which dissolves the silver, but leaves the platinum solid. By this method Dr. Wollaston succeeded in obtaining wire, the diameter of which did not exceed the 18000th of an inch. A quantity of this wire, equal in bulk to a common die used in games of chance, would extend from Paris to Rome.

(13.) Newton succeeded in determining the thickness of very thin laminæ of transparent substances by observing the colours which they reflect. A soap bubble is a thin shell of water, and is observed to reflect different colours from different parts of its surface. Immediately before the bubble bursts, a black spot may be observed near the top. At this part the thickness has11 been proved not to exceed the 2,500,000th of an inch.

The transparent wings of certain insects are so attenuated in their structure that 50,000 of them placed over each other would not form a pile a quarter of an inch in height.

(14.) In the manufacture of embroidery it is necessary to obtain very fine gilt silver threads. To accomplish this, a cylindrical bar of silver, weighing 360 ounces, is covered with about two ounces of gold. This gilt bar is then wire-drawn, as in the first example, until it is reduced to a thread so fine that 3400 feet of it weigh less than an ounce. The wire is then flattened by passing it between rollers under a severe pressure, a process which increases its length, so that about 4000 feet shall weigh one ounce. Hence, one foot will weigh the 4000th part of an ounce. The proportion of the gold to the silver in the original bar was that of 2 to 360, or 1 to 180. Since the same proportion is preserved after the bar has been wire-drawn, it follows that the quantity of gold which covers one foot of the fine wire is the 180th part of the 4000th of an ounce; that is the 720,000th part of an ounce.

The quantity of gold which covers one inch of this wire will be twelve times less than that which covers one foot. Hence, this quantity will be the 8,640,000th part of an ounce. If this inch be again divided into 100 equal parts, every part will be distinctly visible without the aid of microscopes. The gold which covers this small but visible portion is the 864,000,000th part of an ounce. But we may proceed even further; this portion of the wire may be viewed by a microscope which magnifies 500 times, so that the 500th part of it will thus become visible. In this manner, therefore, an ounce of gold may be divided into 432,000,000,000 visible parts, each of which will possess all the characters and qualities found in the largest masses of the metal. It will retain its solidity, texture, and colour; it will resist the same agents, and enter into combination with the same substances. If the gilt wire be dipped12 in nitric acid, the silver within the coating will be dissolved, but the hollow tube of gold which surrounded it will still cohere and remain suspended.

(15.) The organised world offers still more remarkable examples of the inconceivable subtilty of matter.

The blood which flows in the veins of animals is not, as it seems, an uniformly red liquid. It consists of flat discs of a red colour, floating in a transparent fluid called serum. In different species these discs differ both in figure and in magnitude. In man and all animals which suckle their young, they are perfectly circular or nearly so. In birds, reptiles, and fishes, they are of oval form. In the human species, the diameter of these discs is about the 3500th of an inch. Hence it follows, that in a drop of blood which would remain suspended from the point of a fine needle, there must be about 3,000,000 of such discs.

Small as these discs are, the animal kingdom presents beings whose whole bodies are still more minute. Animalcules have been discovered, whose magnitude is such, that a million of them do not exceed the bulk of a grain of sand; and yet each of these creatures is composed of members as curiously organised as those of the largest species; they have life and spontaneous motion, and are endued with sense and instinct. In the liquids in which they live, they are observed to move with astonishing speed and activity; nor are their motions blind and fortuitous, but evidently governed by choice, and directed to an end. They use food and drink, from which they derive nutrition, and are therefore furnished with a digestive apparatus. They have great muscular power, and are furnished with limbs and muscles of strength and flexibility. They are susceptible of the same appetites, and obnoxious to the same passions, the gratification of which is attended with the same results as in our own species. Spallanzani observes, that certain animalcules devour others so voraciously, that they fatten and become indolent and sluggish by over-feeding. After a meal of this kind, if they be13 confined in distilled water, so as to be deprived of all food, their condition becomes reduced; they regain their spirit and activity, and amuse themselves in the pursuit of the more minute animals, which are supplied to them; they swallow these without depriving them of life, for, by the aid of the microscope, the one has been observed moving within the body of the other. These singular appearances are not matters of idle and curious observation. They lead us to enquire what parts are necessary to produce such results. Must we not conclude that these creatures have heart, arteries, veins, muscles, sinews, tendons, nerves, circulating fluids, and all the concomitant apparatus of a living organised body? And if so, how inconceivably minute must those parts be! If a globule of their blood bears the same proportion to their whole bulk as a globule of our blood bears to our magnitude, what powers of calculation can give an adequate notion of its minuteness?

(16.) These and many other phenomena observed in the immediate productions of nature, or developed by mechanical and chemical processes, prove that the materials of which bodies are formed are susceptible of minuteness which infinitely exceeds the powers of sensible observation, even when those powers have been extended by all the aids of science. Shall we then conclude that matter is infinitely divisible, and that there are no original constituent atoms of determinate magnitude and figure at which all subdivision must cease? Such an inference would be unwarranted, even had we no other means of judging the question, except those of direct observation; for it would be imposing that limit on the works of nature which she has placed upon our powers of observing them. Aided by reason, however, and a due consideration of certain phenomena which come within our immediate powers of observation, we are frequently able to determine other phenomena which are beyond those powers. The diurnal motion of the earth is not perceived by us, because all things around us participate in it, preserve their relative position, and appear to be at14 rest. But reason tells us that such a motion must produce the alternations of day and night, and the rising and setting of all the heavenly bodies; appearances which are plainly observable, and which betray the cause from which they arise. Again, we cannot place ourselves at a distance from the earth, and behold the axis on which it revolves, and observe its peculiar obliquity to the orbit in which the earth moves; but we see and feel the vicissitudes of the seasons, an effect which is the immediate consequence of that inclination, and by which we are able to detect it.

(17.) So it is in the present case. Although we are unable by direct observation to prove the existence of constituent material atoms of determinate figure, yet there are many observable phenomena which render their existence in the highest degree probable, if not morally certain. The most remarkable of this class of effects is observed in the crystallisation of salts. When salt is dissolved in a sufficient quantity of pure water, it mixes with the water in such a manner as wholly to disappear to the sight and touch, the mixture being one uniform transparent liquid like the water itself, before its union with the salt. The presence of the salt in the water may, however, be ascertained by weighing the mixture, which will be found to exceed the original weight of the water by the exact amount of the weight of the salt. It is a well-known fact, that a certain degree of heat will convert water into vapour, and that the same degree of heat does not produce the same effect upon salt. The mixture of salt and water being exposed to this temperature, the water will gradually evaporate, disengaging itself from the salt with which it has been combined. When so much of the water has evaporated, that what remains is insufficient to keep in solution the whole of the salt, a part of the latter thus disengaged from the water will return to the solid state. The saline constituent will not in this case collect in irregular solid molecules; but will exhibit itself in particles of regular figure, terminated by plane surfaces, the figure being always the same for the same species of salt, but different for different15 species. These particles are called crystals. There are several circumstances in the formation of these crystals which merit attention.

If one of them be detached from the others, and the progress of its formation observed, it will be found gradually to increase, always preserving its original figure. Since its increase must be caused by the continued accession of saline molecules, disengaged by the evaporation of the water, it follows that these molecules must be so formed, that by attaching themselves successively to the crystal, they maintain the regularity of its bounding planes, and preserve their mutual inclinations unvaried.

Suppose a crystal to be taken from the liquid during the process of crystallisation, and a piece broken from it so as to destroy the regularity of its form: if the crystal thus broken be restored to the liquid, it will be observed gradually to resume its regular form, the atoms of salt successively dismissed by the vaporising water filling up the irregular cavities produced by the fracture. Hence it follows, that the saline particles which compose the surface of the crystal, and those which form the interior of its mass, are similar, and exert similar attractions on the atoms disengaged by the water.

All these details of the process of crystallisation are very evident indications of a determinate figure in the ultimate atoms of the substances which are crystallised. But besides the substances which are thus reduced by art to the form of crystals, there are larger classes which naturally exist in that state. There are certain planes, called planes of cleavage, in the directions of which natural crystals are easily divided. These planes, in substances of the same kind, always have the same relative position, but differ in different substances. The surfaces of the planes of cleavage are quite invisible before the crystal is divided; but when the parts are separated, these surfaces exhibit a most intense polish, which no effort of art can equal.

We may conceive crystallised substances to be regular mechanical structures formed of atoms of a certain16 figure, on which the figure of the whole structure must depend. The planes of cleavage are parallel to the sides of the constituent atoms; and their directions, therefore, form so many conditions for the determination of their figure. The shape of the atoms being thus determined, it is not difficult to assign all the various ways in which they may be arranged, so as to produce figures which are accordingly found to correspond with the various forms of crystals of the same substance.

(18.) When these phenomena are duly considered and compared, little doubt can remain that all substances susceptible of crystallisation, consist of atoms of determinate figure. This is the case with all solid bodies whatever, which have come under scientific observation, for they have been severally found in or reduced to a crystallised form. Liquids crystallise in freezing, and if aëriform fluids could by any means be reduced to the solid form, they would probably also manifest the same effect. Hence it appears reasonable to presume, that all bodies are composed of atoms; that the different qualities with which we find different substances endued, depend on the magnitude and figure of these atoms; that these atoms are indestructible and immutable by any natural process, for we find the qualities which depend on them unchangeably the same under all the influences to which they have been submitted since their creation; that these atoms are so minute in their magnitude, that they cannot be observed by any means which human art has yet contrived; but still that magnitudes can be assigned which they do not exceed.

It is proper, however, to observe here, that the various theorems of mechanical science do not rest upon any hypothesis concerning these atoms as a basis. These theorems are not inferred from this or any other supposition, and therefore their truth would not be in anywise disturbed, even though it should be established that matter is physically divisible in infinitum. The basis of mechanical science is observed facts, and, since the reasoning is demonstrative, the conclusions have the17 same degree of certainty as the facts from which they are deduced.

(19.) Porosity.—The volume of a body is the quantity of space included within its external surfaces. The mass of a body, is the collection of atoms or material particles of which it consists. Two atoms or particles are said to be in contact, when they have approached each other until arrested by their mutual impenetrability. If the component particles of a body were in contact, the volume would be completely occupied by the mass. But this is not the case. We shall presently prove, that the component particles of no known substance are in absolute contact. Hence it follows that the volume consists partly of material particles, and partly of interstitial spaces, which spaces are either absolutely void and empty, or filled by some substance of a different kind from the body in question. These interstitial spaces are called pores.

In bodies which are constituted uniformly throughout their entire dimensions, the component particles and the pores are uniformly distributed through the volume; that is, a given space in one part of the volume will contain the same quantity of matter and the same quantity of pores as an equal space in another part.

(20.) The proportion of the quantity of matter to the magnitude is called the density. Thus if of two substances, one contain in a given space twice as much matter as the other, it is said to be “twice as dense.” The density of bodies is, therefore, proportionate to the closeness or proximity of their particles; and it is evident, that the greater the density, the less will be the porosity.

The pores of a body are frequently filled with another body of a more subtle nature. If the pores of a body on the surface of the earth, and exposed to the atmosphere, be greater than the atoms of air, then the air may pervade the pores. This is found to be the case with many sorts of wood which have an open grain. If a piece of such wood, or of chalk, or of sugar, be pressed to the18 bottom of a vessel of water, the air which fills the pores will be observed to escape in bubbles and to rise to the surface, the water entering the pores, and taking its place.

If a tall vessel or tube, having a wooden bottom, be filled with quicksilver, the liquid metal will be forced by its own weight through the pores of the wood, and will be seen escaping in a silver shower from the bottom.

(21.) The process of filtration, in the arts, depends on the presence of pores of such a magnitude as to allow a passage to the liquid, but to refuse it to those impurities from which it is to be disengaged. Various substances are used as filtres; but, whatever be used, this circumstance should always be remembered, that no substance can be separated from a liquid by filtration, except one whose particles are larger than those of the liquid. In general, filtres are used to separate solid impurities from a liquid. The most ordinary filtres are soft stone, paper, and charcoal.

(22.) All organised substances in the animal and vegetable kingdoms are, from their very natures, porous in a high degree. Minerals are porous in various degrees. Among the silicious stones is one called hydrophane, which manifests its porosity in a very remarkable manner. The stone, in its ordinary state, is semi-transparent. If, however, it be plunged in water, when it is withdrawn it is as translucent as glass. The pores, in this case, previously filled with air, are pervaded by the water, between which and the stone there subsists a physical relation, by which the one renders the other perfectly transparent.

Larger mineral masses exhibit degrees of porosity not less striking. Water percolates through the sides and roofs of caverns and grottoes, and being impregnated with calcareous and other earths, forms stalactites, or pendant protuberances, which present a curious appearance.

(23.) Compressibility.—That quality, in virtue of which a body allows its volume to be diminished without diminishing its mass, is called compressibility. This19 effect is produced by bringing the constituent particles more close together, and thereby increasing the density and diminishing the pores. This effect may be produced in several ways; but the name “compressibility” is only applied to it when it is caused by the agency of mechanical force, as by pressure or percussion.

All known bodies, whatever be their nature, are capable of having their dimensions reduced without diminishing their mass; and this is one of the most conclusive proofs that all bodies are porous, or that the constituent atoms are not in contact; for the space by which the volume may be diminished must, before the diminution, consist of pores.

(24.) Elasticity.—Some bodies, when compressed by mechanical agency, will resume their former dimensions with a certain energy when relieved from the operation of the force which has compressed them. This property is called elasticity; and it follows, from this definition, that all elastic bodies must be compressible, although the converse is not true, compressibility not necessarily implying elasticity.

(25.) Dilatability.—This quality is the opposite of compressibility. It is the capability observed in bodies to have their volume enlarged without increasing their mass. This effect may be produced in several ways. In ordinary circumstances, a body may exist under the constant action of a pressure by which its volume and density are determined. It may happen, that on the occasional removal of that pressure, the body will dilate by a quality inherent in its constitution. This is the case with common air. Dilatation may also be the effect of heat, as will presently appear.

The several qualities of bodies which we have noticed in this chapter, when viewed in relation to each other, present many circumstances worthy of attention.

(26.) It is a physical law, of high generality, that an increase in the temperature, or degree of heat by which a body is affected, is accompanied by an increase of volume; and that a diminution of temperature is ac20companied by a diminution of volume. The exceptions to this law will be noticed and explained in our treatise on Heat. Hence it appears that the reduction of temperature is an effect which, considered mechanically, is equivalent to compression or condensation, since it diminishes the volume without altering the mass; and since this is an effect of which all bodies whatever are susceptible, it follows that all bodies whatever have pores. (23.)

The fact, that the elevation of temperature produces an increase of volume, is manifested by numerous experiments.

(27.) If a flaccid bladder be tied at the mouth, so as to stop the escape of air, and be then held before a fire, it will gradually swell, and assume the appearance of being fully inflated. The small quantity of air contained in the bladder is, in this case, so much dilated by the heat, that it occupies a considerably increased space, and fills the bladder, of which it before only occupied a small part. When the bladder is removed from the fire, and allowed to resume its former temperature, the air returns to its former dimensions, and the bladder becomes again flaccid.

(28.) Let A B, fig. 2. be a glass tube, with a bulb at the end A; and let the bulb A, and a part of the tube, be filled with any liquid, coloured so as to be visible. Let C be the level of the liquid in the tube. If the bulb be now exposed to heat, by being plunged in hot water, the level of the liquid C will rapidly rise towards B. This effect is produced by the dilatation of the liquid in the bulb, which filling a greater space, a part of it is forced into the tube. This experiment may easily be made with a common glass tube and a little port wine.

Thermometers are constructed on this principle, the rise of the liquid in the tube being used as an indication of the degree of heat which causes it. A particular account of these useful instruments will be found in our treatise on Heat.

(29.) The change of dimension of solids produced by21 changes of temperature being much less than that of bodies in the liquid or aeriform state, is not so easily observable. A remarkable instance occurs in the process of shoeing the wheels of carriages. The rim of iron with which the wheel is to be bound, is made in the first instance of a diameter somewhat less than that of the wheel; but being raised by the application of fire to a very high temperature, its volume receives such an increase, that it will be sufficient to embrace and surround the wheel. When placed upon the wheel it is cooled, and suddenly contracting its dimensions, binds the parts of the wheel firmly together, and becomes securely seated in its place upon the fellies.

(30.) It frequently happens that the stopper of a glass bottle or decanter becomes fixed in its place so firmly, that the exertion of force sufficient to withdraw it would endanger the vessel. In this case, if a cloth wetted with hot-water be applied to the neck of the bottle, the glass will expand, and the neck will be enlarged, so as to allow the stopper to be easily withdrawn.

(31.) The contraction of metal consequent upon change of temperature was applied some time ago in Paris to restore the walls of a tottering building to their proper position. In the Conservatoire des Arts et Métiers, the walls of a part of the building were forced out of the perpendicular by the weight of the roof, so that each wall was leaning outwards. M. Molard conceived the notion of applying the irresistible force with which metals contract in cooling, to draw the walls together. Bars of iron were placed in parallel directions across the building, and at right-angles to the direction of the walls. Being passed through the walls, nuts were screwed on their ends, outside the building. Every alternate bar was then heated by lamps, and the nuts screwed close to the walls. The bars were then cooled, and the lengths being diminished by contraction, the nuts on their extremities were drawn together, and with them the walls were drawn through an equal space. The same process was repeated with the intermediate bars, and so on alter22nately until the walls were brought into a perpendicular position.

(32.) Since there is a continual change of temperature in all bodies on the surface of the globe, it follows, that there is also a continual change of magnitude. The substances which surround us are constantly swelling and contracting, under the vicissitudes of heat and cold. They grow smaller in winter, and dilate in summer. They swell their bulk on a warm day, and contract it on a cold one. These curious phenomena are not noticed, only because our ordinary means of observation are not sufficiently accurate to appreciate them. Nevertheless, in some familiar instances the effect is very obvious. In warm weather the flesh swells, the vessels appear filled, the hand is plump, and the skin distended. In cold weather, when the body has been exposed to the open air, the flesh appears to contract, the vessels shrink, and the skin shrivels.

(33.) The phenomena attending change of temperature are conclusive proofs of the universal porosity of material substances, but they are not the only proofs. Many substances admit of compression by the mere agency of mechanical force.

Let a small piece of cork be placed floating on the surface of water in a basin or other vessel, and an empty glass goblet be inverted over the cork, so that its edge just meets the water. A portion of air will then be confined in the goblet, and detached from the remainder of the atmosphere. If the goblet be now pressed downwards, so as to be entirely immersed, it will be observed, that the water will not fill it, being excluded by the impenetrability of the air inclosed in it. This experiment, therefore, is decisive of the fact, that air, one of the most subtle and attenuated substances we know of, possesses the quality of impenetrability. It absolutely excludes any other body from the space which it occupies at any given moment.

But although the water does not fill the goblet, yet if the position of the cork which floats upon its surface be23 noticed, it will be found that the level of the water within has risen above its edge or rim. In fact, the water has partially filled the goblet, and the air has been forced to contract its dimensions. This effect is produced by the pressure of the incumbent water forcing the surface in the goblet against the air, which yields until it is so far compressed that it acquires a force able to withstand this pressure. Thus it appears that air is capable of being reduced in its dimensions by mechanical pressure, independently of the agency of heat. It is compressible.

That this effect is the consequence of the pressure of the liquid will be easily made manifest by showing that, as the pressure is increased, the air is proportionally contracted in its dimensions; and as it is diminished, the dimensions are on the other hand enlarged. If the depth of the goblet in the water be increased, the cork will be seen to rise in it, showing that the increased pressure, at the greater depth, causes the air in the goblet to be more condensed. If, on the other hand, the goblet be raised toward the surface, the cork will be observed to descend toward the edge, showing that as it is relieved from the pressure of the liquid, the air gradually approaches to its primitive dimensions.

(34.) These phenomena also prove, that air has the property of elasticity. If it were simply compressible, and not elastic, it would retain the dimensions to which it was reduced by the pressure of the liquid; but this is not found to be the result. As the compressing force is diminished, so in the same proportion does the air, by its elastic virtue, exert a force by which it resumes its former dimensions.

That it is the air alone which excludes the water from the goblet, in the preceding experiments, can easily be proved. When the goblet is sunk deep in the vessel of water, let it be inclined a little to one side until its mouth is presented towards the side of the vessel; let this inclination be so regulated, that the surface of the water in the goblet shall just reach its edge. Upon a slight24 increase of inclination, air will be observed to escape from the goblet, and to rise in bubbles to the surface of the water. If the goblet be then restored to its position, it will be found that the cork will rise higher in it than before the escape of the air. The water in this case rises and fills the space which the air allowed to escape has deserted. The same process may be repeated until all the air has escaped, and then the goblet will be completely filled by the water.

(35.) Liquids are compressible by mechanical force in so slight a degree, that they are considered in all hydrostatical treatises as incompressible fluids. They are, however, not absolutely incompressible, but yield slightly to very intense pressure. The question of the compressibility of liquids was raised at a remote period in the history of science. Nearly two centuries ago, an experiment was instituted at the Academy del Cimento in Florence, to ascertain whether water be compressible. With this view, a hollow ball of gold was filled with the liquid, and the aperture exactly and firmly closed. The globe was then submitted to a very severe pressure, by which its figure was slightly changed. Now it is proved in geometry, that a globe has this peculiar property, that any change whatever in its figure must necessarily diminish its volume or contents. Hence it was inferred, that if the water did not issue through the pores of the gold, or burst the globe, its compressibility would be established. The result of the experiment was, that the water did ooze through the pores, and covered the surface of the globe, presenting the appearance of dew, or of steam cooled by the metal. But this experiment was inconclusive. It is quite true, that if the water had not escaped upon the change of figure of the globe, the compressibility of the liquid would have been established. The escape of the water does not, however, prove its incompressibility. To accomplish this, it would be necessary first to measure accurately the volume of water which transuded by compression, and next to measure the diminution of volume which the vessel suffered by25 its change of figure. If this diminution were greater than the volume of water which escaped, it would follow that the water remaining in the globe had been compressed, notwithstanding the escape of the remainder. But this could never be accomplished with the delicacy and exactitude necessary in such an experiment; and, consequently, as far as the question of the compressibility of water was concerned, nothing was proved. It forms, however, a very striking illustration of the porosity of so dense a substance as gold, and proves that its pores are larger than the elementary particles of water, since these are capable of passing through them.

(36.) It has since been proved, that water, and other liquids, are compressible. In the year 1761, Canton communicated to the Royal Society the results of some experiments which proved this fact. He provided a glass tube with a bulb, such as that described in (28), and filled the bulb and a part of the tube with water well purified from air. He then placed this in an apparatus called a condenser, by which he was enabled to submit the surface of the liquid in the tube to very intense pressure of condensed air. He found that the level of the liquid in the tube fell in a perceptible degree upon the application of the pressure. The same experiment established the fact, that liquids are elastic; for upon removing the pressure, the liquid rose to its original level, and therefore resumed its former dimensions.

(37.) Elasticity does not always accompany compressibility. If lead or iron be submitted to the hammer, it may be hardened and diminished in its volume; but it will not resume its former volume after each stroke of the hammer.

(38.) There are some bodies which maintain the state of density in which they are commonly found by the continual agency of mechanical pressure; and such bodies are endued with a quality, in virtue of which they would enlarge their dimensions without limit, if the pressure which confines them were removed. Such bodies are26 called elastic fluids or gases, and always exist in the form of common air, in whose mechanical properties they participate. They are hence often called aeriform fluids.

Those who are provided with an air-pump can easily establish this property experimentally. Take a flaccid bladder, such as that already described in (27.), and place it under the glass receiver of an air-pump: by this instrument we shall be able to remove the air which surrounds the bladder under the receiver, so as to relieve the small quantity of air which is inclosed in the bladder from the pressure of the external air: when this is accomplished, the bladder will be observed to swell, as if it were inflated, and will be perfectly distended. The air contained in it, therefore, has a tendency to dilate, which takes effect when it ceases to be resisted by the pressure of surrounding air.

(39.) It has been stated that the increase or diminution of temperature is accompanied by an increase or diminution of volume. Related to this, there is another phenomenon too remarkable to pass unnoticed, although this is not the proper place to dwell upon it: it is the converse of the former; viz. that an increase or diminution of bulk is accompanied by a diminution or increase of temperature. As the application of heat from some foreign source produces an increase of dimensions, so if the dimensions be increased from any other cause, a corresponding portion of the heat which the body had before the enlargement, will be absorbed in the process, and the temperature will be thereby diminished. In the same way, since the abstraction of heat causes a diminution of volume, so if that diminution be caused by any other means, the body will give out the heat which in the other case was abstracted, and will rise in its temperature.

Numerous and well-known facts illustrate these observations. A smith by hammering a piece of bar iron, and thereby compressing it, will render it red hot. When air is violently compressed, it becomes so hot as to ignite cotton and other substances. An ingenious instrument for producing a light for domestic uses has27 been constructed, consisting of a small cylinder, in which a solid piston moves air-tight: a little tinder, or dry sponge, is attached to the bottom of the piston, which is then violently forced into the cylinder: the air between the bottom of the cylinder and the piston becomes intensely compressed, and evolves so much heat as to light the tinder.

In all the cases where friction or percussion produces heat or fire, it is because they are means of compression. The effects of flints, of pieces of wood rubbed together, the warmth produced by friction on the flesh, are all to be attributed to the same cause.


CHAP. III.
INERTIA.

(40.) The quality of matter which is of all others the most important in mechanical investigations, is that which has been called Inertia.

Matter is incapable of spontaneous change. This is one of the earliest and most universal results of human observation: it is equivalent to stating that mere matter is deprived of life; for spontaneous action is the only test of the presence of the living principle. If we see a mass of matter undergo any change, we never seek for the cause of that change in the body itself; we look for some external cause producing it. This inability for voluntary change of state or qualities is a more general principle than inertia. At any given moment of time a body must be in one or other of two states, rest or motion. Inertia, or inactivity, signifies the total absence of power to change this state. A body endued with inertia cannot of itself, and independent of all external influence, commence to move from a state of rest; neither can it when moving arrest its progress and become quiescent.

(41.) The same property by which a body is unable by any power of its own to pass from a state of rest to28 one of motion, or vice versâ, also renders it incapable of increasing or diminishing any motion which it may have received from an external cause. If a body be moving in a certain direction at the rate of ten miles per hour, it cannot by any energy of its own change its rate of motion to eleven or nine miles an hour. This is a direct consequence of that manifestation of inertia which has just been explained. For the same power which would cause a body moving at ten miles an hour to increase its rate to eleven miles, would also cause the same body at rest to commence moving at the rate of one mile an hour; and the same power which would cause a body moving at the rate of ten miles an hour to move at the rate of nine miles in the hour, would cause the same body moving at the rate of one mile an hour to become quiescent. It therefore appears, that to increase or diminish the motion of a body is an effect of the same kind as to change the state of rest into that of motion, or vice versâ.

(42.) The effects and phenomena which hourly fall under our observation afford unnumbered examples of the inability of lifeless matter to put itself into motion, or to increase any motion which may have been communicated to it. But it does not happen that we have the same direct and frequent evidence of its inability to destroy or diminish any motion which it may have received. And hence it arises, that while no one will deny to matter the former effect of inertia, few will at first acknowledge the latter. Indeed, even so late as the time of Kepler, philosophers themselves held it as a maxim, that “matter is more inclined to rest than to motion;” we ought not, therefore, to be surprised if in the present day those who have not been conversant with physical science are slow to believe that a body once put in motion would continue for ever to move with the same velocity, if it were not stopped by some external cause.

Reason, assisted by observation, will, however, soon dispel this illusion. Experience shows us in various ways, that the same causes which destroy motion in one29 direction are capable of producing as much motion in the opposite direction. Thus, if a wheel, spinning on its axis with a certain velocity, be stopped by a hand seizing one of the spokes, the effort which accomplishes this is exactly the same as, had the wheel been previously at rest, would have put it in motion in the opposite direction with the same velocity. If a carriage drawn by horses be in motion, the same exertion of power in the horses is necessary to stop it, as would be necessary to back it, if it were at rest. Now, if this be admitted as a general principle, it must be evident that a body which can destroy or diminish its own motion must also be capable of putting itself into motion from a state of rest, or of increasing any motion which it has received. But this latter is contrary to all experience, and therefore we are compelled to admit that a body cannot diminish or destroy any motion which it has received.

Let us enquire why we are more disposed to admit the inability of matter to produce than to destroy motion in itself. We see most of those motions which take place around us on the surface of the earth subject to gradual decay, and if not renewed from time to time, at length cease. A stone rolled along the ground, a wheel revolving on its axis, the heaving of the deep after a storm, and all other motions produced in bodies by external causes, decay, when the exciting cause is suspended; and if that cause do not renew its action, they ultimately cease.

But is there no exciting cause, on the other hand, which thus gradually deprives those bodies of their motion?—and if that cause were removed, or its intensity diminished, would not the motion continue, or be more slowly retarded? When a stone is rolled along the ground, the inequalities of its shape as well as those of the ground are impediments, which retard and soon destroy its motion. Render the stone round, and the ground level, and the motion will be considerably prolonged. But still small asperities will remain on the stone, and on the surface over which it rolls: substitute30 for the stone a ball of highly-polished steel, moving on a highly-polished steel plane, truly level, and the motion will continue without sensible diminution for a very long period; but even here, and in every instance of motions produced by art, minute asperities must exist on the surfaces which move in contact with each other, which must resist, gradually diminish, and ultimately destroy the motion.

Independently of the obstructions to the continuation of motion arising from friction, there is another impediment to which all motions on the surface of the earth are liable—the resistance of the air. How much this may affect the continuation of motion appears by many familiar effects. On a calm day carry an open umbrella with its concave side presented in the direction in which you are moving, and a powerful resistance will be opposed to your progress, which will increase with every increase of the speed with which you move.

(43.) We are not, however, without direct experience to prove, that motions when unresisted will for ever continue. In the heavens we find an apparatus, which furnishes a sublime verification of this principle. There, removed from all casual obstructions and resistances, the vast bodies of the universe roll on in their appointed paths with unerring regularity, preserving without diminution all that motion which they received at their creation from the hand which launched them into space. This alone, unsupported by other reasons, would be sufficient to establish the quality of inertia; but viewed in connection with the other circumstances previously mentioned, no doubt can remain that this is an universal law of nature.

(44.) It has been proved, that inability to change the quantity of motion is a consequence of inertia. The inability to change the direction of motion is another consequence of this quality. The same cause which increases or diminishes motion, would also give motion to a body at rest; and therefore we infer that the same31 inability which prevents a body from moving itself, will also prevent it from increasing or diminishing any motion which it has received. In the same manner we can show, that any cause which changes the direction of motion would also give motion to a body at rest; and therefore if a body change the direction of its own motion, the same body might move itself from a state of rest; and therefore the power of changing the direction of any motion which it may have received is inconsistent with the quality of inertia.

(45.) If a body, moving from A, fig. 3. to B, receive at B a blow in the direction C B E, it will immediately change its direction to that of another line B D. The cause which produces this change of direction would have put the body in motion in the direction B E, had it been quiescent at B when it sustained the blow.

(46.) Again, suppose G H to be a hard plane surface; and let the body be supposed to be perfectly inelastic. When it strikes the surface at B, it will commence to move along it in the direction B H. This change of direction is produced by the resistance of the surface. If the body, instead of meeting the surface in the direction A B, had moved in the direction E B, perpendicular to it, all motion would have been destroyed, and the body reduced to a state of rest.

(47.) By the former example it appears that the deflecting cause would have put a quiescent body in motion, and by the latter it would have reduced a moving body to a state of rest. Hence the phenomenon of a change of direction is to be referred to the same class as the change from rest to motion, or from motion to rest. The quality of inertia is, therefore, inconsistent with any change in the direction of motion which does not arise from an external cause.

(48.) From all that has been here stated, we may infer generally, that an inanimate parcel of matter is incapable of changing its state of rest or motion; that, in whatever state it be, in that state it must for ever32 continue, unless disturbed by some external cause; that if it be in motion, that motion must always be uniform, or must proceed at the same rate, equal spaces being moved over in the same time: any increase of its rate must betray some impelling cause; any diminution must proceed from an impeding cause, and neither of these causes can exist in the body itself; that such motion must not only be constantly at the same uniform rate, but also must be always in the same direction, any deflection from one uniform direction necessarily arising from some external influence.

The language sometimes used to explain the property of inertia in popular works, is eminently calculated to mislead the student. The terms resistance and stubbornness to move are faulty in this respect. Inertia implies absolute passiveness, a perfect indifference to rest or motion. It implies as strongly the absence of all resistance to the reception of motion, as it does the absence of all power to move itself. The term vis inertiæ or force of inactivity, so frequently used even by authors pretending to scientific accuracy, is still more reprehensible. It is a contradiction in terms; the term inactivity implying the absence of all force.

(49.) Before we close this chapter, it may be advantageous to point out some practical and familiar examples of the general law of inertia. The student must, however, recollect, that the great object of science is generalisation, and that his mind is to be elevated to the contemplation of the laws of nature, and to receive a habit the very reverse of that which disposes us to enjoy the descent from generals to particulars. Instances, taken from the occurrences of ordinary life, may, however, be useful in verifying the general law, and in impressing it upon the memory; and for this reason, we shall occasionally in the present treatise refer to such examples; always, however, keeping them in subser33vience to the general principles of which they are manifestations, and on which the attention of the student should never cease to be fixed.

(50.) If a carriage, a horse, or a boat, moving with speed, be suddenly retarded or stopped, by any cause which does not at the same time affect passengers, riders, or any loose bodies which are carried, they will be precipitated in the direction of the motion; because by reason of their inertia, they persevere in the motion which they shared in common with that which transported them, and are not deprived of that motion by the same cause.

(51.) If a passenger leap from a carriage in rapid motion, he will fall in the direction in which the carriage is moving at the moment his feet meet the ground; because his body, on quitting the vehicle, retains, by its inertia, the motion which it had in common with it. When he reaches the ground, this motion is destroyed by the resistance of the ground to the feet, but is retained in the upper and heavier part of the body; so that the same effect is produced as if the feet had been tripped.

(52.) When a carriage is once put in motion with a determinate speed on a level road, the only force necessary to sustain the motion is that which is sufficient to overcome the friction of the road; but at starting a greater expenditure of force is necessary, inasmuch as not only the friction is to be overcome, but the force with which the vehicle is intended to move must be communicated to it. Hence we see that horses make a much greater exertion at starting than subsequently, when the carriage is in motion; and we may also infer the inexpediency of attempting to start at full speed, especially with heavy carriages.

(53.) Coursing owes all its interest to the instinctive consciousness of the nature of inertia which seems to govern the measures of the hare. The greyhound is a comparatively heavy body moving at the same or greater34 speed in pursuit. The hare doubles, that is, suddenly changes the direction of her course, and turns back at an oblique angle with the direction in which she had been running. The greyhound, unable to resist the tendency of its body to persevere in the rapid motion it had acquired, is urged forward many yards before it is able to check its speed and return to the pursuit. Meanwhile the hare is gaining ground in the other direction, so that the animals are at a very considerable distance asunder when the pursuit is recommenced. In this way a hare, though much less fleet than a greyhound, will often escape it.

In racing, the horses shoot far beyond the winning-post before their course can be arrested.


CHAP. IV.
ACTION AND REACTION.

(54.) The effects of inertia or inactivity, considered in the last chapter, are such as may be manifested by a single insulated body, without reference to, or connection with, any other body whatever. They might all be recognised if there were but one body existing in the universe. There are, however, other important results of this law, to the development of which two bodies at least are necessary.

(55.) If a mass A, fig. 4., moving towards C, impinge upon an equal mass, which is quiescent at B, the two masses will move together towards C after the impact. But it will be observed, that their speed after the impact will be only half that of A before it. Thus, after the impact, A loses half its velocity; and B, which was before quiescent, receives exactly this amount of motion. It appears, therefore, in this case, that B receives exactly as much motion as A loses: so that the real35 quantity of motion from B to C is the same as the quantity of motion from A to B.

Now, suppose that B consisted of two masses, each equal to A, it would be found that in this case the velocity of the triple mass after impact would be one-third of the velocity from A to B. Thus, after impact, A loses two-thirds of its velocity and, B consisting of two masses each equal to A, each of these two receives one-third of A’s motion; so that the whole motion received by B is two-thirds of the motion of A before impact. By the impact, therefore, exactly as much motion is received by B as is lost by A.

A similar result will be obtained, whatever proportion may subsist between the masses A and B. Suppose B to be ten times A; then the whole motion of A must, after the impact, be distributed among the parts of the united masses of A and B: but these united masses are, in this case, eleven times the mass of A. Now, as they all move with a common motion, it follows that A’s former motion must be equally distributed among them; so that each part shall have an eleventh part of it. Therefore the velocity after impact will be the eleventh part of the velocity of A before it. Thus A loses by the impact ten-eleventh parts of its motion, which are precisely what B receives.

Again, if the masses of A and B be 5 and 7, then the united mass after impact will be 12. The motion of A before impact will be equally distributed between these twelve parts, so that each part will have a twelfth of it; but five of these parts belong to the mass A, and seven to B. Hence B will receive seven-twelfths, while A retains five-twelfths.

(56.) In general, therefore, when a mass A in motion impinges on a mass B at rest, to find the motion of the united mass after impact, “divide the whole motion of A into as many equal parts as there are equal component masses in A and B together, and then B will receive by the impact as many parts of this motion as it has equal component masses.”

36

This is an immediate consequence of the property of inertia, explained in the last chapter. If we were to suppose that by their mutual impact A were to give to B either more or less motion than that which it (A) loses, it would necessarily follow, that either A or B must have a power of producing or of resisting motion, which would be inconsistent with the quality of inertia already defined. For if A give to B more motion than it loses, all the overplus or excess must be excited in B by the action of A; and, therefore, A is not inactive, but is capable of exciting motion which it does not possess. On the other hand, B cannot receive from A less motion than A loses, because then B must be admitted to have the power by its resistance of destroying all the deficiency; a power essentially active, and inconsistent with the quality of inertia.

(57.) If we contemplate the effects of impact, which we have now described, as facts ascertained by experiment (which they may be), we may take them as further verification of the universality of the quality of inertia. But, on the other hand, we may view them as phenomena which may certainly be predicted from the previous knowledge of that quality; and this is one of many instances of the advantage which science possesses over knowledge merely practical. Having obtained by observation or experience a certain number of simple facts, and thence deduced the general qualities of bodies, we are enabled, by demonstrative reasoning, to discover other facts which have never fallen under our observation, or, if so, may have never excited attention. In this way philosophers have discovered certain small motions and slight changes which have taken place among the heavenly bodies, and have directed the attention of astronomical observers to them, instructing them with the greatest precision as to the exact moment of time and the point of the firmament to which they should direct the telescope, in order to witness the predicted event.

(58.) Since by the quality of inertia a body can37 neither generate nor destroy motion, it follows that when two bodies act upon each other in any way whatever, the total quantity of motion in a given direction, after the action takes place, must be the same as before it, for otherwise some motion would be produced by the action of the bodies, which would contradict the principle that they are inert. The word “action” is here applied, perhaps improperly, but according to the usage of mechanical writers, to express a certain phenomenon or effect. It is, therefore, not to be understood as implying any active principle in the bodies to which it is attributed.

(59.) In the cases of collision of which we have spoken, one of the masses B was supposed to be quiescent before the impact. We shall now suppose it to be moving in the same direction as A, that is, towards C, but with a less velocity, so that A shall overtake it, and impinge upon it. After the impact, the two masses will move towards C with a common velocity, the amount of which we now propose to determine.

If the masses A and B be equal, then their motions or velocities added together must be the motion of the united mass after impact, since no motion can either be created or destroyed by that event. But as A and B move with a common motion, this sum must be equally distributed between them, and therefore each will move with a velocity equal to half the sum of their velocities before the impact. Thus, if A have the velocity 7, and B have 5, the velocity of the united mass after impact is 6, being the half of 12, the sum of 7 and 5.

If A and B be not equal, suppose them divided into equal component parts, and let A consist of 8, and B of 6, equal masses: let the velocity of A be 17, so that the motion of each of the 8 parts being 17, the motion of the whole will be 136. In the same manner, let the velocity of B be 10, the motion of each part being 10, the whole motion of the 6 parts will be 60. The sum of the two motions, therefore, towards C is 196; and since none of this can be lost by the impact, nor any38 motion added to it, this must also be the whole motion of the united masses after impact. Being equally distributed among the 14 component parts of which these united masses consist, each part will have a fourteenth of the whole motion. Hence, 196 being divided by 14, we obtain the quotient 14, which is the velocity with which the whole moves.

(60.) In general, therefore, when two masses moving in the same direction impinge one upon the other, and after impact move together, their common velocity may be determined by the following rule: “Express the masses and velocities by numbers in the usual way, and multiply the numbers expressing the masses by the numbers which express the velocities; the two products thus obtained being added together, and their sum divided by the sum of the numbers expressing the masses, the quotient will be the number expressing the required velocity.”

(61.) From the preceding details, it appears that motion is not adequately estimated by speed or velocity. For example, a certain mass A, moving at a determinate rate, has a certain quantity of motion. If another equal mass B be added to A, and a similar velocity be given to it, as much more motion will evidently be called into existence. In other words, the two equal masses A and B united have twice as much motion as the single mass A had when moving alone, and with the same speed. The same reasoning will show that three equal masses will with the same speed have three times the motion of any one of them. In general, therefore, the velocity being the same, the quantity of motion will always be increased or diminished in the same proportion as the mass moved is increased or diminished.

(62.) On the other hand, the quantity of motion does not depend on the mass only, but also on the speed. If a certain determinate mass move with a certain determinate speed, another equal mass which moves with twice the speed, that is, which moves over twice the space in the same time, will have twice the quantity of motion. In39 this manner, the mass being the same, the quantity of motion will increase or diminish in the same proportion as the velocity.

(63.) The true estimate, then, of the quantity of motion is found by multiplying together the numbers which express the mass and the velocity. Thus, in the example which has been last given of the impact of masses, the quantities of motion before and after impact appear to be as follow:

Before Impact.
After Impact.
Mass of A  8 Mass of A  8
Velocity of A 17 Common velocity 14
Quantity of
motion of A
 8 × 17* or 136 Quantity of
motion of A
 8 × 14 or 112
Mass of B  6 Mass of B  6
Velocity of B 10 Common velocity 14
Quantity of
motion of B
 6 × 10 or 60 Quantity of
motion of B
 6 × 14 = 84

* The sign × placed between two numbers meant that they are to be multiplied together.

By this calculation it appears that in the impact A has lost a quantity of motion expressed by 24, and that B has received exactly that amount. The effect, therefore, of the impact is a transfer of motion from A to B; but no new motion is produced in the direction A C which did not exist before. This is obviously consistent with the property of inertia, and indeed an inevitable result of it.

These results may be generalised and more clearly and concisely expressed by the aid of the symbols of arithmetic.

Let a express the velocity of A.

Let b express the velocity of B.

Let x express the velocity of the united masses of A and B after impact, each of these velocities being expressed in feet per second, and the masses of A and B being expressed by the weight in pounds.

40

We shall then have the momenta or moving forces of A and B before impact, expressed by A × a and B × b, and the moving force of the united mass after impact will be expressed by (A + B) × x.

The moving force of A after impact is A × x, and therefore the force it loses by the collision will be (A × a - A × x). The force of B after impact will be B × x, and therefore the force it gains will be B × x - B × b. But since the force lost by A must be equal to the force gained by B, we shall have

A × a - A × x = B × x - B × b

from which it is easy to infer

(A + B) × x = A × a + B × b

and if it be required to express the velocity of the united masses after impact, we have

x =  A × a + B × b/A + B

When it is said that A × a and B × b express the moving forces of A and B, it must be understood that the unit of momentum or moving force is in the case here supposed, the force with which a mass of matter weighing 1 lb. would move if its velocity were 1 foot per second, and accordingly the forces with which A and B move before impact are as many times this as there are units respectively in the numbers signified by the general symbols A × a and B × b.

In like manner, the force of the united masses after impact is as many times greater than that of 1 lb. moving through 1 foot per second as there are units in the numbers expressed by (A + B) × x.

(64.) These phenomena present an example of a law deduced from the property of inertia, and generally expressed thus—“action and reaction are equal, and in contrary directions.” The student must, however, be cautious not to receive these terms in their ordinary41 acceptation. After the full explanation of inertia given in the last chapter, it is, perhaps, scarcely necessary here to repeat, that in the phenomena manifested by the motion of two bodies, there can be neither “action” nor “reaction,” properly so called. The bodies are absolutely incapable either of action or resistance. The sense in which these words must be received, as used in the law, is merely an expression of the transfer of a certain quantity of motion from one body to another, which is called an action in the body which loses the motion, and a reaction in the body which receives it. The accession of motion to the latter is said to proceed from the action of the former; and the loss of the same motion in the former is ascribed to the reaction of the latter. The whole phraseology is, however, most objectionable and unphilosophical, and is calculated to create wrong notions.

(65.) The bodies impinging were, in the last case, supposed to move in the same direction. We shall now consider the case in which they move in opposite directions.

First, let the masses A and B be supposed to be equal, and moving in opposite directions, with the same velocity. Let C, fig. 5., be the point at which they meet. The equal motions in opposite directions will, in this case, destroy each other, and both masses will be reduced to a state of rest. Thus, the mass A loses all its motion in the direction A C, which it may be supposed to transfer to B at the moment of impact. But B having previously had an equal quantity of motion in the direction B C, will now have two equal motions impressed upon it, in directions immediately opposite; and these motions neutralising each other, the mass becomes quiescent. In this case, therefore, as in all the former examples, each body transfers to the other all the motion which it loses, consistently with the principle of “action and reaction.”

The masses A and B being still supposed equal, let them move towards C with different velocities. Let A move with the velocity 10, and B with the velocity 6.42 Of the 10 parts of motion with which A is endued, 6 being transferred to B, will destroy the equal velocity 6, which B has in the direction B C. The bodies will then move together in the direction C B, the four remaining parts of A’s motion being equally distributed between them. Each body will, therefore, have two parts of A’s original motion, and 2 therefore will be their common velocity after impact. In this case, A loses 8 of the 10 parts of its motion in the direction A C. On the other hand, B loses the entire of its 6 parts of motion in the direction B C, and receives 2 parts in the direction A C. This is equivalent to receiving 8 parts of A’s motion in the direction A C. Thus, according to the law of “action and reaction,” B receives exactly what A loses.

Finally, suppose that both the masses and velocities of A and B are unequal. Let the mass of A be 8, and its velocity 9: and let the mass of B be 6, and its velocity 5. The quantity of motion of A will be 72, and that of B, in the opposite direction, will be 30. Of the 72 parts of motion, which A has in the direction A C, 30 being transferred to B, will destroy all its 30 parts of motion in the direction B C, and the two masses will move in the direction C B, with the remaining 42 parts of motion, which will be equally distributed among their 14 component masses. Each component part will, therefore, receive 3 parts of motion; and accordingly 3 will be the common velocity of the united mass after impact.

(66.) When two masses moving in opposite directions impinge and move together, their common velocity after impact may be found by the following rule:—“Multiply the numbers expressing the masses by those which express the velocities respectively, and subtract the lesser product from the greater; divide the remainder by the sum of the numbers expressing the masses, and the quotient will be the common velocity; the direction will be that of the mass which has the greater quantity of motion.”

It may be shown without difficulty, that the example43 which we have just given obeys the law of “action and reaction.”

Before Impact.
After Impact.
Mass of A 8 Mass of A 8
Velocity of A 9 Common velocity 3
Quantity of motion
in direction A C
8 × 9 or 72 Quantity of motion
in direction A C
8 × 3 or 24
Mass of B 6 Mass of B 6
Velocity of B 5 Common velocity 3
Quantity of motion
in direction B C
6 × 5 or 30 Quantity of motion
in direction A C
6 × 3 = 18

Hence it appears that the quantity of motion in the direction A C of which A has been deprived by the impact is 48, the difference between 72 and 24. On the other hand, B loses by the impact the quantity 30 in the direction B C, which is equivalent to receiving 30 in the direction A C. But it also acquires a quantity 18 in the direction A C, which, added to the former 30, gives a total of 48 received by B in the direction A C. Thus the same quantity of motion which A loses in the direction A C, is received by B in the same direction. The law of “action and reaction” is, therefore, fulfilled.

This result may in like manner be generalised. Retaining the former symbols, the moving forces of A and B before impact will be A × a and B × b and their forces after impact will be A × x and B × x. The force lost by A will therefore be A × a - A × x. The mass B will have lost all the force B × b which it had in its former direction, and will have received the force B × x in the opposite direction. Therefore the actual force imparted to B by the collision will be B × b + B × x. But since the force lost by A must be equal to that imparted to B, we shall have

A × a - A × x = B × b + B × x

and therefore

(A + B) × x = A × a - B × b

and if the common velocity after impact be required, we have

44

x =  A × a - B × b/A + B

As a general rule, therefore, to find the common velocity after impact. Multiply the weights by the previous velocities and take their sum if the bodies move in the same direction, and their difference if they move in opposite directions, and divide the one or the other by the sum of their weights. The greatest will be the velocity after impact.

(67.) The examples of the equality of action and reaction in the collision of bodies may be exhibited experimentally by a very simple apparatus. Let A, fig. 6., and B be two balls of soft clay, or any other substance which is inelastic, or nearly so, and let these be suspended from C by equal strings, so that they may be in contact; and let a graduated arc, of which the centre is C, be placed so that the balls may oscillate over it. One of the balls being moved from its place of rest along the arc, and allowed to descend upon the other through a certain number of degrees, will strike the other with a velocity corresponding to that number of degrees, and both balls will then move together with a velocity which may be estimated by the number of degrees of the arc through which they rise.

(68.) In all these cases in which we have explained the law of “action and reaction,” the transfer of motion from one body to the other has been made by impact or collision. The phenomenon has been selected only because it is the most ordinary way in which bodies are seen to affect each other. The law is, however, universal, and will be fulfilled in whatever manner the bodies may affect each other. Thus A may be connected with B by a flexible string, which, at the commencement of A’s motion, is slack. Until the string becomes stretched, that is, until A’s distance from B becomes equal to the length of the string, A will continue to have all the motion first impressed upon it. But when the string is stretched, a part of that motion is transferred to B, which is then45 drawn after A; and whatever motion B in this way receives, A must lose. All that has been observed of the effect of motion transferred by impact will be equally applicable in this case.

Again, if B, fig. 4., be a magnet moving in the direction B C with a certain quantity of motion, and while it is so moving a mass of iron be placed at rest at A, the attraction of the magnet will draw the iron after it towards C, and will thus communicate to the iron a certain quantity of motion in the direction of C. All the motion thus communicated to the iron A must be lost by the magnet B.

If the magnet and the iron were both placed quiescent at B and A, the attraction of the magnet would cause the iron to move from A towards B; but the magnet in this case not having any motion, cannot be literally said to transfer a motion to the iron. At the moment, however, when the iron begins to move from A towards B, the magnet will be observed to begin also to move from B towards A; and if the velocities of the two bodies be expressed by numbers, and respectively multiplied by the numbers expressing their masses, the quantities of motion thus obtained will be found to be exactly equal. We have already explained why a quantity of motion received in the direction B A, is equivalent to the same quantity lost in the direction A B. Hence it appears, that the magnet in receiving as much motion in the direction B A, as it gives in the direction A B, suffers an effect which is equivalent to losing as much motion directed towards C as it has communicated to the iron in the same direction.

In the same manner, if the body B had any property in virtue of which it might repel A, it would itself be repelled with the same quantity of motion. In a word, whatever be the manner in which the bodies may affect each other, whether by collision, traction, attraction, or repulsion, or by whatever other name the phenomenon may be designated, still it is an inevitable consequence, that any motion, in a given direction, which one of the bodies may receive, must be accompanied by a loss of46 motion in the same direction, and to the same amount, by the other body, or the acquisition of as much motion in the contrary direction; or, finally, by a loss in the same direction, and an acquisition of motion in the contrary direction, the combined amount of which is equal to the motion received by the former.

(69.) From the principle, that the force of a body in motion depends on the mass and the velocity, it follows, that any body, however small, may be made to move with the same force as any other body, however great, by giving to the smaller body a velocity which bears to that of the greater the same proportion as the mass of the greater bears to the mass of the smaller. Thus a feather, ten thousand of which would have the same weight as a cannon-ball, would move with the same force if it had ten thousand times the velocity; and in such a case, these two bodies encountering in opposite directions, would mutually destroy each other’s motion.

(70.) The consequences of the property of inertia, which have been explained in the present and preceding chapters, have been given by Newton, in his Principia, and, after him, in most English treatises on mechanics, under the form of three propositions, which are called the “laws of motion.” They are as follow:—

I.

“Every body must persevere in its state of rest, or of uniform motion in a straight line, unless it be compelled to change that state by forces impressed upon it.”

II.

“Every change of motion must be proportional to the impressed force, and must be in the direction of that straight line in which the force is impressed.”

III.

“Action must always be equal and contrary to reaction; or the actions of two bodies upon each other must be equal, and directed towards contrary sides.”

47

When inertia and force are defined, the first law becomes an identical proposition. The second law cannot be rendered perfectly intelligible until the student has read the chapter on the composition and resolution of forces, for, in fact, it is intended as an expression of the whole body of results in that chapter. The third law has been explained in the present chapter, as far as it can be rendered intelligible in the present stage of our progress.

We have noticed these formularies more from a respect for the authorities by which they have been proposed and adopted, than from any persuasion of their utility. Their full import cannot be comprehended until nearly the whole of elementary mechanics has been acquired, and then all such summaries become useless.

(71.) The consequences deduced from the consideration of the quality of inertia in this chapter, will account for many effects which fall under our notice daily, and with which we have become so familiar, that they have almost ceased to excite curiosity. One of the facts of which we have most frequent practical illustration is, that the quantity of motion or moving force, as it is sometimes called, is estimated by the velocity of the motion, and the weight or mass of the thing moved conjointly.

If the same force impel two balls, one of one pound weight, and the other of two pounds, it follows, since the balls can neither give force to themselves, nor resist that which is impressed upon them, that they will move with the same force. But the lighter ball will move with twice the speed of the heavier. The impressed force which is manifested by giving velocity to a double mass in the one, is engaged in giving a double velocity to the other.

If a cannon-ball were forty times the weight of a musket-ball, but the musket-ball moved with forty times the velocity of the cannon-ball, both would strike any obstacle with the same force, and would overcome the48 same resistance; for the one would acquire from its velocity as much force as the other derives from its weight.

A very small velocity may be accompanied by enormous force, if the mass which is moved with that velocity be proportionally great. A large ship, floating near the pier wall, may approach it with so small a velocity as to be scarcely perceptible, and yet the force will be so great as to crush a small boat.

A grain of shot flung from the hand, and striking the person, will occasion no pain, and indeed will scarcely be felt, while a block of stone having the same velocity would occasion death.

If a body in motion strike a body at rest, the striking body must sustain as great a shock from the collision as if it had been at rest, and struck by the other body with the same force. For the loss of force which it sustains in the one direction, is an effect of the same kind as if, being at rest, it had received as much force in the opposite direction. If a man, walking rapidly or running, encounters another standing still, he suffers as much from the collision as the man against whom he strikes.

If a leaden bullet be discharged against a plank of hard wood, it will be found that the round shape of the ball is destroyed, and that it has itself suffered a force by the impact, which is equivalent to the effect which it produces upon the plank.

When two bodies moving in opposite directions meet, each body sustains as great a shock as if, being at rest, it had been struck by the other body with the united forces of the two. Thus, if two equal balls, moving at the rate of ten feet in a second, meet, each will be struck with the same force as if, being at rest, the other had moved against it at the rate of twenty feet in a second. In this case one part of the shock sustained arises from the loss of force in one direction, and another from the reception of force in the opposite direction.

For this reason, two persons walking in opposite directions receive from their encounter a more violent49 shock than might be expected. If they be of nearly equal weight, and one be walking at the rate of three and the other four miles an hour, each sustains the same shock as if he had been at rest, and struck by the other running at the rate of seven miles an hour.

This principle accounts for the destructive effects arising from ships running foul of each other at sea. If two ships of 500 tons burden encounter each other, sailing at ten knots an hour, each sustains the shock which, being at rest, it would receive from a vessel of 1000 tons burden sailing ten knots an hour.

It is a mistake to suppose, that when a large and small body encounter, the small body suffers a greater shock than the large one. The shock which they sustain must be the same; but the large body may be better able to bear it.

When the fist of a pugilist strikes the body of his antagonist, it sustains as great a shock as it gives; but the fist being more fitted to endure the blow, the injury and pain are inflicted on his opponent. This is not the case, however, when fist meets fist. Then the parts in collision are equally sensitive and vulnerable, and the effect is aggravated by both having approached each other with great force. The effect of the blow is the same as if one fist, being held at rest, were struck by the other with the combined force of both.


CHAP. V.
THE COMPOSITION AND RESOLUTION OF FORCE.

(72.) Motion and pressure are terms too familiar to need explanation. It may be observed, generally, that definitions in the first rudiments of a science are seldom, if ever, comprehended. The force of words is learned by their application; and it is not until a definition becomes useless, that we are taught the meaning of the terms in50 which it is expressed. Moreover, we are perhaps justified in saying, that in the mathematical sciences the fundamental notions are of so uncompounded a character, that definitions, when developed and enlarged upon, often draw us into metaphysical subtleties and distinctions, which, whatever be their merit or importance, would be here altogether misplaced. We shall, therefore, at once take it for granted, that the words motion and pressure express phenomena or effects which are the subjects of constant experience and hourly observation; and if the scientific use of these words be more precise than their general and popular application, that precision will soon be learned by their frequent use in the present treatise.

(73.) Force is the name given in mechanics to whatever produces motion or pressure. This word is also often used to express the motion or pressure itself; and when the cause of the motion or pressure is not known, this is the only correct use of the word. Thus, when a piece of iron moves toward a magnet, it is usual to say that the cause of the motion is “the attraction of the magnet;” but in effect we are ignorant of the cause of this phenomenon; and the name attraction would be better applied to the effect of which we have experience. In like manner the attraction and repulsion of electrified bodies should be understood, not as names for unknown causes, but as words expressing observed appearances or effects.

When a certain phraseology has, however, gotten into general use, it is neither easy nor convenient to supersede it. We shall, therefore, be compelled, in speaking of motion and pressure, to use the language of causation; but must advise the student that it is effects and not causes which will be expressed.

(74.) If two forces act upon the same point of a body in different directions, a single force may be assigned, which, acting on that point, will produce the same result as the united effects of the other two.

Let P, fig. 7., be the point on which the two forces51 act, and let their directions be P A and P B. From the point P, upon the line P A, take a length P a, consisting of as many inches as there are ounces in the force P A; and, in like manner, take P b, in the direction P B, consisting of as many inches as there are ounces in the force P B. Through a draw a line parallel to P B, and through b draw a line parallel to P A, and suppose that these lines meet at c. Then draw P C. A single force, acting in the direction P C, and consisting of as many ounces as the line P c consists of inches, will produce upon the point P the same effect as the two forces P A and P B produce acting together.

(75.) The figure P a c b is called in GEOMETRY a parallelogram; the lines P a, P b, are called its sides, and the line P c is called its diagonal. Thus the method of finding an equivalent for two forces, which we have just explained, is generally called “the parallelogram of forces,” and is usually expressed thus: “If two forces be represented in quantity and direction by the sides of a parallelogram, an equivalent force will be represented in quantity and direction by its diagonal.”

(76.) A single force, which is thus mechanically equivalent to two or more other forces, is called their resultant, and relatively to it they are called its components. In any mechanical investigation, when the resultant is used for the components, which it always may be, the process is called “the composition of force.” It is, however, frequently expedient to substitute for a single force two or more forces, to which it is mechanically equivalent, or of which it is the resultant. This process is called “the resolution of force.”

(77.) To verify experimentally the theorem of the parallelogram of forces is not difficult. Let two small wheels, M N, fig. 8., with grooves in their edges to receive a thread, be attached to an upright board, or to a wall. Let a thread be passed over them, having weights A and B, hooked upon loops at its extremities. From any part P of the thread between the wheels let a weight C be suspended: it will draw the thread downwards, so as to52 form an angle M P N, and the apparatus will settle itself at rest in some determinate position. In this state it is evident that since the weight C, acting in the direction P C, balances the weights A and B, acting in the directions P M and P N, these two forces must be mechanically equivalent to a force equal to the weight C, and acting directly upwards from P. The weight C is therefore the quantity of the resultant of the forces P M and P N; and the direction of the resultant is that of a line drawn directly upwards from P.

To ascertain how far this is consistent with the theorem of “the parallelogram of forces,” let a line P O be drawn upon the upright board to which the wheels are attached, from the point P upward, in the direction of the thread C P. Also, let lines be drawn upon the board immediately under the threads P M and P N. From the point P, on the line P O, take as many inches as there are ounces in the weight C. Let the part of P O thus measured be P c, and from c draw c a parallel to P N, and c b parallel to P M. If the sides P a and P b of the parallelogram thus formed be measured, it will be found that P a will consist of as many inches as there are ounces in the weight A, and P b of as many inches as there are ounces in the weight B.

In this illustration, ounces and inches have been used as the subdivisions of weight and length. It is scarcely necessary to state, that any other measures of these quantities would serve as well, only observing that the same denominations must be preserved in all parts of the same investigation.

(78.) Among the philosophical apparatus of the University of London, is a very simple and convenient instrument which I constructed for the experimental illustration of this important theorem. The wheels M N are attached to the tops of two tall stands, the heights of which may be varied at pleasure by an adjusting screw. A jointed parallelogram, A B C D, fig. 9., is formed, whose sides are divided into inches, and the joints at A and B are moveable, so as to vary the lengths53 of the sides at pleasure. The joint C is fixed at the extremity of a ruler, also divided into inches, while the opposite joint A is attached to a brass loop, which surrounds the diagonal ruler loosely, so as to slide freely along it. An adjusting screw is provided in this loop so as to clamp it in any required position.

In making the experiment, the sides A B and A D, C B and C D are adjusted by the joints B and A to the same number of inches respectively as there are ounces in the weights A and B, fig. 8. Then the diagonal A C is adjusted by the loop and screw at A, to as many inches as there are ounces in the weight C. This done, the point A is placed behind P, fig. 8., and the parallelogram is held upright, so that the diagonal A C shall be in the direction of the vertical thread P C. The sides A B and A D will then be found to take the direction of the threads P M and P N. By changing the weights and the lengths of the diagonal and sides of the parallelogram, the experiment may be easily varied at pleasure.

(79.) In the examples of the composition of forces which we have here given, the effects of the forces are the production of pressures, or, to speak more correctly, the theorem which we have illustrated, is “the composition of pressures.” For the point P is supposed to be at rest, and to be drawn or pressed in the directions P M and P N. In the definition which has been given of the word force, it is declared to include motions as well as pressures. In fact, if motion be resisted, the effect is converted into pressure. The same cause acting upon a body, will either produce motion or pressure, according as the body is free or restrained. If the body be free, motion ensues; if restrained, pressure, or both these effects together. It is therefore consistent with analogy to expect that the same theorems which regulate pressures, will also be applicable to motions; and we find accordingly a most exact correspondence.

(80.) If a body have a motion in the direction A B, and at the point P it receive another motion, such as would carry it in the direction P C, fig. 10., were it pre54viously quiescent at P, it is required to determine the direction which the body will take, and the speed with which it will move, under these circumstances.

Let the velocity with which the body is moving from A to B be such, that it would move through a certain space, suppose P N, in one second of time, and let the velocity of the motion impressed upon it at P be such, that if it had no previous motion it would move from P to M in one second. From the point M draw a line parallel to P B, and from N draw a line parallel to P C, and suppose these lines to meet at some point, as O. Then draw the line P O. In consequence of the two motions, which are at the same time impressed upon the body at P, it will move in the straight line from P to O.

Thus the two motions, which are expressed in quantity and direction by the sides of a parallelogram, will, when given to the same body, produce a single motion, expressed in quantity and direction by its diagonal; a theorem which is to motions exactly what the former was to pressures.

There are various methods of illustrating experimentally the composition of motion. An ivory ball, being placed upon a perfectly level square table, at one of the corners, and receiving two equal impulses, in the directions of the sides of the table, will move along the diagonal. Apparatus for this experiment differ from each other only in the way of communicating the impulses to the ball.

(81.) As two motions simultaneously communicated to a body are equivalent to a single motion in an intermediate direction, so also a single motion may be mechanically replaced, by two motions in directions expressed by the sides of any parallelogram, whose diagonal represents the single motion. This process is “the resolution of motion,” and gives considerable clearness and facility to many mechanical investigations.

(82.) It is frequently necessary to express the portion of a given force, which acts in some given direction different from the immediate direction of the force itself.55 Thus, if a force act from A, fig. 11., in the direction A C, we may require to estimate what part of that force acts in the direction A B. If the force be a pressure, take as many inches A P from A, on the line A C, as there are ounces in the force, and from P draw P M perpendicular to A B; then the part of the force which acts along A B will be as many ounces as there are inches in A M. The force A B is mechanically equivalent to two forces, expressed by the sides A M and A N of the parallelogram; but A N, being perpendicular to A B, can have no effect on a body at A, in the direction of A B, and therefore the effective part of the force A P in the direction A B is expressed by A M.

(83.) Any number of forces acting on the same point of a body may be replaced by a single force, which is mechanically equivalent to them, and which is, therefore, their resultant. This composition may be effected by the successive application of the parallelogram of forces. Let the several forces be called A, B, C, D, E, &c. Draw the parallelogram whose sides express the forces A and B, and let its diagonal be A′. The force expressed by A′ will be equivalent to A and B. Then draw the parallelogram whose sides express the forces A′ and C, and let its diagonal be B′. This diagonal will express a force mechanically equivalent to A′ and C. But A′ is mechanically equivalent to A and B, and therefore B′ is mechanically equivalent to A, B, and C. Next construct a parallelogram, whose sides express the forces B′ and D, and let its diagonal be C′. The force expressed by C′ will be mechanically equivalent to the forces B′ and D; but the force B′ is equivalent to A, B, C, and therefore C′ is equivalent to A, B, C, and D. By continuing this process it is evident, that a single force may be found, which will be equivalent to, and may be always substituted for, any number of forces which act upon the same point.

If the forces which act upon the point neutralise each other, so that no motion can ensue, they are said to be in equilibrium.

56

(84.) Examples of the composition of motion and pressure are continually presenting themselves. They occur in almost every instance of motion or force which falls under our observation. The difficulty is to find an example which, strictly speaking, is a simple motion.

When a boat is rowed across a river, in which there is a current, it will not move in the direction in which it is impelled by the oars. Neither will it take the direction of the stream, but will proceed exactly in that intermediate direction which is determined by the composition of force.

Let A, fig. 12., be the place of the boat at starting; and suppose that the oars are so worked as to impel the boat towards B with a force which would carry it to B in one hour, if there were no current in the river. But, on the other hand, suppose the rapidity of the current is such, that without any exertion of the rowers the boat would float down the stream in one hour to C. From C draw C D parallel to A B, and draw the straight line A D diagonally. The combined effect of the oars and the current will be, that the boat will be carried along A D, and will arrive at the opposite bank in one hour, at the point D.

If the object be, therefore, to reach the point B, starting from A, the rowers must calculate, as nearly as possible, the velocity of the current. They must imagine a certain point E at such a distance above B that the boat would be floated by the stream from E to B in the time taken in crossing the river in the direction A E, if there were no current. If they row towards the point E, the boat will arrive at the point B, moving in the line A B.

In this case the boat is impelled by two forces, that of the oars in the direction A E, and that of the current in the direction A C. The result will be, according to the parallelogram of forces, a motion in the diagonal A B.

57

The wind and tide acting upon a vessel is a case of a similar kind. Suppose that the wind is made to impel the vessel in the direction of the keel; while the tide may be acting in any direction oblique to that of the keel. The course of the vessel is determined exactly in the same manner as that of the boat in the last example.

The action of the oars themselves, in impelling the boat, is an example of the composition of force. Let A, fig. 13., be the head, and B the stern of the boat. The boatman presents his face towards B, and places the oars so that their blades press against the water in the directions C E, D F. The resistance of the water produces forces on the side of the boat, in the directions G L and H L, which, by the composition of force, are equivalent to die diagonal force K L, in the direction of the keel.

Similar observations will apply to almost every body impelled by instruments projecting from its sides, and acting against a fluid. The motions of fishes, the act of swimming, the flight of birds, are all instances of the same kind.

(85.) The action of wind upon the sails of a vessel, and the force thereby transmitted to the keel, modified by the rudder, is a problem which is solved by the principles of the composition and resolution of force; but it is of too complicated and difficult a nature to be introduced with all its necessary conditions and limitations in this place. The question may, however, be simplified, if we consider the canvass of the sails to be stretched so completely as to form a plane surface. Let A B, fig. 14., be the position of the sail, and let the wind blow in the direction C D. If the line C D be taken to express the force of the wind, let D E C F be a parallelogram, of which it is the diagonal. The force C D is equivalent to two forces, one in the direction F D of the plane of the canvass, and the other E D perpendicular to the sail. The effect, therefore, is the same as if there were two winds, one blowing in the direction of F D or B A, that is against the edge of the sail, and the other, E D, blow58ing full against its face. It is evident that the former will produce no effect whatever upon the sail, and that the latter will urge the vessel in the direction D G.

Let us now consider this force D G as acting in the diagonal of the parallelogram D H G I. It will be equivalent to two forces, D H and D I, acting along the sides. One of these forces, D H, is in the direction of the keel, and the other, D I, at right angles to the length of the vessel, so as to urge it sideways. The form of the vessel is evidently such as to offer a great resistance to the latter force, and very little to the former. It consequently proceeds with considerable velocity in the direction D H of its keel, and makes way very slowly in the sideward direction D I. The latter effect is called lee-way.

From this explanation it will be easily understood, how a wind which is nearly opposed to the course of a vessel may, nevertheless, be made to impel it by the effect of sails. The angle B D V, formed by the sail and the direction of the keel, may be very oblique, as may also be the angle C D B formed by the direction of the wind and that of the sail. Therefore the angle C D V, made up of these two, and which is that formed by the direction of the wind and that of the keel, may be very oblique. In fig. 15. the wind is nearly contrary to the direction of the keel, and yet there is an impelling force expressed by the line D H, the line C D expressing, as before, the whole force of the wind.

In this example there are two successive decompositions of force. First, the original force of the wind C D is resolved into two, E D and F D; and next the element E D, or its equal D G, is resolved into D I and D H; so that the original force is resolved into three, viz. F D, D I, D H, which, taken together, are mechanically equivalent to it. The part F D is entirely ineffectual; it glides off on the surface of the canvass without producing any effect upon the vessel. The part D I produces lee-way, and the part D H impels.

H. Adlard, sc.

London, Pubd. by Longman & Co.

(86.) If the wind, however, be directly contrary to59 the course which it is required that the vessel should take, there is no position which can be given to the sails which will impel the vessel. In this case the required course itself is resolved into two, in which the vessel sails alternately, a process which is called tacking. Thus, suppose the vessel is required to move from A to E, fig. 16., the wind setting from E to A. The motion A B being resolved into two, by being assumed as the diagonal of a parallelogram, the sides A a, a B of the parallelogram are successively sailed over, and the vessel by this means arrives at B, instead of moving along the diagonal A B. In the same manner she moves along B b, b C, C c, c D, D d, d E, and arrives at E. She thus sails continually at a sufficient angle with the wind to obtain an impelling force, yet at a sufficiently small angle to make way in her proposed course.

The consideration of the effect of the rudder, which we have omitted in the preceding illustration, affords another instance of the resolution of force. We shall not, however, pursue this example further.

(87.) A body falling from the top of the mast when the vessel is in full sail, is an example of the composition of motion. It might be expected, that during the descent of the body, the vessel having sailed forward, would leave it behind, and that, therefore, it would fall in the water behind the stern, or at least on the deck, considerably behind the mast. On the other hand, it is found to fall at the foot of the mast, exactly as it would if the vessel were not in motion. To account for this, let A B, fig. 17., be the position of the mast when the body at the top is disengaged. The mast is moving onwards with the vessel in the direction A C, so that in the time which the body would take to fall to the deck, the top of the mast would move from A to C. But the body being on the mast at the moment it is disengaged, has this motion A C in common with the mast; and therefore in its descent it is affected by two motions, viz. that of the vessel expressed by A C, and its descending motion expressed by A B. Hence, by the com60position of motion, it will be found at the opposite angle D of the parallelogram, at the end of the fall. During the fall, however, the mast has moved with the vessel, and has advanced to C D, so that the body falls at the foot of the mast.

(88.) An instance of the composition of motion, which is worthy of some attention, as it affords a proof of the diurnal motion of the earth, is derived from observing the descent of a body from a very high tower. To render the explanation of this more simple, we shall suppose the tower to be on the equator of the earth. Let E P Q, fig. 18., be a section of the earth through the equator, and let P T be the tower. Let us suppose that the earth moves on its axis in the direction E P Q. The foot P of the tower will, therefore, in one day move over the circle E P Q, while the top T moves over the greater circle T T′ R. Hence it is evident, that the top of the tower moves with greater speed than the foot, and therefore in the same time moves through a greater space. Now suppose a body placed at the top; it participates in the motion which the top of the tower has in common with the earth. If it be disengaged, it also receives the descending motion T P. Let us suppose that the body would take five seconds to fall from T to P, and that in the same time the top T is moved by the rotation of the earth from T to T′, the foot being moved from P to P′. The falling body is therefore endued with two motions, one expressed by T T′, and the other by T P. The combined effect of these will be found in the usual way by the parallelogram. Take T p equal to T T′; the body will move from T to p in the time of the fall, and will meet the ground at p. But since T T′ is greater than P P′, it follows that the point p must be at a distance from P′ equal to the excess of T T′ above P P′. Hence the body will not fall exactly at the foot of the tower, but at a certain distance from it, in the direction of the earth’s motion, that is, eastward. This is found, by experiment, to be actually the case; and the distance from the foot of the tower, at which61 the body is observed to fall, agrees with that which is computed from the motion of the earth, to as great a degree of exactness as could be expected from the nature of the experiment.

(89.) The properties of compounded motions cause some of the equestrian feats exhibited at public spectacles to be performed by a kind of exertion very different from that which the spectators generally attribute to the performer. For example, the horseman standing on the saddle leaps over a garter extended over the horse at right angles to his motion; the horse passing under the garter, the rider lights upon the saddle at the opposite side. The exertion of the performer, in this case, is not that which he would use were he to leap from the ground over a garter at the same height. In the latter case, he would make an exertion to rise, and, at the same time, to project his body forward. In the case, however, of the horseman, he merely makes that exertion which is necessary to rise directly upwards to a sufficient height to clear the garter. The motion which he has in common with the horse, compounded with the elevation acquired by his muscular power, accomplishes the leap.

To explain this more fully, let A B C, fig. 19., be the direction in which the horse moves, A being the point at which the rider quits the saddle, and C the point at which he returns to it. Let D be the highest point which is to be cleared in the leap. At A the rider makes a leap towards the point E, and this must be done at such a distance from B, that he would rise from B to E in the time in which the horse moves from A to B. On departing from A, the rider has, therefore, two motions, represented by the lines A E and A B, by which he will move from the point A to the opposite angle D of the parallelogram. At D, the exertion of the leap being overcome by the weight of his body, he begins to return downward, and would fall from D to B in the time in which the horse moves from B to C. But at D he still retains the motion which he had in common with the horse; and therefore, in leaving the point D, he has62 two motions, expressed by the lines D F and D B. The compounded effects of these motions carry him from D to C. Strictly speaking, his motion from A to D, and from D to C, is not in straight lines, but in a curve. It is not necessary here, however, to attend to this circumstance.

(90.) If a billiard-ball strike the cushion of the table obliquely, it will be reflected from it in a certain direction, forming an angle with the direction in which it struck it. This affords an example of the resolution and composition of motion. We shall first consider the effect which would ensue if the ball struck the cushion perpendicularly.

Let A B, fig. 20., be the cushion, and C D the direction in which the ball moves towards it. If the ball and the cushion were perfectly inelastic, the resistance of the cushion would destroy the motion of the ball, and it would be reduced to a state of rest at D. If, on the other hand, the ball were perfectly elastic, it would be reflected from the cushion, and would receive as much motion from D to C after the impact, as it had from C to D before it. Perfect elasticity, however, is a quality which is never found in these bodies. They are always elastic, but imperfectly so. Consequently the ball after the impact will be reflected from D towards C, but with a less motion than that with which it approached from C to D.

Now let us suppose that the ball, instead of moving from C to D, moves from E to D. The force with which it strikes D being expressed by D E′, equal to E D, may be resolved into two, D F and D C′. The resistance of the cushion destroys D C′, and the elasticity produces a contrary force in the direction D C, but less than D C or D C′, because that elasticity is imperfect. The line D C expressing the force in the direction C D, let D G (less than D C) express the reflective force in the direction D C. The other element D F, into which the force D E′ is resolved by the impact, is not destroyed or modified by the cushion, and therefore, on leaving the cushion at D,63 the ball is influenced by two forces, D F (which is equal to C E) and D G. Consequently it will move in the diagonal D H.

(91.) The angle E D C is in this case called the “angle of incidence,” and C D H is called “the angle of reflection.” It is evident, from what has been just inferred, that the ball, being imperfectly elastic, the angle of incidence must always be less than the angle of reflection, and with the same obliquity of incidence, the more imperfect the elasticity is, the less will be the angle of reflection.

In the impact of a perfectly elastic body, the angle of reflection would be equal to the angle of incidence. For then the line D G, expressing the reflective force, would be taken equal to C D, and the angle C D H would be equal to C D E. This is found by experiment to be the case when light is reflected from a polished surface of glass or metal.

Motion is sometimes distinguished into absolute and relative. What “relative motion” means is easily explained. If a man walk upon the deck of a ship from stem to stern, he has a relative motion which is measured by the space upon the deck over which he walks in a given time. But while he is thus walking from stem to stern, the ship and its contents, including himself, are impelled through the deep in the opposite direction. If it so happen that the motion of the man, from stem to stern, be exactly equal to the motion of the ship in the contrary way, the man will be, relatively to the surface of the sea and that of the earth, at rest. Thus, relatively to the ship, he is in motion, while, relatively to the surface of the earth, he is at rest. But still this is not absolute rest. The surface itself is moving by the diurnal rotation of the earth upon its axis, as well as by the annual motion in its orbit round the sun. These motions, and others to which the earth is subject, must be all compounded by the theorem of the parallelogram of forces before we can obtain the absolute state of the body with respect to motion or rest.


64

CHAP. VI.
ATTRACTION.

(92.) Whatever produces, or tends to produce, a change in the state of a particle or mass of matter with respect to motion or rest, is a force. Rest, or uniform rectilinear motion, are therefore the only states in which any body can exist which is not subject to the present action of some force. We are not, however, entitled to conclude, that because a body is observed in one or other of these states, it is therefore uninfluenced by any forces. It may be under the immediate action of forces which neutralise each other: thus two forces may be acting upon it which are equal, and in opposite directions. In such a case, its state of rest, or of uniform rectilinear motion, will be undisturbed. The state of uniform rectilinear motion declares more with respect to the body than the state of rest; for the former betrays the action of a force upon the body at some antecedent period; this action having been suspended, while its effect continues to be observed in the motion which it has produced.

(93.) When the state of a body is changed from rest to uniform rectilinear motion, the action of the force is only momentary, in which case it is called an impulse. If a body in uniform rectilinear motion receive an impulse in the direction in which it is moving, the effect will be, that it will continue to move uniformly in the same direction, but its velocity will be increased by the amount of speed which the impulse would have given it had it been previously quiescent. Thus, if the previous motion be at the rate of ten feet in a second, and the impulse be such as would move it from a state of rest at five feet in a second, the velocity, after the impulse, will be fifteen feet in a second.

But if the impulse be received in a direction immediately opposed to the previous motion, then it will diminish the speed by that amount of velocity which it would65 give to the body had it been previously at rest. In the example already given, if the impulse were opposed to the previous motion, the velocity of the body after the impulse would be five feet in a second. If the impulse received in the direction opposed to the motion be such as would give to the body at rest a velocity equal to that with which it is moving, then the effect will be, that after the impulse no motion will exist; and if the impulse would give it a still greater velocity, the body will be moved in the opposite direction with an uniform velocity equal to the excess of that due to the impulse over that which the body previously had.

When a body in a state of uniform motion receives an impulse in a direction not coinciding with that of its motion, it will move uniformly after the impulse in an intermediate direction, which may be determined by the principles established for the composition of motion in the last chapter.

Thus it appears, that whenever the state of a body is changed either from rest to uniform rectilinear motion or vice versa, or from one state of uniform rectilinear motion to another, differing from that either in velocity or direction, or in both, the phenomenon is produced by that peculiar modification of force whose action continues but for a single instant, and which has been called an impulse.

(94.) In most cases, however, the mechanical state of a body is observed to be subject to a continual change or tendency to change. We are surrounded by innumerable examples of this. A body is placed on the table. A continual pressure is excited on the surface of the table. This pressure is only the consequence of the continual tendency of the body to move downwards. If the body were excited by a force of the nature of an impulse, the effect upon the table would be instantaneous, and would immediately cease. It would, in fact, be a blow. But the continuation of the pressure proves the continuation of the action of the force.

If the table be removed from beneath the body, the66 force which excites it being no longer resisted, will produce motion; it is manifested, not as before, by a tendency to produce motion, but by the actual exhibition of that phenomenon. Now if the exciting force were an impulse, the body would descend to the ground with an uniform velocity. On the other hand, as will hereafter appear, every moment of its fall increases its speed, and that speed is greatest at the instant it meets the ground.

A piece of iron placed at a distance from a magnet approaches it, but not with an uniform velocity. The force of the magnet continues to act during the approach of the iron, and each moment gives it increased motion.

(95.) The forces which are thus in constant operation, proceed from secret agencies which the human mind has never been able to detect. All the analogies of nature prove that they are not the immediate results of the divine will, but are secondary causes, that is, effects of some more remote principles. To ascend to these secondary causes, and thus as it were approach one step nearer to the Creator, is the great business of philosophy; and the most certain means for accomplishing this, is diligently to observe, to compare, and to classify the phenomena, and to avoid assuming the existence of any thing which has not either been directly observed, or which cannot be inferred demonstratively from natural phenomena. Philosophy should follow nature, and not lead her.

While the law of inertia, established by observation and reason, declares the inability of matter, from any principle resident in it, to change its state, all the phenomena of the universe prove that state to be in constant but regular fluctuation. There is not in existence a single instance of the phenomenon of absolute rest, or of motion which is absolutely uniform and rectilinear. In bodies, or the parts of bodies, there is no known instance of simple passive juxtaposition unaccompanied by pressure or tension, or some other “tendency to motion.” Innumerable secret powers are ever at work, compensating, as it were, for inertia, and supplying the material67 world with a substitute for the principles of action and will, which give such immeasurable superiority to the character of life.

(96.) The forces which are thus in continual operation, whose existence is demonstrated by their observed effects, but whose nature, seat, and mode of operation are unknown to us, are called by the general name attractions. These forces are classified according to the analogies which prevail among their effects, in the same manner, and according to the same principles, as organised beings are grouped in natural history. In that department of natural science, when individuals are distributed in classes, the object is merely to generalise, and thereby promote the enlargement of knowledge; but nothing is or ought to be thus assumed respecting the essence, or real internal constitution of the individuals. According to their external and observable characters and qualities they are classed; and this classification should never be adduced as an evidence of any thing except that similitude of qualities to which it owed its origin.

Phenomena are to the natural philosopher what organised beings are to the naturalist. He groups and classifies them on the same principles, and with a like object. And as the naturalist gives to each species a name applicable to the individual beings which exhibit corresponding qualities, so the philosopher gives to each force or attraction a name corresponding to the phenomena of which it is the cause. The naturalist is ignorant of the real essence or internal constitution of the thing which he nominates, and of the manner in which it comes to possess or exhibit those qualities which form the basis of his classification; and the natural philosopher is equally ignorant of the nature, seat, and mode of operation of the force which he assigns as the cause of an observed class of effects.

These observations respecting the true import of the term “attraction” seem the more necessary to be premised, because the general phraseology of physical science,68 taken as language is commonly received, will seem to convey something more. The names of the several attractions which we shall have to notice, frequently refer the seat of the cause to specific objects, and seem to imply something respecting its mode of operation. Thus, when we say “the magnet attracts a piece of iron,” the true philosophical import of the words is, “that a piece of iron placed in the vicinity of the magnet, will move towards it, or placed in contact, will adhere to it, so that some force is necessary to separate them.” In the ordinary sense, however, something more than this simple fact is implied. It is insinuated that the magnet is the seat of the force which gives motion to the iron; that in the production of the phenomenon, the magnet is an agent exerting a certain influence, of which the iron is the subject. Of all this, however, there is no proof; on the contrary, since the magnet must move towards the iron with just as much force as the iron moves towards the magnet, there is as much reason to place the seat of the force in the iron, and consider it as an agent affecting the magnet. But, in fact, the influence which produces this phenomenon may not be resident in either the one body or the other. It may be imagined to be a property of a medium in which both are placed, or to arise from some third body, the presence of which is not immediately observed. However attractive these and like speculations may be, they cannot be allowed a place in physical investigations, nor should consequences drawn from such hypotheses be allowed to taint our conclusions with their uncertainty.

The student ought, therefore, to be aware, that whatever may seem to be implied by the language used in this science in relation to attractions, nothing is permitted to form the basis of reasoning respecting them except their effects; and whatever be the common signification of the terms used, it is to these effects, and to these alone, they should be referred.

(97.) Attractions may be primarily distributed into two classes; one consisting of those which exist between69 the molecules or constituent parts of bodies, and the other between bodies themselves. The former are sometimes called, for distinction, molecular or atomic attractions.

Without the agency of molecular forces, the whole face of nature would be deprived of variety and beauty; the universe would be a confused heap of material atoms dispersed through space, without form, shape, coherence, or motion. Bodies would neither have the forms of solid, liquid, or air; heat and light would no longer produce their wonted effects; organised beings could not exist; life itself, as connected with body, would be extinct. Atoms of matter, whether distant or in juxtaposition, would have no tendency to change their places, and all would be eternal stillness and rest. If, then, we are asked for a proof of the existence of molecular forces, we may point to the earth and to the heavens; we may name every object which can be seen or felt. The whole material world is one great result of the influence of these powerful agents.

(98.) It has been proved (11. et seq.) that the constituent particles of bodies are of inconceivable minuteness, and that they are not in immediate contact (23), but separated from each other by interstitial spaces, which, like the atoms themselves, although too small to be directly observed, yet are incontestably proved to exist, by observable phenomena, from which their existence demonstratively follows. The resistance which every body opposes to compression, proves that a repulsive influence prevails between the particles, and that this repulsion is the cause which keeps the atoms separate, and maintains the interstitial spaces just mentioned. Although this repulsion is found to exist between the molecules of all substances whatever, yet it has different degrees of energy in different bodies. This is proved by the fact, that some substances admit of easy compression, while in others, the exertion of considerable force is necessary to produce the smallest diminution in bulk.

70

The space around each atom of a body, through which this repulsive influence extends, is generally limited, and immediately beyond it, a force of the opposite kind is manifested, viz. attraction. Thus, in solid bodies, the particles resist separation as well as compression, and the application of force is as necessary to break the body, or divide it into separate parts, as to force its particles into closer aggregation. It is by virtue of this attraction that solid bodies maintain their figure, and that their parts are not separated and scattered like those of fluids, merely by their own weight. This force is called the attraction of cohesion.

The cohesive force acts in different substances with different degrees of energy: in some its intensity is very great; but the sphere of its influence apparently very limited. This is the case with all bodies which are hard, strong, and brittle, which no force can extend or stretch in any perceptible degree, and which require a great force to break or tear them asunder. Such, for example, is cast iron, certain stones, and various other substances. In some bodies the cohesive force is weak, but the sphere of its action considerable. Bodies which are easily extended, without being broken or torn asunder, furnish examples of this. Such are Indian-rubber, or caoutchouc, several animal and vegetable products, and, in general, all solids of a soft and viscid kind.

Between these extremes, the cohesive force may be observed in various degrees. In lead and other soft metals, its sphere of action is greater, and its energy less, than in the former examples; but its sphere less, and energy greater, than in the latter ones. It is from the influence of this force, and that of the repulsion, whose sphere of action is still closer to the component atoms, that all the varieties of texture which we denominate hard, soft, tough, brittle, ductile, pliant, &c. arise.

After having been broken, or otherwise separated, the parts of a solid may be again united by their cohesion, provided any considerable number of points be brought into sufficiently close contact. When this is done by me71chanical means, however, the cohesion is not so strong as before their separation, and a comparatively small force will be sufficient again to disunite them. Two pieces of lead freshly cut, with smooth surfaces, will adhere when pressed together, and will require a considerable force to separate them. In the same manner if a piece of Indian-rubber be torn, the parts separated will again cohere, by being brought together with a slight pressure. The union of the parts in such instances is easy, because the sphere through which the influence of cohesion extends is considerable; but even in bodies in which this influence extends through a more limited space, the cohesion of separate pieces will be manifested, provided their surfaces be highly polished, so as to insure the near approach of a great number of their particles. Thus, two polished surfaces of glass, metal, or stone, will adhere when brought into contact.

In all these cases, if the bodies be disunited by mechanical force, they will separate at exactly the parts at which they had been united, so that after their separation no part of the one will adhere to the other; proving that the force of cohesion of the surfaces brought into contact is less than that which naturally held the particles of each together.

(99.) When a body is in the liquid form, the weight of its particles greatly predominates over their mutual cohesion, and consequently if such a body be unconfined it will be scattered by its own weight; if it be placed in any vessel, it will settle itself, by the force of its weight, into the lowest parts, so that no space in the vessel below the upper surface of the liquid will be unoccupied. The particles of a solid body placed in the vessel have exactly the same tendency, by reason of their weight; but this tendency is resisted and prevented from taking effect by their strong cohesion.

Although this cohesion in solids is much greater than in liquids, and productive of more obvious effects, yet the principle is not altogether unobserved in liquids. Water converted into vapour by heat, is divided into incon72ceivably minute particles, which ascend in the atmosphere. When it is there deprived of a part of that heat which gave it the vaporous form, the particles, in virtue of their cohesive force, collect into round drops, in which form they descend to the earth.

In the same manner, if a liquid be allowed to fall gradually from the lip of a vessel, it will not be dismissed in particles indefinitely small, as if its mass were incoherent, like sand or powder, but will fall in drops of considerable magnitude. In proportion as the cohesive force is greater, these drops affect a greater size. Thus, oil and viscid liquids fall in large drops; ether, alcohol, and others in small ones.

Two drops of rain trickling down a window pane will coalesce when they approach each other; and the same phenomenon is still more remarkable, if a few drops of quicksilver be scattered on an horizontal plate of glass.

It is the cohesive principle which gives rotundity to grains of shot: the liquid metal is allowed to fall like rain from a great elevation. In its descent the drops become truly globular, and before they reach the end of their fall they are hardened by cooling, so that they retain their shape.

It is also, probably, to the cohesive attraction that we should assign the globular forms of all the great bodies of the universe; the sun, planets, satellites, &c., which originally may have been in the liquid state.

(100.) Molecular attraction is also exhibited between the particles of liquids and solids. A drop of water will not descend freely when it is in contact with a perpendicular glass plane: it will adhere to the glass; its descent will be retarded; and if its weight be insufficient to overcome the adhesive force, it will remain suspended.

If a plate of glass be placed upon the surface of water without being permitted to sink, it will require more force to raise it from the water than is sufficient merely to balance the weight of the glass. This shows the adhesion of the water and glass, and also the cohesive force with which the particles of the water resist separation.

73

If a needle be dipped in certain liquids, a drop will remain suspended at its point when withdrawn from them: and, in general, when a solid body has been immersed in a liquid and withdrawn, it is wet; that is, some of the liquid has adhered to its surfaces. If no attraction existed between the solid and liquid, the solid would be in the same state after immersion as before. This is proved by liquids and solids between which no attraction exists. If a piece of glass be immersed in mercury, it will be in the same state when withdrawn as before it was immersed. No mercury will adhere to it; it will not be wet.

When it rains, the person and vesture are affected only because this attraction exists between them and water. If it rained mercury, none would adhere to them.

(101.) When molecular attraction is exhibited by liquids pervading the interstices of porous bodies, ascending in crevices or in the bores of small tubes, it is called capillary attraction. Instances of this are innumerable. Liquids are thus drawn into the pores of sponge, sugar, lamp-wick, &c. The animal and vegetable kingdom furnish numerous examples of this class of effects.

A weight being suspended by a dry rope, will be drawn upwards through a considerable height, if the rope be moistened with a wet sponge. The attraction of the particles composing the rope for the water is in this case so powerful, that the tension produced by several hundred weight cannot expel them.

A glass tube, of small bore, being dipped in water tinged by mixture with a little ink, will retain a quantity of the liquid suspended when withdrawn. The height of the liquid in the tube will be seen by looking through it. It is found that the less the bore of the tube is, the greater will be the height of the column sustained. A series of such tubes fixed in the same frame, with their lower orifices at the same level, and with bores gradually decreasing, being dipped in the liquid, will exhibit columns gradually increasing.

A capillary syphon is formed of a hank of cotton74 threads, one end of which is immersed in the vessel containing the liquid, and the other is carried into the vessel into which the liquid is to be transferred. The liquid may be thus drawn from the one vessel into the other. The same effect may be produced by a glass syphon with a small bore.

(102.) It frequently happens that a molecular repulsion is exhibited between a solid and a liquid. If a piece of wood be immersed in quicksilver, the liquid will be depressed at that part of the surface which is near the wood; and in like manner, if it be contained in a glass vessel, it will be depressed at the edges. In a barometer tube, the surface of the mercury is convex, owing partly to the repulsion between the glass and mercury.

All solids, however, do not repel mercury. If any golden trinket be dipped in that liquid, or even be exposed for a moment to contact with it, the gold will be instantly intermingled with particles of quicksilver, the metal changes its colour, and becomes white like silver, and the mercury can only be extricated by a difficult process. Chains, seals, rings, &c. should always be laid aside by those engaged in experiments or other processes in which mercury is used.

(103.) Of all the forms under which molecular force is exhibited, that in which it takes the name of affinity is attended with the most conspicuous effects. Affinity is in chemistry what inertia is in mechanics, the basis of the science. The present treatise is not the proper place for any detailed account of this important class of natural phenomena. Those who seek such knowledge are referred to our treatise on Chemistry. Since, however, affinity sometimes influences the mechanical state of bodies, and affects their mechanical properties, it will be necessary here to state so much respecting it as to render intelligible those references which we may have occasion to make to such effects.

When the particles of different bodies are brought into close contact, and more especially when, being in a fluid state, they are mixed together, their union is fre75quently observed to produce a compound body, differing in its qualities from either of the component bodies. Thus the bulk of the compound is often greater or less than the united volumes of the component bodies. The component bodies may be of the ordinary temperature of the atmosphere, and yet the compound may be of a much higher or lower temperature. The components may be liquid, and the compound solid. The colour of the compound may bear no resemblance whatever to that of the components. The species of molecular action between the components, which produce these and similar, effects, is called affinity.

(104.) We shall limit ourselves here to the statement of a few examples of these phenomena.

If a pint of water and a pint of sulphuric acid be mixed, the compound will be considerably less than a quart. The density of the mixture is, therefore, greater than that which would result from the mere diffusion of the particles of the one fluid through those of the other. The particles have assumed a greater proximity, and therefore exhibit a mutual attraction.

In this experiment, although the liquids before being mixed be of the temperature of the surrounding air, the mixture will be so intensely hot, that the vessel which contains it cannot be touched without pain.

If the two aeriform fluids, called oxygen and hydrogen, be mixed together in a certain proportion, the compound will be water. In this case, the components are different from the compound, not merely in the one being air and the other liquid, but in other respects not less striking. The compound water extinguishes fire, and yet of the components, hydrogen is one of the most inflammable substances in nature, and the presence of oxygen is indispensably necessary to sustain the phenomenon of combustion.

Oxygen gas, united with quicksilver, produces a compound of a black colour, the quicksilver being white and the gas colourless. When these substances are combined in another proportion, they give a red compound.

76

(105.) Having noticed the principal molecular forces, we shall now proceed to the consideration of those attractions which are exhibited between bodies existing in masses. The influence of molecular attractions is limited to insensible distances. On the contrary, the forces which are now to be noticed act at considerable distances, and to the influence of some there is no limit, the effect, however, decreasing as the distance increases.

The effect of the loadstone on iron is well known, and is one of this class of forces. For a detailed account of this force, and the various phenomena of which it is the cause, the reader is referred to our treatise on Magnetism.

When glass, wax, amber, and other substances are submitted to friction with silken or woollen cloth, they are observed to attract feathers, and other light bodies placed near them. A like effect is produced in several other ways, and is attended with other phenomena, the discussion of which forms a principal part of physical science. The force thus exhibited is called electricity. For details respecting it, and for its connection with magnetism, the reader is referred to our treatises on Electricity and Electro-magnetism.

(106.) These attractions exist either between bodies of particular kinds, or are developed by reducing the bodies which manifest them to a certain state by friction, or some other means. There is, however, an attraction, which is manifested between bodies of all species, and under all circumstances whatever; an attraction, the intensity of which is wholly independent of the nature of the bodies, and only depends on their masses and mutual distances. Thus, if a mass of metal and a mass of clay be placed in the vast abyss of space, at a mile asunder, they will instantly commence to approach each other with certain velocities. Again, if a mass of stone and of wood respectively equal to the former, be placed at a like distance, they will also commence to approach each other with the same velocities as the former. This universal attraction, which only77 depends on the quantity of the masses and their mutual distances, is called the “attraction of gravitation.” We shall first explain the “law” of this attraction, and shall then point out some of the principal phenomena by which its existence and its laws are known.

(107.) The “law of gravitation” sometimes from its universality called the “law of nature,” may be explained as follows:

Let us suppose two masses, A and B, placed beyond the influence or attraction of any other bodies, in a state of rest, and at any proposed distance from each other. By their mutual attraction they will approach each other, but not with the same velocity. The velocity of A will be greater than that of B, in the same proportion as its mass is less than that of B. Thus, if the mass of B be twice that of A, while A approaches B through a space of two feet, B will approach A through a space of one foot. Hence it follows, that the force with which A moves towards B is equal to the force with which B moves towards A (68). This is only a consequence of the property of inertia, and is an example of the equality of action and reaction, as explained in Chapter IV. The velocity with which A and B approach each other is estimated by the diminution of their distance, A B, by their mutual approach in a given time. Thus, if in one second A move towards B through a space of two feet, and in the same time B moves towards A through the space of one foot, they will approach each other through a space of three feet in a second, which will be their relative velocity (91).

If the mass of B be doubled, it will attract A with double the former force, or, what is the same, will cause A to approach B with double the former velocity. If the mass of B be trebled, it will attract A with treble the first force, and, in general, while the distance A B remains the same, the attractive force of B upon A will increase or diminish in exactly the same proportion as the mass of B is increased or diminished.

78

In the same manner, if the mass A be doubled, it will be attracted by B with a double force, because B exerts the same degree of attraction on every part of the mass A, and any addition which it may receive will not diminish or otherwise affect the influence of B on its former mass.

To express this in general arithmetical symbols let a and b express the space through which A and B respectively would be moved towards each other by their mutual attraction. We would then have

A × a = B × b.

Thus, it is a general law of gravitation, that so long as the distance between two bodies remains the same, each will attract and be attracted by the other, in proportion to its mass; and any increase or decrease of the mass will cause a corresponding increase or decrease in the amount of the attraction.

(108.) We shall now explain the law, according to which the attraction is changed, by changing the distance between the bodies. At the distance of one mile the body B attracts A with a certain force. At the distance of two miles, the masses not being changed, the attraction of B upon A will be one-fourth of its amount at the distance of one mile. At the distance of three miles, it will be one-ninth of its original amount; at four miles, it is reduced to a sixteenth, and so on. The following table exhibits the diminution of the attraction corresponding to the successive increase of distance:

Distance
1
2
3
4
5
6
7
8
&c.
Attraction 1 1/4 1/9 1/16 1/25 1/36 1/49 1/64 &c.

In ARITHMETIC, that number which is found by multiplying any proposed number by itself, is called its square. Thus 4, that is, 2 multiplied by 2, is the square of 2; 9 that is, 3 times 3, is the square of 3, and so on. On inspecting the above table, it will be apparent, therefore, that the attraction of gravitation decreases in the same proportion as the square of the distance from the attracting body increases, the mass of79 both bodies in this case being supposed to remain the same; but if the mass of either be increased or diminished, the attraction will be increased or diminished in the same proportion.

(109.) Hence the law of gravitation may be thus expressed: “The mutual attraction of two bodies increases in the same proportion as their masses are increased, and as the square of their distance is decreased; and it decreases in proportion as their masses are decreased, and as the square of their distance is increased.”

This law may be more clearly expressed by means of general symbols. Let f express the force with which a mass weighing 1 lb. will attract another mass weighing 1 lb., at the distance of 1 foot. The force with which they will mutually attract, when removed to the distance expressed in feet by D, will be

f/D2

that is, the force f divided by the square of the number D.

If one of the bodies, instead of weighing 1 lb., weigh the number of pounds expressed by A, their mutual attraction will be increased A times, and will therefore be expressed by

A × f/D2

In fine, if the other be also the number of pounds expressed by B, their mutual attraction will be

A × B × f/D2

(110.) Having explained the law of gravitation, we shall now proceed to show how the existence of this force is proved, and its law discovered.

The earth is known to be a globular mass of matter, incomparably greater than any of the detached bodies which are found upon its surface. If one of these bodies suspended at any proposed height above the surface of the earth be disengaged, it will be observed to descend80 perpendicularly to the earth, that is, in the direction of the earth’s centre. The force with which it descends will also be found to be in proportion to the mass, without any regard to the species of the body. These circumstances are consistent with the account which we have given of gravitation. But by that account we should expect, that as the falling body is attracted with a certain force towards the earth, the earth itself should be attracted towards it by the same force; and instead of the falling body moving towards the earth, which is the phenomenon observed, the earth and it should move towards each other, and meet at some intermediate point. This, in fact, is the case, although it is impossible to render the motion of the earth observable, for reasons which will easily be understood.

Since all the bodies around us participate in this motion, it would not be directly observable, even though its quantity were sufficiently great to be perceived under other circumstances. But setting aside this consideration, the space through which the earth moves in such a case is too minute to be the subject of sensible observation. It has been stated (107), that when two bodies attract each other, the space through which the greater approaches the lesser, bears to that through which the lesser approaches the greater, the same proportion as the mass of the lesser bears to the mass of the greater. Now the mass of the earth is more than 1000,000,000,000,000 times the mass of any body which is observed to fall on its surface; and therefore if even the largest body which can come under observation were to fall through an height of 500 feet, the corresponding motion of the earth would be through a space less than the 1000,000,000,000,000th part of 500 feet, which is less than the 100,000,000,000th part of an inch.

The attraction between the earth and detached bodies on its surface is not only exhibited by the descent of these bodies when unsupported, but by their pressure when supported. This pressure is what is called weight. The phenomena of weight, and the descent of heavy bodies, will be fully investigated in the next chapter.

81

(111.) It is not alone by the direct fall of bodies that the gravitation of the earth is manifested. The curvilinear motion of bodies projected in directions different from the perpendicular, is a combination of the effects of the uniform velocity which has been given to the projectile by the impulse which it has received, and the accelerated velocity which it receives from the earth’s attraction. Suppose a body placed at any point P, fig. 21., above the surface of the earth, and let P C be the direction of the earth’s centre. If the body were allowed to move without receiving any impulse, it would descend to the earth in the direction P A, with an accelerated motion. But suppose that at the moment of its departure from P, it receives an impulse in the direction P B, which would carry it to B in the time the body would fall from P to A, then, by the composition of motion, the body must at the end of that time be found in the line B D, parallel to P A. If the motion in the direction of P A were uniform, the body P would in this case move in the straight line from P to D. But this is not the case. The velocity of the body in the direction P A is at first so small as to produce very little deflection of its motion from the line P B. As the velocity, however, increases, this deflection increases, so that it moves from P to D in a curve, which is convex, towards P B.

The greater the velocity of the projectile in the direction P A, the greater sweep the curve will take. Thus it will successively take the forms P D, P E, P F, &c., and that velocity can be computed, which (setting aside the resistance of the air) would cause the projectile to go completely round the earth, and return to the point P from which it departed. In this case, the body P would continue to revolve round the earth like the moon. Hence it is obvious, that the phenomenon of the revolution of the moon round the earth, is nothing more than the combined effects of the earth’s attraction, and the impulse which it received when launched into space by the hand of its Creator.

(112.) This is a great step in the analysis of the82 phenomenon of gravitation. We have thus reduced to the same class two effects apparently very dissimilar, the rectilinear descent of a heavy body, and the nearly circular revolution of the moon round the earth. Hence we are conducted to a generalisation still more extensive.

As the moon’s revolution round the earth, in an orbit nearly circular, is caused by the combination of the earth’s attraction, and an original projectile impulse, so also the singular phenomena of the planets’ revolution round the sun in orbits nearly circular, must be considered an effect of the same class, as well as the revolution of the satellites of those planets which are attended by such bodies. Although the orbits in which the comets move deviate very much from circles, yet this does not hinder the application of the same principle to them, their deviation from circles not depending on the sun’s attraction, but only on the direction and force of the original impulse which put them in motion.

(113.) We therefore conclude that gravitation is the principle which, as it were, animates the universe. All the great changes and revolutions of the bodies which compose our system, can be traced to or derived from this principle. It still remains to show how that remarkable law, by which this force is declared to increase or decrease in the same proportion as the square of the distance from the attracting body is decreased or increased, may be verified and established.

It has been shown, that the curvilinear path of a projectile depends on, and can be derived, by mathematical reasoning, from the consideration of the intensity of the earth’s attraction, and the force of the original impulse, or the velocity of projection. In the same manner, by a reverse process, when we know the curve in which a projectile moves, we can infer the amount of the attracting force which gives the curvature to its path. In this way, from our knowledge of the curvature of the moon’s orbit, and the velocity with which she moves, the intensity of the attraction which the earth exerts upon her can be exactly ascertained. Upon comparing this with the force of gravitation at the earth’s surface, it is found83 that the latter is as many times greater than the former, as the square of the moon’s distance is greater than the square of the distance of a body on the surface of the earth from its centre.

(114.) If this were the only fact which could be brought to establish the law of gravitation, it might be thought to be an accidental relation, not necessarily characterising the attraction of gravitation. Upon examining the orbits and velocities of the several planets, the same result is, however, obtained. It is found that the forces with which they are severally attracted by the sun are great, in exactly the same proportion as the squares of the several numbers expressing their distances are small. The mutual gravitation of bodies on the surface of the earth towards each other is lost in the predominating force exerted by the earth upon all of them. Nevertheless, in some cases, this effect has not only been observed, but actually measured.

A plumb-line, under ordinary circumstances, hangs in a direction truly vertical; but if it be near a large mass of matter, as a mountain, it has been observed to be deflected from the true vertical, towards the mountain. This effect was observed by Dr. Maskeline near the mountain called Skehallien, in Scotland, and by French astronomers near Chimboraco. For particulars of these observations, see our treatise on Geodæsy.

Cavendish succeeded in exhibiting the effects of the mutual gravitation of metallic spheres. Two globes of lead A, B, each about a foot in diameter, were placed at a certain distance asunder. A light rod, to the ends of which were attached small metallic balls C, D, was suspended at its centre E from a fine wire, and the rod was placed as in fig. 22., so that the attractions of each of the leaden globes had a tendency to turn the rod round the centre E in the same direction. A manifest effect was produced upon the balls C, D, by the gravitation of the spheres. In this experiment, care must be taken that no magnetic substance is intermixed with the materials of the balls.

84

Having so far stated the principles on which the law of gravitation is established, we shall dismiss this subject without further details, since it more properly belongs to the subject of Physical Astronomy; to which we refer the reader for a complete demonstration of the law, and for the detailed development of its various and important consequences.


CHAP. VII.
TERRESTRIAL GRAVITY.

(115.) Gravitation is the general name given to this attraction, by whatever masses of matter it may be manifested. As exhibited in the effects produced by the earth upon surrounding bodies, it is called “terrestrial gravity.”

As the attraction of the earth is directed towards its centre, it might be expected that two plumb-lines should appear not to be parallel, but so inclined to each other as to converge to a point under the surface of the earth. Thus, if A B and C D, fig. 23., be two plumb-lines, each will be directed to the centre O, where, if their directions were continued, they would meet. In like manner, if two bodies were allowed to fall from A and C, they would descend in the directions A B and C D, which converge to O. Observation, on the contrary, shows, that plumb-lines suspended in places not far distant from each other are truly parallel; and that bodies allowed to fall descend in parallel lines. This apparent parallelism of the direction of terrestrial gravity is accounted for by the enormous proportion which the magnitude of the earth bears to the distance between the two plumb-lines or the two falling bodies which are compared. If the distance between the places B, D, were 1200 feet, the inclination of the lines A B and C D would not amount to a quarter of a minute, or the 240th part of a degree. But the distance, in cases where the parallelism is assumed, is never greater than, and seldom so great as, a few yards; and hence the inclination of the directions A B and C D is85 too small to be appreciated by any practical measure. In the investigation of the phenomena of falling bodies, we shall, therefore, assume, that all the particles of the same body are attracted in parallel directions, perpendicular to an horizontal plane.

(116.) Since the intensity of terrestrial gravity increases as the square of the distance decreases, it might be expected that, as a falling body approaches the earth, the force which accelerates it should be continually increasing, and, strictly speaking, it is so. But any height through which we observe falling bodies to descend bears so very small a proportion to the whole distance from the centre, that the change of intensity of the force of gravity is quite beyond any practical means of estimating it. The radius, or the distance from the surface of the earth to its centre, is 4000 miles. Now, suppose a body descended through the height of half a mile, a distance very much beyond those used in experimental enquiries, the distances from the centre, at the beginning and end of the fall, are then in the proportion of 8000 to 8001, and therefore the proportion of the force of attraction at the commencement to the force at the end, being that of the squares of these numbers, is 64,000,000 to 64,016,001, which, in the whole descent, is an increase of about one part in 4000; a quantity practically insignificant. We shall, therefore, in explaining the laws of falling bodies, assume that, in the entire descent, the body is urged by a force of uniform intensity.

Although the force which attracts all parts of the same body during its descent in a given place is the same, yet the force of gravity, at different parts of the earth’s surface, has different intensities. The intensity diminishes with the latitude, so that it is greater towards the poles, and lesser towards the equator. The causes of this variation, its law, and the experimental proofs of it, will be explained, when we shall treat of centrifugal force, and the motion of pendulums. It is sufficient merely to advert to it in this place.

86

(117.) Since the earth’s attraction acts separately and equally on every particle of matter, without regard to the nature or species of the body, it follows that all bodies, of whatever kind, or whatever be their masses, must be moved with the same velocity. If two equal particles of matter be placed at a certain distance above the surface of the earth, they will fall in parallel lines, and with exactly the same speed, because the earth attracts them equally. In the same manner, a thousand particles would fall with equal velocities. Now, these circumstances will in no wise be changed if those 1000 particles, instead of existing separately, be aggregated into two solid masses, one consisting of 990 particles, and the other of 10. We shall thus have a heavy body and a light one, and, according to our reasoning, they must fall to the earth with the same speed.

Common experience, however, is not always consistent with this doctrine. What are called light substances, as feathers, gold-leaf, paper, &c., are observed to fall slowly and irregularly, while heavier masses, as solid pieces of metal, stones, &c., fall rapidly. Nay, there are not a few instances in which the earth, instead of attracting bodies, seems to repel them, as in the case of smoke, vapours, balloons, and other substances which actually ascend. We are to consider that the mass of the earth is not the only agent engaged in these phenomena. The earth is surrounded by an atmosphere composed of an elastic or aeriform fluid. This atmosphere has certain properties, which will be explained in our treatise on Pneumatics, and which are the causes of the anomalous circumstances alluded to. Light bodies rise in the atmosphere, for the same reason that a piece of cork rises from the bottom of a vessel of water; and other light bodies fall more slowly than heavy ones, for the same reason that an egg in water falls to the bottom more slowly than a leaden bullet. This treatise is not the place to give a direct explanation of these phenomena. It will be sufficient for our present purpose to show, that if there were no atmosphere, all bodies, heavy and light, would fall at the same rate. This may87 easily be accomplished by the aid of an air-pump. Having by that instrument abstracted the air from a tall glass vessel, we are enabled, by means of a wire passing air-tight through a hole in the top, to let fall several bodies from the top of the vessel to the bottom. These, whether they be feathers, paper, gold-leaf, pieces of money, &c. all descend with the same speed, and strike the bottom at the same moment.

(118.) Every one who has seen a heavy body fall from a height, has witnessed the fact, that its velocity increases as it approaches the ground. But if this were not observable by the eye, it would be betrayed by the effects. It is well known, that the force with which a body strikes the ground increases with the height from whence it has fallen. This force, however, is proportional to the velocity which it has at the moment it meets the ground, and therefore this velocity increases with the height.

When the observations on attraction in the last chapter are well understood, it will be evident that the velocity which a body has acquired in falling from any height, is the accumulated effects of the attraction of terrestrial gravity during the whole time of the fall. Each instant of the fall a new impulse is given to the body, from which it receives additional velocity; and its final velocity is composed of the aggregation of all the small increments of velocity which are thus communicated. As we are at present to suppose the intensity of the attraction invariable, it will follow that the velocity communicated to the body in each instant of time will be the same, and therefore that the whole quantity of velocity produced or accumulated at the end of any time is proportional to the length of that time. Thus, if a certain velocity be produced in a body having fallen for one second, twice that velocity will be produced when it has fallen for two seconds, thrice that velocity in three seconds, and so on. Such is the fundamental principle or characteristic of uniformly accelerated motion.

88

(119.) In examining the circumstances of the descent of a body, the time of the fall and the velocity at each instant of that time are not the only things to be attended to. The spaces through which it falls in given intervals of time, counted either from the commencement of its fall, or from any proposed epoch of the descent, are equally important objects of enquiry. To estimate the space in reference to the time and the final velocity, we must consider that this space has been moved through with varying speed. From a state of rest at the beginning of the fall, the speed gradually increases with the time, and the final velocity is greater still than that which the body had at any preceding instant during its descent. We cannot, therefore, directly appreciate the space moved through in this case by the time and final velocity. But as the velocity increases uniformly with the time, we shall obtain the average speed, by finding that which the body had in the middle of the interval which elapsed between the beginning and end of the fall, and thus the space through which the body has actually fallen is that through which it would move in the same time with this average velocity uniformly continued.

But since the velocity which the body receives in any time, counted from the beginning of its descent, is in the proportion of that time, it follows that the velocity of the body after half the whole time of descent is half the final velocity. From whence it appears, that the height from which a body falls in any proposed time is equal to the space through which a body would move in the same time with half the final velocity, and it is therefore equal to half the space which would be moved through in the same time with the final velocity.

(120.) It follows from this reasoning, that between the three quantities, the height, the time, and the final velocity, which enter into the investigation of the phenomena of falling bodies, there are two fixed relations: First, the time, counted from the beginning of the fall and the final velocity, are proportional the one to the other; so that as one increases, the other increases in the same proportion. Secondly, the height being equal to89 half the space which would be moved through in the time of the fall, with the final velocity, must have a fixed proportion to these two quantities, viz. the time and the final velocity, or must be proportional to the product of the two numbers which express them.

But since the time is always proportional to the final velocity, they may be expressed by equal numbers, and the product of equal numbers is the square of either of them. Hence, the product of the numbers expressing the time and final velocity is equivalent to the square of the number expressing the time, or to the square of the number expressing the final velocity. Hence we infer, that the height is always proportional to the square of the time of the fall, or to the square of the final velocity.

(121.) The use of a few mathematical characters will render these results more distinct, even to students not conversant with mathematical science.

Let S = the height from which the body falls, expressed in feet.

V = the velocity at the end of the fall in feet per second.

T = the number of seconds in the time of the fall.

g = the number of feet through which a body would fall in one second.

It will therefore follow that the velocity acquired in one second will be 2g, and the velocity acquired in T seconds will therefore be 2g × T; so that

V = 2g × T  [1]

Since the space which a body falls through in T seconds is found by multiplying the space it falls through in one second by T2, we shall have

S = g × T2  [2]

from which, combined with [1] we deduce

90

S = V2/4g     [3]

S = 1/2V × T  [4]

By these formularies, if the height through which a body falls freely in one second be known, the height through which it will fall in any proposed time may be computed. For since the height is proportional to the square of the time, the height through which it will fall in two seconds will be four times that which it falls through in one second. In three seconds it will fall through nine times that space; in four seconds, sixteen times; in five seconds, twenty-five times, and so on. The following, therefore, is a general rule to find the height through which a body will fall in any given time: “Reduce the given time to seconds, take the square of the number of seconds in it, and multiply the height through which a body falls in one second by that number; the result will be the height sought.”

The following table exhibits the heights and corresponding times as far as 10 seconds:

Time
1
2
3
4
5
6
7
8
9
10
Height
1
4
9
16
25
36
49
64
81
100

Each unit in the numbers of the first row expresses a second of time, and each unit in those of the second row expresses the height through which a body falls freely in a second.

(122.) If a body fall continually for several successive seconds, the spaces which it falls through in each succeeding second have a remarkable relation among each other, which may be easily deduced from the preceding table. Taking the space moved through in the first second still as our unit, four times that space will be moved through in the first two seconds. Subtract from this 1, the space moved through in the first second, and the remainder 3 is the space through which the body falls in the second second. In like manner if 4, the height fallen through in the first two seconds, be subtracted91 from 9, the height fallen through in the first three seconds, the remainder 5 will be the space fallen through in the third second. To find the space fallen through in the fourth second, subtract 9, the space fallen through in the first three seconds, from 16, the space fallen through in the first four seconds, and the result is 7, and so on. It thus appears that if the space fallen through in the first second be called 1, the spaces described in the second, third, fourth, fifth, &c. seconds, will be expressed by the odd numbers respectively, 3, 5, 7, 9, &c. This places in a striking point of view the accelerated motion of a falling body, the spaces moved through in each succeeding second being continually increased.

(123.) If velocity be estimated by the space through which the body would move uniformly in one second, then the final velocity of a body falling for one second will be 2; for with that final velocity the body would in one second move through twice the height through which it has fallen.

(124.) Since the final velocity increases in the same proportion as the time, it follows that after two seconds it is twice its amount after one, and after three seconds thrice that, and so on. Thus, the following table exhibits the final velocities corresponding to the times of descent:

Time
1
2
3
4
5
6
7
8
9
10
Final velocity
2
4
6
8
10
12
14
16
18
20

The numbers in the second row express the spaces through which a body with the final velocity would move in one second, the unit being, as usual, the space through which a body falls freely in one second.

(125.) Having thus developed theoretically the laws which characterise the descent of bodies, falling freely by the force of gravity, or by any other uniform force of the same kind, it is necessary that we should show how these laws can be exhibited by actual experiment. There are some circumstances attending the fall of heavy bodies which would render it difficult, if not impossible, to illustrate, by the direct observation of this pheno92menon, the properties which have been explained in this chapter. A body falling freely by the force of gravity, as we shall hereafter prove, descends in one second of time through a height of about 16 feet1; in two seconds, it would, therefore, fall through four times that space, or 64 feet; in three seconds, through 9 times the height, or 144 feet; and in four seconds, through 256 feet. In order, therefore, to be enabled to observe the phenomena for only four seconds, we should command an height of at least 256 feet. But further; the velocity at the end of the first second would be at the rate of 32 feet per second; at the end of the second second, it would be 64 feet per second; and towards the end of the fall it would be about 120 feet per second. It is evident that this great degree of rapidity would be a serious impediment to accurate observation, even though we should be able to command the requisite height. It appears therefore that the number expressed by g in the preceding formulæ is 16·083.

It occurred to Mr. George Attwood, a mathematician and natural philosopher of the last century, that all the phenomena of falling bodies might be experimentally exhibited and accurately observed, if a force of the same kind as gravity, viz. an uniformly accelerating force, be used, but of a much less intensity; so that while the motion continues to be governed by the same laws, its quantity may be so much diminished, that the final velocity, even after a descent of many seconds, shall be so moderated as to admit of most deliberate and exact observation. This being once accomplished, nothing more would remain but to find the height through which a body would fall in one second, or, what is the same, the proportion of the force of gravity to the mitigated but uniform accelerating force thus substituted for it.

(126.) To realise this notion, Attwood constructed a wheel turning on its axle with very little friction, and having a groove on its edge to receive a string. Over this wheel, and in the groove, he placed a fine silken cord, to the ends of which were attached equal cylindrical93 weights. Thus placed, the weights perfectly balance each other, and no motion ensues. To one of the weights he then added a small quantity, so as to give it a slight preponderance. The loaded weight now began to descend, drawing up on the other side the unloaded weight. The descent of the loaded weight, under these circumstances, is a motion exactly of the same kind as the descent of a heavy body falling freely by the force of gravity; that is, it increases according to the same laws, though at a very diminished rate. To explain this, suppose that the loaded weight descends from a state of rest through one inch in a second, it will descend through 4 inches in two seconds, through 9 in three, through 16 in four, and so on. Thus in 20 seconds, it would descend through 400 inches, or 33 feet 4 inches, a height which, if it were necessary, could easily be commanded.

It might, perhaps, be thought, that since the weights suspended at the ends of the thread are in equilibrium, and therefore have no tendency either to move or to resist motion, the additional weight placed upon one of them ought to descend as rapidly as it would if it were allowed to fall freely and unconnected with them. It is very true that this weight will receive from the attraction of the earth the same force when placed upon one of the suspended weights, as it would if it were disengaged from them; but in the consequences which ensue, there is this difference. If it were unconnected with the suspended weights, the whole force impressed upon it would be expended in accelerating its descent; but being connected with the equal weights which sustain each other in equilibrium, by the silken cord passing over the wheel, the force which is impressed upon the added weight is expended, not as before, in giving velocity to the added weight alone, but to it together with the two equal weights appended to the string, one of which descends with the added weight, and the other rises on the opposite side of the wheel. Hence, setting aside any effect which the wheel itself produces, the velocity of the descent must be lessened just in proportion as the mass among which the impressed force is to be94 distributed is increased; and therefore the rate of the fall bears to that of a body falling freely the same proportion as the added weight bears to the sum of the masses of the equal suspended weights and the added weight. Thus the smaller the added weight is, and the greater the equal suspended weights are, the slower will the rate of descent be.

To render the circumstances of the fall conveniently observable, a vertical shaft (see fig. 24.) is usually provided, which is placed behind the descending weight. This pillar is divided to inches and halves, and of course may be still more minutely graduated, if necessary. A stage to receive the falling weight is moveable on this pillar, and capable of being fixed in any proposed position by an adjusting screw. A pendulum vibrating seconds, the beat of which ought to be very audible, is placed near the observer. The loaded weight being thus allowed to descend for any proposed time, or from any required height, all the circumstances of the descent may be accurately observed, and the several laws already explained in this chapter may be experimentally verified.

(127.) The laws which govern the descent of bodies by gravity, being reversed, will be applicable to the ascent of bodies projected upwards. If a body be projected directly upwards with any given velocity, it will rise to the height from which it should have fallen to acquire that velocity. The earth’s attraction will, in this case, gradually deprive the body of the velocity which is communicated to it at the moment at which it is projected. Consequently, the phenomenon will be that of retarded motion. At each part of its ascent it will have the same velocity which it would have if it descended to the same place from the highest point to which it rises. Hence it is clear, that all the particulars relative to the ascent of bodies may be immediately inferred from those of their descent, and therefore this subject demands no further notice.

To complete the investigation of the phenomena of falling bodies, it would now only remain to explain the95 method of ascertaining the exact height through which a body would descend in one second, if unresisted by the atmosphere, or any other disturbing cause. As the solution of this problem, however, requires the aid of principles not yet explained, it must for the present be postponed.


CHAP. VIII.
OF THE MOTION OF BODIES ON INCLINED PLANES AND CURVES.

(128.) In the last chapter, we investigated the phenomena of bodies descending freely in the vertical direction, and determined the laws which govern, not their motion alone, but that of bodies urged by any uniformly accelerating force whatever. We shall now consider some of the most ordinary cases in which the free descent of bodies is impeded, and the effects of their gravitation modified.

(129.) If a body, urged by any forces whatever, be placed upon a hard unyielding surface, it will evidently remain at rest, if the resultant (76) of all the forces which are applied to it be directed perpendicularly against the surface. In this case, the effect produced is pressure, but no motion ensues. If only one force act upon the body, it will remain at rest, provided the direction of that force be perpendicular to the surface.

But the effect will be different, if the resultant of the forces which are applied to the body be oblique to the surface. In that case this resultant, which, for simplicity, may be taken as a single force, may be considered as mechanically equivalent to two forces (76), one in the direction of the surface, and the other perpendicular to it. The latter element will be resisted, and will produce a pressure; the former will cause the body to move. This will perhaps be more clearly apprehended by the aid of a diagram.

Let A B, fig. 25., be the surface, and let P be a particle96 of matter placed upon it, and urged by a force in the direction P D, perpendicular to A B. It is manifest, that this force can only press the particle P against A B, but cannot give it any motion.

But let us suppose, that the force which urges P is in a direction P F, oblique to A B. Taking P F as the diagonal of a parallelogram, whose sides are P D and P C (74), the force P F is mechanically equivalent to two forces, expressed by the lines P D and P C. But P D, being perpendicular to A B, produces pressure without motion, and P C, being in the direction of A B, produces motion without pressure. Thus the effect of the force P F is distributed between motion and pressure in a certain proportion, which depends on the obliquity of its direction to that of the surface. The two extreme cases are, 1. When it is in the direction of the surface; it then produces motion without pressure: and, 2. When it is perpendicular to the surface; it then produces pressure without motion. In all intermediate directions, however, it will produce both these effects.

(130.) It will be very apparent, that the more oblique the direction of the force P F is to A B, the greater will be that part of it which produces motion, and the less will be that which produces pressure. This will be evident by inspecting fig. 26. In this figure the line P F, which represents the force, is equal to P F in fig. 25. But P D, which expresses the pressure, is less in fig. 26. than in fig. 25., while P C, which expresses the motion, is greater. So long, then, as the obliquity of the directions of the surface and the force remain unchanged, so long will the distribution of the force between motion and pressure remain the same; and therefore, if the force itself remain the same, the parts of it which produce motion and pressure will be respectively equal.

(131.) These general principles being understood, no difficulty can arise in applying them to the motion of bodies urged on inclined planes or curves by the force of gravity. If a body be placed on an unyielding horizontal plane, it will remain at rest, producing a pressure on the plane equal to the total amount of its weight. For in this case the force which urges the body, being that of terrestrial gravity, its direction is vertical, and therefore perpendicular to the horizontal plane.

But if the body P, fig. 25., be placed upon a plane A B, oblique to the direction of the force of gravity, then, according to what has been proved (129), the weight of the body will be distributed into two parts, P C and P D; one, P D, producing a pressure on the plane A B, and the other, P C, producing motion down the plane. Since the obliquity of the perpendicular direction P F of the weight to that of the plane A B must be the same on whatever part of the plane the weight may be placed, it follows (130), that the proportion P C of the weight which urges the body down the plane must be the same throughout its whole descent.

(132.) Hence it may easily be inferred, that the force down the plane is uniform; for since the weight of the body P is always the same, and since its proportion to that part which urges it down the plane is the same, it follows that the quantity of this part cannot vary. The motion of a heavy body down an inclined plane is therefore an uniformly-accelerated motion, and is characterised by all the properties of uniformly-accelerated motion, explained in the last chapter.

Since P F represents the force of gravity, that is, the force with which the body would descend freely in the vertical direction, and P C the force with which it moves down the plane, it follows that a body would fall freely in the vertical direction from P to F in the same time as on the plane it would move from P to C. In this manner, therefore, when the height through which a body would fall vertically is known, the space through which it would descend in the same time down any given inclined plane may be immediately determined. For let A B, fig. 25., be the given inclined plane, and let P F be the space through which the body would fall in one second. From F draw F C perpendicular to the plane, and the space P C is that through which the body P will fall in one second on the plane.

(133.) As the angle B A H, which measures the elevation of the plane, is increased, the obliquity of the vertical direction P F with the plane is also increased. Consequently, according to what has been proved (130), it follows, that as the elevation of the plane is increased, the force which urges the body down the plane is also increased, and as the elevation is diminished, the force suffers a corresponding diminution. The two extreme cases are, 1. When the plane is raised until it becomes perpendicular, in which case the weight is permitted to fall freely, without exerting any pressure upon the plane; and, 2. When the plane is depressed until it becomes horizontal, in which case the whole weight is supported, and there is no motion.

From these circumstances it follows, that by means of an inclined plane we can obtain an uniformly-accelerating force of any magnitude less than that of gravity.

We have here omitted, and shall for the present in every instance omit, the effects of friction, by which the motion down the plane is retarded. Having first investigated the mechanical properties of bodies supposed to be free from friction, we shall consider friction separately, and show how the present results are modified by it.

(134.) The accelerating forces on different inclined planes may be compared by the principle explained in (131). Let figs. 25. and 26. be two inclined planes, and take the lines P F in each figure equal, both expressing the force of gravity, then P C will be the force which in each case urges the body down the plane.

As the force down an inclined plane is less than that which urges a body falling freely in the vertical direction, the space through which the body must fall to attain a certain final velocity must be just so much greater as the accelerating force is less. On this principle we shall be able to determine the final velocity in descending through any space on a plane, compared with the final velocity attained in falling freely in the vertical direction. Suppose the body P, fig. 27., placed at the top of the plane, and from H draw the perpendicular H C. If B H represent the force of gravity, B C will represent the force down the plane (131). In order that the body97 moving down the plane shall have a final velocity equal to that of one which has fallen freely from B to H, it will be necessary that it should move from B down the plane, through a space which bears the same proportion to B H as B H does to B C. But since the triangle A B H is in all respects similar to H B C, only made upon a larger scale, the line A B bears the same proportion to B H as B H bears to B C. Hence, in falling on the inclined plane from B to A, the final velocity is the same as in falling freely from B to H.

It is evident that the same will be true at whatever level an horizontal line be drawn. Thus, if I K be horizontal, the final velocity in falling on the plane from B to I will be the same as the final velocity in falling freely from B to K.

(135.) The motion of a heavy body down a curve differs in an important respect from the motion down an inclined plane. Every part of the plane being equally inclined to the vertical direction, the effect of gravity in the direction of the plane is uniform; and, consequently, the phenomena obey all the established laws of uniformly-accelerated motion. If, however, we suppose the line B A, on which the body P descends, to be curved as in fig. 28., the obliquity of its direction at different parts, to the direction P F of gravity, will evidently vary. In the present instance, this obliquity is greater towards B and less towards A, and hence the part of the force of gravity which gives motion to the body is greater towards B than towards A (130). The force, therefore, which urges the body, instead of being uniform as in the inclined plane, is here gradually diminished. The rate of this diminution depends entirely on the nature of the curve, and can be deduced from the properties of the curve by mathematical reasoning. The details of such an investigation are not, however, of a sufficiently elementary character to allow of being introduced with advantage into this treatise. We must therefore limit ourselves to explain such of the results as may be necessary for the development of the other parts of the science.

98

(136.) When a heavy body is moved down an inclined plane by the force of gravity, the plane has been proved to sustain a pressure, arising from a certain part of the weight P D, fig. 25., which acts perpendicularly to the plane. This is also the case in moving down a curve such as B A, fig. 28. In this case, also, the whole weight is distributed between that part which is directed down the curve, and that which, being perpendicular to the curve, produces a pressure upon it. There is, however, another cause which produces pressure upon the curve, and which has no operation in the case of the inclined plane. By the property of inertia, when a body is put in motion in any direction, it must persevere in that direction, unless it be deflected from it by an efficient force. In the motion down an inclined plane the direction is never changed, and therefore by its inertia the falling body retains all the motion impressed upon it continually in the same direction; but when it descends upon a curve, its direction is constantly varying, and the resistance of the curve being the deflecting cause, the curve must sustain a pressure equal to that force, which would thus be capable of continually deflecting the body from the rectilinear path in which it would move in virtue of its inertia. This pressure entirely depends on the curvature of the path in which the body is constrained to move, and on its inertia, and is therefore altogether independent of the weight, and would, in fact, exist if the weight were without effect.

(137.) This pressure has been denominated centrifugal force, because it evinces a tendency of the moving body to fly from the centre of the curve in which it is moved. Its quantity depends conjointly on the velocity of the motion and the curvature of the path through which the body is moved. As circles may be described with every degree of curvature, according to the length of the radius, or the distance from their circumference to their centre, it follows that, whatever be the curve in which the body moves, a circle can always be assigned which has the same curvature as is found at99 any proposed point of the given curve. Such a circle is called “the circle of curvature” at that point of the curve; and as all curves, except the circle, vary their degrees of curvature at different points, it follows that different parts of the same curve will have different circles of curvature. It is evident that the greater the radius of a circle is, the less is its curvature: thus the circle with the radius A B, fig. 29., is more curved than that whose radius is C D, and that in the exact proportion of the radius C D to the radius A B. The radius of the circle of curvature for any part of a curve is called “the radius of curvature” of that part.

(138.) The centrifugal pressure increases as the radius of curvature increases; but it also has a dependence on the velocity with which the moving body swings round the centre of the circle of curvature. This velocity is estimated either by the actual space through which the body moves, or by the angular velocity of a line drawn from the centre of the circle to the moving body. That body carries one end of this line with it, while the other remains fixed at the centre. As this angular swing round the centre increases, the centrifugal pressure increases. To estimate the rate at which this pressure in general varies, it is necessary to multiply the square of the number expressing the angular velocity by that which expresses the radius of curvature, and the force increases in the same proportion as the product thus obtained.

(139.) We have observed that the same causes which produce pressure on a body restrained, will produce motion if the body be free. Accordingly, if a body be moved by any efficient cause in a curve, it will, by reason of the centrifugal force, fly off, and the moving force with which it will thus retreat from the centre round which it is whirled will be a measure of the centrifugal force. Upon this principle an apparatus called a whirling table has been constructed, for the purpose of exhibiting experimental illustrations of the laws of centrifugal force. By this machine we are enabled to place any proposed weights at any given distances from cen100tres round which they are whirled, either with the same angular velocity, or with velocities having a certain proportion. Threads attached to the whirling weights are carried to the centres round which they respectively revolve, and there, passing over pulleys, are connected with weights which may be varied at pleasure. When the whirling weights fly from their respective centres, by reason of the centrifugal force, they draw up the weights attached to the other ends of the threads, and the amount of the centrifugal force is estimated by the weight which it is capable of raising.

With this instrument the following experiments may be exhibited:—

Exp. 1. Equal weights whirled with the same velocity at equal distances from the centre raise the same weight, and therefore have the same centrifugal force.

Exp. 2. Equal weights whirled with the same angular velocity at distances from the centre in the proportion of one to two, will raise weights in the same proportion. Therefore the centrifugal forces are in that proportion.

Exp. 3. Equal weights whirled at equal distances with angular velocities which are as one to two, will raise weights as one to four, that is, as the squares of the angular velocities. Therefore the centrifugal forces are in that proportion.

Exp. 4. Equal weights whirled at distances which are as two to three, with angular velocities which are as one to two, will raise weights which are as two to twelve; that is, as the products of the distances two and three, and the squares one and four, of the angular velocities. Hence, the centrifugal forces are in this proportion.

The centrifugal force must also increase as the mass of the body moved increases; for, like attraction, each particle of the moving body is separately and equally affected by it. Hence a double mass, moving at the same distance, and with the same velocity, will have a double force. The following experiment verifies this:—

Exp. 5. If weights, which are as one to two, be whirled at equal distances with the same velocity, they will raise weights which are as one to two.

101

The law which governs centrifugal force may then be expressed in general symbols briefly thus:—

Let c = the centrifugal force with which a weight of one lb. revolving in a circle in one second, the radius of which is one foot, would act on a string connecting it with the centre. The force with which it would act on a string, the length of which is R feet, would be c × R; and if instead of revolving in one second it revolved in T seconds, the force would be

c × R/T2;

and if the revolving mass were W lbs. the force would be

C = c × W × R/T2.

This formula includes the entire theory of centrifugal force.

But it can be shown that the number expressed by c is 1·226, and consequently

C = 1·226 × W × R/T2.

It is often more convenient to use the number of revolutions made in a given time than the time of one revolution. Let N then express the number of revolutions, or fraction of a revolution, made in one second, and we shall have

T = 1/N.

Therefore

C = 1·226 × W × R × N2.

(140.) The consideration of centrifugal force proves, that if a body be observed to move in a curvilinear path, some efficient cause must exist which prevents it from flying off, and which compels it to revolve round the centre. If the body be connected with the centre by a thread, cord, or rod, then the effect of the centrifugal force is to give tension to the thread, cord, or rod. If an unyielding curved surface be placed on the convex side of the path, then the force will produce pressure on this102 surface. But if a body is observed to move in a curve without any visible material connection with its centre, and without any obstruction on the convex side of its path to resist its retreat, as is the case with the motions of the planets round the sun, and the satellites round the planets, it is usual to assign the cause to the attraction of the body which occupies the centre: in the present instance the sun is that body, and it is customary to say that the attraction of the sun, neutralising the effects of the centrifugal force of the planets, retains them in their orbits. We have elsewhere animadverted on the inaccurate and unphilosophical style of this phraseology, in which terms are admitted which intimate not only an unknown cause, but assign its seat, and intimate something of its nature. All that we are entitled to declare in this case is, that a motion is continually impressed upon the planet; that this motion is directed towards the sun; that it counteracts the centrifugal force; but from whence this motion proceeds, whether it be a virtue resident in the sun, or a property of the medium or space in which both sun and planets are placed, or whatever other influence may be its proximate cause, we are altogether ignorant.

(141.) Numerous examples of the effects of centrifugal force may be produced.

If a stone or other weight be placed in a sling, which is whirled round by the hand in a direction perpendicular to the ground, the stone will not fall out of the sling, even when it is at the top of its circuit, and, consequently, has no support beneath it. The centrifugal force, in this case, acting from the hand, which is the centre of rotation, is greater than the weight of the body, and therefore prevents its fall.

In like manner, a glass of water may be whirled so rapidly that even when the mouth of the glass is presented downwards, the water will still be retained in it by the centrifugal force.

If a bucket of water be suspended by a number of threads, and these threads be twisted by turning round103 the bucket many times in the same direction, on allowing the cords to untwist, the bucket will be whirled rapidly round, and the water will be observed to rise on its sides and sink at its centre, owing to the centrifugal force with which it is driven from the centre. This effect might be carried so far, that all the water would flow over and leave the bucket nearly empty.

(142.) A carriage, or horseman, or pedestrian, passing a corner moves in a curve, and suffers a centrifugal force, which increases with the velocity, and which impresses on the body a force directed from the corner. An animal causes its weight to resist this force, by voluntarily inclining its body towards the corner. In this case, let A B, fig. 30., be the body; C D is the direction of the weight perpendicular to the ground, and C F is the direction of the centrifugal force parallel to the ground and from the corner. The body A B is inclined to the corner, so that the diagonal force (74), which is mechanically equivalent to the weight and centrifugal force, shall be in the direction C A, and shall therefore produce the pressure of the feet upon the ground.

As the velocity is increased, the centrifugal force is also increased, and therefore a greater inclination of the body is necessary to resist it. We accordingly find that the more rapidly a corner is turned, the more the animal inclines his body towards it.

A carriage, however, not having voluntary motion, cannot make this compensation for the disturbing force which is called into existence by the gradual change of direction of the motion; consequently it will, under certain circumstances, be overturned, falling of course outwards, or from the corner. If A B be the carriage, and C, fig. 31., the place at which the weight is principally collected, this point C will be under the influence of two forces: the weight, which may be represented by the perpendicular C D, and the centrifugal force, which will be represented by a line C F, which shall have the same proportion to C D as the centrifugal force has to the weight. Now the combined effect of these two forces will be the same as the effect of a single force, represented by104 C G. Thus, the pressure of the carriage on the road is brought nearer to the outer wheel B. If the centrifugal force bear the same proportion to the weight as C F (or D B), fig. 32., bears to C D, the whole pressure is thrown upon the wheel B.

If the centrifugal force bear to the weight a greater proportion than D B has to C D, then the line C F, which represents it, fig. 33., will be greater than D B. The diagonal C G, which represents the combined effects of the weight and centrifugal force, will in this case pass outside the wheel B, and therefore this resultant will be unresisted. To perceive how far it will tend to overturn the carriage, let the force C G be resolved into two, one in the direction of C B, and the other C K, perpendicular to C B. The former C B will be resisted by the road, but the latter C K will tend to lift the carriage over the external wheel. If the velocity and the curvature of the course be continued for a sufficient time to enable this force C K to elevate the weight, so that the line of direction shall fall on B, the carriage will be overthrown.

It is evident from what has been now stated, that the chances of overthrow under these circumstances depend on the proportion of B D to C D, or what is to the same purpose, of the distance between the wheels to the height of the principal seat of the load. It will be shown in the next chapter, that there is a certain point, called the centre of gravity, at which the entire weight of the vehicle and its load may be conceived to be concentrated. This is the point which in the present investigation we have marked C. The security of the carriage, therefore, depends on the greatness of the distance between the wheels and the smallness of the elevation of the centre of gravity above the road; for either or both of these circumstances will increase the proportion of B D to C D.

(143.) In the equestrian feat exhibited in the ring at the amphitheatre, when the horse moves round with the performer standing on the saddle, both the horse and rider incline continually towards the centre of the ring, and the inclination increases with the velocity of the105 motion: by this inclination their weights counteract the effect of the centrifugal force, exactly as in the case already mentioned (142.)

H. Adlard, sc.

London, Pubd. by Longman & Co.

(144.) If a body be allowed to fall by its weight down a convex surface, such as A B, fig. 34., it would continue upon the surface until it arrive at B but for the effect of the centrifugal force: this, giving it a motion from the centre of the curve, will cause it to quit the curve at a certain point C, which can be easily found by mathematical computation.

(145.) The most remarkable and important manifestation of centrifugal force is observed in the effects produced by the rotation of the earth upon its axis. Let the circle in fig. 35. represent a section of the earth, A B being the axis on which it revolves. This rotation causes the matter which composes the mass of the earth to revolve in circles round the different points of the axis as centres at the various distances at which the component parts of this mass are placed. As they all revolve with the same angular velocity, they will be affected by centrifugal forces, which will be greater or less in proportion as their distances from the centre are greater or less. Consequently the parts of the earth which are situated about the equator, D, will be more strongly affected by centrifugal force than those about the poles, A B. The effect of this difference has been that the component matter about the equator has actually been driven farther from the centre than that about the poles, so that the figure of the earth has swelled out at the sides, and appears proportionally depressed at the top and bottom, resembling the shape of an orange. An exaggerated representation of this figure is given in fig. 36.; the real difference between the distances of the poles and equator from the centre being too small to be perceptible in a diagram. The exact proportion of C A to C D has never yet been certainly ascertained. Some observations make C D exceed C A by 1/277, and others by only 1/333. The latter, however, seems the more probable. It may be considered to be included between these limits.

106

The same cause operates more powerfully in other planets which revolve more rapidly on their axes. Jupiter and Saturn have forms which are considerably more elliptical.

(146.) The centrifugal force of the earth’s rotation also affects detached bodies on its surface. If such bodies were not held upon the surface by the earth’s attraction, they would be immediately flung off by the whirling motion in which they participate. The centrifugal force, however, really diminishes the effects of the earth’s attraction on those bodies, or, what is the same, diminishes their weights. If the earth did not revolve on its axis, the weight of bodies in all places equally distant from the centre would be the same; but this is not so when the bodies, as they do, move round with the earth. They acquire from the centrifugal force a tendency to fly from the axis, which increases with their distance from that axis, and is therefore greater the nearer they are to the equator, and less as they approach the pole. But there is another reason why the centrifugal force is more efficient, in the opposition which it gives to gravity near the equator than near the poles. This force does not act from the centre of the earth, but is directed from the earth’s axis. It is, therefore, not directly opposed to gravity, except on the equator itself. On leaving the equator, and proceeding towards the poles, it is less and less opposed to gravity, as will be plain on inspecting fig. 35., where the lines P C all represent the direction of gravity, and the lines P F represent the direction of the centrifugal force.

Since, then, as we proceed from the equator towards the poles, not only the amount of the centrifugal force is continually diminished, but also it acts less and less in opposition to gravity, it follows that the weights of bodies are most diminished by it at the equator, and less so towards the poles.

Since bodies are commonly weighed by balancing them against other bodies of known weight, it may be asked, how the phenomena we have been just describing can be ascertained as a matter of fact? for whatever be107 the body against which it may be balanced, that body must suffer just as much diminution of weight as every other, and consequently, all being diminished in the same proportion, the balance will be preserved though the weights be changed.

To render this effect observable, it will be necessary to compare the effects of gravity with some phenomenon which is not affected by the centrifugal force of the earth’s rotation, and which will be the same at every part of the earth. The means of accomplishing this will be explained in a subsequent chapter.


CHAP. IX.
THE CENTRE OF GRAVITY.

(147.) By the earth’s attraction, all the particles which compose the mass of a body are solicited by equal forces in parallel directions downwards. If these component particles were placed in mere juxtaposition, without any mechanical connection, the force impressed on any one of them could in nowise affect the others, and the mass would, in such a case, be contemplated as an aggregation of small particles of matter, each urged by an independent force. But the bodies which are the subjects of investigation in mechanical science are not found in this state. Solid bodies are coherent masses, the particles of which are firmly bound together, so that any force which affects one, being modified according to circumstances, will be transmitted through the whole body. Liquids accommodate themselves to the shape of the surfaces on which they rest, and forces affecting any one part are transmitted to others, in a manner depending on the peculiar properties of this class of bodies.

As all bodies, which are subjects of mechanical enquiry, on the surface of the earth, must be continually108 influenced by terrestrial gravity, it is desirable to obtain some easy and summary method of estimating the effect of this force. To consider it, as is unavoidable in the first instance, the combined action of an infinite number of equal and parallel forces soliciting the elementary molecules downwards, would be attended with manifest inconvenience. An infinite number of forces, and an infinite subdivision of the mass, would form parts of every mechanical problem.

To overcome this difficulty, and to obtain all the ease and simplicity which can be desired in elementary investigations, it is only necessary to determine some force, whose single effect shall be equivalent to the combined effects of the gravitation of all the molecules of the body. If this can be accomplished, that single force might be introduced into all problems to represent the whole effect of the earth’s attraction, and no regard need be had to any particles of the body, except that on which this force acts.

(148.) To discover such a force, if it exist, we shall first enquire what properties must necessarily characterise it. Let A B, fig. 37., be a solid body placed near the surface of the earth. Its particles are all solicited downwards, in the directions represented by the arrows. Now, if there be any single force equivalent to these combined effects, two properties may be at once assigned to it: 1. It must be presented downwards, in the common direction of those forces to which it is mechanically equivalent; and, 2. it must be equal in intensity to their sum, or, what is the same, to the force with which the whole mass would descend. We shall then suppose it to have this intensity, and to have the direction of the arrow D E. Now, if the single force, in the direction D E, be equivalent to all the separate attractions which affect the particles, we may suppose all these attractions removed, and the body A B influenced only by a single attraction, acting in the direction D E. This being admitted, it follows that if the body be placed upon a prop, immediately under the direction of the line109 D E, or be suspended from a fixed point immediately above its direction, it will remain motionless. For the whole attracting force in the direction D E will, in the one case, press the body on the prop, and, in the other case, will give tension to the cord, rod, or whatever other means of suspension be used.

(149.) But suppose the body were suspended from some point P, not in the direction of the line D E. Let P C be the direction of the thread by which the body is suspended. Its whole weight, according to the supposition which we have adopted, must then act in the direction C E. Taking C F to represent the weight; it may be considered as mechanically equivalent to two forces (74), C I and C H. Of these C H, acting directly from the point P, merely produces pressure upon it, and gives tension to the cord P C; but C I, acting at right angles to C P, produces motion round P as a centre, and in the direction C I, towards a vertical line P G, drawn through the point P. If the body A B had been on the other side of the line P G, it would have moved in like manner towards it, and therefore in the direction contrary to its present motion.

Hence we must infer, that when the body is suspended from a fixed point, it cannot remain at rest, if that fixed point be not placed in the direction of the line D E; and, on the other hand, that if the fixed point be in the direction of that line, it cannot move. A practical test is thus suggested, by which the line D E may be at once discovered. Let a thread be attached to any point of the body, and let it be suspended by this thread from a hook or other fixed point. The direction of the thread, when the body becomes quiescent, will be that of a single force equivalent to the gravitation of all the component parts of the mass.

(150.) An enquiry is here suggested: does the direction of the equivalent force thus determined depend on the position of the body with respect to the surface of the earth, and how is the direction of the equivalent force affected by a change in that position? This ques110tion may be at once solved if the body be suspended by different points, and the directions which the suspending thread takes in each case relatively to the figure and dimensions of the body examined.

The body being suspended in this manner from any point, let a small hole be bored through it, in the exact direction of the thread, so that if the thread were continued below the point where it is attached to the body, it would pass through this hole. The body being successively suspended by several different points on its surface, let as many small holes be bored through it in the same manner. If the body be then cut through, so as to discover the directions which the several holes have taken, they will be all found to cross each other at one point within the body; or the same fact may be discovered thus: a thin wire, which nearly fills the holes being passed through any one of them, it will be found to intercept the passage of a similar wire through any other.

This singular fact teaches us, what indeed can be proved by mathematical reasoning without experiment, that there is one point in every body through which the single force, which is equivalent to the gravitation of all its particles, must pass, in whatever position the body be placed. This point is called the centre of gravity.

(151.) In whatever situation a body may be placed, the centre of gravity will have a tendency to descend in the direction of a line perpendicular to the horizon, and which is called the line of direction of the weight. If the body be altogether free and unrestricted by any resistance or impediment, the centre of gravity will actually descend in this direction, and all the other points of the body will move with the same velocity in parallel directions, so that during its fall the position of the parts of the body, with respect to the ground, will be unaltered. But if the body, as is most usual, be subject to some resistance or restraint, it will either remain unmoved, its weight being expended in exciting pressure on the restraining points or surfaces, or it will move in111 a direction and with a velocity depending on the circumstances which restrain it.

In order to determine these effects, to predict the pressure produced by the weight if the body be quiescent, or the mixed effects of motion and pressure, if it be not so, it is necessary in all cases to be able to assign the place of the centre of gravity. When the magnitude and figure of the body, and the density of the matter which occupies its dimensions, are known, the place of the centre of gravity can be determined with the greatest precision by mathematical calculation. The process by which this is accomplished, however, is not of a sufficiently elementary nature to be properly introduced into this treatise. To render it intelligible would require the aid of some of the most advanced analytical principles; and even to express the position of the point in question, except in very particular instances, would be impossible, without the aid of peculiar symbols.

(152.) There are certain particular forms of body in which, when they are uniformly dense, the place of the centre of gravity can be easily assigned, and proved by reasoning, which is generally intelligible; but in all cases whatever, this point may be easily determined by experiment.

(153.) If a body uniformly dense have such a shape that a point may be found on either side of which in all directions around it the materials of the body are similarly distributed, that point will obviously be the centre of gravity. For if it be supported, the gravitation of the particles on one side drawing them downwards, is resisted by an effect of exactly the same kind and of equal amount on the opposite side, and so the body remains balanced on the point.

The most remarkable body of this kind is a globe, the centre of which is evidently its centre of gravity.

A figure, such as fig. 38., called an oblate spheroid, has its centre of gravity at its centre, C. Such is the figure of the earth. The same may be observed of the elliptical solid, fig. 39., which is called a prolate spheroid.

112

A cube, and some other regular solids, bounded by plane surfaces, have a point within them, such as above described, and which is, therefore, their centre of gravity. Such are fig. 40.

A straight wand of uniform thickness has its centre of gravity at the centre of its length; and a cylindrical body has its centre of gravity in its centre, at the middle of its length or axis. Such is the point C, fig. 41.

A flat plate of any uniform substance, and which has in every part an equal thickness, has its centre of gravity at the middle of its thickness, and under a point of its surface, which is to be determined by its shape. If it be circular or elliptical, this point is its centre. If it have any regular form, bounded by straight edges, it is that point which is equally distant from its several angles, as C in fig. 42.

(154.) There are some cases in which, although the place of the centre of gravity is not so obvious as in the examples just given, still it may be discovered without any mathematical process, which is not easily understood. Suppose A B C, fig. 43., to be a flat triangular plate of uniform thickness and density. Let it be imagined to be divided into narrow bars, by lines parallel to the side A C, as represented in the figure. Draw B D from the angle B to the middle point D of the side A C. It is not difficult to perceive, that B D will divide equally all the bars into which the triangle is conceived to be divided. Now if the flat triangular plate A B C be placed in a horizontal position on a straight edge coinciding with the line B D, it will be balanced: for the bars parallel to A C will be severally balanced by the edge immediately under their middle point; since that middle point is the centre of gravity of each bar. Since, then, the triangle is balanced on the edge, the centre of gravity must be somewhere immediately over it, and must, therefore, be within the plate at some point under the line B D.

The same reasoning will prove that the centre of gravity of the plate is under the line A E, drawn from113 the angle A to the middle point E of the side B C. To perceive this, it is only necessary to consider the triangle divided into bars parallel to B C, and thence to show that it will be balanced on an edge placed under A E. Since then the centre of gravity of the plate is under the line B D, and also under A E, it must be under the point G, at which these lines cross each other; and it is accordingly at a depth beneath G, equal to half the thickness of the plate.

This may be experimentally verified by taking a piece of tin or card, and cutting it into a triangular form. The point G being found by drawing B D and A E, which divide two sides equally, it will be balanced if placed upon the point of a pin at G.

The centre of gravity of a triangle being thus determined, we shall be able to find the position of the centre of gravity of any plate of uniform thickness and density which is bounded by straight edges, as will be shown hereafter. (173.)

(155.) The centre of gravity is not always included within the volume of the body, that is, it is not enclosed by its surfaces. Numerous examples of this can be produced. If a piece of wire be bent into any form, the centre of gravity will rarely be in the wire. Suppose it be brought to the form of a ring. In that case, the centre of gravity of the wire will be the centre of the circle, a point not forming any part of the wire itself: nevertheless this point may be proved to have the characteristic property of the centre of gravity; for if the ring be suspended by any point, the centre of the ring must always settle itself under the point of suspension. If this centre could be supposed to be connected with the ring by very fine threads, whose weight would be insignificant, and which might be united by a knot or otherwise at the centre, the ring would be balanced upon a point placed under the knot.

In like manner, if the wire be formed into an ellipse, or any other curve similarly arranged round a centre point, that point will be its centre of gravity.

114

(156.) To find the centre of gravity experimentally, the method described in (149, 150) may be used. In this case two points of suspension will be sufficient to determine it; for the directions of the suspending cord being continued through the body, will cross each other at the centre of gravity. These directions may also be found by placing the body on a sharp point, and adjusting it so as to be balanced upon it. In this case a line drawn through the body directly upwards from the point will pass through the centre of gravity, and therefore two such lines must cross at that point.

(157.) If the body have two flat parallel surfaces like sheet metal, stiff paper, card, board, &c., the centre of gravity may be found by balancing the body in two positions on an horizontal straight edge. The point where the lines marked by the edge cross each other will be immediately under the centre of gravity. This may be verified by showing that the body will be balanced on a point thus placed, or that if it be suspended, the point thus determined will always come under the point of suspension.

The position of the centre of gravity of such bodies may also be found by placing the body on an horizontal table having a straight edge. The body being moved beyond the edge until it is in that position in which the slightest disturbance will cause it to fall, the centre of gravity will then be immediately over the edge. This being done in two positions, the centre of gravity will be determined as before.

(158.) It has been already stated, that when the body is perfectly free, the centre of gravity must necessarily move downwards, in a direction perpendicular to an horizontal plane. When the body is not free, the circumstances which restrain it generally permit the centre of gravity to move in certain directions, but obstruct its motion in others. Thus if a body be suspended from a fixed point by a flexible cord, the centre of gravity is free to move in every direction except those which would carry it farther from the point of suspen115sion than the length of the cord. Hence if we conceive a globe or sphere to surround the point of suspension on every side to a distance equal to that of the centre of gravity from the point of suspension, when the cord is fully stretched, the centre of gravity will be at liberty to move in every direction within this sphere.

There are an infinite variety of circumstances under which the motion of a body may be restrained, and in which a most important and useful class of mechanical problems originate. Before we notice others, we shall, however, examine that which has just been described more particularly.

Let P, fig. 44., be the point of suspension, and C the centre of gravity, and suppose the body so placed that C shall be within the sphere already described. The cord will therefore be slackened, and in this state the body will be free. The centre of gravity will therefore descend in the perpendicular direction until the cord becomes fully extended; the tension will then prevent its further motion in the perpendicular direction. The downward force must now be considered as the diagonal of a parallelogram, and equivalent to two forces C D and C E, in the directions of the sides, as already explained in (149). The force C D will bring the centre of gravity into the direction P F, perpendicularly under the point of suspension. Since the force of gravity acts continually on C in its approach to P F, it will move towards that line with accelerated speed, and when it has arrived there it will have acquired a force to which no obstruction is immediately opposed, and consequently by its inertia it retains this force, and moves beyond P F on the other side. But when the point C gets into the line P F, it is in the lowest possible position; for it is at the lowest point of the sphere which limits its motion. When it passes to the other side of P F, it must therefore begin to ascend, and the force of gravity, which, in the former case, accelerated its descent, will now for the same reason, and with equal energy, oppose its ascent. This will be easily understood. Let C′ be any point which it116 may have attained in ascending; C′ G′, the force of gravity, is now equivalent to C′ D′ and C′ E′. The latter as before produces tension; but the former C′ D′ is in a direction immediately opposed to the motion, and therefore retards it. This retardation will continue until all the motion acquired by the body in its descent from the first position has been destroyed, and then it will begin to return to P F, and so it will continue to vibrate from the one side to the other until the friction on the point P, and the resistance of the air, gradually deprive it of its motion, and bring it to a state of rest in the direction P F.

But for the effects of friction and atmospheric resistance, the body would continue for ever to oscillate equally from side to side of the line P F.

(159.) The phenomenon just developed is only an example of an extensive class. Whenever the circumstances which restrain the body are of such a nature that the centre of gravity is prevented from descending below a certain level, but not, on the other hand, restrained from rising above it, the body will remain at rest if the centre of gravity be placed at the lowest limit of its level; any disturbance will cause it to oscillate around this state, and it cannot return to a state of rest until friction or some other cause have deprived it of the motion communicated by the disturbing force.

(160.) Under the circumstances which we have just described, the body could not maintain itself in a state of rest in any position except that in which the centre of gravity is, at the lowest point of the space in which it is free to move. This, however, is not always the case. Suppose it were suspended by an inflexible rod instead of a flexible string; the centre of gravity would then not only be prevented from receding from the point of suspension, but also from approaching it; in fact, it would be always kept at the same distance from it. Thus, instead of being capable of moving anywhere within the sphere, it is now capable of moving on its surface only. The reasoning used in the last case may117 also be applied here, to prove that when the centre of gravity is on either side of the perpendicular P F, it will fall towards P F and oscillate, and that if it be placed in the line P F, it will remain in equilibrium. But in this case there is another position, in which the centre of gravity may be placed so as to produce equilibrium. If it be placed at the highest point of the sphere in which it moves, the whole force acting on it will then be directed on the point of suspension, perpendicularly downwards, and will be entirely expended in producing pressure on that point; consequently, the body will in this case be in equilibrium. But this state of equilibrium is of a character very different from that in which the centre of gravity was at the lowest part of the sphere. In the present case any displacement, however slight, of the centre of gravity, will carry it to a lower level, and the force of gravity will then prevent its return to its former state, and will impel it downwards until it attain the lowest point of the sphere, and round that point it will oscillate.

(161.) The two states of equilibrium which have been just noticed, are called stable and instable equilibrium. The character of the former is, that any disturbance of the state produces oscillation about it; but any disturbance of the latter state produces a total overthrow, and finally causes oscillation around the state of stable equilibrium.

Let A B, fig. 45., be an elliptical board resting on its edge on an horizontal plane. In the position here represented, the extremity P of the lesser axis being the point of support, the board is in stable equilibrium; for any motion on either side must cause the centre of gravity C to ascend in the directions C O, and oscillation will ensue. If, however, it rest upon the smaller end, as in fig. 46., the position would still be a state of equilibrium, because the centre of gravity is directly above the point of support; but it would be instable equilibrium, because the slightest displacement of the centre of gravity would cause it to descend.

118

Thus an egg or a lemon may be balanced on the end, but the least disturbance will overthrow it. On the contrary, it will easily rest on the side, and any disturbance will produce oscillation.

(162.) When the circumstances under which the body is placed allow the centre of gravity to move only in an horizontal line, the body is in a state which may be called neutral equilibrium. The slightest force will move the centre of gravity, but will neither produce oscillation nor overthrow the body, as in the last two cases.

An example of this state is furnished by a cylinder placed upon an horizontal plane. As the cylinder is rolled upon the plane, the centre of gravity C, fig. 47., moves in a line parallel to the plane A B, and distant from it by the radius of the cylinder. The body will thus rest indifferently in any position, because the line of direction always falls upon a point P at which the body rests upon the plane.

If the plane were inclined, as in fig. 48., a body might be so shaped, that while it would roll the centre of gravity would move horizontally. In this case the body would rest indifferently on any part of the plane, as if it were horizontal, provided the friction be sufficient to prevent the body from sliding down the plane.

If the centre of gravity of a cylinder happen not to coincide with its centre by reason of the want of uniformity in the materials of which it is composed, it will not be in a state of neutral equilibrium on an horizontal plane, as in fig. 47. In this case let G, fig. 49., be the centre of gravity. In the position here represented, where the centre of gravity is immediately below the centre C, the state will be stable equilibrium, because a motion on either side would cause the centre of gravity to ascend; but in fig. 50., where G is immediately above C, the state is instable equilibrium, because a motion on either side would cause G to descend, and the body would turn into the position fig. 49.

(163.) A cylinder of this kind will, under certain119 circumstances, roll up an inclined plane. Let A B, fig. 51., be the inclined plane, and let the cylinder be so placed that the line of direction from G shall be above the point P at which the cylinder rests upon the plane. The whole weight of the body acting in the direction G D will obviously cause the cylinder to roll towards A, provided the friction be sufficient to prevent sliding; but although the cylinder in this case ascends, the centre of gravity G really descends.

When G is so placed that the line of direction G D shall fall on the point P, the cylinder will be in equilibrium, because its weight acts upon the point on which it rests. There are two cases represented in fig. 52. and fig. 53., in which G takes this position. Fig. 52. represents the state of stable, and fig. 53. of instable equilibrium.

(164.) When a body is placed upon a base, its stability depends upon the position of the line of direction and the height of the centre of gravity above the base. If the line of direction fall within the base, the body will stand firm; if it fall on the edge of the base, it will be in a state in which the slightest force will overthrow it on that side at which the line of direction falls; and if the line of direction fall without the base, the body must turn over that edge which is nearest to the line of direction.

In fig. 54. and fig. 55., the line of direction G P falls within the base, and it is obvious that the body will stand firm; for any attempt to turn it over either edge would cause the centre of gravity to ascend. But in fig. 56. the line of direction falls upon the edge, and if the body be turned over, the centre of gravity immediately commences to descend. Until it be turned over, however, the centre of gravity is supported by the edge.

In fig. 57. the line of direction falls outside the base, the centre of gravity has a tendency to descend from G towards A, and the body will accordingly fall in that direction.

120

(165.) When the line of direction falls within the base, bodies will always stand firm, but not with the same degree of stability. In general, the stability depends on the height through which the centre of gravity must be elevated before the body can be overthrown. The greater this height is, the greater in the same proportion will be the stability.

Let B A C, fig. 58., be a pyramid, the centre of gravity being at G. To turn this over the edge B, the centre of gravity; must be carried over the arch G E, and must therefore be raised through the height H E. If, however, the pyramid were taller relatively to its base, as in fig. 59., the height H E would be proportionally less; and if the base were very small in reference to the height, as in fig. 60., the height H E would be very small, and a slight force would throw it over the edge B.

It is obvious that the same observations may be applied to all figures whatever, the conclusions just deduced depending only on the distance of the line of direction from the edge of the base, and the height of the centre of gravity above it.

(166.) Hence we may perceive the principle on which the stability of loaded carriages depends. When the load is placed at a considerable elevation above the wheels, the centre of gravity is elevated, and the carriage becomes proportionally insecure. In coaches for the conveyance of passengers, the luggage is therefore sometimes placed below the body of the coach; light parcels of large bulk may be placed on the top with impunity.

When the centre of gravity of a carriage is much elevated, there is considerable danger of overthrow, if a corner be turned sharply and with a rapid pace; for the centrifugal force then acting on the centre of gravity will easily raise it through the small height which is necessary to turn the carriage over the external wheels (142).

(167.) The same waggon will have greater stability when loaded with a heavy substance which occupies a small space, such as metal, than when it carries the same weight of a lighter substance, such as hay; because121 the centre of gravity in the latter case will be much more elevated.

H. Adlard, sc.

London, Pubd. by Longman & Co.

If a large table be placed upon a single leg in its centre, it will be impracticable to make it stand firm; but if the pillar on which it rests terminate in a tripod, it will have the same stability as if it had three legs attached to the points directly over the places where the feet of the tripod rest.

(168.) When a solid body is supported by more points than one, it is not necessary for its stability that the line of direction should fall on one of those points. If there be only two points of support, the line of direction must fall between them. The body is in this case supported as effectually as if it rested on an edge coinciding with a straight line drawn from one point of support to the other. If there be three points of support, which are not ranged in the same straight line, the body will be supported in the same manner as it would be by a base coinciding with the triangle formed by straight lines joining the three points of support. In the same manner, whatever be the number of points on which the body may rest, its virtual base will be found by supposing straight lines drawn, joining the several points successively. When the line of direction falls within this base, the body will always stand firm, and otherwise not. The degree of stability is determined in the same manner as if the base were a continued surface.

(169.) Necessity and experience teach an animal to adapt its postures and motions to the position of the centre of gravity of his body. When a man stands, the line of direction of his weight must fall within the base formed by his feet. If A B, C D, fig. 61., be the feet, this base is the space A B D C. It is evident, that the more his toes are turned outwards, the more contracted the base will be in the direction E F, and the more liable he will be to fall backwards or forwards. Also, the closer his feet are together, the more contracted the base will be in the direction G H, and the more liable he will be to fall towards either side.

122

When a man walks, the legs are alternately lifted from the ground, and the centre of gravity is either unsupported or thrown from the one side to the other. The body is also thrown a little forward, in order that the tendency of the centre of gravity to fall in the direction of the toes may assist the muscular action in propelling the body. This forward inclination of the body increases with the speed of the motion.

But for the flexibility of the knee-joint the labour of walking would be much greater than it is; for the centre of gravity would be more elevated by each step. The line of motion of the centre of gravity in walking is represented by fig. 62., and deviates but little from a regular horizontal line, so that the elevation of the centre of gravity is subject to very slight variation. But if there were no knee-joint, as when a man has wooden legs, the centre of gravity would move as in fig. 63., so that at each step the weight of the body would be lifted through a considerable height, and therefore the labour of walking would be much increased.

If a man stand on one leg, the line of direction of his weight must fall within the space on which his foot treads. The smallness of this space, compared with the height of the centre of gravity, accounts for the difficulty of this feat.

The position of the centre of gravity of the body changes with the posture and position of the limbs. If the arm be extended from one side, the centre of gravity is brought nearer to that side than it was when the arm hung perpendicularly. When dancers, standing on one leg, extend the other at right angles to it, they must incline the body in the direction opposite to that in which the leg is extended, in order to bring the centre of gravity over the foot which supports them.

When a porter carries a load, his position must be regulated by the centre of gravity of his body and the load taken together. If he bore the load on his back, the line of direction would pass beyond his heels, and he123 would fall backwards. To bring the centre of gravity over his feet he accordingly leans forward, fig. 64.

If a nurse carry a child in her arms, she leans back for a like reason.

When a load is carried on the head, the bearer stands upright, that the centre of gravity may be over his feet.

In ascending a hill, we appear to incline forward; and in descending, to lean backward, but in truth, we are standing upright with respect to a level plane. This is necessary to keep the line of direction between the feet, as is evident from fig. 65.

A person sitting on a chair which has no back cannot rise from it without either stooping forward to bring the centre of gravity over the feet, or drawing back the feet to bring them under the centre of gravity.

A quadruped never raises both feet on the same side simultaneously, for the centre of gravity would then be unsupported. Let A B C D, fig. 66., be the feet. The base on which it stands is A B C D, and the centre of gravity is nearly over the point O, where the diagonals cross each other. The legs A and C being raised together, the centre of gravity is supported by the legs B and D, since it falls between them; and when B and D are raised it is, in like manner, supported by the feet A and C. The centre of gravity, however, is often unsupported for a moment; for the leg B is raised from the ground before A comes to it, as is plain from observing the track of a horse’s feet, the mark of A being upon or before that of B. In the more rapid paces of all animals the centre of gravity is at intervals unsupported.

The feats of rope-dancers are experiments on the management of the centre of gravity. The evolutions of the performer are found to be facilitated by holding in his hand a heavy pole. His security in this case depends, not on the centre of gravity of his body, but on that of his body and the pole taken together. This point is near the centre of the pole, so that, in fact, he may be said to hold in his hands the point on the position of which the facility of his feats depends. Without124 the aid of the pole the centre of gravity would be within the trunk of the body, and its position could not be adapted to circumstances with the same ease and rapidity.

(170.) The centre of gravity of a mass of fluid is that point which would have the properties which have been proved to belong to the centre of gravity of a solid, if the fluid were solidified without changing in any respect the quantity or arrangement of its parts. This point also possesses other properties, in reference to fluids, which will be investigated in Hydrostatics and Pneumatics.

(171.) The centre of gravity of two bodies separated from one another, is that point which would possess the properties ascribed to the centre of gravity, if the two bodies were united by an inflexible line, the weight of which might be neglected. To find this point mathematically is a very simple problem. Let A and B, fig. 67., be the two bodies, and a and b their centres of gravity. Draw the right line a b, and divide it at C, in such a manner that a C shall have the same proportion to b C as the mass of the body B has to the mass of the body A.

This may easily be verified experimentally. Let A and B be two bodies, whose weight is considerable, in comparison with that of the rod a b, which joins them. Let a fine silken string, with its ends attached to them, be hung upon a pin; and on the same pin let a plumb-line be suspended. In whatever position the bodies may be hung, it will be observed that the plumb-line will cross the rod a b at the same point, and that point will divide the line a b into parts a C and b C, which are in the proportion of the mass of B to the mass of A.

(172.) The centre of gravity of three separate bodies is defined in the same manner as that of two, and may be found by first determining the centre of gravity of two; and then supposing their masses concentrated at that point, so as to form one body, and finding the centre of gravity of that and the third.

125

In the same manner the centre of gravity of any number of bodies may be determined.

(173.) If a plate of uniform thickness be bounded by straight edges, its centre of gravity may be found by dividing it into triangles by diagonal lines, as in fig. 68., and having determined by (154) the centres of gravity of the several triangles, the centre of gravity of the whole plate will be their common centre of gravity, found as above.

(174.) Although the centre of gravity takes its name from the familiar properties which it has in reference to detached bodies of inconsiderable magnitude, placed on or near the surface of the earth, yet it possesses properties of a much more general and not less important nature. One of the most remarkable of these is, that the centre of gravity of any number of separate bodies is never affected by the mutual attraction, impact, or other influence which the bodies may transmit from one to another. This is a necessary consequence of the equality of action and reaction explained in Chapter IV. For if A and B, fig. 67., attract each other, and change their places to A′ and B′, the space a a′ will have to b b′ the same proportion as B has to A, and therefore by what has just been proved (171) the same proportion as a C has to b C. It follows, that the remainders a′ C and b′ C will be in the proportion of B to A, and that C will continue to be the centre of gravity of the bodies after they have approached by their mutual attraction.

Suppose, for example, that A and B were 12lbs. and 8lbs. respectively, and that a b were 40 feet. The point C must (171) divide a b into two parts, in the proportion of 8 to 12, or of 2 to 3. Hence it is obvious that a C will be 16 feet, and b C 24 feet. Now, suppose that A and B attract each other, and that A approaches B through two feet. Then B must approach A through three feet. Their distances from C will now be 14 feet and 21 feet, which, being in the proportion of B to A, the point C will still be their centre of gravity.

Hence it follows, that if a system of bodies, placed at126 rest, be permitted to obey their mutual attractions, although the bodies will thereby be severally moved, yet their common centre of gravity must remain quiescent.

(175.) When one of two bodies is moving in a straight line, the other being at rest, their common centre of gravity must move in a parallel straight line. Let A and B, fig. 69., be the centres of gravity of the bodies, and let A move from A to a, B remaining at rest. Draw the lines A B and a B. In every position which the body B assumes during its motion, the centre of gravity C divides the line joining them into parts A C, B C, which are in the proportion of the mass B to the mass A. Now, suppose any number of lines drawn from B to the line A a; a parallel C c to A a through C divides all these lines in the same proportion; and therefore, while the body A moves from A to a, the common centre of gravity moves from C to c.

If both the bodies A and B moved uniformly in straight lines, the centre of gravity would have a motion compounded (74) of the two motions with which it would be affected, if each moved while the other remained at rest. In the same manner, if there were three bodies, each moving uniformly in a straight line, their common centre of gravity would have a motion compounded of that motion which it would have if one remained at rest while the other two moved, and that which the motion of the first would give it if the last two remained at rest; and in the same manner it may be proved, that when any number of bodies move each in a straight line, their common centre of gravity will have a motion compounded of the motions which it receives from the bodies severally.

It may happen that the several motions which the centre of gravity receives from the bodies of the system will neutralise each other; and this does, in fact, take place for such motions as are the consequences of the mutual action of the bodies upon one another.

(176.) If a system of bodies be not under the immediate influence of any forces, and their mutual attrac127tion be conceived to be suspended, they must severally be either at rest or in uniform rectilinear motion in virtue of their inertia. Hence, their common centre of gravity must also be either at rest or in uniform rectilinear motion. Now, if we suppose their mutual attractions to take effect, the state of their common centre of gravity will not be changed, but the bodies will severally receive motions compounded of their previous uniform rectilinear motions and those which result from their mutual attractions. The combined effects will cause each body to revolve in an orbit round the common centre of gravity, or will precipitate it towards that point. But still that point will maintain its former state undisturbed.

This constitutes one of the general laws of mechanical science, and is of great importance in physical astronomy. It is known by the title “the conservation of the motion of the centre of gravity.”

(177.) The solar system is an instance of the class of phenomena to which we have just referred. All the motions of the bodies which compose it can be traced to certain uniform rectilinear motions, received from some former impulse, or from a force whose action has been suspended, and those motions which necessarily result from the principle of gravitation. But we shall not here insist further on this subject, which more properly belongs to another department of the science.

(178.) If a solid body suffer an impact in the direction of a line passing through its centre of gravity, all the particles of the body will be driven forward with the same velocity in lines parallel to the direction of the impact, and the whole force of the motion will be equal to that of the impact. The common velocity of the parts of the body will in this case be determined by the principles explained in Chapter IV. The impelling force being equally distributed among all the parts, the velocity will be found by dividing the numerical value of that force by the number expressing the mass.

If any number of impacts be given simultaneously to128 different points of a body, a certain complex motion will generally ensue. The mass will have a relative motion round the centre of gravity as if it were fixed, while that point will move forward uniformly in a straight line, carrying the body with it. The relative motion of the mass round the centre of gravity may be found by considering the centre of gravity as a fixed point, round which the mass is free to move, and then determining the motion which the applied forces would produce. This motion being supposed to continue uninterrupted, let all the forces be imagined to be applied in their proper directions and quantities to the centre of gravity. By the principles for the composition of force they will be mechanically equivalent to a single force through that point. In the direction of this single force the centre of gravity will move and have the same velocity as if the whole mass were there concentrated and received the impelling forces.

(179.) These general properties, which are entirely independent of gravity, render the “centre of gravity” an inadequate title for this important point. Some physical writers have, consequently, called it the “centre of inertia.” The “centre of gravity,” however, is the name by which it is still generally designated.


CHAP. X.
THE MECHANICAL PROPERTIES OF AN AXIS.

(180.) When a body has a motion of rotation, the line round which it revolves is called an axis. Every point of the body must in this case move in a circle, whose centre lies in the axis, and whose radius is the distance of the point from the axis. Sometimes while the body revolves, the axis itself is moveable, and not unfrequently in a state of actual motion. The motions of the129 earth and planets, or that of a common spinning-top, are examples of this. The cases, however, which will be considered in the present chapter, are chiefly those in which the axis is immovable, or at least where its motion has no relation to the phenomena under investigation. Instances of this are so frequent and obvious, that it seems scarcely necessary to particularise them. Wheel-work of every description, the moving parts of watches and clocks, turning lathes, mill-work, doors and lids on hinges, are all obvious examples. In tools or other instruments which work on joints or pivots, such as scissors, shears, pincers, although the joint or pivot be not absolutely fixed, it is to be considered so in reference to the mechanical effect.

H. Adlard, sc.

London, Pubd. by Longman & Co.

In some cases, as in most of the wheels of watches and clocks, fly-wheels and chucks of the turning lathe, and the arms of wind-mills, the body turns continually in the same direction, and each of its points traverses a complete circle during every revolution of the body round its axis. In other instances the motion is alternate or reciprocating, its direction being at intervals reversed. Such is the case in pendulums of clocks, balance-wheels of chronometers, the treddle of the lathe, doors and lids on hinges, scissors, shears, pincers, &c. When the alternation is constant and regular, it is called oscillation or vibration, as in pendulums and balance-wheels.

(181.) To explain the properties of an axis of rotation it will be necessary to consider the different kinds of forces to the action of which a body moveable on such an axis may be submitted, to show how this action depends on their several quantities and directions, to distinguish the cases in which the forces neutralise each other and mutually equilibrate from those in which motion ensues, to determine the effect which the axis suffers, and, in the cases where motion is produced, to estimate the effects of those centrifugal forces (137.) which are created by the mass of the body whirling round the axis.

Forces in general have been distinguished by the duration of their action into instantaneous and continued130 forces. The effect of an instantaneous force is produced in an infinitely short time. If the body which sustains such an action be previously quiescent and free, it will move with a uniform velocity in the direction of the impressed force. (93.) If, on the other hand, the body be not free, but so restrained that the impulse cannot put it in motion, then the fixed points or lines which resist the motion sustain a corresponding shock at the moment of the impulse. This effect, which is called percussion, is, like the force which causes it, instantaneous.

A continued force produces a continued effect. If the body be free and previously quiescent, this effect is a continual increase of velocity. If the body be so restrained that the applied force cannot put it in motion, the effect is a continued pressure on the points or lines which sustain it. (94.)

It may happen, however, that although the body be not absolutely free to move in obedience to the force applied to it, yet still it may not be altogether so restrained as to resist the effect of that force and remain at rest. If the point at which a force is applied be free to move in a certain direction not coinciding with that of the applied force, that force will be resolved into two elements; one of which is in the direction in which the point is free to move, and the other at right angles to that direction. The point will move in obedience to the former element, and the latter will produce percussion or pressure on the points or lines which restrain the body. In fact, in such cases the resistance offered by the circumstances which confine the motion of the body modifies the motion which it receives, and as every change of motion must be the consequence of a force applied (44.), the fixed points or lines which offer the resistance must suffer a corresponding effect.

It may happen that the forces impressed on the body, whether they be continued or instantaneous, are such as, were it free, would communicate to it a motion which the circumstances which restrain it do not forbid it to receive. In such a case the fixed points or lines which131 restrain the body sustain no force, and the phenomena will be the same in all respects as if these points or lines were not fixed.

It will be easy to apply these general reflections to the case in which a solid body is moveable on a fixed axis. Such a body is susceptible of no motion except one of rotation on that axis. If it be submitted to the action of instantaneous forces, one or other of the following effects must ensue. 1. The axis may resist the forces, and prevent any motion. 2. The axis may modify the effect of the forces sustaining a corresponding percussion, and the body receiving a motion of rotation. 3. The forces applied may be such as would cause the body to spin round the axis even were it not fixed, in which case the body will receive a motion of rotation, but the axis will suffer no percussion.

What has been just observed of the effect of instantaneous forces is likewise applicable to continued ones. 1. The axis may entirely resist the effect of such forces, in which case it will suffer a pressure which may be estimated by the rules for the composition of force. 2. It may modify the effect of the applied forces, in which case it must also sustain a pressure, and the body must receive a motion of rotation which is subject to constant variation, owing to the incessant action of the forces. 3. The forces may be such as would communicate to the body the same rotatory motion if the axis were not fixed. In this case the forces will produce no pressure on the axis.

The impressed forces are not the only causes which affect the axis of a body during the phenomenon of rotation. This species of motion calls into action other forces depending on the inertia of the mass, which produce effects upon the axis, and which play a prominent part in the theory of rotation. While the body revolves on its axis, the component particles of its mass move in circles, the centres of which are placed in the axis. The radius of the circle in which each particle moves is the line drawn from that particle perpendicular to the axis. It has been already132 proved that a particle of matter, moving round a centre, is attended with a centrifugal force proportionate to the radius of the circle in which it moves and to the square of its angular velocity. When a solid body revolves on its axis, all its parts are whirled round together, each performing a complete revolution in the same time. The angular velocity is consequently the same for all, and the difference of the centrifugal forces of different particles must entirely depend upon their distances from the axis. The tendency of each particle to fly from the axis, arising from the centrifugal force, is resisted by the cohesion of the parts of the mass, and in general this tendency is expended in exciting a pressure or strain upon the axis. It ought to be recollected, however, that this pressure or strain is altogether different from that already mentioned, and produced by the forces which give motion to the body. The latter depends entirely upon the quantity and directions of the applied forces in relation to the axis: the former depends on the figure and density of the body, and the velocity of its motion.

These very complex effects render a simple and elementary exposition of the mechanical properties of a fixed axis a matter of considerable difficulty. Indeed, the complete mathematical development of this theory long eluded the skill of the most acute geometers, and it was only at a comparatively late period that it yielded to the searching analysis of modern science.

(182.) To commence with the most simple case, we shall consider the body as submitted to the action of a single force. The effect of this force will vary according to the relation of its direction to that of the axis. There are two ways in which a body may be conceived to be moveable around an axis. 1. By having pivots at two points which rest in sockets, so that when the body is moved it must revolve round the right line joining the pivots as an axis. 2. A thin cylindrical rod may pass through the body, on which it may turn in the same manner as a wheel upon its axle.

If the force be applied to the body in the direction of133 the axis, it is evident that no motion can ensue, and the effect produced will be a pressure on that pivot towards which the force is directed. If in this case the body revolved on a cylindrical rod, the tendency of the force would be to make it slide along the rod without revolving round it.

Let us next suppose the force to be applied not in the direction of the axis itself, but parallel to it. Let A B, fig. 70., be the axis, and let C D be the direction of the force applied. The pivots being supposed to be at A and B, draw A G and B F perpendicular to A B. The force C D will be equivalent to three forces, one acting from B towards A, equal in quantity to the force C D. This force will evidently produce a corresponding pressure on the pivot A. The other two forces will act in the directions A G and B F, and will have respectively to the force C D the same proportion as A E has to A B. Such will be the mechanical effect of a force C D parallel to the axis. And as these effects are all directed on the pivots, no motion can ensue.

If the body revolve on a cylindrical rod, the forces A G and B F would produce a strain upon the axis, while the third force in the direction B A would have a tendency to make the body slide along it.

(183.) If the force applied to the body be directed upon the axis, and at right angles to it, no motion can be produced. In this case, if the body be supported by pivots at A and B, the force K L, perpendicular to the line A B, will be distributed between the pivots, producing a pressure on each proportional to its distance from the other. The pressure on A having to the pressure on B the same proportion as L B has to L A.

If the force K H be directed obliquely to the axis, it will be equivalent to two forces (76.), one K L perpendicular to the axis, and the other K M parallel to it. The effect of each of these may be investigated as in the preceding cases.

In all these observations the body has been supposed to be submitted to the action of one force only. If134 several forces act upon it, the direction of each of them crossing the axis either perpendicularly or obliquely, or taking the direction of the axis or any parallel direction, their effects may be similarly investigated. In the same manner we may determine the effects of any number of forces whose combined results are mechanically equivalent to forces which either intersect the axis or are parallel to it.

(184.) If any force be applied whose direction lies in a plane oblique to the axis, it can always be resolved into two elements (76.), one of which is parallel to the axis, and the other in a plane perpendicular to it. The effect of the former has been already determined, and therefore we shall at present confine our attention to the latter.

Suppose the axis to be perpendicular to the paper, and to pass through the point G, fig. 71. and let A B C be a section of the body. It will be convenient to consider the section vertical and the axis horizontal, omitting, however, any notice of the effect of the weight of the body.

Let a weight W be suspended by a cord Q W from any point Q. This weight will evidently have a tendency to turn the body round in the direction A B C. Let another cord be attached to any other point P, and, being carried over a wheel R, let a dish S be attached to it, and let fine sand be poured into this dish until the tendency of S to turn the body round the axis in the direction of C B A balances the opposite tendency of W. Let the weights of W and S be then exactly ascertained, and also let the distances G I and G H of the cords from the axis be exactly measured. It will be found that, if the number of ounces in the weight S be multiplied by the number of inches in G H, and also the number of ounces in W by the number of inches in G I, equal products will be obtained. This experiment may be varied by varying the position of the wheel R, and thereby changing the direction of the string P R, in which cases it will be always found necessary to vary the weight of S in such a manner, that when the num135ber of ounces in it is multiplied by the number of inches in the distance of the string from the axis, the product obtained shall be equal to that of the weight W by the distance G I. We have here used ounces and inches as the measures of weight and distance; but it is obvious that any other measures would be equally applicable.

From what has been just stated it follows, that the energy of the weight of S to move the body on its axis, does not depend alone upon the actual amount of that weight, but also upon the distance of the string from the axis. If, while the position of the string remains unaltered, the weight of S be increased or diminished, the resisting weight W must be increased or diminished in the same proportion. But if, while the weight of S remains unaltered, the distance of the string P R from the axis G be increased or diminished, it will be found necessary to increase or diminish the resisting weight W in exactly the same proportion. It therefore appears that the increase or diminution of the distance of the direction of a force from the axis has the same effect upon its power to give rotation as a similar increase or diminution of the force itself. The power of a force to produce rotation is, therefore, accurately estimated, not by the force alone, but by the product found by multiplying the force by the distance of its direction from the axis. It is frequently necessary in mechanical science to refer to this power of a force, and, accordingly, the product just mentioned has received a particular denomination. It is called the moment of the force round the axis.

(185.) The distance of the direction of a force from the axis is sometimes called the leverage of the force. The moment of a force is therefore found by multiplying the force by its leverage, and the energy of a given force to turn a body round an axis is proportional to the leverage of that force.

From all that has been observed it may easily be inferred that, if several forces affect a body moveable on an axis, having tendencies to turn it in different direc136tions, they will mutually neutralise each other and produce equilibrium, if the sum of the moments of those forces which tend to turn the body in one direction be equal to the sum of the moments of those which tend to turn it in the opposite direction. Thus, if the forces A, B, C, . . . tend to turn the body from right to left, and the distances of their directions from the axis be a, b, c, . . . and the forces A′, B′, C′, . . . tend to move it from left to right, and the distances of their directions from the axis be a′, b′, c′, . . .; then these forces will produce equilibrium, if the products found by multiplying the ounces in A, B, C, . . . respectively by the inches in a, b, c, . . . when added together be equal to the products found by multiplying the ounces in A′, B′, C′, . . . by the inches in a′, b′, c′, . . . respectively when added together. But if either of these sets of products when added together exceed the other, the corresponding set of forces will prevail, and the body will revolve on its axis.

(186.) When a body receives an impulse in a direction perpendicular to the axis, but not crossing it, a uniform rotatory motion is produced. The velocity of this motion depends on the force of the impulse, the distance of the direction of the impulse from the axis, and the manner in which the mass of the body is distributed round the axis. It is to be considered that the whole force of the impulse is shared amongst the various parts of the mass, and is transmitted to them from the point where the impulse is applied by reason of the cohesion and tenacity of the parts, and the impossibility of one part yielding to a force without carrying all the other parts with it. The force applied acts upon those particles nearer to the axis than its own direction under advantageous circumstances; for, according to what has been already explained, their power to resist the effect of the applied force is small in the same proportion with their distance. On the other hand, the applied force acts upon particles of the mass, at a greater distance than its own direction, under circumstances proportionably disadvantageous; for their resistance to the applied force is great in proportion to their distances from the axis.

137

Let C D, fig. 72., be a section of the body made by a plane passing through the axis A B. Suppose the impulse to be applied at P, perpendicular to this plane, and at the distance P O from the axis. The effect of the impulse being distributed through the mass will cause the body to revolve on A B, with a uniform velocity. There is a certain point G, at which, if the whole mass were concentrated, it would receive from the impulse the same velocity round the axis. The distance O G is called the radius of gyration of the axis A B, and the point G is called the centre of gyration relatively to that axis. The effect of the impulse upon the mass concentrated at G is great in exactly the same proportion as O G is small. This easily follows from the property of moments which has been already explained; from whence it may be inferred, that the greater the radius of gyration is, the less will be the velocity which the body will receive from a given impulse.

(187.) Since the radius of gyration depends on the manner in which the mass is arranged round the axis, it follows that for different axes in the same body there will be different radii of gyration. Of all axes taken in the same body parallel to each other, that which passes through the centre of gravity has the least radius of gyration. If the radius of gyration of any axis passing through the centre of gravity be given, that of any parallel axis can be found; for the square of the radius of gyration of any axis is equal to the square of the distance of that axis from the centre of gravity added to the square of the radius of gyration of the parallel axis through the centre of gravity.

(188.) The product of the numerical expressions for the mass of the body and the square of the radius of gyration is a quantity much used in mechanical science, and has been called the moment of inertia. The moments of inertia, therefore, for different axes in the same body are proportional to the squares of the corresponding radii of gyration; and consequently increase as the distances of the axes from the centre of gravity increase. (187.)

138

(189.) From what has been explained in (187.), it follows, that the moment of inertia of any axis may be computed by common arithmetic, if the moment of inertia of a parallel axis through the centre of gravity be previously known. To determine this last, however, would require analytical processes altogether unsuitable to the nature and objects of the present treatise.

The velocity of rotation which a body receives from a given impulse is great in exactly the same proportion as the moment of inertia is small. Thus the moment of inertia may be considered in rotatory motion analogous to the mass of the body in rectilinear motion.

From what has been explained in (187.) it follows that a given impulse at a given distance from the axis will communicate the greatest angular velocity when the axis passes through the centre of gravity, and that the velocity which it will communicate round other axes will be diminished in the same proportion as the squares of their distances from the centre of gravity added to the square of the radius of gyration for a parallel axis through the centre of gravity are augmented.

(190.) If any point whatever be assumed in a body, and right lines be conceived to diverge in all directions from that point, there are generally two of these lines, which being taken as axes of rotation, one has a greater and the other a less moment of inertia than any of the others. It is a remarkable circumstance, that, whatever be the nature of the body, whatever be its shape, and whatever be the position of the point assumed, these two axes of greatest and least moment will always be at right angles to each other.

These axes and a third through the same point, and at right angles to both of them, are called the principal axes of that point from which they diverge. To form a distinct notion of their relative position, let the axis of greatest moment be imagined to lie horizontally from north to south, and the axis of least moment from east to west; then the third principal axis will be presented139 perpendicularly upwards and downwards. The first two being called the principal axes of greatest and least moment, the third may be called the intermediate principal axis.

(191.) Although the moments of the three principal axes be in general unequal, yet bodies may be found having certain axes for which these moments may be equal. In some cases the moment of the intermediate axis is equal to that of the principal axis of greatest moment: in others it is equal to that of the principal axis of least moment, and in others the moments of all the three principal axes are equal to each other.

If the moments of any two of three principal axes be equal, the moments of all axes through the same point and in their plane will also be equal; and if the moments of the three principal axes through a point be equal, the moments of all axes whatever, through the same point, will be equal.

(192.) If the moments of the principal axes through the centre of gravity be known, the moments for all other axes through that point may be easily computed. To effect this it is only necessary to multiply the moments of the principal axes by the squares of the co-sines of the angles formed by them respectively with the axis whose moment is sought. The products being added together will give the required moment.

(193.) By combining this result with that of (189.), it will be evident that the moment of all axes whatever may be determined, if those of the principal axes through the centre of gravity be known.

(194.) It is obvious that the principal axis of least moment through the centre of gravity has a less moment of inertia than any other axis whatever. For it has, by its definition (190.) a less moment of inertia than any other axis through the centre of gravity, and every other axis through the centre of gravity has a less moment of inertia than a parallel axis through any other point (187.) and (189.)

(195.) If two of the principal axes through the centre of gravity have equal moments of inertia, all axes140 in any plane parallel to the plane of these axes, and passing through the point where a perpendicular from the centre of gravity meets that plane, must have equal moments of inertia. For by (191.) all axes in the plane of those two have equal moments, and by (189.) the axes in the parallel plane have moments which exceed these by the same quantity, being equally distant from them. (187.)

Hence it is obvious that if the three principal axes through the centre of gravity have equal moments, all axes situated in any given plane, and passing through the point where the perpendicular from the centre of gravity meets that plane, will have equal moments, being equally distant from parallel axes through the centre of gravity.

(196.) If the three principal axes through the centre of gravity have unequal moments, there is no point whatever for which all axes will have equal moments; but if the principal axis of least moment and the intermediate principal axis through the centre of gravity have equal moments, then there will be two points on the principal axis of greatest moment, equally distant at opposite sides of the centre of gravity, at which all axes will have equal moments. If the three principal axes through the centre of gravity have equal moments, no other point of the body can have principal axes of equal moment.

(197.) When a body revolves on a fixed axis, the parts of its mass are whirled in circles round the axis; and since they move with a common angular velocity, they will have centrifugal forces proportional to their distances from the axis. If the component parts of the mass were not united together by cohesive forces of energies greater than these centrifugal forces, they would be separated, and would fly off from the axis; but their cohesion prevents this, and causes the effects of the different centrifugal forces, which affect the different parts of the mass, to be transmitted so as to modify each other, and finally to produce one or more forces mechanically equivalent to the whole, and which141 are exerted upon the axis and resisted by it. We propose now to explain these effects, as far as it is possible to render them intelligible without the aid of mathematical language.

It is obvious that any number of equal parts of the mass, which are uniformly arranged in a circle round the axis, have equal centrifugal forces acting from the centre of the circle in every direction. These mutually neutralise each other, and therefore exert no force on the axis. The same may be said of all parts of the mass which are regularly and equally distributed on every side of the axis.

Also if equal masses be placed at equal distances on opposite sides of the axis, their centrifugal forces will destroy each other. Hence it appears that the pressure which the axis of rotation sustains from the centrifugal forces of the revolving mass, arises from the unequal distribution of the matter around it.

From this reasoning it will be easily perceived that in the following examples the axis of rotation will sustain no pressure.

A globe revolving on any of its diameters, the density being the same at equal distances from the centre.

A spheroid or a cylinder revolving on its axis, the density being equal at equal distances from the axis.

A cube revolving on an axis which passes through the centre of two opposite bases, being of uniform density.

A circular plate of uniform thickness and density revolving on one of its diameters as an axis.

(198.) In all these examples it will be observed that the axis of rotation passes through the centre of gravity. The general theorem, of which they are only particular instances, is, “if a body revolve on a principal axis, passing through the centre of gravity, the axis will sustain no pressure from the centrifugal force of the revolving mass.” This is a property in which the principal axes through the centre of gravity are unique. There is no other axis on which a body could revolve without pressure.

142

If two of the principal axes through the centre of gravity have equal moments, every axis in their plane has the same moment, and is to be considered equally as a principal axis. In this case the body would revolve on any of these axes without pressure.

A homogeneous spheroid furnishes an example of this. If any of the diameters of the earth’s equator were a fixed axis, the earth would revolve on it without producing pressure.

If the three principal axes through the centre of gravity have equal moments, all axes through the centre of gravity are to be considered as principal axes. In this case the body would revolve without pressure on any axis through the centre of gravity.

A globe, in which the density of the mass at equal distances from the centre is the same, is an example of this. Such a body would revolve without pressure on any axis through its centre.

(199.) Since no pressure is excited on the axis in these cases, the state of the body will not be changed, if during its rotation the axis cease to be fixed. The body will notwithstanding continue to revolve round the axis, and the axis will maintain its position.

Thus a spinning-top of homogeneous material and symmetrical form will revolve steadily in the same position, until the friction of its point with the surface on which it rests deprives it of motion. This is a phenomenon which can only be exhibited when the axis of rotation is a principal axis through the centre of gravity.

(200.) If the body revolve round any axis through the centre of gravity, which is not a principal axis, the centrifugal pressure is represented by two forces, which are equal and parallel, but which act in opposite directions on different points of the axis. The effect of these forces is to produce a strain upon the axis, and give the body a tendency to move round another axis at right angles to the former.

(201.) If the fixed axis on which a body revolves143 be a principal axis through any point different from the centre of gravity, then a pressure will be produced by the centrifugal force of the revolving mass, and this pressure will act at right angles to the axis on the point to which it is a principal axis, and in the plane through that axis and the centre of gravity. The amount of the pressure will be proportional to the mass of the body, the distance of the centre of gravity from the axis, and the square of the velocity of rotation.

(202.) Since the whole pressure is in this case excited on a single point, the stability of the axis will not be disturbed, provided that point alone be fixed. So that even though the axis should be free to turn on that point, no motion will ensue as long as no external forces act upon the body.

(203.) If the axis of rotation be not a principal axis, the centrifugal forces will produce an effect which cannot be represented by a single force. The effect may be understood by conceiving two forces to act on different points of the axis at right angles to it and to each other. The quantities of these pressures and their directions depend on the figure and density of the mass and the position of the axis, in a manner which cannot be explained without the aid of mathematical language and principles.

(204.) The effects upon the axis which have been now explained are those which arise from the motion of rotation, from whatever cause that motion may have arisen. The forces which produce that motion, however, are attended with effects on the axis which still remain to be noticed. When these forces, whether they be of the nature of instantaneous actions or continued forces, are entirely resisted by the axis, their directions must severally be in a plane passing through the axis, or they must, by the principles of the composition of force [(74.) et seq.], be mechanically equivalent to forces in that plane. In every other case the impressed forces must produce motion, and, except in certain cases, must also produce effects upon the axis.

144

By the rules for the composition of force it is possible in all cases to resolve the impressed forces into others which are either in planes through the axis, or in planes perpendicular to it, or, finally, some in planes through it, and others in planes perpendicular to it. The effect of those which are in planes through the axis has been already explained; and we shall now confine our attention to those impelling forces which act at right angles to the axis, and which produce motion.

It will be sufficient to consider the effect of a single force at right angles to the axis; for whatever be the number of forces which act either simultaneously or successively, the effect of the whole will be decided by combining their separate effects. The effect which a single force produces depends on two circumstances, 1. The position of the axis with respect to the figure and mass of the body, and 2. The quantity and direction of the force itself.

In general the shock which the axis sustains from the impact may be represented by two impacts applied to it at different points, one parallel to the impressed force, and the other perpendicular to it, but both perpendicular to the axis. There are certain circumstances, however, under which this effect will be modified.

If the impulse which the body receives be in a direction perpendicular to a plane through the axis and the centre of gravity, and at a distance from the axis which bears to the radius of gyration (186.) the same proportion as that line bears to the distance of the centre of gravity from the axis, there are certain cases in which the impulse will produce no percussion. To characterise these cases generally would require analytical formulæ which cannot conveniently be translated into ordinary language. That point of the plane, however, where the direction of the impressed force meets it, when no percussion on the axis is produced, is called the centre of percussion.

145

If the axis of rotation be a principal axis, the centre of percussion must be in the right line drawn through the centre of gravity, intersecting the axis at right angles, and at the distance from the axis already explained.

If the axis of rotation be parallel to a principal axis through the centre of gravity, the centre of percussion will be determined in the same manner.

(205.) There are many positions which the axis may have in which there will be no centre of percussion; that is, there will be no direction in which an impulse could be applied without producing a shock upon the axis. One of these positions is when it is a principal axis through the centre of gravity. This is the only case of rotation round an axis in which no effect arises from the centrifugal force; and therefore it follows that the only case in which the axis sustains no effect from the motion produced, is one in which it must necessarily suffer an effect from that which produces the motion.

If the body be acted upon by continued forces, their effect is at each instant determined by the general principles for the composition of force.


CHAP. XI.
ON THE PENDULUM.

(206.) When a body is placed on a horizontal axis which does not pass through its centre of gravity, it will remain in permanent equilibrium only when the centre of gravity is immediately below the axis. If this point be placed in any other situation, the body will oscillate from side to side, until the atmospherical resistance and the friction of the axis destroy its motion. (159, 160.) Such a body is called a pendulum. The swinging motion which it receives is called oscillation or vibration.

(207.) The use of the pendulum, not only for philosophical purposes, but in the ordinary economy of life,146 renders it a subject of considerable importance. It furnishes the most exact means of measuring time, and of determining with precision various natural phenomena. By its means the variation of the force of gravity in different latitudes is discovered, and the law of that variation experimentally exhibited. In the present chapter, we propose to explain the general principles which regulate the oscillation of pendulums. Minute details concerning their construction will be given in the twenty-first chapter of this volume.

(208.) A simple pendulum is composed of a heavy molecule attached to the end of a flexible thread, and suspended by a fixed point O, fig. 73. When the pendulum is placed in the position O C, the molecule being vertically below the point of suspension, it will remain in equilibrium; but if it be drawn into the position O A and there liberated, it will descend towards C, moving through the arc A C with accelerated motion. Having arrived at C and acquired a certain velocity, it will, by reason of its inertia, continue to move in the same direction. It will therefore commence to ascend the arc C A′ with the velocity so acquired. During its ascent, the weight of the molecule retards its motion in exactly the same manner as it had accelerated it in descending from A to C; and when the molecule has ascended through the arc C A′ equal to C A, its entire velocity will be destroyed, and it will cease to move in that direction. It will thus be placed at A′ in the same manner as in the first instance it had been placed at A, and consequently it will descend from A′ to C with accelerated motion, in the same manner as it first moved from A to C. It will then ascend from C to A, and so on, continually. In this case the thread, by which the molecule is suspended, is supposed to be perfectly flexible, inextensible, and of inconsiderable weight. The point of suspension is supposed to be without friction, and the atmosphere to offer no resistance to the motion.

It is evident from what has been stated, that the times of moving from A to A′ and from A′ to A are147 equal, and will continue to be equal so long as the pendulum continues to vibrate. If the number of vibrations performed by the pendulum were registered, and the time of each vibration known, this instrument would become a chronometer.

The rate at which the motion of the pendulum is accelerated in its descent towards its lowest position is not uniform, because the force which impels it is continually decreasing, and altogether disappears at the point C. The impelling force arises from the effect of gravity on the suspended molecule, and this effect is always produced in the vertical direction A V. The greater the angle O A V is, the less efficient the force of gravity will be in accelerating the molecule: this angle evidently increases as the molecule approaches C, which will appear by inspecting fig. 73. At C, the force of gravity acting in the direction C B is totally expended in giving tension to the thread, and is inefficient in moving the molecule. It follows, therefore, that the impelling force is greatest at A, and continually diminishes from A to C, where it altogether vanishes. The same observations will be applicable to the retarding force from C to A′, and to the accelerating force from A′ to C, and so on.

When the length of the thread and the intensity of the force of gravity are given, the time of vibration depends on the length of the arc A C, or on the magnitude of the angle A O C. If, however, this angle do not exceed a certain limit of magnitude, the time of vibration will be subject to no sensible variation, however that angle may vary. Thus the time of oscillation will be the same, whether the angle A O C be 2°, or 1° 30′, or 1°, or any lesser magnitude. This property of a pendulum is expressed by the word isochronism. The strict demonstration of this property depends on mathematical principles, the details of which would not be suitable to the present treatise. It is not difficult, however, to explain generally how it happens that the same pendulum will swing through greater and smaller arcs of vibration in the same time. If it swing from A,148 the force of gravity at the commencement of its motion impels it with an effect depending on the obliquity of the lines O A and A V. If it commence its motion from a, the impelling effect from the force of gravity will be considerably less than at A; consequently, the pendulum begins to move at a slower rate, when it swings from a than when it moves from A: the greater magnitude of the swing is therefore compensated by the increased velocity, so that the greater and the smaller arcs of vibration are moved through in the same time.

(209.) To establish this property experimentally, it is only necessary to suspend a small ball of metal, or other heavy substance, by a flexible thread, and to put it in a state of vibration, the entire arc of vibration not exceeding 4° or 5°, the friction on the point of suspension and other causes will gradually diminish the arc of vibration, so that after the lapse of some hours it will be so small, that the motion will scarcely be discerned without microscopic aid. If the vibration of this pendulum be observed in reference to a correct timekeeper, at the commencement, at the middle, and towards the end of its motion, the rate will be found to suffer no sensible change.

This remarkable law of isochronism was one of the earliest discoveries of Galileo. It is said, that when very young, he observed a chandelier suspended from the roof of a church in Pisa swinging with a pendulous motion, and was struck with the uniformity of the rate even when the extent of the swing was subject to evident variation.

(210.) It has been stated in (117.) that the attraction of gravity affects all bodies equally, and moves them with the same velocity, whatever be the nature or quantity of the materials of which they are composed. Since it is the force of gravity which moves the pendulum, we should therefore expect that the circumstances of that motion should not be affected either by the quantity or quality of the pendulous body. And we find this, in fact, to be the case; for if small pieces of different heavy substances such as lead, brass, ivory, &c., be suspended by fine149 threads of equal length, they will vibrate in the same time, provided their weights bear a considerable proportion to the atmospherical resistance, or that they be suspended in vacuo.

(211.) Since the time of vibration of a pendulum, which oscillates in small arcs, depends neither on the magnitude of the arc of vibration nor on the quality or weight of the pendulous body, it will be necessary to explain the circumstances on which the variation of this time depends.

The first and most striking of these circumstances is the length of the suspending thread. The rudest experiments will demonstrate the fact, that every increase in the length of this thread will produce a corresponding increase in the time of vibration; but according to what law does this increase proceed? If the length of the thread be doubled or trebled, will the time of vibration also be increased in a double or treble proportion? This problem is capable of exact mathematical solution, and the result shows that the time of vibration increases not in the proportion of the increased length of the thread, but as the square root of that length; that is to say, if the length of the thread be increased in a four-fold proportion, the time of vibration will be augmented in a two-fold proportion. If the thread be increased to nine times its length, the time of vibration will be trebled, and so on. This relation is exactly the same as that which was proved to subsist between the spaces through which a body falls freely, and the times of fall. In the table, page 89, if the figures representing the height be understood to express the length of different pendulums, the figures immediately above them will express the corresponding times of vibration.

This law of the proportion of the lengths of pendulums to the squares of the time of vibration may be experimentally established in the following manner:—

Let A, B, C, fig. 74., be three small pieces of metal each attached by threads to two points of suspension, and let them be placed in the same vertical line under the150 point O; suppose them so adjusted that the distances O A, O B, and O C shall be in the proportion of the numbers 1, 4, and 9. Let them be removed from the vertical in a direction at right angles to the plane of the paper, so that the threads shall be in the same plane, and therefore the three pendulums will have the same angle of vibration. Being now liberated, the pendulum A will immediately gain upon B, and B upon C, so that A will have completed one vibration before B or C. At the end of the second vibration of A, the pendulum B will have arrived at the end of its first vibration, so that the suspending threads of A and B will then be separated by the whole angle of vibration; at the end of the fourth vibration of A the suspending threads of A and B will return to their first position, B having completed two vibrations; thus the proportion of the times of vibration of B and A will be 2 to 1, the proportion of their lengths being 4 to 1. At the end of the third vibration of A, C will have completed one vibration, and the suspending strings will coincide in the position distant by the whole angle of vibration from their first position. So that three vibrations of A are performed in the same time as one of C: the proportion of the time of vibration of C and A are, therefore, 3 to 1, the proportion of their lengths being 9 to 1, conformably to the law already explained.

(212.) In all the preceding observations we have assumed that the material of the pendulous body is of inconsiderable magnitude, its whole weight being conceived to be collected in a physical point. This is generally called a simple pendulum; but since the conditions of a suspending thread without weight, and a heavy molecule without magnitude, cannot have practical existence, the simple pendulum must be considered as imaginary, and merely used to establish hypothetical theorems, which, though inapplicable in practice, are nevertheless the means of investigating the laws which govern the real phenomena of pendulous bodies.

A pendulous body being of determinate magnitude, its several parts will be situated at different distances from151 the axis of suspension. If each component part of such a body were separately connected with the axis of suspension by a fine thread, it would, being unconnected with the other particles, be an independent simple pendulum, and would oscillate according to the laws already explained. It therefore follows that those particles of the body which are nearest to the axis of suspension would, if liberated from their connection with the others, vibrate more rapidly than those which are more remote. The connection, however, which the particles of the body have, by reason of their solidity, compels them all to vibrate in the same time. Consequently, those particles which are nearer the axis are retarded by the slower motion of those which are more remote; while the more remote particles, on the other hand, are urged forward by the greater tendency of the nearer particles to rapid vibration. This will be more readily comprehended, if we conceive two particles of matter A and B, fig. 75., to be connected with the same axis O by an inflexible wire O C, the weight of which may be neglected. If B were removed, A would vibrate in a certain time depending upon the distance O A. If A were removed, and B placed upon the wire at a distance B O equal to four times A O, B would vibrate in twice the former time. Now if both be placed on the wire at the distances just mentioned, the tendency of A to vibrate more rapidly will be transmitted to B by means of the wire, and will urge B forward more quickly than if A were not present: on the other hand, the tendency of B to vibrate more slowly will be transmitted by the wire to A, and will cause it to move more slowly than if B were not present. The inflexible quality of the connecting wire will in this case compel A and B to vibrate simultaneously, the time of vibration being greater than that of A, and less than that of B, if each vibrated unconnected with the other.

If, instead of supposing two particles of matter placed on the wire, a greater number were supposed to be placed at various distances from O, it is evident the same reasoning would be applicable. They would mu152tually affect each other’s motion; those placed nearest to point O accelerating the motion of those more remote, and being themselves retarded by the latter. Among these particles one would be found in which all these effects would be mutually neutralised, all the particles nearer O being retarded in reference to that motion which they would have if unconnected with the rest, and those more remote being in the same respect accelerated. The point at which such a particle is placed is called the centre of oscillation.

What has been here observed of the effects of particles of matter placed upon rigid wire will be equally applicable to the particles of a solid body. Those which are nearer to the axis are urged forward by those which are more remote, and are in their turn retarded by them; and as with the particles placed upon the wire, there is a certain particle of the body at which the effects are mutually neutralised, and which vibrates in the same time as it would if it were unconnected with the other parts of the body, and simply connected by a fine thread to the axis. By this centre of oscillation the calculations respecting the vibration of a solid body are rendered as simple as those of a molecule of inconsiderable magnitude. All the properties which have been explained as belonging to a simple pendulum may thus be transferred to a vibrating body of any magnitude and figure, by considering it as equivalent to a single particle of matter vibrating at its centre of oscillation.

(213.) It follows from this reasoning, that the virtual length of a pendulum is to be estimated by the distance of its centre of oscillation from the axis of suspension, and therefore that the times of vibration of different pendulums are in the same proportion as the square roots of the distances of their centres of oscillation from their axes.

The investigation of the position of the centre of oscillation is, in most cases, a subject of intricate mathematical calculation. It depends on the magnitude and figure of the pendulous body, the manner in which the153 mass is distributed through its volume, or the density of its several parts, and the position of the axis on which it swings.

The place of the centre of oscillation may be determined when the position of the centre of gravity and the centre of gyration are known; for the distance of the centre of oscillation from the axis will always be obtained by dividing the square of the radius of gyration (186.) by the distance of the centre of gravity from the axis. Thus if 6 be the radius of gyration, and 9 the distance of gravity from the axis, 36 divided by 9, which is 4, will be the distance of the centre of oscillation from the axis. Hence it may be inferred generally, that the greater the proportion which the radius of gyration bears to the distance of the centre of gravity from the axis, the greater will be the distance of the centre of oscillation.

It follows from this reasoning, that the length of a pendulum is not limited by the dimensions of its volume. If the axis be so placed that the centre of gravity is near it, and the centre of gyration comparatively removed from it, the centre of oscillation may be placed far beyond the limits of the pendulous body. Suppose the centre of gravity is at a distance of one inch from the axis, and the centre of gyration 12 inches, the centre of oscillation will then be at the distance of 144 inches, or 12 feet. Such a pendulum may not in its greatest dimensions exceed one foot, and yet its time of vibration would be equal to that of a simple pendulum whose length is 12 feet.

By these means pendulums of small dimensions may be made to vibrate as slowly as may be desired. The instruments called metronomes, used for marking the time of musical performances, are constructed on this principle.

(214.) The centre of oscillation is distinguished by a very remarkable property in relation to the axis of suspension. If A, fig. 76., be the point of suspension, and O the corresponding centre of oscillation, the time154 of vibration of the pendulum will not be changed if it be raised from its support, inverted, and suspended from the point O. It follows, therefore, that if O be taken as the point of suspension, A will be the corresponding centre of oscillation. These two points are, therefore, convertible. This property may be verified experimentally in the following manner. A pendulum being put into a state of vibration, let a small heavy body be suspended by a fine thread, the length of which is so adjusted that it vibrates simultaneously with the pendulum. Let the distance from the point of suspension to the centre of the vibrating body be measured, and take this distance on the pendulum from the axis of suspension downwards; the place of the centre of oscillation will thus be obtained, since the distance so measured from the axis is the length of the equivalent simple pendulum. If the pendulum be now raised from its support, inverted, and suspended from the centre of oscillation thus obtained, it will be found to vibrate simultaneously with the body suspended by the thread.

(215.) This property of the interchangeable nature of the centres of oscillation and suspension has been, at a late period, adopted by Captain Kater, as an accurate means of determining the length of a pendulum. Having ascertained with great accuracy two points of suspension at which the same body will vibrate in the same time, the distance between these points being accurately measured, is the length of the equivalent simple pendulum. See Chapter XXI.

(216.) The manner in which the time of vibration of a pendulum depends on its length being explained, we are next to consider how this time is affected by the attraction of gravity. It is obvious that, since the pendulum is moved by this attraction, the rapidity of its motion will be increased, if the impelling force receive any augmentation; but it still is to be decided, in what exact proportion the time of oscillation will be diminished by any proposed increase in the intensity of the earth’s attraction. It can be demonstrated mathema155tically, that the time of one vibration of a pendulum has the same proportion to the time of falling freely in the perpendicular direction, through a height equal to half the length of the pendulum, as the circumference of a circle has to its diameter. Since, therefore, the times of vibration of pendulums are in a fixed proportion to the times of falling freely through spaces equal to the halves of their lengths, it follows that these times have the same relation to the force of attraction as the times of falling freely through their lengths have to that force. If the intensity of the force of gravity were increased in a four-fold proportion, the time of falling through a given height would be diminished in a two-fold proportion; if the intensity were increased to a nine-fold proportion, the time of falling through a given space would be diminished in a three-fold proportion, and so on; the rate of diminution of the time being always as the square root of the increased force. By what has been just stated this law will also be applicable to the vibration of pendulums. Any increase in the intensity of the force of gravity would cause a given pendulum to vibrate more rapidly, and the increased rapidity of the vibration would be in the same proportion as the square root of the increased intensity of the force of gravity.

(217.) The laws which regulate the times of vibration of pendulums in relation to one another being well understood, the whole theory of these instruments will be completed, when the method of ascertaining the actual time of vibration of any pendulum, in reference to its length, has been explained. In such an investigation, the two elements to be determined are, 1. the exact time of a single vibration, and, 2. the exact distance of the centre of oscillation from the point of suspension.

The former is ascertained by putting a pendulum in motion in the presence of a good chronometer, and observing precisely the number of oscillations which are made in any proposed number of hours. The entire time during which the pendulum swings, being divided156 by the number of oscillations made during that time, the exact time of one oscillation will be obtained.

The distance of the centre of oscillation from the point of suspension may be rendered a matter of easy calculation, by giving a certain uniform figure and material to the pendulous body.

(218.) The time of vibration of one pendulum of known length being thus obtained, we shall be enabled immediately to solve either of the following problems.

“To find the length of a pendulum which shall vibrate in a given time.”

“To find the time of vibration of a pendulum of a given length.”

The former is solved as follows: the time of vibration of the known pendulum is to the time of vibration of the required pendulum, as the square root of the length of the known pendulum is to the square root of the length of the required pendulum. This length is therefore found by the ordinary rules of arithmetic.

The latter may be solved as follows: the length of the known pendulum is to the length of the proposed pendulum, as the square of the time of vibration of the known pendulum is to the square of the time of vibration of the proposed pendulum. The latter time may therefore be found by arithmetic.

(219.) Since the rate of a pendulum has a known relation to the intensity of the earth’s attraction, we are enabled, by this instrument, not only to detect certain variations in that attraction in various parts of the earth, but also to discover the actual amount of the attraction at any given place.

The actual amount of the earth’s attraction at any given place is estimated by the height through which a body would fall freely at that place in any given time, as in one second. To determine this, let the length of a pendulum which would vibrate in one second at that place be found. As the circumference of a circle is to its diameter2 (a known proportion), so will one second be to the time of falling through a height equal to157 half the length of this pendulum. This time is therefore a matter of arithmetical calculation. It has been proved in (120.), that the heights, through which a body falls freely, are in the same proportion as the squares of the times; from whence it follows, that the square of the time of falling through a height equal to half the length of the pendulum is to one second as half the length of that pendulum is to the height through which a body would fall in one second. This height, therefore, may be immediately computed, and thus the actual amount of the force of gravity at any given place may be ascertained.

(220.) To compare the force of gravity in different parts of the earth, it is only necessary to swing the same pendulum in the places under consideration, and to observe the rapidity of its vibrations. The proportion of the force of gravity in the several places will be that of the squares of the velocity of the vibration. Observations to this effect have been made at several places, by Biot, Kater, Sabine, and others.

The earth being a mass of matter of a form nearly spherical, revolving with considerable velocity on an axis, its component parts are affected by a centrifugal force; in virtue of which, they have a tendency to fly off in a direction perpendicular to the axis. This tendency increases in the same proportion as the distance of any part from the axis increases, and consequently those parts of the earth which are near the equator, are more strongly affected by this influence than those near the pole. It has been already explained (145.) that the figure of the earth is affected by this cause, and that it has acquired a spheroidal form. The centrifugal force, acting in opposition to the earth’s attraction, diminishes its effects; and consequently, where this force is more efficient, a pendulum will vibrate more slowly. By these means the rate of vibration of a pendulum becomes an indication of the amount of the centrifugal force. But this latter varies in proportion to the distance of the place from the earth’s axis; and thus the rate of a158 pendulum indicates the relation of the distances of different parts of the earth’s surface from its axis. The figure of the earth may be thus ascertained, and that which theory assigns to it, it may be practically proved to have.

This, however, is not the only method by which the figure of the earth may be determined. The meridians being sections of the earth through its axis, if their figure were exactly determined, that of the earth would be known. Measurements of arcs of meridians on a large scale have been executed, and are still being made in various parts of the earth, with a view to determine the curvature of a meridian at different latitudes. This method is independent of every hypothesis concerning the density and internal structure of the earth, and is considered by some to be susceptible of more accuracy than that which depends on the observations of pendulums.

(221.) It has been stated that, when the arc of vibration of a pendulum is not very small, a variation in its length will produce a sensible effect on the time of vibration. To construct a pendulum such that the time of vibration may be independent of the extent of the swing, was a favourite speculation of geometers. This problem was solved by Huygens, who showed that the curve called a cycloid, previously discovered and described by Galileo, possessed the isochronal property; that is, that a body moving in it by the force of gravity, would vibrate in the same time, whatever be the length of the arc described.

Let O A, fig. 77., be a horizontal line, and let O B be a circle placed below this line, and in contact with it. If this circle be rolled upon the line from O towards A, a point upon its circumference, which at the beginning of the motion is placed at O, will during the motion trace the curve O C A. This curve is called a cycloid. If the circle be supposed to roll in the opposite direction towards A′, the same point will trace another cycloid O C′ A′. The points C and C′ being the lowest points of the curves, if the perpendiculars C D and C′ D′ be159 drawn, they will respectively be equal to the diameter of the circle. By a known property of this curve, the arcs O C and O C′ are equal to twice the diameter of the circle. From the point O suppose a flexible thread to be suspended, whose length is twice the diameter of the circle, and which sustains a pendulous body P at its extremity. If the curves O C and O C′, from the plane of the paper, be raised so as to form surfaces to which the thread may be applied, the extremity P will extend to the points C and C′, when the entire thread has been applied to either of the curves. As the thread is deflected on either side of its vertical position, it is applied to a greater or lesser portion of either curve, according to the quantity of its deflection from the vertical. If it be deflected on each side until the point P reaches the points C and C′, the extremity would trace a cycloid C P C′ precisely equal and similar to those already mentioned. Availing himself of this property of the curve, Huygens constructed his cycloidal pendulum. The time of vibration was subject to no variation, however the arc of vibration might change, provided only that the length of the string O P continued the same. If small arcs of the cycloid be taken on either side of the point P, they will not sensibly differ from arcs of a circle described with the centre O and the radius O P; for, in slight deflections from the vertical position, the effect of the curves O C and O C′ on the thread O P is altogether inconsiderable. It is for this reason that when the arcs of vibration of a circular pendulum are small, they partake of the property of isochronism peculiar to those of a cycloid. But when the deflection of P from the vertical is great, the effect of the curves O C and O C′ on the thread produces a considerable deviation of the point P from the arc of the circle whose centre is O and whose radius is O P, and consequently the property of isochronism will no longer be observed in the circular pendulum.


160

CHAP. XII.
OF SIMPLE MACHINES.

(222.) A MACHINE is an instrument by which force or motion may be transmitted and modified as to its quantity and direction. There are two ways in which a machine may be applied, and which give rise to a division of mechanical science into parts denominated STATICS and DYNAMICS; the one including the theory of equilibrium, and the other the theory of motion. When a machine is considered statically, it is viewed as an instrument by which forces of determinate quantities and direction are made to balance other forces of other quantities and other directions. If it be viewed dynamically, it is considered as a means by which certain motions of determinate quantity and direction may be made to produce other motions in other directions and quantities. It will not be convenient, however, in the present treatise, to follow this division of the subject. We shall, on the other hand, as hitherto, consider the phenomena of equilibrium and motion together.

The effects of machinery are too frequently described in such a manner as to invest them with the appearance of paradox, and to excite astonishment at what appears to contradict the results of the most common experience. It will be our object here to take a different course, and to attempt to show that those effects which have been held up as matters of astonishment are the necessary, natural, and obvious results of causes adapted to produce them in a manner analogous to the objects of most familiar experience.

(223.) In the application of a machine there are three things to be considered. 1. The force or resistance which is required to be sustained, opposed, or overcome. 2. The force which is used to sustain, support, or overcome that resistance. 3. The machine itself by which the161 effect of this latter force is transmitted to the former. Of whatever nature be the force or the resistance which is to be sustained or overcome, it is technically called the weight, since, whatever it be, a weight of equivalent effect may always be found. The force which is employed to sustain or overcome it is technically called the power.

(224.) In expressing the effect of machinery it is usual to say that the power sustains the weight; but this, in fact, is not the case, and hence arises that appearance of paradox which has already been alluded to. If, for example, it is said that a power of one ounce sustains the weight of one ton, astonishment is not unnaturally excited, because the fact, as thus stated, if the terms be literally interpreted, is physically impossible. No power less than a ton can, in the ordinary acceptation of the word, support the weight of a ton. It will, however, be asked how it happens that a machine appears to do this? how it happens that by holding a silken thread, which an ounce weight would snap, many hundred weight may be sustained? To explain this it will only be necessary to consider the effect of a machine, when the power and weight are in equilibrium.

(225.) In every machine there are some fixed points or props; and the arrangement of the parts is always such, that the pressure, excited by the power or weight, or both, is distributed among these props. If the weight amount to twenty hundred, it is possible so to distribute it, that any proportion, however great, of it may be thrown on the fixed points or props of the machine; the remaining part only can properly be said to be supported by the power, and this part can never be greater than the power. Considering the effect in this way, it appears that the power supports just so much of the weight and no more as is equal to its own force, and that all the remaining part of the weight is sustained by the machine. The force of these observations will be more apparent when the nature and properties of the mechanic powers and other machines have been explained.

(226.) When a machine is considered dynamically,162 its effects are explained on different principles. It is true that, in this case, a very small power may elevate a very great weight; but nevertheless, in so doing, whatever be the machine used, the total expenditure of power, in raising the weight through any height, is never less than that which would be expended if the power were immediately applied to the weight without the intervention of any machine. This circumstance arises from an universal property of machines by which the velocity of the weight is always less than that of the power, in exactly the same proportion as the power itself is less than the weight; so that when a certain power is applied to elevate a weight, the rate at which the elevation is effected is always slow in the same proportion as the weight is great. From a due consideration of this remarkable law, it will easily be understood, that a machine can never diminish the total expenditure of power necessary to raise any weight or to overcome any resistance. In such cases, all that a machine ever does or ever can do, is to enable the power to be expended at a slow rate, and in a more advantageous direction than if it were immediately applied to the weight or the resistance.

Let us suppose that P is a power amounting to an ounce, and that W is a weight amounting to 50 ounces, and that P elevates W by means of a machine. In virtue of the property already stated, it follows, that while P moves through 50 feet, W will be moved through 1 foot; but in moving P through 50 feet, 50 distinct efforts are made, by each of which 1 ounce is moved through 1 foot, and by which collectively 50 distinct ounces might be successively raised through 1 foot. But the weight W is 50 ounces, and has been raised through 1 foot; from whence it appears, that the expenditure of power is equal to that which would be necessary to raise the weight without the intervention of any machine.

This important principle may be presented under another aspect, which will perhaps render it more apparent. Suppose the weight W were actually divided into 50 equal parts, or suppose it were a vessel of liquid163 weighing 50 ounces, and containing 50 equal measures; if these 50 measures were successively lifted through a height of 1 foot; the efforts necessary to accomplish this would be the same as those used to move the power P through 50 feet, and it is obvious, that the total expenditure of force would be the same as that which would be necessary to lift the entire contents of the vessel through 1 foot.

When the nature and properties of the mechanic powers and other machines have been explained, the force of these observations will be more distinctly perceived. The effects of props and fixed points in sustaining a part of the weight, and sometimes the whole, both of the weight and power, will then be manifest, and every machine will furnish a verification of the remarkable proportion between the velocities of the weight and power, which has enabled us to explain what might otherwise be paradoxical and difficult of comprehension.

(227.) The most simple species of machines are those which are commonly denominated the MECHANIC POWERS. These have been differently enumerated by different writers. If, however, the object be to arrange in distinct classes, and in the smallest possible number of them, those machines which are alike in principle, the mechanic powers may be reduced to three.

1. The lever.
2. The cord.
3. The inclined plane.

To one or other of these classes all simple machines whatever may be reduced, and all complex machines may be resolved into simple elements which come under them.

(228.) The first class includes every machine which is composed of a solid body revolving on a fixed axis, although the name lever has been commonly confined to cases where the machine affects certain particular forms. This is by far the most useful class of machines, and will require in subsequent chapters very detailed development.164 The general principle, upon which equilibrium is established between the power and weight in machines of this class has been already explained in (183.) The power and weight are always supposed to be applied in directions at right angles to the axis. If lines be drawn from the axis perpendicular to the directions of power and weight, equilibrium will subsist, provided the power multiplied by the perpendicular distance of its direction from the axis, be equal to the weight multiplied by the perpendicular distance of its direction from the axis. This is a principle to which we shall have occasion to refer in explaining the various machines of this class.

(229.) If the moment of the power (184.) be greater than that of the weight, the effect of the power will prevail over that of the weight, and elevate it; but if, on the other hand, the moment of the power be less than that of the weight, the power will be insufficient to support the weight, and will allow it to fall.

(230.) The second class of simple machines includes all those cases in which force is transmitted by means of flexible threads, ropes, or chains. The principle, by which the effects of these machines are estimated, is, that the tension throughout the whole length of the same cord, provided it be perfectly flexible, and free from the effects of friction, must be the same. Thus, if a force acting at one end be balanced by a force acting at the other end, however the cord may be bent, or whatever course it may be compelled to take, by any causes which may affect it between its ends, these forces must be equal, provided the cord be free to move over any obstacles which may deflect it.

Within this class of machines are included all the various forms of pulleys.

(231.) The third class of simple machines includes all those cases in which the weight or resistance is supported or moved on a hard surface inclined to the vertical direction.

The effects of such machines are estimated by resolving the whole weight of the body into two elements by the parallelogram of forces. One of these elements is perpen165dicular to the surface, and supported by its resistance; the other is parallel to the surface, and supported by the power. The proportion, therefore, of the power to the weight will always depend on the obliquity of the surface to the direction of the weight. This will be easily understood by referring to what has been already explained in Chapter VIII.

Under this class of machines come the inclined plane, commonly so called, the wedge, the screw, and various others.

(232.) In order to simplify the development of the elementary theory of machines, it is expedient to omit the consideration of many circumstances, of which, however, a strict account must be taken before any practically useful application of that theory can be attempted. A machine, as we must for the present contemplate it, is a thing which can have no real or practical existence. Its various parts are considered to be free from friction: all surfaces which move in contact are supposed to be infinitely smooth and polished. The solid parts are conceived to be absolutely inflexible. The weight and inertia of the machine itself are wholly neglected, and we reason upon it as if it were divested of these qualities. Cords and ropes are supposed to have no stiffness, to be infinitely flexible. The machine, when it moves, is supposed to suffer no resistance from the atmosphere, and to be in all respects circumstanced as if it were in vacuo.

It is scarcely necessary to state, that, all these suppositions being false, none of the consequences deduced from them can be true. Nevertheless, as it is the business of art to bring machines as near to this state of ideal perfection as possible, the conclusions which are thus obtained, though false in a strict sense, yet deviate from the truth in but a small degree. Like the first outline of a picture, they resemble in their general features that truth to which, after many subsequent corrections, they must finally approximate.

After a first approximation has been made on the several false suppositions which have been mentioned,166 various effects, which have been previously neglected, are successively taken into account. Roughness, rigidity, imperfect flexibility, the resistance of air and other fluids, the effects of the weight and inertia of the machine, are severally examined, and their laws and properties detected. The modifications and corrections, thus suggested as necessary to be introduced into our former conclusions, are applied, and a second approximation, but still only an approximation, to truth is made. For, in investigating the laws which regulate the several effects just mentioned, we are compelled to proceed upon a new group of false suppositions. To determine the laws which regulate the friction of surfaces, it is necessary to assume that every part of the surfaces of contact are uniformly rough; that the solid parts which are imperfectly rigid, and the cords which are imperfectly flexible, are constituted throughout their entire dimensions of a uniform material; so that the imperfection does not prevail more in one part than another. Thus, all irregularity is left out of account, and a general average of the effects taken. It is obvious, therefore, that by these means we have still failed in obtaining a result exactly conformable to the real state of things; but it is equally obvious, that we have obtained one much more conformable to that state than had been previously accomplished, and sufficiently near it for most practical purposes.

This apparent imperfection in our instruments and powers of investigation is not peculiar to mechanics: it pervades all departments of natural science. In astronomy, the motions of the celestial bodies, and their various changes and appearances as developed by theory, assisted by observation and experience, are only approximations to the real motions and appearances which take place in nature. It is true that these approximations are susceptible of almost unlimited accuracy; but still they are, and ever will continue to be, only approximations. Optics and all other branches of natural science are liable to the same observations.


167

CHAP. XIII.
OF THE LEVER.

(233.) An inflexible, straight bar, turning on an axis, is commonly called a lever. The arms of the lever are those parts of the bar which extend on each side of the axis.

The axis is called the fulcrum or prop.

(234.) Levers are commonly divided into three kinds, according to the relative positions of the power, the weight, and the fulcrum.

In a lever of the first kind, as in fig. 78., the fulcrum is between the power and weight.

In a lever of the second kind, as in fig. 79., the weight is between the fulcrum and power.

In a lever of the third kind, as in fig. 80., the power is between the fulcrum and weight.

(235.) In all these cases, the power will sustain the weight in equilibrium, provided its moment be equal to that of the weight. (184.) But the moment of the power is, in this case, equal to the product obtained by multiplying the power by its distance from the fulcrum; and the moment of the weight by multiplying the weight by its distance from the fulcrum. Thus, if the number of ounces in P, being multiplied by the number of inches in P F, be equal to the number of ounces in W, multiplied by the number of inches in W F, equilibrium will be established. It is evident from this, that as the distance of the power from the fulcrum increases in comparison to the distance of the weight from the fulcrum, in the same degree exactly will the proportion of the power to the weight diminish. In other words, the proportion of the power to the weight will be always the same as that of their distances from the fulcrum taken in a reverse order.

In cases where a small power is required to sustain or168 elevate a great weight, it will therefore be necessary either to remove the power to a great distance from the fulcrum, or to bring the weight very near it.

(236.) Numerous examples of levers of the first kind may be given. A crow-bar, applied to elevate a stone or other weight, is an instance. The fulcrum is another stone placed near that which is to be raised, and the power is the hand placed at the other end of the bar.

A handspike is a similar example.

A poker applied to raise fuel is a lever of the first kind, the fulcrum being the bar of the grate.

Scissors, shears, nippers, pincers, and other similar instruments are composed of two levers of the first kind; the fulcrum being the joint or pivot, and the weight the resistance of the substance to be cut or seized; the power being the fingers applied at the other end of the levers.

The brake of a pump is a lever of the first kind; the pump-rods and piston being the weight to be raised.

(237.) Examples of levers of the second kind, though not so frequent as those just mentioned, are not uncommon.

An oar is a lever of the second kind. The reaction of the water against the blade is the fulcrum. The boat is the weight, and the hand of the boatman the power.

The rudder of a ship or boat is an example of this kind of lever, and explained in a similar way.

The chipping knife is a lever of the second kind. The end attached to the bench is the fulcrum, and the weight the resistance of the substance to be cut, placed beneath it.

A door moved upon its hinges is another example.

Nut-crackers are two levers of the second kind; the hinge which unites them being the fulcrum, the resistance of the shell placed between them being the weight, and the hand applied to the extremity being the power.

169

A wheelbarrow is a lever of the second kind; the fulcrum being the point at which the wheel presses on the ground, and the weight being that of the barrow and its load, collected at their centre of gravity.

The same observation may be applied to all two-wheeled carriages, which are partly sustained by the animal which draws them.

(238.) In a lever of the third kind, the weight, being more distant from the fulcrum than the power, must be proportionably less than it. In this instrument, therefore, the power acts upon the weight to a mechanical disadvantage, inasmuch as a greater power is necessary to support or move the weight than would be required if the power were immediately applied to the weight, without the intervention of a machine. We shall, however, hereafter show that the advantage which is lost in force is gained in despatch, and that in proportion as the weight is less than the power which moves it, so will the speed of its motion be greater than that of the power.

Hence a lever of the third kind is only used in cases where the exertion of great power is a consideration subordinate to those of rapidity and despatch.

The most striking example of levers of the third kind is found in the animal economy. The limbs of animals are generally levers of this description. The socket of the bone is the fulcrum; a strong muscle attached to the bone near the socket is the power; and the weight of the limb, together with whatever resistance is opposed to its motion, is the weight. A slight contraction of the muscle in this case gives a considerable motion to the limb: this effect is particularly conspicuous in the motion of the arms and legs in the human body; a very inconsiderable contraction of the muscles at the shoulders and hips giving the sweep to the limbs from which the body derives so much activity.

The treddle of the turning lathe is a lever of the third kind. The hinge which attaches it to the floor is170 the fulcrum, the foot applied to it near the hinge is the power, and the crank upon the axis of the fly-wheel, with which its extremity is connected, is the weight.

Tongs are levers of this kind, as also the shears used in shearing sheep. In these cases the power is the hand placed immediately below the fulcrum or point where the two levers are connected.

(239.) When the power is said to support the weight by means of a lever or any other machine, it is only meant that the power keeps the machine in equilibrium, and thereby enables it to sustain the weight. It is necessary to attend to this distinction, to remove the difficulty which may arise from the paradox of a small power sustaining a great weight.

In a lever of the first kind, the fulcrum F, fig. 78., or axis, sustains the united forces of the power and weight.

In a lever of the second kind, if the power be supposed to act over a wheel R, fig. 79., the fulcrum F sustains a pressure equal to the difference between the power and weight, and the axis of the wheel R sustains a pressure equal to twice the power; so that the total pressures on F and R are equivalent to the united forces of the power and weight.

In a lever of the third kind similar observations are applicable. The wheel R, fig. 80., sustains a pressure equal to twice the power, and the fulcrum F sustains a pressure equal to the difference between the power and weight.

These facts may be experimentally established by attaching a string to the lever immediately over the fulcrum, and suspending the lever by that string from the arm of a balance. The counterpoising weight, when the fulcrum is removed, will, in the first case, be equal to the sum of the weight and power, and in the last two cases equal to their difference.

(240.) We have hitherto omitted the consideration of the effect of the weight of the lever itself. If the centre of gravity of the lever be in the vertical line171 through the axis, the weight of the instrument will have no other effect than to increase the pressure on the axis by its own amount. But if the centre of gravity be on the same side of the axis with the weight, as at G, it will oppose the effect of the power, a certain part of which must therefore be allowed to support it. To ascertain what part of the power is thus expended, it is to be considered that the moment of the weight of the lever collected at G, is found by multiplying that weight by the distance G F. The moment of that part of the power which supports this must be equal to it; therefore, it is only necessary to find how much of the power multiplied by P F will be equal to the weight of the lever multiplied by G F. This is a question in common arithmetic.

If the centre of gravity of the lever be at a different side of the axis from the weight, as at G′, the weight of the instrument will co-operate with the power in sustaining the weight W. To determine what portion of the weight W is thus sustained by the weight of the lever, it is only necessary to find how much of W, multiplied by the distance W F, is equal to the weight of the lever multiplied by G′ F.

In these cases the pressure on the fulcrum, as already estimated, will always be increased by the weight of the lever.

(241.) The sense in which a small power is said to sustain a great weight, and the manner of accomplishing this, being explained, we shall now consider how the power is applied in moving the weight. Let P W, fig. 81., be the places of the power and weight, and F that of the fulcrum, and let the power be depressed to P′ while the weight is raised to W′. The space P P′ evidently bears the same proportion to W W′, as the arm P F to W F. Thus if P F be ten times W F, P P′ will be ten times W W′. A power of one pound at P being moved from P to P′, will carry a weight of ten pounds from W to W′. But in this case it ought not to be said, that a lesser weight moves a greater, for it is172 not difficult to show, that the total expenditure of force in the motion of one pound from P to P′ is exactly the same as in the motion of ten pounds from W to W′. If the space P P′ be ten inches, the space W W′ will be one inch. A weight of one pound is therefore moved through ten successive inches, and in each inch the force expended is that which would be sufficient to move one pound through one inch. The total expenditure of force from P to P′ is ten times the force necessary to move one pound through one inch, or what is the same, it is that which would be necessary to move ten pounds through one inch. But this is exactly what is accomplished by the opposite end W of the lever; for the weight W is ten pounds, and the space W W′ is one inch.

If the weight W of ten pounds could be conveniently divided into ten equal parts of one pound each, each part might be separately raised through one inch, without the intervention of the lever or any other machine. In this case, the same quantity of power would be expended, and expended in the same manner as in the case just mentioned.

It is evident, therefore, that when a machine is applied to raise a weight or to overcome resistance, as much force must be really used as if the power were immediately applied to the weight or resistance. All that is accomplished by the machine is to enable the power to do that by a succession of distinct efforts which should be otherwise performed by a single effort. These observations will be found to be applicable to all machines whatever.

(242.) Weighing machines of almost every kind, whether used for commercial or philosophical purposes, are varieties of the lever. The common balance, which, of all weighing machines, is the most perfect and best adapted for ordinary use, whether in commerce or experimental philosophy, is a lever with equal arms. In the steel-yard one weight serves as a counterpoise and measure of others of different amount, by receiving a leverage173 variable according to the varying amount of the weight against which it acts. A detailed account of such instruments will be found in Chapter XXI.

(243.) We have hitherto considered the power and weight as acting on the lever, in directions perpendicular to its length and parallel to each other. This does not always happen. Let A B, fig. 83., be a lever whose fulcrum is F, and let A R be the direction of the power, and B S the direction of the weight. If the lines R A and S B be continued, and perpendiculars F C and F D drawn from the fulcrum to those lines, the moment of the power will be found by multiplying the power by the line F C, and the moment of the weight by multiplying the weight by F D. If these moments be equal, the power will sustain the weight in equilibrium. (185).

It is evident, that the same reasoning will be applicable when the arms of the lever are not in the same direction. These arms may be of any figure or shape, and may be placed relatively to each other in any position.

(244.) In the rectangular lever the arms are perpendicular to each other, and the fulcrum F, fig. 84., is at the right angle. The moment of the power, in this case, is P multiplied by A F, and that of the weight W multiplied by B F. When the instrument is in equilibrium these moments must be equal.

When the hammer is used for drawing a nail, it is a lever of this kind: the claw of the hammer is the shorter arm; the resistance of the nail is the weight; and the hand applied to the handle the power.

(245.) When a beam rests on two props A B, fig. 85., and supports, at some intermediate place C, a weight W, this weight is distributed between the props in a manner which may be determined by the principles already explained. If the pressure on the prop B be considered as a power sustaining the weight W, by means of the lever of the second kind B A, then this power multiplied by B A must be equal to the weight multiplied by C A. Hence the pressure on B will be the same fraction of the174 weight as the part A C is of A B. In the same manner it may be proved, that the pressure on A is the same fraction of the weight as B C is of B A. Thus, if A C be one third, and therefore B C two thirds of B A, the pressure on B will be one third of the weight, and the pressure on A two thirds of the weight.

It follows from this reasoning, that if the weight be in the middle, equally distant from B and A, each prop will sustain half the weight. The effect of the weight of the beam itself may be determined by considering it to be collected at its centre of gravity. If this point, therefore, be equally distant from the props, the weight of the beam will be equally distributed between them.

According to these principles, the manner in which a load borne on poles between two bearers is distributed between them may be ascertained. As the efforts of the bearers and the direction of the weight are always parallel; the position of the poles relatively to the horizon makes no difference in the distribution of the weights between the bearers. Whether they ascend or descend, or move on a level plane, the weight will be similarly shared between them.

If the beam extend beyond the prop, as in fig. 86., and the weight be suspended at a point not placed between them, the props must be applied at different sides of the beam. The pressures which they sustain may be calculated in the same manner as in the former case. The pressure of the prop B may be considered as a power sustaining the weight W by means of the lever B C. Hence, the pressure of B, multiplied by B A, must be equal to the weight W multiplied by A C. Therefore, the pressure on B bears the same proportion to the weight as A C does to A B. In the same manner, considering B as a fulcrum, and the pressure of the prop A as the power, it may be proved that the pressure of A bears the same proportion to the weight as the line B C does to A B. It therefore appears, that the pressure on the prop A is greater than the weight.

(246.) When great power is required, and it is inconve175nient to construct a long lever, a combination of levers may be used. In fig. 87. such a system of levers is represented, consisting of three levers of the first kind. The manner in which the effect of the power is transmitted to the weight may be investigated by considering the effect of each lever successively. The power at P produces an upward force at P′, which bears to P the same proportion as P′ F to P F. Therefore, the effect at P′ is as many times the power as the line P F is of P′ F. Thus, if P F be ten times P′ F, the upward force at P′ is ten times the power. The arm P′ F′ of the second lever is pressed upwards by a force equal to ten times the power at P. In the same manner this may be shown to produce an effect at P″ as many times greater than P′ as P′ F′ is greater than P″ F′. Thus, if P′ F′ be twelve times P″ F′, the effect at P″ will be twelve times that of P′. But this last was ten times the power, and therefore the P″ will be one hundred and twenty times the power. In the same manner it may be shown that the weight is as many times greater than the effect at P″ as P″ F″ is greater than W F″. If P″ F″ be five times W F″, the weight will be five times the effect at P″. But this effect is one hundred and twenty times the power, and therefore the weight would be six hundred times the power.

In the same manner the effect of any compound system of levers may be ascertained by taking the proportion of the weight to the power in each lever separately, and multiplying these numbers together. In the example given, these proportions are 10, 12, and 5, which multiplied together give 600. In fig. 87. the levers composing the system are of the first kind; but the principles of the calculation will not be altered if they be of the second or third kind, or some of one kind and some of another.

(247.) That number which expresses the proportion of the weight to the equilibrating power in any machine, we shall call the power of the machine. Thus, if, in a lever, a power of one pound support a weight of ten176 pounds, the power of the machine is ten. If a power of 2lbs. support a weight of 11lbs., the power of the machine is 51/2, 2 being contained in 11 51/2 times.

(248.) As the distances of the power and weight from the fulcrum of a lever may be varied at pleasure, and any assigned proportion given to them, a lever may always be conceived having a power equal to that of any given machine. Such a lever may be called, in relation to that machine, the equivalent lever.

As every complex machine consists of a number of simple machines acting one upon another, and as each simple machine may be represented by an equivalent lever, the complex machine will be represented by a compound system of equivalent levers. From what has been proved in (246.), it therefore follows that the power of a complex machine may be calculated by multiplying together the powers of the several simple machines of which it is composed.


CHAP. XIV.
OF WHEEL-WORK.

(249.) When a lever is applied to raise a weight, or overcome a resistance, the space through which it acts at any one time is small, and the work must be accomplished by a succession of short and intermitting efforts. In fig. 81., after the weight has been raised from W to W′, the lever must again return to its first position, to repeat the action. During this return the motion of the weight is suspended, and it will fall downwards unless some provision be made to sustain it. The common lever is, therefore, only used in cases where weights are required to be raised through small spaces, and under these circumstances its great simplicity strongly recommends it. But where a continuous motion is to be produced, as in raising ore from the mine, or in weighing the anchor of a vessel, some contrivance must be adopted to remove177 the intermitting action of the lever, and render it continual. The various forms given to the lever, with a view to accomplish this, are generally denominated the wheel and axle.

H. Adlard, sc.

London, Pubd. by Longman & Co.

In fig. 88., A B is a horizontal axle, which rests in pivots at its extremities, or is supported in gudgeons, and capable of revolving. Round this axis a rope is coiled, which sustains the weight W. On the same axis a wheel C is fixed, round which a rope is coiled in a contrary direction, to which is appended the power P. The moment of the power is found by multiplying it by the radius of a wheel, and the moment of the weight, by multiplying it by the radius of its axle. If these moments be equal (185.), the machine will be in equilibrium. Whence it appears that the power of the machine (247.) is expressed by the proportion which the radius of the wheel bears to the radius of the axle; or, what is the same, of the diameter of the wheel to the diameter of the axle. This principle is applicable to the wheel and axle in every variety of form under which it can be presented.

(250.) It is evident that as the power descends continually, and the rope is uncoiled from the wheel, the weight will be raised continually, the rope by which it is suspended being at the same time coiled upon the axle.

When the machine is in equilibrium, the forces of both the weight and power are sustained by the axle, and distributed between its props, in the manner explained in (245.)

When the machine is applied to raise a weight, the velocity with which the power moves is as many times greater than that with which the weight rises, as the weight itself is greater than the power. This is a principle which has already been noticed, and which is common to all machines whatsoever. It may hence be proved, that in the elevation of the weight a quantity of power is expended equal to that which would be necessary to elevate the weight if the power were immediately applied to it, without the intervention of any machine. This has been explained in the case of the lever in (241.),178 and may be explained in the present instance in nearly the same words.

In one revolution of the machine the length of rope uncoiled from the wheel is equal to the circumference of the wheel, and through this space the power must therefore move. At the same time the length of rope coiled upon the axle is equal to the circumference of the axle, and through this space the weight must be raised. The spaces, therefore, through which the power and weight move in the same time, are in the proportion of the circumferences of the wheel and axle; but these circumferences are in the same proportion as their diameters. Therefore the velocity of the power will bear to the velocity of the weight the same proportion as the diameter of the wheel bears to the diameter of the axle, or, what is the same, as the weight bears to the power (249).

(251.) We have here omitted the consideration of the thickness of the rope. When this is considered, the force must be conceived as acting in the direction of the centre of the rope, and therefore the thickness of the rope which supports the power ought to be added to the diameter of the wheel, and the thickness of the rope which supports the weight to the diameter of the axle. It is the more necessary to attend to this circumstance, as the strength of the rope necessary to support the weight causes its thickness to bear a considerable proportion to the diameter of the axle; while the rope which sustains the power not requiring the same strength, and being applied to a larger circle, bears a very inconsiderable proportion to its diameter.

(252.) In numerous forms of the wheel and axle, the weight or resistance is applied by a rope coiled upon the axle; but the manner in which the power is applied is very various, and not often by means of a rope. The circumference of a wheel sometimes carries projecting pins, as represented in fig. 88., to which the hand is applied to turn the machine. An instance of this occurs in the wheel used in the steerage of a vessel.

In the common windlass, the power is applied by179 means of a winch, which is a rectangular lever, as represented in fig. 89. The arm B C of the winch represents the radius of the wheel, and the power is applied to C D at right angles to B C.

In some cases no wheel is attached to the axle; but it is pierced with holes directed towards its centre, in which long levers are incessantly inserted, and a continuous action produced by several men working at the same time; so that while some are transferring the levers from hole to hole, others are working the windlass.

The axle is sometimes placed in a vertical position, the wheel or levers being moved horizontally. The capstan is an example of this: a vertical axis is fixed in the deck of the ship; the circumference is pierced with holes presented towards its centre. These holes receive long levers, as represented in fig. 90. The men who work the capstan walk continually round the axle, pressing forward the levers near their extremities.

In some cases the wheel is turned by the weight of animals placed at its circumference, who move forward as fast as the wheel descends, so as to maintain their position continually at the extremity of the horizontal diameter. The treadmill, fig. 91., and certain cranes, such as fig. 92., are examples of this.

In water-wheels, the power is the weight of water contained in buckets at the circumference, as in fig. 93., which is called an over-shot wheel: and sometimes by the impulse of water against float-boards at the circumference, as in the under-shot wheel, fig. 94. Both these principles act in the breast-wheel, fig. 95.

In the paddle-wheel of a steam-boat, the power is the resistance which the water offers to the motion of the paddle-boards.

In windmills, the power is the force of the wind acting on various parts of the arms, and may be considered as different powers simultaneously acting on different wheels having the same axle.

(253.) In most cases in which the wheel and axle is used, the action of the power is liable to occasional sus180pension or intermission, in which case some contrivance is necessary to prevent the recoil of the weight. A ratchet wheel R, fig. 88., is provided for this purpose, which is a contrivance which permits the wheel to turn in one direction; but a catch which falls between the teeth of a fixed wheel prevents its motion in the other direction. The effect of the power or weight is sometimes transmitted to the wheel or axle by means of a straight bar, on the edge of which teeth are raised, which engage themselves in corresponding teeth on the wheel or axle. Such a bar is called a rack; and an instance of its use may be observed in the manner of working the pistons of an air-pump.

(254.) The power of the wheel and axle being expressed by the number of times the diameter of the axle is contained in that of the wheel, there are obviously only two ways by which this power may be increased; viz. either by increasing the diameter of the wheel, or diminishing that of the axle. In cases where great power is required, each of these methods is attended with practical inconvenience and difficulty. If the diameter of the wheel be considerably enlarged, the machine will become unwieldy, and the power will work through an unmanageable space. If, on the other hand, the power of the machine be increased by reducing the thickness of the axle, the strength of the axle will become insufficient for the support of that weight, the magnitude of which had rendered the increase of the power of the machine necessary. To combine the requisite strength with moderate dimensions and great mechanical power is, therefore, impracticable in the ordinary form of the wheel and axle. This has, however, been accomplished by giving different thicknesses to different parts of the axle, and carrying a rope, which is coiled on the thinner part, through a wheel attached to the weight, and coiling it in the opposite direction on the thicker part, as in fig. 96. To investigate the proportion of the power to the weight in this case, let fig. 97. represent a section of the apparatus at right angles to the axis. The weight is equally181 suspended by the two parts of the rope, S and S′, and therefore each part is stretched by a force equal to half the weight. The moment of the force, which stretches the rope S, is half the weight multiplied by the radius of the thinner part of the axle. This force being at the same side of the centre with the power, co-operates with it in supporting the force which stretches S′, and which acts at the other side of the centre. By the principle established in (185.), the moments of P and S must be equal to that of S′; and therefore if P be multiplied by the radius of the wheel, and added to half the weight multiplied by the radius of the thinner part of the axle, we must obtain a sum equal to half the weight multiplied by the radius of the thicker part of the axle. Hence it is easy to perceive, that the power multiplied by the radius of the wheel is equal to half the weight multiplied by the difference of the radii of the thicker and thinner parts of the axle; or, what is the same, the power multiplied by the diameter of the wheel, is equal to the weight multiplied by half the difference of the diameters of the thinner and thicker parts of the axle.

A wheel and axle constructed in this manner is equivalent to an ordinary one, in which the wheel has the same diameter, and whose axle has a diameter equal to half the difference of the diameters of the thicker and thinner parts. The power of the machine is expressed by the proportion which the diameter of the wheel bears to half the difference of these diameters; and therefore this power, when the diameter of the wheel is given, does not, as in the ordinary wheel and axle, depend on the smallness of the axle, but on the smallness of the difference of the thinner and thicker parts of it. The axle may, therefore, be constructed of such a thickness as to give it all the requisite strength, and yet the difference of the diameters of its different parts may be so small as to give it all the requisite power.

(255.) It often happens that a varying weight is to be raised, or resistance overcome by a uniform power. If, in such a case, the weight be raised by a rope coiled182 upon a uniform axle, the action of the power would not be uniform, but would vary with the weight. It is, however, in most cases desirable or necessary that the weight or resistance, even though it vary, shall be moved uniformly. This will be accomplished if by any means the leverage of the weight is made to increase in the same proportion as the weight diminishes, and to diminish in the same proportion as the weight increases: for in that case the moment of the weight will never vary, whatever it gains by the increase of weight being lost by the diminished leverage, and whatever it loses by the diminished weight being gained by the increased leverage. An axle, the surface of which is curved in such a manner, that the thickness on which the rope is coiled continually increased or diminishes in the same proportion as the weight or resistance diminishes or increases, will produce this effect.

It is obvious that all that has been said respecting a variable weight or resistance, is also applicable to a variable power, which, therefore, may, by the same means, be made to produce a uniform effect. An instance of this occurs in a watch, which is moved by a spiral spring. When the watch has been wound up, this spring acts with its greatest intensity, and as the watch goes down, the elastic force of the spring gradually loses its energy. This spring is connected by a chain with an axle of varying thickness, called a fusee. When the spring is at its greatest intensity, the chain acts upon the thinnest part of the fusee, and as it is uncoiled it acts upon a part of the fusee which is continually increasing in thickness, the spring at the same time losing its elastic power in exactly the same proportion. A representation of the fusee, and the cylindrical box which contains the spring, is given in fig. 98., and of the spring itself in fig. 99.

(256.) When great power is required, wheels and axles may be combined in a manner analogous to a compound system of levers, explained in (246.) In this case the power acts on the circumference of the first wheel, and its effect is transmitted to the circumference183 of the first axle. That circumference is placed in connection with the circumference of the second wheel, and the effect is thereby transmitted to the circumference of the second axle, and so on. It is obvious from what was proved in (248.), that the power of such a combination of wheels and axles will be found by multiplying together the powers of the several wheels of which it is composed. It is sometimes convenient to compute this power by numbers expressing the proportions of the circumferences or diameters of the several wheels, to the circumferences or diameters of the several axles respectively. This computation is made by first multiplying the numbers together which express the circumferences or diameters of the wheels, and then multiplying together the numbers which express the circumferences or diameters of the several axles. The proportion of the two products will express the power of the machine. Thus, if the circumferences or diameters be as the numbers 10, 14, and 15, their product will be 2100; and if the circumferences or diameters of the axles be expressed by the numbers 3, 4, and 5, their product will be 60, and the power of the machine will be expressed by the proportion of 2100 and 60, or 35 to 1.

H. Adlard, sc.

London, Pubd. by Longman & Co.

(257.) The manner in which the circumferences of the axles act upon the circumferences of the wheels in compound wheel-work is various. Sometimes a strap or cord is applied to a groove in the circumference of the axle, and carried round a similar groove in the circumference of the succeeding wheel. The friction of this cord or strap with the groove is sufficient to prevent its sliding and to communicate the force from the axle to the wheel, or vice versa. This method of connecting wheel-work is represented in fig. 100.

Numerous examples of wheels and axles driven by straps or cords occur in machinery applied to almost every department of the arts and manufactures. In the turning lathe, the wheel worked by the treddle is connected with the mandrel by a catgut cord passing through grooves in the wheel and axle. In all great factories,184 revolving shafts are carried along the apartments, on which, at certain intervals, straps are attached passing round their circumferences and carried round the wheels which give motion to the several machines. If the wheels, connected by straps or cords, are required to revolve in the same direction, these cords are arranged as in fig. 100.; but if they are required to revolve in contrary directions, they are applied as in fig. 101.

One of the chief advantages of the method of transmitting motion between wheels and axles by straps or cords, is that the wheel and axle may be placed at any distance from each other which may be found convenient, and may be made to turn either in the same or contrary directions.

(258.) When the circumference of the wheel acts immediately on the circumference of the succeeding axle, some means must necessarily be adopted to prevent the wheel from moving in contact with the axle without compelling the latter to turn. If the surfaces of both were perfectly smooth, so that all friction were removed, it is obvious that either would slide over the surface of the other, without communicating motion to it. But, on the other hand, if there were any asperities, however small, upon these surfaces, they would become mutually inserted among each other, and neither the wheel nor axle could move without causing the asperities with which its edge is studded to encounter those asperities which project from the surface of the other; and thus, until these projections should be broken off, both wheel and axle must be moved at the same time. It is on this account that if the surfaces of the wheels and axles are by any means rendered rough, and pressed together with sufficient force, the motion of either will turn the other, provided the load or resistance be not greater than the force necessary to break off these small projections which produce the friction.

In cases where great power is not required, motion is communicated in this way through a train of wheel-work, by rendering the surface of the wheel and axle185 rough, either by facing them with buff leather, or with wood cut across the grain. This method is sometimes used in spinning machinery, where one large buffed wheel, placed in a horizontal position, revolves in contact with several small buffed rollers, each roller communicating motion to a spindle. The position of the wheel W, and the rollers R R, &c., are represented in fig. 102. Each roller can be thrown out of contact with the wheel, and restored to it at pleasure.

The communication of motion between wheels and axles by friction has the advantage of great smoothness and evenness, and of proceeding with little noise; but this method can only be used in cases where the resistance is not very considerable, and therefore is seldom adopted in works on a large scale. Dr. Gregory mentions an instance of a saw mill at Southampton, where the wheels act upon each other by the contact of the end grain of wood. The machinery makes very little noise, and wears very well, having been used not less than 20 years.

(259.) The most usual method of transmitting motion through a train of wheel-work is by the formation of teeth upon their circumferences, so that these indentures of each wheel fall between the corresponding ones of that in which it works, and ensure the action so long as the strain is not so great as to fracture the tooth.

In the formation of teeth very minute attention must be given to their figure, in order that the motion may be communicated from wheel to wheel with smoothness and uniformity. This can only be accomplished by shaping the teeth according to curves of a peculiar kind, which mathematicians have invented, and assigned rules for drawing. The ill consequences of neglecting this will be very apparent, by considering the nature of the action which would be produced if the teeth were formed of square projecting pins, as in fig. 103. When the tooth A comes into contact with B, it acts obliquely upon it, and, as it moves, the corner of B slides upon the186 plane surface of A in such a manner as to produce much friction, and to grind away the side of A and the end of B. As they approach the position C D, they sustain a jolt the moment their surfaces come into full contact; and after passing the position of C D, the same scraping and grinding effect is produced in the opposite direction, until by the revolution of the wheels the teeth become disengaged. These effects are avoided by giving to the teeth the curved forms represented in fig. 104. By such means the surfaces of the teeth roll upon each other with very inconsiderable friction, and the direction in which the pressure is excited is always that of a line M N, touching the two wheels, and at right angles to the radii. Thus the pressure being always the same, and acting with the same leverage, produces a uniform effect.

(260.) When wheels work together, their teeth must necessarily be of the same size, and therefore the proportion of their circumferences may always be estimated by the number of teeth which they carry. Hence it follows, that in computing the power of compound wheel-work, the number of teeth may always be used to express the circumferences respectively, or the diameters which are proportional to these circumferences. When teeth are raised upon an axle, it is generally called a pinion, and in that case the teeth are called leaves. The rule for computing the train of wheel-work given in (256.) will be expressed as follows: when the wheel and axle carry teeth, multiply together the number of teeth in each of the wheels, and next the number of leaves in each of the pinions; the proportion of the two products will express the power of the machine. If some of the wheels and axles carry teeth, and others not, this computation may be made by using for those circumferences which do not bear teeth the number of teeth which would fill them. Fig. 105. represents a train of three wheels and pinions. The wheel F which bears the power, and the axle which bears the weight, have no teeth; but it is easy to find the number of teeth which they would carry.

187

(261.) It is evident that each pinion revolves much more frequently in a given time than the wheel which it drives. Thus, if the pinion C be furnished with ten teeth, and the wheel E, which it drives, have sixty teeth, the pinion C must turn six times, in order to turn the wheel E once round. The velocities of revolution of every wheel and pinion which work in one another will therefore have the same proportion as their number of teeth taken in a reverse order, and by this means the relative velocity of wheels and pinions may be determined according to any proposed rate.

Wheel-work, like all other machinery, is used to transmit and modify force in every department of the arts and manufactures; but it is also used in cases where motion alone, and not force, is the object to be attained. The most remarkable example of this occurs in watch and clock-work, where the object is merely to produce uniform motions of rotation, having certain proportions, and without any regard to the elevation of weights, or the overcoming of resistances.

(262.) A crane is an example of combination of wheel-work used for the purpose of raising or lowering great weights. Fig. 106. represents a machine of this kind. A B is a strong vertical beam, resting on a pivot, and secured in its position by beams in the floor. It is capable, however, of turning on its axis, being confined between rollers attached to the beams and fixed in the floor. C D is a projecting arm called a gib, formed of beams which are mortised into A B. The wheel-work is mounted in two cast-iron crosses, bolted on each side of the beams, one of which appears at E F G H. The winch at which the power is applied is at I. This carries a pinion immediately behind H. This pinion works in a wheel K, which carries another pinion upon its axle. This last pinion works in a larger wheel L, which carries upon its axis a barrel M, on which a chain or rope is coiled. The chain passes over a pulley D at the top of the gib. At the end of the chain a hook O is attached, to support the weight W. During the elevation of the weight it is convenient that188 its recoil should be hindered in case of any occasional suspension of the power. This is accomplished by a ratchet wheel attached to the barrel M, as explained in (253.); but when the weight W is to be lowered, the catch must be removed from this ratchet wheel. In this case the too rapid descent of the weight is in some cases checked by pressure excited on some part of the wheel-work, so as to produce sufficient friction to retard the descent in any required degree, or even to suspend it, if necessary. The vertical beam at B resting on a pivot, and being fixed between rollers, allows the gib to be turned round in any direction; so that a weight raised from one side of the crane may be carried round, and deposited on another side, at any distance within the range of the gib. Thus, if a crane be placed upon a wharf near a vessel, weights may be raised, and when elevated, the gib may be turned round so as to let them descend into the hold.

The power of this machine may be computed upon the principles already explained. The magnitude of the circle, in which the power at I moves, may be determined by the radius of the winch, and therefore the number of teeth which a wheel of that size would carry may be found. In like manner we may determine the number of leaves in a pinion whose magnitude would be equal to the barrel M. Let the first number be multiplied by the number of teeth in the wheel K, and that product by the number of teeth in the wheel L. Next let the number of leaves in the pinion H be multiplied by the number of leaves in the pinion attached to the axle of the wheel K, and let that product be multiplied by the number of leaves in a pinion, whose diameter is equal to that of the barrel M. These two products will express the power of the machine.

(263.) Toothed wheels are of three kinds, distinguished by the position which the teeth bear with respect to the axis of the wheel. When they are raised upon the edge of the wheel as in fig. 105., they are called spur wheels, or spur gear. When they are raised parallel to the axis, as in fig. 107., it is called a crown wheel. When189 the teeth are raised on a surface inclined to the plane of the wheel, as in fig. 108., they are called bevelled wheels.

H. Adlard, sc.

London, Pubd. by Longman & Co.

If a motion round one axis is to be communicated to another axis parallel to it, spur gear is generally used. Thus, in fig. 105., the three axes are parallel to each other. If a motion round one axis is to be communicated to another at right angles to it, a crown wheel, working in a spur pinion, as in fig. 107., will serve. Or the same object may be obtained by two bevelled wheels, as in fig. 108.

If a motion round one axis is required to be communicated to another inclined to it at any proposed angle, two bevelled wheels can always be used. In fig. 109. let A B and A C be the two axles; two bevelled wheels, such as D E and E F, on these axles will transmit the motion or rotation from one to the other, and the relative velocity may, as usual, be regulated by the proportional magnitude of the wheels.

(264.) In order to equalise the wear of the teeth of a wheel and pinion, which work in one another, it is necessary that every leaf of the pinion should work in succession through every tooth of the wheel, and not continually act upon the same set of teeth. If the teeth could be accurately shaped according to mathematical principles, and the materials of which they are formed be perfectly uniform, this precaution would be less necessary; but as slight inequalities, both of material and form, must necessarily exist, the effects of these should be as far as possible equalised, by distributing them through every part of the wheel. For this purpose it is usual, especially in mill-work, where considerable force is used, so to regulate the proportion of the number of teeth in the wheel and pinion, that the same leaf of the pinion shall not be engaged twice with any one tooth of the wheel, until after the action of a number of teeth, expressed by the product of the number of teeth in the wheel and pinion. Let us suppose that the pinion contains ten leaves, which we shall denominate by the numbers 1, 2, 3, &c., and that the wheel contains 60 teeth190 similarly denominated. At the commencement of the motion suppose the leaf 1 of the pinion engages the tooth 1 of the wheel; then after one revolution the leaf 1 of the pinion will engage the tooth 11 of the wheel, and after two revolutions the leaf 1 of the pinion will engage the tooth 21 of the wheel; and in like manner, after 3, 4, and 5 revolutions of the pinion, the leaf 1 will engage successively the teeth 31, 41, and 51 of the wheel. After the sixth revolution, the leaf 1 of the pinion will again engage the tooth 1 of the wheel. Thus it is evident, that in the case here supposed the leaf 1 of the pinion will continually be engaged with the teeth 1, 11, 21, 31, 41, and 51 of the wheel, and no others. The like may be said of every leaf of the pinion. Thus the leaf 2 of the pinion will be successively engaged with the teeth 2, 12, 22, 32, 42, and 52 of the wheel, and no others. Any accidental inequalities of these teeth will therefore continually act upon each other, until the circumference of the wheel be divided into parts of ten teeth each, unequally worn. This effect would be avoided by giving either the wheel or pinion one tooth more or one tooth less. Thus, suppose the wheel, instead of having sixty teeth, had sixty-one, then after six revolutions of the pinion the leaf 1 of the pinion would be engaged with the tooth 61 of the wheel; and after one revolution of the wheel, the leaf 2 of the pinion would be engaged with the tooth 1 of the wheel. Thus, during the first revolution of the wheel the leaf 1 of the pinion would be successively engaged with the teeth 1, 11, 21, 31, 41, 51, and 61 of the wheel: at the commencement of the second revolution of the wheel the leaf 2 of the pinion would be engaged with the tooth 1 of the wheel; and during the second revolution of the wheel the leaf 1 of the pinion would be successively engaged with the teeth 10, 20, 30, 40, 50, and 60 of the wheel. In the same manner it may be shown, that in the third revolution of the wheel the leaf 1 of the pinion would be successively engaged with the teeth 9, 19, 29, 39, 49, and 59 of the wheel: during the fourth191 revolution of the wheel the leaf 1 of the pinion would be successively engaged with the teeth 8, 18, 28, 38, 48, and 58 of the wheel. By continuing this reasoning it will appear, that during the tenth revolution of the wheel the leaf 1 of the pinion will be engaged successively with the teeth 2, 12, 22, 32, 42, and 52 of the wheel. At the commencement of the eleventh revolution of the wheel the leaf 1 of the pinion will be engaged with the tooth 1 of the wheel, as at the beginning of the motion. It is evident, therefore, that during the first ten revolutions of the wheel each leaf of the pinion has been successively engaged with every tooth of the wheel, and that during these ten revolutions the pinion has revolved sixty-one times. Thus the leaves of the pinion have acted six hundred and ten times upon the teeth of the wheel, before two teeth can have acted twice upon each other.

The odd tooth which produces this effect is called by millwrights the hunting cog.

(265.) The most familiar case in which wheel-work is used to produce and regulate motion merely, without any reference to weights to be raised or resistances to be overcome, is that of chronometers. In watch and clock work the object is to cause a wheel to revolve with a uniform velocity, and at a certain rate. The motion of this wheel is indicated by an index or hand placed upon its axis, and carried round with it. In proportion to the length of the hand the circle over which its extremity plays is enlarged, and its motion becomes more perceptible. This circle is divided, so that very small fractions of a revolution of the hand may be accurately observed. In most chronometers it is required to give motion to two hands, and sometimes to three. These motions proceed at different rates, according to the subdivisions of time generally adopted. One wheel revolves in a minute, bearing a hand which plays round a circle divided into sixty equal parts; the motion of the hand over each part indicating one second, and a complete revolution of the hand being performed in one minute.192 Another wheel revolves once, while the former revolves sixty times; consequently the hand carried by this wheel revolves once in sixty minutes, or one hour. The circle on which it plays is, like the former, divided into sixty equal parts, and the motion of the hand over each division is performed in one minute. This is generally called the minute hand, and the former the second hand.

A third wheel revolves once, while that which carries the minute hand revolves twelve times; consequently this last wheel, which carries the hour hand, revolves at a rate twelve times less than that of the minute hand, and therefore seven hundred and twenty times less than the second hand. We shall now endeavour to explain the manner in which these motions are produced and regulated. Let A, B, C, D, E, fig. 110., represent a train of wheels, and a, b, c, d represent their pinions, e being a cylinder on the axis of the wheel E, round which a rope is coiled, sustaining a weight W. Let the effect of this weight transmitted through the train of wheels be opposed by a power P acting upon the wheel A, and let this power be supposed to be of such a nature as to cause the weight W to descend with a uniform velocity, and at any proposed rate. The wheel E carries on its circumference eighty-four teeth. The wheel D carries eighty teeth; the wheel C is also furnished with eighty teeth, and the wheel B with seventy-five. The pinions d and c are each furnished with twelve leaves, and the pinions b and a with ten.

If the power at P be so regulated as to allow the wheel A to revolve once in a minute, with a uniform velocity, a hand attached to the axis of this wheel will serve as the second hand. The pinion a carrying ten teeth must revolve seven times and a half to produce one revolution of B, consequently fifteen revolutions of the wheel A will produce two revolutions of the wheel B; the wheel B, therefore, revolves twice in fifteen minutes. The pinion b must revolve eight times to produce one revolution of the wheel C, and therefore the wheel C193 must revolve once in four quarters of an hour, or in one hour. If a hand be attached to the axis of this wheel, it will have the motion necessary for the minute hand. The pinion c must revolve six times and two thirds to produce one revolution of the wheel D, and therefore this wheel must revolve once in six hours and two thirds. The pinion d revolves seven times for one revolution of the wheel E, and therefore the wheel E will revolve once in forty-six hours and two thirds.

On the axis of the wheel C a second pinion may be placed, furnished with seven leaves, which may lead a wheel of eighty-four teeth, so that this wheel shall turn once during twelve turns of the wheel C. If a hand be fixed upon the axis, this hand will revolve once for twelve revolutions of the minute hand fixed upon the axis of the wheel C; that is, it will revolve once in twelve hours. If it play upon a dial divided into twelve equal parts, it will move over each part in an hour, and will serve the purpose of the hour hand of the chronometer.

We have here supposed that the second hand, the minute hand, and the hour hand move on separate dials. This, however, is not necessary. The axis of the hour hand is commonly a tube, inclosing within it that of the minute hand, so that the same dial serves for both. The second hand, however, is generally furnished with a separate dial.

(266.) We shall now explain the manner in which a power is applied to the wheel A, so as to regulate and equalise the effect of the weight W. Suppose the wheel A furnished with thirty teeth, as in fig. 111.; if nothing check the motion, the weight W would descend with an accelerated velocity, and would communicate an accelerated motion to the wheel A. This effect, however, is interrupted by the following contrivance:—L M is a pendulum vibrating on the centre L, and so regulated that the time of its oscillation is one second. The pallets I and K are connected with the pendulum, so as to oscillate with it. In the position of the pendulum represented in the figure, the pallet I stops the motion of the194 wheel A, and entirely suspends the action of the weight W, fig. 110., so that for a moment the entire machine is motionless. The weight M, however, falls by its gravity towards the lowest position, and disengages the pallet I from the tooth of the wheel. The weight W begins then to take effect, and the wheel A turns from A towards B. Meanwhile the pendulum M oscillates to the other side, and the pallet K falls under a tooth of the wheel A, and checks for a moment its further motion. On the returning vibration the pallet K becomes again disengaged, and allows the tooth of the wheel to escape, and by the influence of the weight W another tooth passes before the motion of the wheel A is again checked by the interposition of the pallet I.

From this explanation it will appear that, in two vibrations of the pendulum, one tooth of the wheel A passes the pallet I, and therefore, if the wheel A be furnished with 30 teeth, it will be allowed to make one revolution during 60 vibrations of the pendulum. If, therefore, the pendulum be regulated so as to vibrate seconds, this wheel will revolve once in a minute. From the action of the pallets in checking the motion of the wheel A, and allowing its teeth alternately to escape, this has been called the escapement wheel; and the wheel and pallets together are generally called the escapement, or ’scapement.

We have already explained, that by reason of the friction on the points of support, and other causes, the swing of the pendulum would gradually diminish, and its vibration at length cease. This, however, is prevented by the action of the teeth of the scapement wheel upon the pallets, which is just sufficient to communicate that quantity of force to the pendulum which is necessary to counteract the retarding effects, and to maintain its motion. It thus appears, that although the effect of the gravity of the weight W in giving motion to the machine is at intervals suspended, yet this part of the force is not lost, being, during these intervals, employed in giving to the pendulum all that motion which it would lose by the resistances to which it is inevitably exposed.

195

In stationary clocks, and in other cases in which the bulk of the machine is not an objection, a descending weight is used as the moving power. But in watches and portable chronometers, this would be attended with evident inconvenience. In such cases, a spiral spring, called the mainspring, is the moving power. The manner in which this spring communicates rotation to an axis, and the ingenious method of equalising the effect of its variable elasticity by giving to it a leverage, which increases as the elastic force diminishes, have been already explained. (255.)

A similar objection lies against the use of a pendulum in portable chronometers. A spiral spring of a similar kind, but infinitely more delicate, called a hair spring, is substituted in its place. This spring is connected with a nicely-balanced wheel, called the balance wheel, which plays in pivots. When this wheel is turned to a certain extent in one direction, the hair spring is coiled up, and its elasticity causes the wheel to recoil, and return to a position in which the energy of the spring acts in the opposite direction. The balance wheel then returns, and continually vibrates in the same manner. The axis of this wheel is furnished with pallets similar to those of the pendulum, which are alternately engaged with the teeth of a crown wheel, which takes the place of the scapement wheel already described.

A general view of the work of a common watch is represented in fig. 111. bis. A is the balance wheel bearing pallets p p upon its axis; C is the crown wheel, whose teeth are suffered to escape alternately by those pallets in the manner already described in the scapement of a clock. On the axis of the crown wheel is placed a pinion d, which drives another crown wheel K. On the axis of this is placed the pinion c, which plays in the teeth of the third wheel L. The pinion b on the axis of L is engaged with the wheel M, called the centre wheel. The axle of this wheel is carried up through the centre of the dial. A pinion a is placed upon it, which works in the great wheel N. On this wheel the196 mainspring immediately acts. O P is the mainspring stripped of its barrel. The axis of the wheel M passing through the centre of the dial is squared at the end to receive the minute hand. A second pinion Q is placed upon this axle which drives a wheel T. On the axle of this wheel a pinion g is placed, which drives the hour wheel V. This wheel is placed upon a tubular axis, which incloses within it the axis of the wheel M. This tubular axis passing through the centre of the dial, carries the hour hand. The wheels A, B, C, D, E, fig. 110., correspond to the wheels C, K, L, M, N, fig. 112.; and the pinions a, b, c, d, e, fig. 109., correspond to the pinions d, c, b, a, fig. 111. From what has already been explained of these wheels, it will be obvious that the wheel M, fig. 111., revolves once in an hour, causing the minute hand to move round the dial once in that time. This wheel at the same time turns the pinion Q which leads the wheel T. This wheel again turns the pinion g which leads the hour wheel V. The leaves and teeth of these pinions and wheels are proportioned, as already explained, so that the wheel V revolves once during twelve revolutions of the wheel M. The hour hand, therefore, which is carried by the tubular axle of the wheel V, moves once round the dial in twelve hours.

Our object here has not been to give a detailed account of watch and clock work, a subject for which we must refer the reader to the proper department of this work. Such a general account has only been attempted as may explain how tooth and pinion work may be applied to regulate motion.

H. Adlard, sc.

London, Pubd. by Longman & Co.


197

CHAP. XV.
OF THE PULLEY.

(267.) The next class of simple machines, which present themselves to our attention, is that which we have called the cord. If a rope were perfectly flexible, and were capable of being bent over a sharp edge, and of moving upon it without friction, we should be enabled by its means to make a force in any one direction overcome resistance, or communicate motion in any other direction. Thus if P, fig. 112., be such an edge, a perfectly flexible rope passing over it would be capable of transmitting a force S F to a resistance Q R, so as to support or overcome R, or by a motion in the direction of S F to produce another motion in the direction R Q. But as no materials of which ropes can be constructed can give them perfect flexibility, and as in proportion to the strength by which they are enabled to transmit force their rigidity increases, it is necessary, in practice, to adopt means to remove or mitigate those effects which attend imperfect flexibility, and which would otherwise render cords practically inapplicable as machines.

When a cord is used to transmit a force from one direction to another, its stiffness renders some force necessary in bending it over the angle P, which the two directions form; and if the angle be sharp, the exertion of such a force may be attended with the rupture of the cord. If, instead of bending the rope at one point over a single angle, the change of direction were produced by successively deflecting it over several angles, each of which would be less sharp than a single one could be, the force requisite for the deflection, as well as the liability of rupturing the cord, would be considerably diminished. But this end will be still more perfectly attained if the deflection of the cord be produced by bending it over the surface of a curve.

198

If a rope were applied only to sustain, and not to move a weight, this would be sufficient to remove the inconveniences arising from its rigidity. But when motion is to be produced, the rope, in passing over the curved surface, would be subject to excessive friction, and consequently to rapid wear. This inconvenience is removed by causing the surface on which the rope runs to move with it, so that no more friction is produced than would arise from the curved surface rolling upon the rope.

(268.) All these ends are attained by the common pulley, which consists of a wheel called a sheave, fixed in a block and turning on a pivot. A groove is formed in the edge of the wheel in which the rope runs, the wheel revolving with it. Such an apparatus is represented in fig. 113.

We shall, for the present, omit the consideration of that part of the effects of the stiffness and friction of the machine which is not removed by the contrivance just explained, and shall consider the rope as perfectly flexible and moving without friction.

From the definition of a flexible cord, it follows, that its tension, or the force by which it is stretched throughout its entire length, must be uniform. From this principle, and this alone, all the mechanical properties of pulleys may be derived.

Although, as already explained, the whole mechanical efficacy of this machine depends on the qualities of the cord, and not on those of the block and sheave, which are only introduced to remove the accidental effects of stiffness and friction; yet it has been usual to give the name pulley to the block and sheave, and a combination of blocks, sheaves, and ropes is called a tackle.

(269.) When the rope passes over a single wheel, which is fixed in its position, as in fig. 113., the machine is called a fixed pulley. Since the tension of the cord is uniform throughout its length, it follows, that in this machine the power and weight are equal. For the weight stretches that part of the cord which is between199 the weight and pulley, and the power stretches that part between the power and the pulley. And since the tension throughout the whole length is the same, the weight must be equal to the power.

Hence it appears that no mechanical advantage is gained by this machine. Nevertheless, there is scarcely any engine, simple or complex, attended with more convenience. In the application of power, whether of men or animals, or arising from natural forces, there are always some directions in which it may be exerted to much greater convenience and advantage than others, and in many cases the exertion of these powers is limited to a single direction. A machine, therefore, which enables us to give the most advantageous direction to the moving power, whatever be the direction of the resistance opposed to it, contributes as much practical convenience as one which enables a small power to balance or overcome a great weight. In directing the power against the resistance, it is often necessary to use two fixed pulleys. Thus, in elevating a weight A, fig. 114., to the summit of a building, by the strength of a horse moving below, two fixed pulleys B and C may be used. The rope is carried from A over the pulley B; and, passing downwards, is brought under C, and finally drawn by the animal on the horizontal plane. In the same manner sails are spread, and flags hoisted on the yards and masts of a ship, by sailors pulling a rope on the deck.

By means of the fixed pulley a man may raise himself to a considerable height, or descend to any proposed depth. If he be placed in a chair or bucket attached to one end of a rope which is carried over a fixed pulley, by laying hold of this rope on the other side, as represented in fig. 115., he may, at will, descend to a depth equal to half of the entire length of the rope, by continually yielding rope on the one side, and depressing the bucket or chair by his weight on the other. Fire-escapes have been constructed on this principle, the fixed pulley being attached to some part of the building.

200

(270.) A single moveable pulley is represented in fig. 116. A cord is carried from a fixed point F, and passing through a block B, attached to a weight W, passes over a fixed pulley C, the power being applied at P. We shall first suppose the parts of the cord on each side the wheel B to be parallel; in this case, the whole weight W being sustained by the parts of the cords B C and B F, and these parts being equally stretched (268.), each must sustain half the weight, which is therefore the tension of the cord. This tension is resisted by the power at P, which must, therefore, be equal to half the weight. In this machine, therefore, the weight is twice the power.

(271.) If the parts of the cord B C and B F be not parallel, as in fig. 117., a greater power than half the weight is therefore necessary to sustain it. To determine the power necessary to support a given weight, in this case take the line B A in the vertical direction, consisting of as many inches as the weight consists of ounces; from A draw A D parallel to B C, and A E parallel to B F; the force of the weight represented by A B will be equivalent to two forces represented by B D and B E. (74.) The number of inches in these lines respectively will represent the number of ounces which are equivalent to the tensions of the parts B F and B C of the cord. But as these tensions are equal, B D and B E must be equal, and each will express the amount of the power P, which stretches the cord at P C.

It is evident that the four lines, A E, E B, B D, and D A, are equal. And as each of them represents the power, the weight which is represented by A B must be less than twice the power which is represented by A E and E B taken together. It follows, therefore, that as parts of the ropes which support the weight depart from parallelism the machine becomes less and less efficacious; and there are certain obliquities at which the equilibrating power would be much greater than the weight.

(272.) The mechanical power of pulleys admits of201 being almost indefinitely increased by combination. Systems of pulleys may be divided into two classes; those in which a single rope is used, and those which consist of several distinct ropes. Fig. 118. and 119. represent two systems of pulleys, each having a single rope. The weight is in each case attached to a moveable block, B, in which are fixed two or more wheels; A is a fixed block, and the rope is successively passed over the wheels above and below, and, after passing over the last wheel above, is attached to the power. The tension of that part of the cord to which the power is attached is produced by the power, and therefore equivalent to it, and the same tension must extend throughout its whole length. The weight is sustained by all those parts of the cord which pass from the lower block, and as the force which stretches them all is the same, viz. that of the power, the effect of the weight must be equally distributed among them, their directions being supposed to be parallel. It will be evident, from this reasoning, that the weight will be as many times greater than the power as the number of cords which support the lower block. Thus, if there be six cords, each cord will support a sixth part of the weight, that is, the weight will be six times the tension of the cord, or six times the power. In fig. 118. the cord is represented as being finally attached to a hook on the upper block. But it may be carried over an additional wheel fixed in that block, and finally attached to a hook in the lower block, as in fig. 119., by which one will be added to the power of the machine, the number of cords at the lower block being increased by one. In the system represented in fig. 118. the wheels are placed in the blocks one above the other; in fig. 119. they are placed side by side. In all systems of pulleys of this class, the weight of the lower block is to be considered as a part of the weight to be raised, and in estimating the power of the machine, this should always be attended to.

(273.) When the power of the machine, and therefore the number of wheels, is considerable, some diffi202culty arises in the arrangement of the wheels and cords. The celebrated Smeaton contrived a tackle, which takes its name from him, in which there are ten wheels in each block: five large wheels placed side by side, and five smaller ones similarly placed above them in the lower block, and below them in the upper. Fig. 120. represents Smeaton’s blocks without the rope. The wheels are marked with the numbers 1, 2, 3, &c., in the order in which the rope is to be passed over them. As in this pulley 20 distinct parts of the rope support the lower block, the weight, including the lower block, will be 20 times the equilibrating power.

(274.) In all these systems of pulleys, every wheel has a separate axle, and there is a distinct wheel for every turn of the rope at each block. Each wheel is attended with friction on its axle, and also with friction between the sheave and block. The machine is by this means robbed of a great part of its efficacy, since, to overcome the friction alone, a considerable power is in most cases necessary.

An ingenious contrivance has been suggested, by which all the advantage of a large number of wheels may be obtained without the multiplied friction of distinct sheaves and axles. To comprehend the excellence of this contrivance, it will be necessary to consider the rate at which the rope passes over the several wheels of such a system, as fig. 118. If one foot of the rope G F pass over the pulley F, two feet must pass over the pulley E, because the distance between F and E being shortened one foot, the total length of the rope G F E must be shortened two feet. These two feet of rope must pass in the direction E D, and the wheel D, rising one foot, three feet of rope must consequently pass over it. These three feet of rope passing in the direction D C, and the rope D C being also shortened one foot by the ascent of the lower block, four feet of rope must pass over the wheel C. In the same way it may be shown that five feet must pass over B, and six feet over A. Thus, whatever be the number of wheels in the203 upper and lower blocks, the parts of the rope which pass in the same time over the wheels in the lower block are in the proportion of the odd numbers 1, 3, 5, &c.; and those which pass over the wheels in the upper block in the same time, are as the even numbers 2, 4, 6, &c. If the wheels were all of equal size, as in fig. 119., they would revolve with velocities proportional to the rate at which the rope passes over them. So that, while the first wheel below revolves once, the first wheel above will revolve twice; the second wheel below three times; the second wheel above, four times, and so on. If, however, the wheels differed in size in proportion to the quantity of rope which must pass over them, they would evidently revolve in the same time. Thus, if the first wheel above were twice the size of the first wheel below, one revolution would throw off twice the quantity of rope. Again, if the second wheel below were thrice the size of the first wheel below, it would throw off in one revolution thrice the quantity of rope, and so on. Wheels thus proportioned, revolving in exactly the same time, might be all placed on one axle, and would partake of one common motion, or, what is to the same effect, several grooves might be cut upon the face of one solid wheel, with diameters in the proportion of the odd numbers 1, 3, and 5, &c., for the lower pulley, and corresponding grooves on the face of another solid wheel represented by the even numbers 2, 4, 6, &c., for the upper pulley. The rope being passed successively over the grooves of such wheels, would be thrown off exactly in the same manner as if every groove were upon a separate wheel, and every wheel revolved independently of the others. Such is White’s pulley, represented in fig. 121.

The advantage of this machine, when accurately constructed, is very considerable. The friction, even when great resistances are to be opposed, is very trifling; but, on the other hand, it has corresponding disadvantages which greatly circumscribe its practical utility. In the workmanship of the grooves great difficulty is found in204 giving them the exact proportions. In doing which, the thickness of the rope must be accurately allowed for; and consequently it follows, that the same pulley can never act except with a rope of a particular diameter. A very slight deviation from the true proportion of the grooves will cause the rope to be unequally stretched, and will throw on some parts of it an undue proportion of the weight, while other parts become nearly, and sometimes altogether slack. Besides these defects, the rope is so liable to derangement by being thrown out of the grooves, that the pulley can scarcely be considered portable.

For these and other reasons, this machine, ingenious as it unquestionably is, has never been extensively used.

(275.) In the several systems of pulleys just explained, the hook to which the fixed block is attached supports the entire of both the power and weight. When the machine is in equilibrium, the power only supports so much of the weight as is equal to the tension of the cord, all the remainder of the weight being thrown on the fixed point, according to what was observed in (225.)

If the power be moved so as to raise the weight, it will move with a velocity as many times greater than that of the weight as the weight itself is greater than the power. Thus in fig. 118. if the weight attached to the lower block ascend one foot, six feet of line will pass over the pulley A, according to what has been already proved. Thus, the power will descend through six feet, while the weight rises one foot. But, in this case, the weight is six times the power. All the observations in (226.) will therefore be applicable to the cases of great weights raised by small powers by means of the system of pulleys just described.

(276.) When two or more ropes are used, pulleys may be combined in various ways so as to produce any degree of mechanical effect. If to any of the systems already described a single moveable pulley be added, the power of the machine would be doubled. In this case, the second rope is attached to the hook of the lower block, as in fig. 122., and being carried through a moveable205 pulley attached to the weight, it is finally brought up to a fixed point. The tension of the second cord is equal to half the weight (270.); and therefore the power P, by means of the first cord, will have only half the tension which it would have if the weight were attached to the lower block. A moveable pulley thus applied is called a runner.

C. Varley, del. H. Adlard, sc.

London, Pubd. by Longman & Co.

(277.) Two systems of pulleys, called Spanish bartons, having each two ropes, are represented in fig. 123. The tension of the rope P A B C in the first system is equal to the power; and therefore the parts B A and B C support a portion of the weight equal to twice the power. The rope E A supports the tensions of A P and A B; and therefore the tension of A E D is twice the power. Thus, the united tensions of the ropes which support the pulley B is four times the power, which is therefore the amount of the weight. In the second system, the rope P A D is stretched by the power. The rope A E B C acts against the united tensions A P and A D; and therefore the tension of A E or E B is twice the power. Thus, the weight acts against three tensions; two of which are equal to twice the power, and the remaining one is equal to the power. The weight is therefore equal to five times the power.

A single rope may be so arranged with one moveable pulley as to support a weight equal to three times the power. In fig. 124. this arrangement is represented, where the numbers sufficiently indicate the tension of the rope, and the proportion of the weight and power. In fig. 125. another method of producing the same effect with two ropes is represented.

(278.) If several single moveable pulleys be made successively to act upon each other, the effect is doubled by every additional pulley: such a system as this is represented in fig. 126. The tension of the first rope is equal to the power; the second rope acts against twice the tension of the first, and therefore it is stretched with a force equal to twice the power: the third rope acts against twice this tension, and therefore it is stretched206 with a force equal to four times the power, and so on. In the system represented in fig. 126. there are three ropes, and the weight is eight times the power. Another rope would render it sixteen times the power, and so on.

In this system, it is obvious that the ropes will require to have different degrees of strength, since the tension to which they are subject increases in a double proportion from the power to the weight.

(279.) If each of the ropes, instead of being attached to fixed points at the top, are carried over fixed pulleys, and attached to the several moveable pulleys respectively, as in fig. 127., the power of the machine will be greatly increased; for in that case the forces which stretch the successive ropes increase in a treble instead of a double proportion, as will be evident by attending to the numbers which express the tensions in the figure. One rope would render the weight three times the power, two ropes nine times, three ropes twenty-seven times, and so on. An arrangement of pulleys is represented in fig. 128., by which each rope, instead of being finally attached to a fixed point, as in fig. 126., is attached to the weight. The weight is in this case supported by three ropes; one stretched with a force equal to the power; another with a force equal to twice the power; and a third with a force equal to four times the power. The weight is therefore, in this case, seven times the power.

(280.) If the ropes, instead of being attached to the weight, pass through wheels, as in fig. 129., and are finally attached to the pulleys above, the power of the machine will be considerably increased. In the system here represented the weight is twenty-six times the power.

(281.) In considering these several combinations of pulleys, we have omitted to estimate the effects produced by the weights of the sheaves and blocks. Without entering into the details of this computation, it may be observed generally, that in the systems represented in figs. 126., 127. the weight of the wheel and blocks acts against the power; but that in figs. 128. and 129. they207 assist the powers in supporting the weight. In the systems represented in fig. 123. the weight of the pulleys, to a certain extent, neutralise each other.

(282.) It will in all cases be found, that that quantity by which the weight exceeds the power is supported by fixed points; and therefore, although it be commonly stated that a small power supports a great weight, yet in the pulley, as in all other machines, the power supports no more of the weight than is exactly equal to its own amount. It will not be necessary to establish this in each of the examples which have been given: having explained it in one instance, the student will find no difficulty in applying the same reasoning to others. In fig. 126., the fixed pulley sustains a force equal to twice the power, and by it the power giving tension to the first rope sustains a part of the weight equal to itself. The first hook sustains a portion of the weight equal to the tension of the first string, or to the power. The second hook sustains a force equal to twice the power; and the third hook sustains a force equal to four times the power. The three hooks therefore sustain a portion of the weight equal to seven times the power; and the weight itself being eight times the power, it is evident that the part of the weight which remains to be supported by the power is equal to the power itself.

(283.) When a weight is raised by any of the systems of pulleys which have been last described, the proportion between the velocity of the weight and the velocity of the power, so frequently noticed in other machines, will always be observed. In the system of pulleys represented in fig. 126. the weight being eight times the power, the velocity of the power will be eight times that of the weight. If the power be moved through eight feet, that part of the rope between the fixed pulley and the first moveable pulley will be shortened by eight feet. And since the two parts which lie above the first moveable pulley must be equally shortened, each will be diminished by four feet; therefore the first pulley will rise through four feet while the power moves through eight feet. In the same way208 it may be shown, that while the first pulley moves through four feet, the second moves through two; and while the second moves through two, the third, to which the weight is attached, is raised through one foot. While the power, therefore, is carried through eight feet, the weight is moved through one foot.

By reasoning similar to this, it may be shown that the space through which the power is moved in every case is as many times greater than the height through which the weight is raised, as the weight is greater than the power.

(284.) From its portable form, cheapness of construction, and the facility with which it may be applied in almost every situation, the pulley is one of the most useful of the simple machines. The mechanical advantage, however, which it appears in theory to possess is considerably diminished in practice, owing to the stiffness of the cordage, and the friction of the wheels and blocks. By this means it is computed that in most cases so great a proportion as two thirds of the power is lost. The pulley is much used in building, where weights are to be elevated to great heights. But its most extensive application is found in the rigging of ships, where almost every motion is accomplished by its means.

(285.) In all the examples of pulleys, we have supposed the parts of the rope sustaining the weight and each of the moveable pulleys to be parallel to each other. If they be subject to considerable obliquity, the relative tensions of the different ropes must be estimated according to the principle applied in (271.)


209

CHAP. XVI.
ON THE INCLINED PLANE, WEDGE, AND SCREW.

(286.) The inclined plane is the most simple of all machines. It is a hard plane surface forming some angle with a horizontal plane, that angle not being a right angle. When a weight is placed on such a plane, a two-fold effect is produced. A part of the effect of the weight is resisted by the plane, and produces a pressure upon it; and the remainder urges the weight down the plane, and would produce a pressure against any surface resisting its motion placed in a direction perpendicular to the plane (131.)

Let A B, fig. 130., be such a plane, B C its horizontal base, A C its height, and A B C its angle of elevation. Let W be a weight placed upon it. This weight acts in the vertical direction W D, and is equivalent to two forces, W F perpendicular to the plane, and W E directed down the plane (74.) If a plane be placed at right angles to the inclined plane below W, it will resist the descent of the weight, and sustain a pressure expressed by W E. Thus, the weight W resting in the corner, instead of producing one pressure in the direction W D, will produce two pressures, one expressed by W F upon the inclined plane, and the other expressed by W E upon the resisting plane. These pressures respectively have the same proportion to the entire weight as W F and W E have to W D, or as D E and W E have to W D, because D E is equal to W F. Now the triangle W E D is in all respects similar to the triangle A B C, the one differing from the other only in the scale on which it is constructed. Therefore, the three lines A C, C B, and B A, are in the same proportion to each other as the lines W E, E D, and W D. Hence, A B has to A C the same proportion as the whole weight has to the pressure directed toward B, and A B has to210 B C the same proportion as the whole weight has to the pressure on the inclined plane.

We have here supposed the weight to be sustained upon the inclined plane by a hard plane fixed at right angles to it. But the power necessary to sustain the weight will be the same in whatever way it is applied, provided it act in the direction of the plane. Thus, a cord may be attached to the weight, and stretched towards A, or the hands of men may be applied to the weight below it, so as to resist its descent towards B. But in whatever way it be applied, the amount of the power will be determined in the same manner. Suppose the weight to consist of as many pounds as there are inches in A B, then the power requisite to sustain it upon the plane will consist of as many pounds as there are inches in A C, and the pressure on the plane will amount to as many pounds as there are inches in B C.

From what has been stated it may easily be inferred that the less the elevation of the plane is, the less will be the power requisite to sustain a given weight upon it, and the greater will be the pressure upon it. Suppose the inclined plane A B to turn upon a hinge at B, and to be depressed so that its angle of elevation shall be diminished, it is evident that as this angle decreases the height of the plane decreases, and its base increases. Thus, when it takes the position B A′, the height A′ C′ is less than the former height A C, while the base B C′ is greater than the former base B C. The power requisite to support the weight upon the plane in the position B A′ is represented by A′ C′, and is as much less than the power requisite to sustain it upon the plane A B, as the height A′ C′ is less than the height A C. On the other hand, the pressure upon the plane in the position B A′ is as much greater than the pressure upon the plane B A, as the base B C′ is greater than the base B C.

(287.) The power of an inclined plane, considered as a machine, is therefore estimated by the proportion which its length bears to its height. This power is always increased by diminishing the elevation of the plane.

211

Roads which are not level may be regarded as inclined planes, and loads drawn upon them in carriages, considered in reference to the powers which impel them, are subject to all the conditions which have been established for inclined planes. The inclination of the road is estimated by the height corresponding to some proposed length. Thus it is said to rise one foot in fifteen, one foot in twenty, &c., meaning that if fifteen or twenty feet of the road be taken as the length of an inclined plane, such as A B, the corresponding height will be one foot. Or the same may be expressed thus: that if fifteen or twenty feet be measured upon the road, the difference of the levels of the two extremities of the distance measured is one foot. According to this method of estimating the inclination of roads, the power requisite to sustain a load upon them (setting aside the effect of friction), is always proportional to that elevation. Thus, if a road rise one foot in twenty, a power of one ton will be sufficient to sustain twenty tons, and so on.

On a horizontal plane the only resistance which the power has to overcome is the friction of the load with the plane, and the consideration of this being for the present omitted, a weight once put in motion would continue moving for ever, without any further action of the power. But if the plane be inclined, the power will be expended in raising the weight through the perpendicular height of the plane. Thus, in a road which rises one foot in ten, the power is expended in raising the weight through one perpendicular foot for every ten feet of the road over which it is moved. As the expenditure of power depends upon the rate at which the weight is raised perpendicularly, it is evident that the greater the inclination of the road is, the slower the motion must be with the same force. If the energy of the power be such as to raise the weight at the rate of one foot per minute, the weight may be moved in each minute through that length of the road which corresponds to a rise of one foot. Thus, if two roads rise one at the rate of a foot in fifteen feet, and the other at212 the rate of one foot in twenty feet, the same expenditure of power will move the weight through fifteen feet of the one, and twenty feet of the other at the same rate.

From such considerations as these, it will readily appear that it may often be more expedient to carry a road through a circuitous route than to continue it in the most direct course; for though the measured length of road may be considerably greater than in the former case, yet more may be gained in speed with the same expenditure of power than is lost by the increase of distance. By attending to these circumstances, modern road-makers have greatly facilitated and expedited the intercourse between distant places.

(288.) If the power act obliquely to the plane, it will have a twofold effect; a part being expended in supporting or drawing the weight, and a part in diminishing or increasing the pressure upon the plane. Let W P, fig. 130., be the power. This will be equivalent to two forces, W F′, perpendicular to the plane, and W E′ in the direction of the plane. (74.) In order that the power should sustain the weight, it is necessary that that part W E′ of the power which acts in the direction of the plane should be equal to that part W E, fig. 130., of the weight which acts down the plane. The other part W F′ of the power acting perpendicular to the plane is immediately opposed to that part W F of the weight which produces pressure. The pressure upon the plane will therefore be diminished by the amount of W F′. The amount of the power which will equilibrate with the weight may, in this case, be found as follows. Take W E′ equal to W E, and draw E′ P perpendicular to the plane, and meeting the direction of the power. The proportion of the power to the weight will be that of W P to W D. And the proportion of the pressure to the weight will be that of the difference between W F and W F′ to W D. If the amount of the power have a less proportion to the weight than W P has to W D, it will not support the body on the plane, but will allow it to descend. And if it213 have a greater proportion, it will draw the weight up the plane towards A.

(289.) It sometimes happens that a weight upon one inclined plane is raised or supported by another weight upon another inclined plane. Thus, if A B and A B′, fig. 131., be two inclined planes forming an angle at A, and W W′ be two weights placed upon these planes, and connected by a cord passing over a pulley at A, the one weight will either sustain the other, or one will descend, drawing the other up. To determine the circumstances under which these effects will ensue, draw the lines W D and W′ D′ in the vertical direction, and take upon them as many inches as there are ounces in the weights respectively. W D and W′ D′ being the lengths thus taken, and therefore representing the weights, the lines W E and W′ E′ will represent the effects of these weights respectively down the planes. If W E and W′ E′ be equal, the weights will sustain each other without motion. But if W E be greater than W′ E′, the weight W will descend, drawing the weight W′ up. And if W′ E′ be greater than W E, the weight W′ will descend, drawing the weight W up. In every case the lines W F and W′ F′ will represent the pressures upon the planes respectively.

It is not necessary, for the effect just described, that the inclined planes should, as represented in the figure, form an angle with each other. They may be parallel, or in any other position, the rope being carried over a sufficient number of wheels placed so as to give it the necessary deflection. This method of moving loads is frequently applied in great public works where rail-roads are used. Loaded waggons descend one inclined plane, while other waggons, either empty or so loaded as to permit the descent of those with which they are connected, are drawn up the other.

(290.) In the application of the inclined plane which we have hitherto noticed, the machine itself is supposed to be fixed in its position, while the weight or load is moved upon it. But it frequently happens that resist214ances are to be overcome which do not admit of being thus moved. In such cases, instead of moving the load upon the planes, the plane is to be moved under or against the load. Let D E, fig. 132., be a heavy beam secured in a vertical position between guides F G and H I, so that it is free to move upwards and downwards, but not laterally. Let A B C be an inclined plane, the extremity of which is placed beneath the end of the beam. A force applied to the back of this plane A C, in the direction C B, will urge the plane under the beam so as to raise the beam to the position represented in fig. 133. Thus, while the inclined plane is moved through the distance C B, the beam is raised through the height C A.

(291.) When the inclined plane is applied in this manner, it is called a wedge. And if the power applied to the back were a continued pressure, its proportion to the weight would be that of A C to C B. It follows, therefore, that the more acute the angle B is, the more powerful will be the wedge.

In some cases, the wedge is formed of two inclined planes, placed base to base, as represented in fig. 134. The theoretical estimation of the power of this machine is not applicable in practice with any degree of accuracy. This is in part owing to the enormous proportion which the friction in most cases bears to the theoretical value of the power, but still more to the nature of the power generally used. The force of a blow is of a nature so wholly different from continued forces, such as the pressure of weights, or the resistance offered by the cohesion of bodies, that it admits of no numerical comparison with them. Hence we cannot properly state the proportion which the force of a blow bears to the amount of a weight or resistance. The wedge is almost invariably urged by percussion; while the resistances which it has to overcome are as constantly forces of the other kind. Although, however, no exact numerical comparison can be made, yet it may be stated in a general way that the wedge is more and more powerful as its angle is more acute.

C. Varley, del. H. Adlard, sc.

London, Pubd. by Longman & Co.

215

In the arts and manufactures, wedges are used where enormous force is to be exerted through a very small space. Thus it is resorted to for splitting masses of timber or stone. Ships are raised in docks by wedges driven under their keels. The wedge is the principal agent in the oil-mill. The seeds from which the oil is to be extracted are introduced into hair bags, and placed between planes of hard wood. Wedges inserted between the bags are driven by allowing heavy beams to fall on them. The pressure thus excited is so intense, that the seeds in the bags are formed into a mass nearly as solid as wood. Instances have occurred in which the wedge has been used to restore a tottering edifice to its perpendicular position.

All cutting and piercing instruments, such as knives, razors, scissors, chisels, &c., nails, pins, needles, awls, &c. are wedges. The angle of the wedge, in these cases, is more or less acute, according to the purpose to which it is to be applied. In determining this, two things are to be considered—the mechanical power, which is increased by diminishing the angle of the wedge; and the strength of the tool, which is always diminished by the same cause. There is, therefore, a practical limit to the increase of the power, and that degree of sharpness only is to be given to the tool which is consistent with the strength requisite for the purpose to which it is to be applied. In tools intended for cutting wood, the angle is generally about 30°. For iron it is from 50° to 60°; and for brass, from 80° to 90°. Tools which act by pressure may be made more acute than those which are driven by a blow; and in general the softer and more yielding the substance to be divided is, and the less the power required to act upon it, the more acute the wedge may be constructed.

In many cases the utility of the wedge depends on that which is entirely omitted in its theory, viz. the friction which arises between its surface and the substance which it divides. This is the case when pins, bolts, or nails are used for binding the parts of struc216tures together; in which case, were it not for the friction, they would recoil from their places, and fail to produce the desired effect. Even when the wedge is used as a mechanical engine, the presence of friction is absolutely indispensable to its practical utility. The power, as has already been stated, generally acts by successive blows, and is therefore subject to constant intermission, and but for the friction the wedge would recoil between the intervals of the blows with as much force as it had been driven forward. Thus the object of the labour would be continually frustrated. The friction in this case is of the same use as a ratchet wheel, but is much more necessary, as the power applied to the wedge is more liable to intermission than in the cases where ratchet wheels are generally used.

(292.) When a road directly ascends the side of a hill, it is to be considered as an inclined plane; but it will not lose its mechanical character, if, instead of directly ascending towards the top of the hill, it winds successively round it, and gradually ascends so as after several revolutions to reach the top. In the same manner a path may be conceived to surround a pillar by which the ascent may be facilitated upon the principle of the inclined plane. Winding stairs constructed in the interior of great columns partake of this character; for although the ascent be produced by successive steps, yet if a floor could be made sufficiently rough to prevent the feet from slipping, the ascent would be accomplished with equal facility. In such a case the winding path would be equivalent to an inclined plane, bent into such a form as to accommodate it to the peculiar circumstances in which it would be required to be used. It will not be difficult to trace the resemblance between such an adaptation of the inclined plane and the appearances presented by the thread of a screw: and it may hence be easily understood that a screw is nothing more than an inclined plane constructed upon the surface of a cylinder.

This will, perhaps, be more apparent by the following contrivance: Let A B, fig. 135., be a common round217 ruler, and let C D E be a piece of white paper cut in the form of an inclined plane, whose height C D is equal to the length of the ruler A B, and let the edge C E of the paper be marked with a broad black line: let the edge C D be applied to the ruler A B, and being attached thereto, let the paper be rolled round the ruler; the ruler will then present the appearance of a screw, fig. 136. the thread of the screw being marked by the black line C E, winding continually round the ruler. Let D F, fig. 135., be equal to the circumference of the ruler, and draw F G parallel to D C, and G H parallel to D E, the part C G F D of the paper will exactly surround the ruler once: the part C G will form one convolution of the thread, and may be considered as the length of one inclined plane surrounding the cylinder, C H being the corresponding height, and G H the base. The power of the screw does not, as in the ordinary cases of the inclined plane, act parallel to the plane or thread, but at right angles to the length of the cylinder A B, or, what is to the same effect, parallel to the base H G; therefore the proportion of the power to the weight will be, according to principles already explained, the same as that of C H to the space through which the power moves parallel to H G in one revolution of the screw. H C is evidently the distance between the successive positions of the thread as it winds round the cylinder; and it appears from what has been just stated, that the less this distance is, or, in other words, the finer the thread is, the more powerful the machine will be.

(293.) In the application of the screw the weight or resistance is not, as in the inclined plane and wedge, placed upon the surface of the plane or thread. The power is usually transmitted by causing the screw to move in a concave cylinder, on the interior surface of which a spiral cavity is cut, corresponding exactly to the thread of the screw, and in which the thread will move by turning round the screw continually in the same direction. This hollow cylinder is usually called the nut or concave screw. The screw surrounded by its218 spiral thread is represented in fig. 137.; and a section of the same playing in the nut is represented in fig. 138.

There are several ways in which the effect of the power may be conveyed to the resistance by this apparatus.

First, let us suppose that the nut A B is fixed. If the screw be continually turned on its axis, by a lever E F inserted in one end of it, it will be moved in the direction C D, advancing every revolution through a space equal to the distance between two contiguous threads. By turning the lever in an opposite direction, the screw will be moved in the direction D C.

If the screw be fixed, so as to be incapable either of moving longitudinally or revolving on its axis, the nut A B may be turned upon the screw by a lever, and will move on the screw towards C or towards D, according to the direction in which the lever is turned.

In the former case we have supposed the nut to be absolutely immoveable, and in the latter case the screw to be absolutely immoveable. It may happen, however, that the nut, though capable of revolving, is incapable of moving longitudinally; and that the screw, though incapable of revolving, is capable of moving longitudinally. In that case, by turning the nut A B upon the screw by the lever, the screw will be urged in the direction C D or D C, according to the way in which the nut is turned.

The apparatus may, on the contrary, be so arranged, that the nut, though incapable of revolving, is capable of moving longitudinally; and the screw, though capable of revolving, is incapable of moving longitudinally. In this case, by turning the screw in the one direction or in the other, the nut A B will be urged in the direction C D or D C.

All these various arrangements may be observed in different applications to the machine.

(294.) A screw may be cut upon a cylinder by placing the cylinder in a turning lathe, and giving it a rotatory motion upon its axis. The cutting point is219 then presented to the cylinder, and moved in the direction of its length, at such a rate as to be carried through the distance between the intended thread, while the cylinder revolves once. The relative motions of the cutting point and the cylinder being preserved with perfect uniformity, the thread will be cut from one end to the other. The shape of the threads may be either square, as in fig. 137., or triangular, as in fig. 139.

(295.) The screw is generally used in cases where severe pressure is to be excited through small spaces; it is therefore the agent in most presses. In fig. 140., the nut is fixed, and by turning the lever, which passes through the head of the screw, a pressure is excited upon any substance placed upon the plate immediately under the end of the screw. In fig. 141., the screw is incapable of revolving, but is capable of advancing in the direction of its length. On the other hand, the nut is capable of revolving, but does not advance in the direction of the screw. When the nut is turned by means of the screw inserted in it, the screw advances in the direction of its length, and urges the board which is attached to it upwards, so as to press any substance placed between it and the fixed board above.

In cases where liquids or juices are to be expressed from solid bodies, the screw is the agent generally employed. It is also used in coining, where the impression of a die is to be made upon a piece of metal, and in the same way in producing the impression of a seal upon wax or other substance adapted to receive it. When soft and light materials, such as cotton, are to be reduced to a convenient bulk for transportation, the screw is used to compress them, and they are thus reduced into hard dense masses. In printing, the paper is urged by a severe and sudden pressure upon the types, by means of a screw.

(296.) As the mechanical power of the screw depends upon the relative magnitude of the circumference through which the power revolves, and the distance between the threads, it is evident, that, to increase the220 efficacy of the machine, we must either increase the length of the lever by which the power acts, or diminish the magnitude of the thread. Although there is no limit in theory to the increase of the mechanical efficacy by these means, yet practical inconvenience arises which effectually prevents that increase being carried beyond a certain extent. If the lever by which the power acts be increased, the same difficulty arises as was already explained in the wheel and axle (254.); the space through which the power should act would be so unwieldy, that its application would become impracticable. If, on the other hand, the power of the machine be increased by diminishing the size of the thread, the strength of the thread will be so diminished, that a slight resistance will tear it from the cylinder. The cases in which it is necessary to increase the power of the machine, being those in which the greatest resistances are to be overcome, the object will evidently be defeated, if the means chosen to increase that power deprive the machine of the strength which is necessary to sustain the force to which it is to be submitted.

(297.) These inconveniences are removed by a contrivance of Mr. Hunter, which, while it gives to the machine all the requisite strength and compactness, allows it to have an almost unlimited degree of mechanical efficacy.

This contrivance consists in the use of two screws, the threads of which may have any strength and magnitude, but which have a very small difference of breadth. While the working point is urged forward by that which has the greater thread, it is drawn back by that which has the less; so that during each revolution of the screw, instead of being advanced through a space equal to the magnitude of either of the threads, it moves through a space equal to their difference. The mechanical power of such a machine will be the same as that of a single screw having a thread, whose magnitude is equal to the difference of the magnitudes of the two threads just mentioned.

221

Thus, without inconveniently increasing the sweep of the power, on the one hand, or, on the other, diminishing the thread until the necessary strength is lost, the machine will acquire an efficacy limited by nothing but the smallness of the difference between the two threads.

This principle was first applied in the manner represented in fig. 142. A is the greater thread, playing in the fixed nut; B is the lesser thread, cut upon a smaller cylinder, and playing in a concave screw, cut within the greater cylinder. During every revolution of the screw, the cylinder A descends through a space equal to the distance between its threads. At the same time the smaller cylinder B ascends through a space equal to the distance between the threads cut upon it: the effect is, that the board D descends through a space equal to the difference between the threads upon A and the threads upon B, and the machine has a power proportionate to the smallness of this difference.

Thus, suppose the screw A has twenty threads in an inch, while the screw B has twenty-one; during one revolution, the screw A will descend through a space equal to the 20th part of an inch. If, during this motion, the screw B did not turn within A, the board D would be advanced through the 20th of an inch; but because the hollow screw within A turns upon B, the screw B will, relatively to A, be raised in one revolution through a space equal to the 21st part of an inch. Thus, while the board D is depressed through the 20th of an inch by the screw A, it is raised through the 21st of an inch by the screw B. It is, therefore, on the whole, depressed through a space equal to the excess of the 20th of an inch above the 21st of an inch, that is, through the 420th of an inch.

The power of this machine will, therefore, be expressed by the number of times the 420th of an inch is contained in the circumference through which the power moves.

(298.) In the practical application of this principle222 at present the arrangement is somewhat different. The two threads are usually cut on different parts of the same cylinder. If nuts be supposed to be placed upon these, which are capable of moving in the direction of the length, but not of revolving, it is evident that by turning the screw once round, each nut will be advanced through a space equal to the breadth of the respective threads. By this means the two nuts will either approach each other, or mutually recede, according to the direction in which the screw is turned, through a space equal to the difference of the breadth of the threads, and they will exert a force either in compressing or extending any substance placed between them, proportionate to the smallness of that difference.

(299.) A toothed wheel is sometimes used instead of a nut, so that the same quality by which the revolution of the screw urges the nut forward is applied to make the wheel revolve. The screw is in this case called an endless screw, because its action upon the wheel may be continued without limit. This application of the screw is represented in fig. 143. P is the winch to which the power is applied; and its effect at the circumference of the wheel is estimated in the same manner as the effect of the screw upon the nut. This effect is to be considered as a power acting upon the circumference of the wheel; and its proportion to the weight or resistance is to be calculated in the same manner as the proportion of the power to the weight in the wheel and axle.

(300.) We have hitherto considered the screw as an engine used to overcome great resistances. It is also eminently useful in several departments of experimental science, for the measurement of very minute motions and spaces, the magnitude of which could scarcely be ascertained by any other means. The very slow motion which may be imparted to the end of a screw, by a very considerable motion in the power, renders it peculiarly well adapted for this purpose. To explain the manner in which it is applied—suppose a screw to be so cut as to have fifty threads in an inch, each revo223lution of the screw will advance its point through the fiftieth part of an inch. Now, suppose the head of the screw to be a circle, whose diameter is an inch, the circumference of the head will be something more than three inches: this may be easily divided into a hundred equal parts distinctly visible. If a fixed index be presented to this graduated circumference, the hundredth part of a revolution of the screw may be observed, by noting the passage of one division of the head under the index. Since one entire revolution of the head moves the point through the fiftieth of an inch, one division will correspond to the five thousandth of an inch. In order to observe the motion of the point of the screw in this case, a fine wire is attached to it, which is carried across the field of view of a powerful microscope, by which the motion is so magnified as to be distinctly perceptible.

A screw used for such purposes is called a micrometer screw. Such an apparatus is usually attached to the limbs of graduated instruments, for the purposes of astronomical and other observation. Without the aid of this apparatus, no observation could be taken with greater accuracy than the amount of the smallest division upon the limb. Thus, if an instrument for measuring angles were divided into small arcs of one minute, and an angle were observed which brought the index of the instrument to some point between two divisions, we could only conclude that the observed angle must consist of a certain number of degrees and minutes, together with an additional number of seconds, which would be unknown, inasmuch as there would be no means of ascertaining the fraction of a minute between the index and the adjacent division of the instrument. But if a screw be provided, the point of which moves through a space equal to one division of the instrument, with sixty revolutions of the head, and that the head itself be divided into one hundred equal parts, each complete revolution of the screw will correspond to the sixtieth part of a minute, or to one second, and each division on the head of the screw will correspond to the hundredth part of a224 second. The index being attached to this screw, let the head be turned until the index be moved from its observed position to the adjacent division of the limb. The number of complete revolutions of the screw necessary to accomplish this will be the number of seconds; and the number of parts of a revolution over the complete number of revolutions will be the hundredth parts of a second necessary to be added to the degrees and minutes primarily observed.

It is not, however, only to such instruments that the micrometer screw is applicable; any spaces whatever may be measured by it. An instance of its mechanical application may be mentioned in a steel-yard, an instrument for ascertaining the amount of weights by a given weight, sliding on a long graduated arm of a lever. The distance from the fulcrum, at which this weight counterpoises the weight to be ascertained, serves as a measure to the amount of that weight. When the sliding weight happens to be placed between two divisions of the arm, a micrometer screw is used to ascertain the fraction of the division.

Hunter’s screw, already described, seems to be well adapted to micrometrical purposes; since the motion of the point may be rendered indefinitely slow, without requiring an exquisitely fine thread, such as in the single screw would be necessary.


CHAP. XVII.
ON THE REGULATION AND ACCUMULATION OF FORCE.

(301.) It is frequently indispensable, and always desirable, that the operation of a machine should be regular and uniform. Sudden changes in its velocity, and desultory variations in the effective energy of its power, are often injurious or destructive to the apparatus itself, and when applied to manufactures never fail225 to produce unevenness in the work. To invent methods for insuring the regular motion of machinery, by removing those causes of inequality which may be avoided, and by compensating others, has therefore been a problem to which much attention and ingenuity have been directed. This is chiefly accomplished by controlling, and, as it were, measuring out the power according to the exigencies of the machine, and causing its effective energy to be always commensurate with the resistance which it has to overcome.

C. Varley, del. H. Adlard, sc.

London, Pubd. by Longman & Co.

Irregularity in the motion of machinery may proceed from one or more of the following causes:—1. irregularity in the prime mover; 2. occasional variation in the amount of the load or resistance; and, 3. because, in the various positions which the parts of the machine assume during its motion, the power may not be transmitted with equal effect to the working point.

The energy of the prime mover is seldom if ever regular. The force of water varies with the copiousness of the stream. The power which impels the windmill is proverbially capricious. The pressure of steam varies with the intensity of the furnace. Animal power, the result of will, temper, and health is difficult of control. Human labour is most of all unmanageable; hence no machine works so irregularly as one which is manipulated. In some cases the moving force is subject, by the very conditions of its existence, to constant variation, as in the example of a spring, which gradually loses its energy as it recoils. (255.) In many instances the prime mover is liable to regular intermission, and is actually suspended for certain intervals of time. This is the case in the single acting steam-engine, where the pressure of the steam urges the descent of the piston, but is suspended during its ascent.

The load or resistance to which the machine is applied is not less fluctuating. In mills there are a multiplicity of parts which are severally liable to be occasionally disengaged, and to have their operation suspended. In large factories for spinning, weaving,226 printing, &c. a great number of separate spinning machines, looms, presses, or other engines, are usually worked by one common mover, such as a water-wheel or steam-engine. In these cases the number of machines employed from time to time necessarily varies with the fluctuating demand for the articles produced, and from other causes. Under such circumstances the velocity with which every part of the machinery is moved would suffer corresponding changes, increasing its rapidity with every augmentation of the moving power or diminution of the resistance, or being retarded in its speed by the contrary circumstances.

But even when the prime mover and the resistance are both regular, or rendered so by proper contrivances, still it will rarely happen that the machine by which the energy of the one is transmitted to the other conveys this with unimpaired effect in all the phases of its operation. To give a general notion of this cause of inequality to those who have not been familiar with machinery would not be easy, without having recourse to an example. For the present we shall merely state, that the several moving parts of every machine assume in succession a variety of positions; that at regular periods they return to their first position, and again undergo the same succession of changes. In the different positions through which they are carried in every period of motion, the efficacy of the machine to transmit the power to the resistance is different, and thus the effective energy of the machine in acting upon the resistance would be subject to continual fluctuation. This will be more clearly understood when we come to explain the methods of counteracting the defect or equalising the action of the power upon the resistance.

Such are the chief causes of the inequalities incidental to the motion of machinery, and we now propose to describe a few of the many ingenious contrivances which the skill of engineers has produced to remove the consequent inconveniences.

(302.) Setting aside, for the present, the last cause227 of inequality, and considering the machinery, whatever it be, to transmit the power to the resistance without irregular interruption, it is evident that every contrivance, having for its object to render the velocity uniform, can only accomplish this by causing the variations of the power and resistance to be proportionate to each other. This may be done either by increasing or diminishing the power as the resistance increases or diminishes; or by increasing or diminishing the resistance as the power increases or diminishes.

According to the facilities or convenience presented by the peculiar circumstances of the case either of these methods is adopted.

The contrivances for effecting this are called regulators. Most regulators act upon that part of the machine which commands the supply of the power by means of levers, or some other mechanical contrivance, so as to check the quantity of the moving principle conveyed to the machine when the velocity has a tendency to increase; and, on the other hand, to increase that supply upon any undue abatement of its speed. In a water-mill this is done by acting upon the shuttle; in a wind-mill, by an adjustment of the sail-cloth; and in a steam-engine, by opening or closing, in a greater or less degree, the valve by which the cylinder is supplied with steam.

(303.) Of all the contrivances for regulating machinery, that which is best known and most commonly used is the governor. This regulator, which had been long in use in mill-work and other machinery, has of late years attracted more general notice by its beautiful adaptation in the steam-engines of Watt. It consists of heavy balls B B, fig. 144., attached to the extremities of rods B F. These rods play upon a joint at E, passing through a mortise in the vertical stem D D′. At F they are united by joints to the short rods F H, which are again connected by joints at H to a ring which slides upon the vertical shaft D D′. From this description it will be apparent that when the balls B are drawn from the axis, their upper arms E F are caused to increase228 their divergence in the same manner as the blades of a scissors are opened by separating the handles. These, acting upon the ring by means of the short links F H, draw it down the vertical axis from D towards E. A contrary effect is produced when the balls B are brought closer to the axis, and the divergence of the rods B E diminished. A horizontal wheel W is attached to the vertical axis D D′, having a groove to receive a rope or strap upon its rim. This strap passes round the wheel or axis by which motion is transmitted to the machinery to be regulated, so that the spindle or shaft D D′ will always be made to revolve with a speed proportionate to that of the machinery.

As the shaft D D′ revolves, the balls B are carried round it with a circular motion, and consequently acquire a centrifugal force which causes them to recede from the axle, and therefore to depress the ring H. On the edge or rim of this ring is formed a groove, which is embraced by the prongs of a fork I, at the extremity of one arm of a lever whose fulcrum is at G. The extremity K of the other arm is connected by some means with the part of the machine which supplies the power. In the present instance we shall suppose it a steam-engine, in which case the rod K I communicates with a flat circular valve V, placed in the principal steam-pipe, and so arranged that, when K is elevated as far as by their divergence the balls B have power over it, the passage of the pipe will be closed by the valve V, and the passage of steam entirely stopped; and, on the other hand, when the balls subside to their lowest position, the valve will be presented with its edge in the direction of the tube, so as to intercept no part of the steam.

The property which renders this instrument so admirably adapted to the purpose to which it is applied is, that when the divergence of the balls is not very considerable, they must always revolve with the same velocity, whether they move at a greater or lesser distance from the vertical axis. If any circumstance increases229 that velocity, the balls instantly recede from the axis, and closing the valve V, check the supply of steam, and thereby diminishing the speed of the motion, restore the machine to its former rate. If, on the contrary, that fixed velocity be diminished, the centrifugal force being no longer sufficient to support the balls, they descend towards the axle, open the valve V, and, increasing the supply of steam, restore the proper velocity of the machine.

When the governor is applied to a water-wheel it is made to act upon the shuttle through which the water flows, and controls its quantity as effectually, and upon the same principle, as has just been explained in reference to the steam-engine. When applied to a windmill it regulates the sail-cloth so as to diminish the efficacy of the power upon the arms as the force of the wind increases, or vice versâ.

In cases where the resistance admits of easy and convenient change, the governor may act so as to accommodate it to the varying energy of the power. This is often done in corn-mills, where it acts upon the shuttle which metes out the corn to the millstones. When the power which drives the mill increases, a proportionally increased feed of corn is given to the stones, so that the resistance being varied in the ratio of the power, the same velocity will be maintained.

(304.) In some cases the centrifugal force of the revolving balls is not sufficiently great to control the power or the resistance, and regulators of a different kind must be resorted to. The following contrivance is called the water-regulator:—

A common pump is worked by the machine, whose motion is to be regulated, and water is thus raised and discharged into a cistern. It is allowed to flow from this cistern through a pipe of a given magnitude. When the water is pumped up with the same velocity as it is discharged by this pipe, it is evident that the level of the water in the cistern will be stationary, since it receives from the pump the exact quantity which it discharges230 from the pipe. But if the pump throw in more water in a given time than is discharged by the pipe, the cistern will begin to be filled, and the level of the water will rise. If, on the other hand, the supply from the pump be less than the discharge from the pipe, the level of the water in the cistern will subside. Since the rate at which water is supplied from the pump will always be proportional to the velocity of the machine, it follows that every fluctuation in this velocity will be indicated by the rising or subsiding of the level of the water in the cistern, and that level never can remain stationary, except at that exact velocity which supplies the quantity of water discharged by the pipe. This pipe may be constructed so as by an adjustment to discharge the water at any required rate; and thus the cistern may be adapted to indicate a constant velocity of any proposed amount.

If the cistern were constantly watched by an attendant, the velocity of the machine might be abated by regulating the power when the level of the water is observed to rise, or increased when it falls; but this is much more effectually and regularly performed by causing the surface of the water itself to perform the duty. A float or large hollow metal ball is placed upon the surface of the water in the cistern. This ball is connected with a lever acting upon some part of the machinery, which controls the power or regulates the amount of resistance, as already explained in the case of the governor. When the level of the water rises, the buoyancy of the ball causes it to rise also with a force equal to the difference between its own weight and the weight of as much water as it displaces. By enlarging the floating ball, a force may be obtained sufficiently great to move those parts of the machinery which act upon the power or resistance, and thus either to diminish the supply of the moving principle or to increase the amount of the resistance, and thereby retard the motion and reduce the velocity to its proper limit. When the level of the water in the cistern falls, the floating ball being no longer supported on the liquid231 surface, descends with the force of its own weight, and producing an effect upon the power or resistance contrary to the former, increases the effective energy of the one, or diminishes that of the other, until the velocity proper to the machine be restored.

The sensibility of these regulators is increased by making the surface of water in the cistern as small as possible; for then a small change in the rate at which the water is supplied by the pump will produce a considerable change in the level of the water in the cistern.

Instead of using a float, the cistern itself may be suspended from the lever which controls the supply of the power, and in this case a sliding weight may be placed on the other arm, so that it will balance the cistern when it contains that quantity of water which corresponds to the fixed level already explained. If the quantity of water in the cistern be increased by an undue velocity of the machine, the weight of the cistern will preponderate, draw down the arm of the lever, and check the supply of the power. If, on the other hand, the supply of water be too small, the cistern will no longer balance the counterpoise, the arm by which it is suspended will be raised, and the energy of the power will be increased.

(305.) In the steam-engine the self-regulating principle is carried to an astonishing pitch of perfection. The machine itself raises in due quantity the cold water necessary to condense the steam. It pumps off the hot water produced by the steam, which has been cooled, and lodges it in a reservoir for the supply of the boiler. It carries from this reservoir exactly that quantity of water which is necessary to supply the wants of the boiler, and lodges it therein according as it is required. It breathes the boiler of redundant steam, and preserves that which remains fit, both in quantity and quality, for the use of the engine. It blows its own fire, maintaining its intensity, and increasing or diminishing it according to the quantity of steam which it is necessary to raise; so that when much work is expected from the engine, the fire232 is proportionally brisk and vivid. It breaks and prepares its own fuel, and scatters it upon the bars at proper times and in due quantity. It opens and closes its several valves at the proper moments, works its own pumps, turns its own wheels, and is only not alive. Among so many beautiful examples of the self-regulating principle, it is difficult to select. We shall, however, mention one or two, and for others refer the reader to our treatise on this subject.3

It is necessary in this machine that the water in the boiler be maintained constantly at the same level, and, therefore, that as much be supplied, from time to time, as is consumed by evaporation. A pump which is wrought by the engine itself supplies a cistern C, fig. 145., with hot water. At the bottom of this cistern is a valve V opening into a tube which descends into the boiler. This valve is connected by a wire with the arm of a lever on the fulcrum D, the other arm E of which is also connected by a wire with a stone float F, which is partially immersed in the water of the boiler, and is balanced by a sliding weight A. The weight A only counterpoises the stone float F by the aid of its buoyance in the water; for if the water be removed, the stone F will preponderate, and raise the weight A. When the water in the boiler is at its proper level, the length of the wire connecting the valve V with the lever is so adjusted that this valve shall be closed, the wire at the same time being fully extended. When, by evaporation, the water in the boiler begins to be diminished, the level falls, and the stone weight F, being no longer supported, overcomes the counterpoise A, raises the arm of the lever, and, pulling the wire, opens the valve V. The water in the cistern C then flows through the tube into the boiler, and continues to flow until the level be so raised that the stone weight F is again elevated, the valve V closed, and the further supply of water from the cistern C suspended.

In order to render the operation of this apparatus233 easily intelligible, we have here supposed an imperfection which does not exist. According to what has just been stated, the level of the water in the boiler descends from its proper height, and subsequently returns to it. But, in fact, this does not happen. The float F and valve V adjust themselves, so that a constant supply of water passes through the valve, which proceeds exactly at the same rate as that at which the water in the boiler is consumed.

(306.) In the same machine there occurs a singularly happy example of self-adjustment, in the method by which the strength of the fire is regulated. The governor regulates the supply of steam to the engine, and proportions it to the work to be done. With this work, therefore, the demands upon the boiler increase or diminish, and with these demands the production of steam in the boiler ought to vary. In fact, the rate at which steam is generated in the boiler, ought to be equal to that at which it is consumed in the engine, otherwise one of two effects must ensue: either the boiler will fail to supply the engine with steam, or steam will accumulate in the boiler, being produced in undue quantity, and, escaping at the safety valve, will thus be wasted. It is, therefore, necessary to control the agent which generates the steam, namely, the fire, and to vary its intensity from time to time, proportioning it to the demands of the engine. To accomplish this, the following contrivance has been adopted:—Let T, fig. 146., be a tube inserted in the top of the boiler, and descending nearly to the bottom. The pressure of the steam confined in the boiler, acting upon the surface of the water, forces it to a certain height in the tube T. A weight F, half immersed in the water in the tube, is suspended by a chain, which passes over the wheels P P′, and is balanced by a metal plate D, in the same manner as the stone float, fig. 145., is balanced by the weight A. The plate D passes through the mouth of the flue E as it issues finally from the boiler; so that when the plate D falls it stops the flue, suspending thereby the draught of air through the furnace,234 mitigating the intensity of the fire, and checking the production of steam. If, on the contrary, the plate D be drawn up, the draught is increased, the fire is rendered more active, and the production of steam in the boiler is stimulated. Now, suppose that the boiler produces steam faster than the engine consumes it, either because the load on the engine has been diminished, and, therefore, its consumption of steam reduced, or because the fire has become too intense; the consequence is, that the steam, beginning to accumulate in the boiler, will press upon the surface of the water with increased force, and the water will be raised in the tube T. The weight F will, therefore, be lifted, and the plate D will descend, diminish, or stop the draught, mitigate the fire, and retard the production of steam, and will continue to do so until the rate at which steam is produced shall be commensurate to the wants of the engine. If, on the other hand, the production of steam be inadequate to the exigency of the machine, either because of an increased load, or of the insufficient force of the fire, the steam in the boiler will lose its elasticity, and the surface of the water not sustaining its wonted pressure, the water in the tube T will fall; consequently the weight F will descend, and the plate D will be raised. The flue being thus opened, the draught will be increased, and the fire rendered more intense. Thus the production of steam becomes more rapid, and is rendered sufficiently abundant for the purposes of the engine. This apparatus is called the self-acting damper.

(307.) When a perfectly uniform rate of motion has not been attained, it is often necessary to indicate small variations of velocity. The following contrivance, called a tachometer4, has been invented to accomplish this. A cup, fig. 147., is filled to the level C D with quicksilver, and is attached to a spindle, which is whirled by the machine in the same manner as the governor already described. It is well known that the centrifugal force produced by this whirling motion will cause the mer235cury to recede from the centre and rise upon the sides of the cup, so that its surface will assume the concave appearance represented in fig. 148. In this case the centre of the surface will obviously have fallen below its original level, fig. 147., and the edges will have risen above that level. As this effect is produced by the velocity of the machine, so it is proportionate to that velocity, and subject to corresponding variations. Any method of rendering visible small changes in the central level of the surface of the quicksilver will indicate minute variations in the velocity of the machine.

A glass tube A, open at both ends, and expanding at one extremity into a bell B, is immersed with its wider end in the mercury, the surface of which will stand at the same level in the bell B, and in the cup C D. The tube is so suspended as to be unconnected with the cup. This tube is then filled to a certain height A, with spirits tinged with some colouring matter, to render it easily observable. When the cup is whirled by the machine to which it is attached, the level of the quicksilver in the bell falls, leaving more space for the spirits, which, therefore, descends in the tube. As the motion is continued, every change of velocity causes a corresponding change in the level of the mercury, and, therefore, also in the level A of the spirits. It will be observed, that, in consequence of the capacity of the bell B being much greater than that of the tube A, a very small change in the level of the quicksilver in the bell will produce a considerable change in the height of the spirits in the tube. Thus this ingenious instrument becomes a very delicate indicator of variations in the motion of machinery.

(308.) The governor, and other methods of regulating the motion of machinery which have been just described, are adapted principally to cases in which the proportion of the resistance to the load is subject to certain fluctuations or gradual changes, or at least to cases in which the resistance is not at any time entirely withdrawn, nor the energy of the power actually suspended.236 Circumstances, however, frequently occur in which, while the power remains in full activity, the resistance is at intervals suddenly removed and as suddenly again returns. On the other hand, cases also present themselves, in which, while the resistance is continued, the impelling power is subject to intermission at regular periods. In the former case, the machine would be driven with a ruinous rapidity during those periods at which it is relieved from its load, and on the return of the load every part would suffer a violent strain, from its endeavour to retain the velocity which it had acquired, and the speedy destruction of the engine could not fail to ensue. In the latter case, the motion would be greatly retarded or entirely suspended during those periods at which the moving power is deprived of its activity, and, consequently, the motion which it would communicate would be so irregular as to be useless for the purposes of manufactures.

It is also frequently desirable, by means of a weak but continued power, to produce a severe but instantaneous effect. Thus a blow may be required to be given by the muscular action of a man’s arm with a force to which, unaided by mechanical contrivance, its strength would be entirely inadequate.

In all these cases, it is evident that the object to be attained is, an effectual method of accumulating the energy of the power so as to make it available after the action by which it has been produced has ceased. Thus, in the case in which the load is at periodical intervals withdrawn from the machine, if the force of the power could be imparted to something by which it would be preserved, so as to be brought against the load when it again returned, the inconvenience would be removed. In like manner, in the case where the power itself is subject to intermission, if a part of the force which it exerts in its intervals of action could be accumulated and preserved, it might be brought to bear upon the machine during its periods of suspension. By the same means of accumulating force, the strength of an infant, by repeated efforts,237 might produce effects which would be vainly attempted by the single and momentary action of the strongest man.

(309.) The property of inertia, explained and illustrated in the third and fourth chapters of this volume furnishes an easy and effectual method of accomplishing this. A mass of matter retains, by virtue of its inertia, the whole of any force which may have been given to it, except that part of which friction and the atmospheric resistance deprives it. By contrivances which are well known and present no difficulty, the part of the moving force thus lost may be rendered comparatively small, and the moving mass may be regarded as retaining nearly the whole of the force impressed upon it. To render this method of accumulating force fully intelligible, let us first imagine a polished level plane on which a heavy globe of metal, also polished, is placed. It is evident that the globe will remain at rest on any part of the plane without a tendency to move in any direction. As the friction is nearly removed by the polish of the surfaces, the globe will be easily moved by the least force applied to it. Suppose a slight impulse given to it, which will cause it to move at the rate of one foot in a second. Setting aside the effects of friction, it will continue to move at this rate for any length of time. The same impulse repeated will increase its speed to two feet per second. A third impulse to three feet, and so on. Thus 10,000 repetitions of the impulse will cause it to move at the rate of 10,000 feet per second. If the body to which these impulses were communicated were a cannon ball, it might, by a constant repetition of the impelling force, be at length made to move with as much force as if it were projected from the most powerful piece of ordnance. The force with which the ball in such a case would strike a building might be sufficient to reduce it to ruins, and yet such force would be nothing more than the accumulation of a number of weak efforts not beyond the power of a child to exert, which are stored up, and preserved, as it were, by the238 moving mass, and thereby brought to bear, at the same moment, upon the point to which the force is directed. It is the sum of a number of actions exerted successively, and, during a long interval, brought into operation at one and the same moment.

But the case which is here supposed cannot actually occur; because we have not usually any practical means of moving a body for any considerable time in the same direction without much friction, and without encountering numerous obstacles which would impede its progress. It is not, however, essential to the effect which is to be produced, that the motion should be in a straight line. If a leaden weight be attached to the end of a light rod or cord, and be whirled by the force of the arm in a circle, it will gradually acquire increased speed and force, and at length may receive an impetus which would cause it to penetrate a piece of board as effectually as if it were discharged from a musket.

The force of a hammer or sledge depends partly on its weight, but much more on the principle just explained. Were it allowed merely to fall by the force of its weight upon the head of a nail, or upon a bar of heated iron which is to be flattened, an inconsiderable effect would be produced. But when it is wielded by the arm of a man, it receives at every moment of its motion increased force, which is finally expended in a single instant on the head of the nail, or on the bar of iron.

The effects of flails in threshing, of clubs, whips, canes, and instruments for striking, axes, hatchets, cleavers, and all instruments which cut by a blow, depend on the same principle, and are similarly explained.

The bow-string which impels the arrow does not produce its effect at once. It continues to act upon the shaft until it resumes its straight position, and then the arrow takes flight with the force accumulated during the continuance of the action of the string, from the moment it was disengaged from the finger of the bow-man.

Fire-arms themselves act upon a similar principle,239 as also the air-gun and steam-gun. In these instruments the ball is placed in a tube, and suddenly exposed to the pressure of a highly elastic fluid, either produced by explosion as in fire-arms, by previous condensation as in the air-gun, or by the evaporation of highly heated liquids as in the steam-gun. But in every case this pressure continues to act upon it until it leaves the mouth of the tube, and then it departs with the whole force communicated to it during its passage along the tube.

(310.) From all these considerations it will easily be perceived that a mass of inert matter may be regarded as a magazine in which force may be deposited and accumulated, to be used in any way which may be necessary. For many reasons, which will be sufficiently obvious, the form commonly given to the mass of matter used for this purpose in machinery is that of a wheel, in the rim of which it is principally collected. Conceive a massive ring of metal, fig. 149., connected with a central box or nave by light spokes, and turning on an axis with little friction. Such an apparatus is called a fly-wheel. If any force be applied to it, with that force (making some slight deduction for friction) it will move, and will continue to move until some obstacle be opposed to its motion, which will receive from it a part of the force it has acquired. The uses of this apparatus will be easily understood by examples of its application.

Suppose that a heavy stamper or hammer is to be raised to a certain height, and thence to be allowed to fall, and that the power used for this purpose is a water-wheel. While the stamper ascends, the power of the wheel is nearly balanced by its weight, and the motion of the machine is slow. But the moment the stamper is disengaged and allowed to fall, the power of the wheel, having no resistance, nor any object on which to expend itself, suddenly accelerates the machine, which moves with a speed proportioned to the amount of the power, until it again engages the stamper, when its velocity is as suddenly checked. Every part suffers a strain, and the machine moves again slowly until it discharges its240 load, when it is again accelerated, and so on. In this case, besides the certainty of injury and wear, and the probability of fracture from the sudden and frequent changes of velocity, nearly the whole force exerted by the power in the intervals between the commencement of each descent of the stamper and the next ascent is lost. These defects are removed by a fly-wheel. When the stamper is discharged, the energy of the power is expended in moving the wheel, which, by reason of its great mass, will not receive an undue velocity. In the interval between the descent and ascent of the stamper, the force of the power is lodged in the heavy rim of the fly-wheel. When the stamper is again taken up by the machine, this force is brought to bear upon it, combined with the immediate power of the water-wheel, and the stamper is elevated with nearly the same velocity as that with which the machine moved in the interval of its descent.

(311.) In many cases, when the moving power is not subject to variation, the efficacy of the machine to transmit it to the working point is subject to continual change. The several parts of every machine have certain periods of motion, in which they pass through a variety of positions, to which they continually return after stated intervals. In these different positions the effect of the power transmitted to the working point is different; and cases even occur in which this effect is altogether annihilated, and the machine is brought into a predicament in which the power loses all influence over the weight. In such cases the aid of a fly-wheel is effectual and indispensable. In those phases of the machine, which are most favourable to the transmission of force, the fly-wheel shares the effect of the power with the load, and retaining the force thus received directs it upon the load at the moments when the transmission of power by the machine is either feeble or altogether suspended. These general observations will, perhaps, be more clearly apprehended by an example of an application of the fly-wheel, in a case such as those now alluded to.

241

Let A B C D E F, fig. 150., be a crank, which is a double winch (252.) and fig. 89.), by which an axle, A B E F, is to be turned. Attached to the middle of C D by a joint is a rod, which is connected with a beam, worked with an alternate motion on a centre, like the brake of a pump, and driven by any constant power, such as a steam-engine. The bar C D is to be carried with a circular motion round the axis A E. Let the machine, viewed in the direction A B E F of the axis, be conceived to be represented in fig. 151., where A represents the centre round which the motion is to be produced, and G the point where the connecting rod G H is attached to the arm of the crank. The circle through which G is to be urged by the rod is represented by the dotted line. In the position represented in fig. 151., the rod acting in the direction H G has its full power to turn the crank G A round the centre A. As the crank comes into the position represented in fig. 152., this power is diminished, and when the point G comes immediately below A, as in fig. 153., the force in the direction H G has no effect in turning the crank round A, but, on the contrary, is entirely expended in pulling the crank in the direction A G, and, therefore, only acts upon the pivots or gudgeons which support the axle. At this crisis of the motion, therefore, the whole effective energy of the power is annihilated.

After the crank has passed to the position represented in fig. 154., the direction of the force which acts upon the connecting rod is changed, and now the crank is drawn upward in the direction G H. In this position the moving force has some efficacy to produce rotation round A, which efficacy continually increases until the crank attains the position shown in fig. 155., when its power is greatest. Passing from this position its efficacy is continually diminished, until the point G comes immediately above the axis A, fig. 156. Here again the power loses all its efficacy to turn the axle. The force in the direction G H or H G can obviously produce no other effect than a strain upon the pivots or gudgeons.

242

In the critical situations represented in fig. 153., and fig. 156., the machine would be incapable of moving, were the immediate force of the power the only impelling principle. But having been previously in motion by virtue of the inertia of its various parts, it has a tendency to continue in motion; and if the resistance of the load and the effects of friction be not too great, this disposition to preserve its state of motion will extricate the machine from the dilemma in which it is involved in the cases just mentioned, by the peculiar arrangement of its parts. In many cases, however, the force thus acquired during the phases of the machine, in which the power is active, is insufficient to carry it through the dead points (fig. 153. and fig. 156.); and in all cases the motion would be very unequal, being continually retarded as it approached these points, and continually accelerated after it passed them. A fly-wheel attached to the axis A, or to some other part of the machinery, will effectually remove this defect. When the crank assumes the positions in fig. 151. and fig. 155., the power is in full play upon it, and a share of the effect is imparted to the massive rim of the fly-wheel. When the crank gets into the predicament exhibited in fig. 153. and fig. 156., the momentum which the fly-wheel received when the crank acted with most advantage, immediately extricates the machine, and, carrying the crank beyond the dead point, brings the power again to bear upon it.

The astonishing effects of a fly-wheel, as an accumulator of force, have led some into the error of supposing that such an apparatus increases the actual power of a machine. It is hoped, however, that after what has been explained respecting the inertia of matter and the true effects of machines, the reader will not be liable to a similar mistake. On the contrary, as a fly cannot act without friction, and as the amount of the friction, like that of inertia, is in proportion to the weight, a portion of the actual moving force must unavoidably be lost by the use of a fly. In cases, however, where a fly is properly243 applied this loss of power is inconsiderable, compared with the advantageous distribution of what remains.

C. Varley, del. H. Adlard, sc.

London, Pubd. by Longman & Co.

As an accumulator of force, a fly can never have more force than has been applied to put it in motion. In this respect it is analogous to an elastic spring, or the force of condensed air, or any other power which derives its existence from causes purely mechanical. In bending a spring a gradual expenditure of power is necessary. On the recoil this power is exerted in a much shorter time than that consumed in its production, but its total amount is not altered. Air is condensed by a succession of manual efforts, one of which alone would be incapable of projecting a leaden ball with any considerable force, and all of which could not be immediately applied to the ball at the same instant. But the reservoir of condensed air is a magazine in which a great number of such efforts are stored up, so as to be brought at once into action. If a ball be exposed to their effect, it may be projected with a destructive force.

In mills for rolling metal the fly-wheel is used in this way. The water-wheel or other moving power is allowed for some time to act upon the fly-wheel alone, no load being placed upon the machine. A force is thus gained which is sufficient to roll a large piece of metal, to which without such means the mill would be quite inadequate. In the same manner a force may be gained by the arm of a man acting on a fly for a few seconds, sufficient to impress an image on a piece of metal by an instantaneous stroke. The fly is, therefore, the principal agent in coining presses.

(312.) The power of a fly is often transmitted to the working point by means of a screw. At the extremities of the cross arm A B, fig. 157., which works the screw, two heavy balls of metal are placed. When the arm A B is whirled round, those masses of metal acquire a momentum, by which the screw, being driven downward, urges the die with an immense force against the substance destined to receive the impression.

Some engines used in coining have flies with arms244 four feet long, bearing one hundred weight at each of their extremities. By turning such an arm at the rate of one entire circumference in a second, the die will be driven against the metal with the same force as that with which 7500 pounds weight would fall from the height of 16 feet; an enormous power, if the simplicity and compactness of the machine be considered.

The place to be assigned to a fly-wheel relatively to the other parts of the machinery is determined by the purpose for which it is used. If it be intended to equalise the action, it should be near the working point. Thus, in a steam-engine, it is placed on the crank which turns the axle by which the power of the engine is transmitted to the object it is finally designed to affect. On the contrary, in handmills, such as those commonly used for grinding coffee, &c., it is placed upon the axis of the winch by which the machine is worked.

The open work of fenders, fire-grates, and similar ornamental articles constructed in metal, is produced by the action of a fly, in the manner already described. The cutting tool, shaped according to the pattern to be executed, is attached to the end of the screw; and the metal being held in a proper position beneath it, the fly is made to urge the tool downwards with such force as to stamp out pieces of the required figure. When the pattern is complicated, and it is necessary to preserve with exactness the relative situation of its different parts, a number of punches are impelled together, so as to strike the entire piece of metal at the same instant, and in this manner the most elaborate open work is executed by a single stroke.


245

CHAP. XVIII.
MECHANICAL CONTRIVANCES FOR MODIFYING MOTION.

(313.) The classes of simple machines denominated mechanic powers, have relation chiefly to the peculiar principle which determines the action of the power on the weight or resistance. In explaining this arrangement various other reflections have been incidentally mixed up with our investigations; yet still much remains to be unfolded before the student can form a just notion of those means by which the complex machinery used in the arts and manufactures so effectually attains the ends, to the accomplishment of which it is directed.

By a power of a given energy to oppose a resistance of a different energy, or by a moving principle having a given velocity to generate another velocity of a different amount, is only one of the many objects to be effected by a machine. In the arts and manufactures the kind of motion produced is generally of greater importance than its rate. The latter may affect the quantity of work done in a given time, but the former is essential to the performance of the work in any quantity whatever. In the practical application of machines, the object to be attained is generally to communicate to the working point some peculiar sort of motion suitable to the uses for which the machine is intended; but it rarely happens that the moving power has this sort of motion. Hence, the machine must be so contrived that, while that part on which this power acts is capable of moving in obedience to it, its connection with the other parts shall be such that the working point may receive that motion which is necessary for the purposes to which the machine is applied.

To give a perfect solution of this problem it would be necessary to explain, first, all the varieties of moving246 powers which are at our disposal; secondly, all the variety of motions which it may be necessary to produce; and, thirdly, to show all the methods by which each variety of prime mover may be made to produce the several species of motion in the working point. It is obvious that such an enumeration would be impracticable, and even an approximation to it would be unsuitable to the present treatise. Nevertheless, so much ingenuity has been displayed in many of the contrivances for modifying motion, and an acquaintance with some of them is so essential to a clear comprehension of the nature and operation of complex machines, that it would be improper to omit some account of those at least which most frequently occur in machinery, or which are most conspicuous for elegance and simplicity.

The varieties of motion which most commonly present themselves in the practical application of mechanics may be divided into rectilinear and rotatory. In rectilinear motion the several parts of the moving body proceed in parallel straight lines with the same speed. In rotatory motion the several points revolve round an axis, each performing a complete circle, or similar parts of a circle, in the same time.

Each of these may again be resolved into continued and reciprocating. In a continued motion, whether rectilinear or rotatory, the parts move constantly in the same direction, whether that be in parallel straight lines, or in rotation on an axis. In reciprocating motion the several parts move alternately in opposite directions, tracing the same spaces from end to end continually. Thus, there are four principal species of motion which more frequently than any others act upon, or are required to be transmitted by, machines:—

1. Continued rectilinear motion.
2. Reciprocating rectilinear motion.
3. Continued circular motion.
4. Reciprocating circular motion.

These will be more clearly understood by examples of each kind.

247

Continued rectilinear motion is observed in the flowing of a river, in a fall of water, in the blowing of the wind, in the motion of an animal upon a straight road, in the perpendicular fall of a heavy body, in the motion of a body down an inclined plane.

Reciprocating rectilinear motion is seen in the piston of a common syringe, in the rod of a common pump, in the hammer of a pavier, the piston of a steam-engine, the stampers of a fulling mill.

Continued circular motion is exhibited in all kinds of wheel-work, and is so common, that to particularise it is needless.

Reciprocating circular motion is seen in the pendulum of a clock, and in the balance-wheel of a watch.

We shall now explain some of the contrivances by which a power having one of these motions may be made to communicate either the same species of motion changed in its velocity or direction, or any of the other three kinds of motion.

(314.) By a continued rectilinear motion another continued rectilinear motion in a different direction may be produced, by one or more fixed pulleys. A cord passed over these, one end of it being moved by the power, will transmit the same motion unchanged to the other end. If the directions of the two motions cross each other, one fixed pulley will be sufficient; see fig. 113., where the hand takes the direction of the one motion, and the weight that of the other. In this case the pulley must be placed in the angle at which the directions of the two motions cross each other. If this angle be distant from the places at which the objects in motion are situate, an inconvenient length of rope may be necessary. In this case the same may be effected by the use of two pulleys, as in fig. 158.

If the directions of the two motions be parallel, two pulleys must be used as in fig. 158., where P′ A′ is one motion, and B W the other. In these cases the axles of the two wheels are parallel.

It may so happen that the directions of the two mo248tions neither cross each other nor are parallel. This would happen, for example, if the direction of one were upon the paper in the line P A, while the other were perpendicular to the paper from the point O. In this case two pulleys should be used, the axle of one O′ being perpendicular to the paper, while the axle of the other O should be on the paper. This will be evident by a little reflection.

In general, the axle of each pulley must be perpendicular to the two directions in which the rope passes from its groove; and by due attention to this condition it will be perceived, that a continued rectilinear motion may be transferred from any one direction to any other direction, by means of a cord and two pulleys, without changing its velocity.

If it be necessary to change the velocity, any of the systems of pulleys described in chap. XV. may be used in addition to the fixed pulleys.

By the wheel and axle any one continued rectilinear motion may be made to produce another in any other direction, and with any other velocity. It has been already explained (250.) that the proportion of the velocity of the power to that of the weight is as the diameter of the wheel to the diameter of the axle. The thickness of the axle being therefore regulated in relation to the size of the wheel, so that their diameters shall have that proportion which subsists between the proposed velocities, one condition of the problem will be fulfilled. The rope coiled upon the axle may be carried, by means of one or more fixed pulleys, into the direction of one of the proposed motions, while that which surrounds the wheel is carried into the direction of the other by similar means.

(315.) By the wheel and axle a continued rectilinear motion may be made to produce a continued rotatory motion, or vice versâ. If the power be applied by a rope coiled upon the wheel, the continued motion of the power in a straight line will cause the machine to have a rotatory motion. Again, if the weight be applied by249 a rope coiled upon the axle, a power having a rotatory motion applied to the wheel will cause the continued ascent of the weight in a straight line.

Continued rectilinear and rotatory motions may be made to produce each other, by causing a toothed wheel to work in a straight bar, called a rack, carrying teeth upon its edge. Such an apparatus is represented in fig. 159.

In some cases the teeth of the wheel work in the links of a chain. The wheel is then called a rag-wheel, fig. 160.

Straps, bands, or ropes, may communicate rotation to a wheel, by their friction in a groove upon its edge.

A continued rectilinear motion is produced by a continued circular motion in the case of a screw. The lever which turns the screw has a continued circular motion, while the screw itself advances with a continued rectilinear motion.

The continued rectilinear motion of a stream of water acting upon a wheel produces continued circular motion in the wheel, fig. 93, 94, 95. In like manner the continued rectilinear motion of the wind produces a continued circular motion in the arms of a windmill.

Cranes for raising and lowering heavy weights convert a circular motion of the power into a continued rectilinear motion of the weight.

(316.) Continued circular motion may produce reciprocating rectilinear motion, by a great variety of ingenious contrivances.

Reciprocating rectilinear motion is used when heavy stampers are to be raised to a certain height, and allowed to fall upon some object placed beneath them. This may be accomplished by a wheel bearing on its edge curved teeth, called wipers. The stamper is furnished with a projecting arm or peg, beneath which the wipers are successively brought by the revolution of the wheel. As the wheel revolves the wiper raises the stamper, until its extremity passes the extremity of the projecting arm of the stamper, when the latter imme250diately falls by its own weight. It is then taken up by the next wiper, and so the process is continued.

A similar effect is produced if the wheel be partially furnished with teeth, and the stamper carry a rack in which these teeth work. Such an apparatus is represented in fig. 161.

It is sometimes necessary that the reciprocating rectilinear motion shall be performed at a certain varying rate in both directions. This may be accomplished by the machine represented in fig. 162. A wheel upon the axle C turns uniformly in the direction A B D E. A rod mn moves in guides, which only permit it to ascend and descend perpendicularly. Its extremity m rests upon a path or groove raised from the face of the wheel, and shaped into such a curve that as the wheel revolves the rod mn shall be moved alternately in opposite directions through the guides, with the required velocity. The manner in which the velocity varies will depend on the form given to the groove or channel raised upon the face of the wheel, and this may be shaped so as to give any variation to the motion of the rod mn which may be required for the purpose to which it is to be applied.

The rose-engine in the turning-lathe is constructed on this principle. It is also used in spinning machinery.

It is often necessary that the rod to which reciprocating motion is communicated shall be urged by the same force in both directions. A wheel partially furnished with teeth, acting on two racks placed on different sides of it, and both connected with the bar or rod to which the reciprocating motion is to be communicated, will accomplish this. Such an apparatus is represented in fig. 163., and needs no further explanation.

Another contrivance for the same purpose is shown in fig. 164., where A is a wheel turned by a winch H, and connected with a rod or beam moving in guides by the joint ab. As the wheel A is turned by the winch H the beam is moved between the guides alternately in251 opposite directions, the extent of its range being governed by the length of the diameter of the wheel. Such an apparatus is used for grinding and polishing plane surfaces, and also occurs in silk machinery.

An apparatus applied by M. Zureda in a machine for pricking holes in leather is represented in fig. 165. The wheel A B has its circumference formed into teeth, the shape of which may be varied according to the circumstances under which it is to be applied. One extremity of the rod ab rests upon the teeth of the wheel upon which it is pressed by a spring at the other extremity. When the wheel revolves, it communicates to this rod a reciprocating rectilinear motion.

Leupold has applied this mechanism to move the pistons of pumps.5 Upon the vertical axis of a horizontal hydraulic wheel is fixed another horizontal wheel, which is furnished with seven teeth in the manner of a crown wheel (263.). These teeth are shaped like inclined planes, the intervals between them being equal to the length of the planes. Projecting arms attached to the piston rods rest upon the crown of this wheel; and, as it revolves, the inclined surfaces of the teeth, being forced under the arm, raise the rod upon the principle of the wedge. To diminish the obstruction arising from friction, the projecting arms of the piston rods are provided with rollers, which run upon the teeth of the wheel. In one revolution of the wheel each piston makes as many ascents and descents as there are teeth.

(317.) Wheel-work furnishes numerous examples of continued circular motion round one axis, producing continued circular motion round another. If the axles be in parallel directions, and not too distant, rotation may be transmitted from one to the other by two spur-wheels (263.); and the relative velocities may be determined by giving a corresponding proportion to the diameter of the wheels.

If a rotary motion is to be communicated from one axis to another parallel to it, and at any considerable252 distance, it cannot in practice be accomplished by wheels alone, for their diameters would be too large. In this case a strap or chain is carried round the circumferences of both wheels. If they are intended to turn in the same direction, the strap is arranged as in fig. 100.; but if in contrary directions it is crossed, as in fig. 101. In this case, as with toothed wheels, the relative velocities are determined by the proportion of the diameters of the wheels.

If the axles be distant and not parallel, the cord, by which the motion is transmitted, must be passed over grooved wheels, or fixed pulleys, properly placed between the two axles.

It may happen that the strain upon the wheel, to which the motion is to be transmitted, is too great to allow of a strap or cord being used. In this case, a shaft extending from the one axis to another, and carrying two bevelled wheels (263.), will accomplish the object. One of these bevelled wheels is placed upon the shaft near to, and in connection with, the wheel from which the motion is to be taken, and the other at a part of it near to, and in connection with, that wheel to which the motion is to be conveyed, fig. 166.

The methods of transmitting rotation from one axis to another perpendicular to it, by crown and by bevelled wheels, have been explained in (263.).

The endless screw (299.) is a machine by which a rotatory motion round one axis may communicate a rotatory motion round another perpendicular to it. The power revolves round an axis coinciding with the length of the screw, and the axis of the wheel driven by the screw is at right angles to this.

The axis to which rotation is to be given, or from which it is to be taken, is sometimes variable in its position. In such cases, an ingenious contrivance, called a universal joint, invented by the celebrated Dr. Hooke, may be used. The two shafts or axles A B, fig. 167., between which the motion is to be communicated, terminate in semicircles, the diameters of which, C D and253 E F, are fixed in the form of a cross, their extremities moving freely in bushes placed in the extremities of the semicircles. Thus, while the central cross remains unmoved, the shaft A and its semicircular end may revolve round C D as an axis; and the shaft B and its semicircular end may revolve round E F as an axis. If the shaft A be made to revolve without changing its direction, the points C D will move in a circle whose centre is at the middle of the cross. The motion thus given to the cross will cause the points E F to move in another circle round the same centre, and hence the shaft B will be made to revolve.

C. Varley, del. H. Adlard, sc.

London, Pubd. by Longman & Co.

This instrument will not transmit the motion if the angle under the directions of the shafts be less than 140°. In this case a double joint, as represented in fig. 168., will answer the purpose. This consists of four semicircles united by two crosses, and its principle and operation is the same as in the last case.

Universal joints are of great use in adjusting the position of large telescopes, where, while the observer continues to look through the tube, it is necessary to turn endless screws or wheels whose axes are not in an accessible position.

The cross is not indispensably necessary in the universal joint. A hoop, with four pins projecting from it at four points equally distant from each other, or dividing the circle of the hoop into four equal arcs, will answer the purpose. These pins play in the bushes of the semicircles in the same manner as those of the cross.

The universal joint is much used in cotton-mills, where shafts are carried to a considerable distance from the prime mover, and great advantage is gained by dividing them into convenient lengths, connected by a joint of this kind.

(318.) In the practical application of machinery, it is often necessary to connect a part having a continued circular motion with another which has a reciprocating or alternate motion, so that either may move the other.254 There are many contrivances by which this may be effected.

One of the most remarkable examples of it is presented in the scapements of watches and clocks. In this case, however, it can scarcely be said with strict propriety that it is the rotation of the scapement-wheel (266.) which communicates the vibration to the balance-wheel or pendulum. That vibration is produced in the one case by the peculiar nature of the spiral spring fixed upon the axis of the balance-wheel, and in the other case by the gravity of the pendulum. The force of the scapement-wheel only maintains the vibration, and prevents its decay by friction and atmospheric resistance. Nevertheless, between the two parts thus moving there exists a mechanical connection, which is generally brought within the class of contrivances now under consideration.

A beam vibrating on an axis, and driven by the piston of a steam-engine, or any other power, may communicate rotary motion to an axis by a connector and a crank. This apparatus has been already described in (311.). Every steam-engine which works by a beam affords an example of this. The working beam is generally placed over the engine, the piston rod being attached to one end of it, while the connecting rod unites the other end with the crank. In boat-engines, however, this position would be inconvenient, requiring more room than could easily be spared. The piston rod, in these cases, is, therefore, connected with the end of the beam by long rods, and the beam is placed beside and below the engine. The use of a fly-wheel here would also be objectionable. The effect of the dead points explained in (311.) is avoided without the aid of a fly, by placing two cranks upon the revolving axle, and working them by two pistons. The cranks are so placed that when either is at its dead point, the other is in its most favourable position.

A wheel A, fig. 169., armed with wipers, acting upon a sledge-hammer B, fixed upon a centre or axle C, will, by a continued rotatory motion, give the hammer255 the reciprocating motion necessary for the purposes to which it is applied. The manner in which this acts must be evident on inspecting the figure.

The treddle of the lathe furnishes an obvious example of a vibrating circular motion producing a continued circular one. The treddle acts upon a crank, which gives motion to the principal wheel, in the same manner as already described in reference to the working beam and crank in the steam-engine.

By the following ingenious mechanism an alternate or vibrating force may be made to communicate a circular motion continually in the same direction. Let A B, fig. 170., be an axis receiving an alternate motion from some force applied to it, such as a swinging weight. Two ratchet wheels (253.) m and n are fixed on this axle, their teeth being inclined in opposite directions. Two toothed wheels C and D are likewise placed upon it, but so arranged that they turn upon the axle with a little friction. These wheels carry two catches p, q, which fall into the teeth of the ratchet wheels m, n, but fall on opposite sides conformably to the inclination of the teeth already mentioned. The effect of these catches is, that if the axis be made to revolve in one direction, one of the two toothed wheels is always compelled (by the catch against which the motion is directed) to revolve with it, while the other is permitted to remain stationary in obedience to any force sufficiently great to overcome its friction with the axle on which it is placed. The wheels C and D are both engaged by bevelled teeth (263.) with the wheel E.

According to this arrangement, in whichever direction the axis A B is made to revolve, the wheel E will continually turn in the same direction, and, therefore, if the axle A B be made to turn alternately in the one direction and the other, the wheel E will not change the direction of its motion. Let us suppose that the axle A B is turned against the catch p. The wheel C will then be made to turn with the axle. This will drive the wheel E in the same direction. The teeth on the opposite side of the wheel E256 being engaged with those of the wheel D, the latter will be turned upon the axle, the friction, which alone resists its motion in that direction, being overcome. Let the motion of the axle A B be now reversed. Since the teeth of the ratchet wheel n are moved against the catch q, the wheel D will be compelled to revolve with the axle. The wheel E will be driven in the same direction as before, and the wheel C will be moved on the axle A B, and in a contrary direction to the motion of the axle, the friction being overcome by the force of the wheel E. Thus, while the axle A B is turned alternately in the one direction and the other, the wheel E is constantly moved in the same direction.

It is evident that the direction in which the wheel E moves may be reversed by changing the position of the ratchet wheels and catches.

(319.) It is often necessary to communicate an alternate circular motion, like that of a pendulum, by means of an alternate motion in a straight line. A remarkable instance of this occurs in the steam engine. The moving force in this machine is the pressure of steam, which impels a piston from end to end alternately in a cylinder. The force of this piston is communicated to the working beam by a strong rod, which passes through a collar in one end of the piston. Since it is necessary that the steam included in the cylinder should not escape between the piston rod and the collar through which it moves, and yet, that it should move as freely and be subject to as little resistance as possible, the rod is turned so as to be truly cylindrical, and is well polished. It is evident that, under these circumstances, it must not be subject to any lateral or cross strain, which would bend it towards one side or the other of the cylinder. But the end of the beam to which it communicates motion, if connected immediately with the rod by a joint, would draw it alternately to the one side and the other, since it moves in the arc of a circle, the centre of which is at the centre of the beam. It is necessary, therefore, to contrive some method of connecting the rod and the end of the beam, so257 that while the one shall ascend and descend in a straight line, the other may move in the circular arc.

The method which first suggests itself to accomplish this is, to construct an arch-head upon the end of the beam, as in fig. 171. Let C be the centre on which the beam works, and let B D be an arch attached to the end of the beam, being a part of a circle having C for its centre. To the highest point B of the arch a chain is attached, which is carried upon the face of the arch B A, and the other end of which is attached to the piston rod. Under these circumstances it is evident, that when the force of the steam impels the piston downwards, the chain P A B will draw the end of the beam down, and will, therefore, elevate the other end.

When the steam-engine is used for certain purposes, such as pumping, this arrangement is sufficient. The piston in that case is not forced upwards by the pressure of steam. During its ascent it is not subject to the action of any force of steam, and the other end of the beam falls by the weight of the pump-rods drawing the piston, at the opposite end A, to the top of the cylinder. Thus the machine is in fact passive during the ascent of the piston, and exerts its power only during the descent.

If the machine, however, be applied to purposes in which a constant action of the moving force is necessary, as is always the case in manufactures, the force of the piston must drive the beam in its ascent as well as in its descent. The arrangement just described cannot effect this; for although a chain is capable of transmitting any force, by which its extremities are drawn in opposite directions, yet it is, from its flexibility, incapable of communicating a force which drives one extremity of it towards the other. In the one case the piston first pulls down the beam, and then the beam pulls up the piston. The chain, because it is inextensible, is perfectly capable of both these actions; and being flexible, it applies itself to the arch-head of the beam, so as to maintain the direction of its force upon the piston continually in the258 same straight line. But when the piston acts upon the beam in both ways, in pulling it down and pushing it up, the chain becomes inefficient, being from its flexibility incapable of the latter action.

The problem might be solved by extending the length of the piston rod, so that its extremity shall be above the beam, and using two chains; one connecting the highest point of the rod with the lowest point of the arch-head, and the other connecting the highest point of the arch-head with a point on the rod below the point which meets the arch-head when the piston is at the top of the cylinder, fig. 172.

The connection required may also be made by arming the arch-head with teeth, fig. 173., and causing the piston rod to terminate in a rack. In cases where, as in the steam-engine, smoothness of motion is essential, this method is objectionable; and under any circumstances such an apparatus is liable to rapid wear.

The method contrived by Watt, for connecting the motion of the piston with that of the beam, is one of the most ingenious and elegant solutions ever proposed for a mechanical problem. He conceived the motion of two straight rods A B, C D, fig. 174., moving on centres or pivots A and C, so that the extremities B and D would move in the arcs of circles having their centres at A and C. The extremities B and D of these rods he conceived to be connected with a third rod B D united with them by pivots on which it could turn freely. To the system of rods thus connected let an alternate motion on the centres A and C be communicated: the points B and D will move upwards and downwards in the arcs expressed by the dotted lines, but the middle point P of the connecting rod B D will move upwards and downwards without any sensible deviation from a straight line.

To prove this demonstratively would require some abstruse mathematical investigation. It may, however, be rendered in some degree apparent by reasoning of a looser and more popular nature. As the point B is raised259 to E, it is also drawn aside towards the right. At the same time the other extremity D of the rod B D is raised to E′, and is drawn aside towards the left. The ends of the rod B D being thus at the same time drawn equally towards opposite sides, its middle point P will suffer no lateral derangement, and will move directly upwards. On the other hand, if B be moved downwards to F, it will be drawn laterally to the right, while D being moved to F′ will be drawn to the left. Hence, as before, the middle point P sustains no lateral derangement, but merely descends. Thus, as the extremities B and D move upwards and downwards in circles, the middle point P moves upwards and downwards in a straight line.6

The application of this geometrical principle in the steam-engine evinces much ingenuity. The same arm of the beam usually works two pistons, that of the cylinder and that of the air-pump. The apparatus is represented on the arm of the beam in fig. 175. The beam moves alternately upwards and downwards on its axis A. Every point of it, therefore, describes a part of a circle of which A is the centre. Let B be the point which divides the arm A G into two equal parts A B and B G; and let C D be a straight rod, equal in length to G B, and fixed on a centre or pivot C on which it is at liberty to play. The end D of this rod is connected by a straight bar with the point B, by pivots on which the rod B D turns freely. If the beam be now supposed to rise and fall alternately, the points B and D will move upwards and downwards in circular arcs, and, as already explained with respect to the points B D, fig. 174., the middle point P of the connecting rod B D will move upwards and downwards without lateral deflection. To this point one of the piston rods which are to be worked is attached.

260

To comprehend the method of working the other piston, conceive a rod G P′, equal in length to B D, to be attached to the end G of the beam by a pivot on which it moves freely; and let its extremity P′ be connected with D by another rod P′ D, equal in length to G B, and playing on points at P′ and D. The piston rod of the cylinder is attached to the point P′, and this point has a motion precisely similar to that of P, without any lateral derangement, but with a range in the perpendicular direction twice as great. This will be apparent by conceiving a straight line drawn from the centre A of the beam to P′, which will also pass through P. Since G P′ is always parallel to B P, it is evident that the triangle P′ G A is always similar to P B A, and has its sides and angles similarly placed, but those sides are each twice the magnitude of the corresponding sides of the other triangle. Hence the point P′ must be subject to the same changes of position as the point P, with this difference only, that in the same time it moves over a space of twice the magnitude. In fact, the line traced by P′ is the same as that traced by P, but on a scale twice as large. This contrivance is usually called the parallel motion, but the same name is generally applied to all contrivances by which a circular motion is made to produce a rectilinear one.


CHAP. XIX.
OF FRICTION AND THE RIGIDITY OF CORDAGE.

(320.) With a view to the simplification of the elementary theory of machines, the consideration of several mechanical effects of great practical importance has been postponed, and the attention of the student has been directed exclusively to the way in which the moving power is modified in being transmitted to the resistance independently of such effects. A machine has been re261garded as an instrument by which a moving principle, inapplicable in its existing state to the purpose for which it is required, may be changed either in its velocity or direction, or in some other character, so as to be adapted to that purpose. But in accomplishing this, the several parts of the machine have been considered as possessing in a perfect degree qualities which they enjoy only in an imperfect degree; and accordingly the conclusions to which by such reasoning we are conducted are infected with errors, the amount of which will depend on the degree in which the machinery falls short of perfection in those qualities which theoretically are imputed to it.

C. Varley, del. H. Adlard, sc.

London, Pubd. by Longman & Co.

Of the several parts of a machine, some are designed to move, while others are fixed; and of those which move, some have motions differing in quantity and direction from those of others. The several parts, whether fixed or movable, are subject to various strains and pressures, which they are intended to resist. These forces not only vary according to the load which the machine has to overcome, but also according to the peculiar form and structure of the machine itself. During the operation the surfaces of the movable parts move in immediate contact with the surfaces either of fixed parts or of parts having other motions. If these surfaces were endued with perfect smoothness or polish, and the several parts subject to strains possessed perfect inflexibility and infinite strength, then the effects of machinery might be practically investigated by the principles already explained. But the materials of which every machine is formed are endued with limited strength, and therefore the load which is placed upon it must be restricted accordingly, else it will be liable to be distorted by the flexure, or even to be destroyed by the fracture of those parts which are submitted to an undue strain. The surfaces of the movable parts, and those surfaces with which they move in contact, cannot in practice be rendered so smooth but that such roughness and inequality will remain as sensibly to impede the motion. To overcome such an impediment requires no inconsiderable part of262 the moving power. This part is, therefore, intercepted before its arrival at the working point, and the resistance to be finally overcome is deprived of it. The property thus depending on the imperfect smoothness of surfaces, and impeding the motion of bodies whose surfaces are in immediate contact, is called friction. Before we can form a just estimate of the effects of machinery, it is necessary to determine the force lost by this impediment, and the laws which under different circumstances regulate that loss.

When cordage is engaged in the formation of any part of a machine, it has hitherto been considered as possessing perfect flexibility. This is not the case in practice; and the want of perfect flexibility, which is called rigidity, renders a certain quantity of force necessary to bend a cord or rope over the surface of an axle or the groove of a wheel. During the motion of the rope a different part of it must thus be continually bent, and the force which is expended in producing the necessary flexure must be derived from the moving power, and is thus intercepted on its way to the working point. In calculating the effects of cordage, due regard must be had to this waste of power; and therefore it is necessary to enquire into the laws which govern the flexure of imperfectly flexible ropes, and the way in which these affect the machines in which ropes are commonly used.

To complete, therefore, the elementary theory of machinery, we propose in the present and following chapter to explain the principal laws which determine the effects of friction, the rigidity of cordage, and the strength of materials.

(321.) If a horizontal plane surface were perfectly smooth, and free from the smallest inequalities, and a body having a flat surface also perfectly smooth were placed upon it, any force applied to the latter would put it in motion, and that motion would continue undiminished as long as the body would remain upon the smooth horizontal surface. But if this surface, instead of being every where perfectly even, had in particular263 places small projecting eminences, a certain quantity of force would be necessary to carry the moving body over these, and a proportional diminution in its rate of motion would ensue. Thus, if such eminences were of frequent occurrence, each would deprive the body of a part of its speed, so that between that and the next it would move with a less velocity than it had between the same and the preceding one. This decrease being continued by a sufficient number of such eminences encountering the body in succession, the velocity would at last be so much diminished that the body would not have sufficient force to carry it over the next eminence, and its motion would thus altogether cease.

Now, instead of the eminences being at a considerable distance asunder, suppose them to be contiguous, and to be spread in every direction over the horizontal plane, and also suppose corresponding eminences to be upon the surface of the moving body; these projections incessantly encountering one another will continually obstruct the motion of the body, and will gradually diminish its velocity, until it be reduced to a state of rest.

Such is the cause of friction. The amount of this resisting force increases with the magnitude of these asperities, or with the roughness of the surfaces; but it does not solely depend on this. The surfaces remaining the same, a little reflection on the method of illustration just adopted, will show that the amount of friction ought also to depend upon the force with which the surfaces moving one upon the other are pressed together. It is evident, that as the weight of the body supposed to move upon the horizontal plane is increased, a proportionally greater force will be necessary to carry it over the obstacles which it encounters, and therefore it will the more speedily be deprived of its velocity and reduced to a state of rest.

(322.) Thus we might predict with probability, that which accurate experimental enquiry proves to be true, that the resistance from friction depends conjointly on the roughness of the surfaces and the force of the264 pressure. When the surfaces are the same, a double pressure will produce a double amount of friction, a treble pressure a treble amount of friction, and so on.

Experiment also, however, gives a result which, at least at first view, might not have been anticipated from the mode of illustration we have adopted. It is found that the resistance arising from friction does not at all depend on the magnitude of the surface of contact; but provided the nature of the surfaces and the amount of pressure remain the same, this resistance will be equal, whether the surfaces which move one upon the other be great or small. Thus, if the moving body be a flat block of wood, the face of which is equal to a square foot in magnitude, and the edge of which does not exceed a square inch, it will be subject to the same amount of friction, whether it move upon its broad face or upon its narrow edge. If we consider the effect of the pressure in each case, we shall be able to perceive why this must be the case. Let us suppose the weight of the block to be 144 ounces. When it rests upon its face, a pressure to this amount acts upon a surface of 144 square inches, so that a pressure of one ounce acts upon each square inch. The total resistance arising from friction will, therefore, be 144 times that resistance which would be produced by a surface of one square inch under a pressure of one ounce. Now, suppose the block placed upon its edge, there is then a pressure of 144 ounces upon a surface equal to one square inch. But it has been already shown, that when the surface is the same, the friction must increase in proportion to the pressure. Hence we infer that the friction produced in the present case is 144 times the friction which would be produced by a pressure of one ounce acting on one square inch of surface, which is the same resistance as that which the body was proved to be subject to when resting on its face.

These two laws, that friction is independent of the magnitude of the surface, and is proportional to the pressure when the quality of the surfaces is the same,265 are useful in practice, and generally true. In very extreme cases they are, however, in error. When the pressure is very intense, in proportion to the surface, the friction is somewhat less than it would be by these laws; and when it is very small in proportion to the surface, it is somewhat greater.

(323.) There are two methods of establishing by experiment the laws of friction, which have been just explained.

First. The surfaces between which the friction is to be determined being rendered perfectly flat, let one be fixed in the horizontal position on a table T T′, fig. 176.; and let the other be attached to the bottom of a box B C, adapted to receive weights, so as to vary the pressure. Let a silken cord S P, attached to the box, be carried parallel to the table over a wheel at P, and let a dish D be suspended from it. If no friction existed between the surfaces, the smallest weight appended to the cord would draw the box towards P with a continually increasing speed. But the friction which always exists interrupts this effect, and a small weight may act upon the string without moving the box at all. Let weights be put in the dish D, until a sufficient force is obtained to overcome the friction without giving the box an accelerated motion. Such a weight is equivalent to the amount of the friction.

The amount of the weight of the box being previously ascertained, let this weight be now doubled by placing additional weights in the box. The pressure will thus be doubled, and it will be found that the weight of the dish D and its load, which before was able to overcome the friction, is now altogether inadequate to it. Let additional weights be placed in the dish until the friction be counteracted as before, and it will be observed, that the whole weight necessary to produce this effect is exactly twice the weight which produced it in the former case. Thus it appears that a double amount of pressure produces a double amount of friction; and in a similar way it may be proved,266 that any proposed increase or decrease of the pressure will be attended with a proportionate variation in the amount of the friction.

Second. Let one of the surfaces be attached to a flat plane A B, fig. 177., which can be placed at any inclination with an horizontal plane B C, the other surface being, as before, attached to the box adapted to receive weights. The box being placed upon the plane, let the latter be slightly elevated. The tendency of the box to descend upon A B, will bear the same proportion to its entire weight as the perpendicular A E bears to the length of the plane A B (286.). Thus if the length A B be 36 inches, and the height A E be three inches, that is a twelfth part of the length, then the tendency of the weight to move down the plane is equal to a twelfth part of its whole amount. If the weight were twelve ounces, and the surfaces perfectly smooth, a force of one ounce acting up the plane would be necessary to prevent the descent of the weight.

In this case also the pressure on the plane will be represented by the length of the base B E (286.), that is, it will bear the same proportion to the whole weight as B E bears to B A. The relative amounts of the weight, the tendency to descend, and the pressure, will always be exhibited by the relative lengths of A B, A E, and B E.

This being premised, let the elevation of the plane A B be gradually increased until the tendency of the weight to descend just overcomes the friction, but not so much as to allow the box to descend with accelerated speed. The proportion of the whole weight, which then acts down the plane, will be found by measuring the height A E, and the pressure will be determined by measuring the base B E. Now let the weight in the box be increased, and it will be found that the same elevation is necessary to overcome the friction; nor will this elevation suffer any change, however the pressure or the magnitude of the surfaces which move in contact may be varied.

267

Since, therefore, in all these cases, the height A E and the base B E remain the same, it follows that the proportion between the friction and pressure is undisturbed.

(324.) The law that friction is proportional to the pressure, has been questioned by the late professor Vince of Cambridge, who deduced from a series of experiments, that although the friction increases with the pressure, yet that it increases in a somewhat less ratio; and from this it would follow, that the variation of the surface of contact must produce some effect upon the amount of friction. The law, as we have explained it, however, is sufficiently near the truth for most practical purposes.

(325.) There are several circumstances regarding the quality of the surfaces which produce important effects on the quantity of friction, and which ought to be noticed here.

This resistance is different in the surfaces of different substances. When the surfaces are those of wood newly planed, it amounts to about half the pressure, but is different in different kinds of wood. The friction of metallic surfaces is about one fourth of the pressure.

In general the friction between the surfaces of bodies of different kinds is less than between those of the same kind. Thus, between wood and metal the friction is about one fifth of the pressure.

It is evident that the smoother the surfaces are the less will be the friction. On this account, the friction of surfaces, when first brought into contact, is often greater than after their attrition has been continued for a certain time, because that process has a tendency to remove and rub off those minute asperities and projections on which the friction depends. But this has a limit, and after a certain quantity of attrition the friction ceases to decrease. Newly planed surfaces of wood have at first a degree of friction which is equal to half the entire pressure, but after they are worn by attrition it is reduced to a third.

If the surfaces in contact be placed with their grains268 in the same direction, the friction will be greater than if the grains cross each other.

Smearing the surfaces with unctuous matter diminishes the friction, probably by filling the cavities between the minute projections which produce the friction.

When the surfaces are first placed in contact, the friction is less than when they are suffered to rest so for some time; this is proved by observing the force which in each case is necessary to move the one upon the other, that force being less if applied at the first moment of contact than when the contact has continued. This, however, has a limit. There is a certain time, different in different substances, within which this resistance attains its greatest amount. In surfaces of wood this takes place in about two minutes; in metals the time is imperceptibly short; and when a surface of wood is placed upon a surface of metal, it continues to increase for several days. The limit is larger when the surfaces are great, and belong to substances of different kinds.

The velocity with which the surfaces move upon one another produces but little effect upon the friction.

(326.) There are several ways in which bodies may move one upon the other, in which friction will produce different effects. The principal of these are, first, the case where one body slides over another; the second, where a body having a round form rolls upon another; and, thirdly, where an axis revolves within a hollow cylinder, or the hollow cylinder revolves upon the axis.

With the same amount of pressure and a like quality of surface, the quantity of friction is greatest in the first case and least in the second. The friction in the second case also depends on the diameter of the body which rolls, and is small in proportion as that diameter is great. Thus a carriage with large wheels is less impeded by the friction of the road than one with small wheels.

In the third case, the leverage of the wheel aids the power in overcoming the friction. Let fig. 178. represent a section of the wheel and axle; let C be the centre269 of the axle, and let B E be the hollow cylinder in the nave of the wheel in which the axle is inserted. If B be the part on which the axle presses, and the wheel turn in the direction N D M, the friction will act at B in the direction B F, and with the leverage B C. The power acts against this at D in the direction D A, and with the leverage D C. It is therefore evident, that as D C is greater than B C, in the same proportion does the power act with mechanical advantage on the friction.

(327.) Contrivances for diminishing the effects of friction depend on the properties just explained, the motion of rolling being as much as possible substituted for that of sliding; and where the motion of rolling cannot be applied, that of a wheel upon its axle is used. In some cases both these motions are combined.

If a heavy load be drawn upon a plane in the manner of a sledge, the motion will be that of sliding, the species which is attended with the greatest quantity of friction; but if the load be placed upon cylindrical rollers, the nature of the motion is changed, and becomes that in which there is the least quantity of friction. Thus large blocks of stone, or heavy beams of timber, which would require an enormous power to move them on a level road, are easily advanced when rollers are put under them.

When very heavy weights are to be moved through small spaces, this method is used with advantage; but when loads ore to be transported to considerable distances, the process is inconvenient and slow, owing to the necessity of continually replacing the rollers in front of the load as they are left behind by its progressive advancement.

The wheels of carriages may be regarded as rollers which are continually carried forward with the load. In addition to the friction of the rolling motion on the road, they have, it is true, the friction of the axle in the nave; but, on the other hand, they are free from the friction of the rollers with the under surface of the load, or the carriage in which the load is transported. The270 advantages of wheel carriages in diminishing the effects of friction is sometimes attributed to the slowness with which that axle moves within the box, compared with the rate at which the wheel moves over the road; but this is erroneous. The quantity of friction does not in any case vary considerably with the velocity of the motion, but least of all does it in that particular kind of motion here considered.

In certain cases, where it is of great importance to remove the effects of friction, a contrivance called friction-wheels, or friction-rollers, is used. The axle of a friction-wheel, instead of revolving within a hollow cylinder, which is fixed, rests upon the edges of wheels which revolve with it; the species of motion thus becomes that in which the friction is of least amount.

Let A B and D C, fig. 179., be two wheels revolving on pivots P Q with as little friction as possible, and so placed that the axle O of a third wheel E F may rest between their edges. As the wheel E F revolves, the axle O, instead of grinding its surface on the surface on which it presses, carries that surface with it, causing the wheels A B, C D, to revolve.

In wheel carriages, the roughness of the road is more easily overcome by large wheels than by small ones. The cause of this arises partly from the large wheels not being so liable to sink into holes as small ones, but more because, in surmounting obstacles, the load is elevated less abruptly. This will be easily understood by observing the curves in fig. 180., which represent the elevation of the axle in each case.

(328.) If a carriage were capable of moving on a road without friction, the most advantageous direction in which a force could be applied to draw it would be parallel to the road. When the motion is impeded by friction, it is better, however, that the line of draught should be inclined to the road, so that the drawing force may be expended partly in lessening the pressure on the road, and partly in advancing the load.

Let W, fig. 181., be a load which is to be moved271 upon the plane surface A B. If the drawing force be applied in the direction C D, parallel to the plane A B, it will have to overcome the friction produced by the pressure of the whole weight of the load upon the plane; but if it be inclined upwards in the direction C E, it will be equivalent to two forces expressed (74.) by C G and C F. The part C G has the effect of lightening the pressure of the carriage upon the road, and therefore of diminishing the friction in the same proportion. The part C F draws the load along the plane. Since C F is less than C E or C D the whole moving force, it is evident that a part of the force of draught is lost by this obliquity; but, on the other hand, a part of the opposing resistance is also removed. If the latter exceed the former, an advantage will be gained by the obliquity; but if the former exceed the latter, force will be lost.

By mathematical reasoning, founded on these considerations, it is proved that the best angle of draught is exactly that obliquity which should be given to the road in order to enable the carriage to move of itself. This obliquity is sometimes called the angle of repose, and is that angle which determines the proportion of the friction to the pressure in the second method, explained in (323.). The more rough the road is, the greater will this angle be; and therefore it follows, that on bad roads the obliquity of the traces to the road should be greater than on good ones. On a smooth Macadamised way, a very slight declivity would cause a carriage to roll by its own weight: hence, in this case, the traces should be nearly parallel to the road.

In rail roads, for like reasons, the line of draught should be parallel to the road, or nearly so.

(329.) When ropes or cords form a part of machinery, the effects of their imperfect flexibility are in a certain degree counteracted by bending them over the grooves of wheels. But although this so far diminishes these effects as to render ropes practically useful, yet still, in calculating the powers of machinery, it is necessary to take into account some consequences of the272 rigidity of cordage which even by these means are not removed.

To explain the way in which the stiffness of a rope modifies the operation of a machine, we shall suppose it bent over a wheel and stretched by weights A B, fig. 182., at its extremities. The weights A and B being equal, and acting at C and D in opposite ways, balance the wheel. If the weight A receive an addition, it will overcome the resistance of B, and turn the wheel in the direction D E C. Now, for the present, let us suppose that the rope is perfectly inflexible; the wheel and weights will be turned into the position represented in fig. 183. The leverage by which A acts will be diminished, and will become O F, having been before O C; and the leverage by which B acts will be increased to O G, having been before O D.

But the rope not being inflexible will yield partially to the effects of the weights A and B, and the parts A C and B D will be bent into the forms represented in fig. 184. The form of the curvature which the rope on each side of the wheel receives is still such that the descending weight A works with a diminished leverage F O, while the ascending weight resists it with an increased leverage G O. Thus so much of the moving power is lost, by the stiffness of the rope, as is necessary to compensate this disadvantageous change in the power of the machine.


CHAP. XX.
ON THE STRENGTH OF MATERIALS.

(330.) Experimental enquiries into the laws which regulate the strength of solid bodies, or their power to resist forces variously applied to tear or break them, are obstructed by practical difficulties, the nature and extent of which are so discouraging that few have ventured to encounter them at all, and still fewer have had the273 steadiness to persevere until any result showing a general law has been obtained. These difficulties arise, partly from the great forces which must be applied, but more from the peculiar nature of the objects of those experiments. The end to which such an enquiry must be directed is the development of a general law; that is, such a rule as would be rigidly observed if the materials, the strength of which is the object of enquiry, were perfectly uniform in their texture, and subject to no casual inequalities. In proportion as these inequalities are frequent, experiments must be multiplied, that a long average may embrace cases varying in both extremes, so as to eliminate each other’s effects in the final result.

The materials of which structures and works of art are composed are liable to so many and so considerable inequalities of texture, that any rule which can be deduced, even by the most extensive series of experiments, must be regarded as a mean result, from which individual examples will be found to vary in so great a degree, that more than usual caution must be observed in its practical application. The details of this subject belong to engineering, more properly than to the elements of mechanics. Nevertheless, a general view of the most important principles which have been established respecting the strength of materials will not be misplaced in this treatise.

A piece of solid matter may be submitted to the action of a force tending to separate its parts in several ways; the principal of which are,—

1. To a direct pull,—as when a rope or wire is stretched by a weight. When a tie-beam resists the separation of the sides of a structure, &c.

2. To a direct pressure or thrust,—as when a weight rests upon a pillar.

3. To a transverse strain,—as when weights on the ends of a lever press it on the fulcrum.

(331.) If a solid be submitted to a force which draws it in the direction of its length, having a tendency to pull its ends in opposite directions, its strength or power to274 resist such a force is proportional to the magnitude of its transverse section. Thus, suppose a square rod of metal A B, fig. 185., of the breadth and thickness of one inch, be pulled by a force in the direction A B, and that a certain force is found sufficient to tear it; a rod of the same metal of twice the breadth and the same thickness will require double the force to break it; one of treble the breadth and the same thickness will require treble the force to break it, and so on.

The reason of this is evident. A rod of double or treble the thickness, in this case, is equivalent to two or three equal and similar rods which equally and separately resist the drawing force, and therefore possess a degree of strength proportionate to their number.

It will easily be perceived, that whatever be the section, the same reasoning will be applicable, and the power of resistance will, in general, be proportional to its magnitude or area.

If the material were perfectly uniform throughout its dimensions, the resistance to a direct pull would not be affected by the length of the rod. In practice, however, the increase of length is found to lessen the strength. This is to be attributed to the increased chance of inequality.

(332.) No satisfactory results have been obtained either by theory or experiment respecting the laws by which solids resist compression. The power of a perpendicular pillar to support a weight placed upon it evidently depends on its thickness, or the magnitude of its base, and on its height. It is certain that when the height is the same, the strength increases with every increase of the base, but it seems doubtful whether the strength be exactly proportional to the base. That is, if two columns of the same material have equal heights, and the base of one be double the base of the other, the strength of one will be greater, but it is not certain whether it will exactly double that of the other. According to the theory of Euler, which is in a certain degree verified by the experiments of Musschenbrock, the strength will be in275creased in a greater proportion than the base, so that, if the base be doubled, the strength will be more than doubled.

When the base is the same, the strength is diminished by increasing the height, and this decrease of strength is proportionally greater than the increase of height. According to Euler’s theory, the decrease of strength is proportional to the square of the height; that is, when the height is increased in a two-fold proportion, the strength is diminished in a four-fold proportion.

(333.) The strain to which solids forming the parts of structures of every kind are most commonly exposed is the lateral or transverse strain, or that which acts at right angles to their lengths. If any strain act obliquely to the direction of their length it may be resolved into two forces (76.), one in the direction of the length, and the other at right angles to the length. That part which acts in the direction of the length will produce either compression or a direct pull, and its effect must be investigated accordingly.

Although the results of theory, as well as those of experimental investigations, present great discordances respecting the transverse strength of solids, yet there are some particulars, in which they, for the most part, agree; to this it is our object here to confine our observations, declining all details relating to disputed points.

Let A B C D, fig. 186., be a beam, supported at its ends A and B. Its strength to support a weight at E pressing downwards at right angles to its length is evidently proportional to its breadth, the other things being the same. For a beam of double or treble breadth, and of the same thickness, is equivalent to two or three equal and similar beams placed side by side. Since each of these would possess the same strength, the whole taken together would possess double or treble the strength of any one of them.

When the breadth and length are the same the strength obviously increases with the depth, but not in the same proportion. The increase of strength is found276 to be much greater in proportion than the increase of depth. By the theory of Galileo, a double or treble thickness ought to increase the strength in a four-fold or nine-fold proportion, and experiments in most cases do not materially vary from this rule.

If while the breadth and depth remain the same, the length of the beam, or rather, the distance between the points of support, vary, the strength will vary accordingly, decreasing in the same proportion as the length increases.

From these observations it appears, that the transverse strength of a beam depends more on its thickness than its breadth. Hence we find that a broad thin board is much stronger when its edge is presented upwards. On this principle the joists or rafters of floors and roofs are constructed.

If two beams be in all respects similar, their strengths will be in the proportion of the squares of their lengths. Let the length, breadth, and depth of the one be respectively double the length, breadth, and depth of the other. By the double breadth the beam doubles its strength, but by doubling the length half this strength is lost. Thus the increase of length and breadth counteract each other’s effects, and as far as they are concerned the strength of the beam is not changed. But by doubling the thickness the strength is increased in a four-fold proportion, that is, as the square of the length. In the same manner it may be shown, that when all the dimensions are trebled, the strength is increased in a nine-fold proportion, and so on.

(334.) In all structures the materials have to support their own weight, and therefore their available strength is to be estimated by the excess of their absolute strength above that degree of strength which is just sufficient to support their own weight. This consideration leads to some conclusions, of which numerous and striking illustrations are presented in the works of nature and art.

We have seen that the absolute strength with which277 a lateral strain is resisted is in the proportion of the square of the linear dimensions of similar parts of a structure, and therefore the amount of this strength increases rapidly with every increase of the dimensions of a body. But at the same time the weight of the body increases in a still more rapid proportion. Thus, if the several dimensions be doubled, the strength will be increased in a four-fold but the weight in an eight-fold proportion. If the dimensions be trebled, the strength will be multiplied nine times, but the weight twenty-seven times. Again, if the dimensions be multiplied four times, the strength will be multiplied sixteen times, and the weight sixty-four times, and so on.

Hence it is obvious, that although the strength of a body of small dimensions may greatly exceed its weight, and, therefore, it may be able to support a load many times its own weight; yet by a great increase in the dimensions the weight increasing in a much greater degree the available strength may be much diminished, and such a magnitude may be assigned, that the weight of the body must exceed its strength, and it not only would be unable to support any load, but would actually fall to pieces by its own weight.

The strength of a structure of any kind is not, therefore, to be determined by that of its model, which will always be much stronger in proportion to its size. All works natural and artificial have limits of magnitude which, while their materials remain the same, they cannot surpass.

In conformity with what has just been explained, it has been observed, that small animals are stronger in proportion than large ones; that the young plant has more available strength in proportion than the large forest tree; that children are less liable to injury from accident than men, &c. But although to a certain extent these observations are just, yet it ought not to be forgotten, that the mechanical conclusions which they are brought to illustrate are founded on the supposition, that the smaller and greater bodies which are compared are com278posed of precisely similar materials. This is not the case in any of the examples here adduced.


CHAP. XXI.
ON BALANCES AND PENDULUMS.

(335.) The preceding chapters have been confined almost wholly to the consideration of the laws of mechanics, without entering into a particular description of the machinery and instruments dependant upon those laws. Such descriptions would have interfered too much with the regular progress of the subject, and it therefore appeared preferable to devote a chapter exclusively to this portion of the work.

Perhaps there are no ideas which man receives through the medium of sense which may not be referred ultimately to matter and motion. In proportion, therefore, as he becomes acquainted with the properties of the one and the laws of the other, his knowledge is extended, his comforts are multiplied; he is enabled to bend the powers of nature to his will, and to construct machinery which effects with ease that which the united labour of thousands would in vain be exerted to accomplish.

Of the properties of matter, one of the most important is its weight, and the element which mingles inseparably with the laws of motion is time.

In the present chapter it is our intention to describe such instruments as are usually employed for determining the weight of bodies. To attempt a description of the various machines which are used for the measurement of time, would lead us into too wide a field for the present occasion, and we shall, therefore, confine ourselves to an account of the methods which have been practised to perfect, to perfect that instrument which affords the most correct means of measuring time, the pendulum.

The instrument by which we are enabled to determine, with greater accuracy than by any other means,279 the relative weight of a body, compared with the weight of another body assumed as a standard, is the balance.

H. Adlard, sc.

London, Pubd. by Longman & Co.

Of the Balance.

The balance may be described as consisting of an inflexible rod or lever, called the beam, furnished with three axes; one, the fulcrum or centre of motion situated in the middle, upon which the beam turns, and the other two near the extremities, and at equal distances from the middle. These last are called the points of support, and serve to sustain the pans or scales.

The points of support and the fulcrum are in the same right line, and the centre of gravity of the whole should be a little below the fulcrum when the position of the beam is horizontal.

The arms of the lever being equal, it follows that if equal weights be put into the scales no effect will be produced on the position of the balance, and the beam will remain horizontal.

If a small addition be made to the weight in one of the scales, the horizontality of the beam will be disturbed; and after oscillating for some time, it will, on attaining a state of rest, form an angle with the horizon, the extent of which is a measure of the delicacy or sensibility of the balance.

As the sensibility of a balance is of the utmost importance in nice scientific enquiries, we shall enter somewhat at large into a consideration of the circumstances by which this property is influenced.

In fig. 187. let A B represent the beam drawn from the horizontal position by a very small weight placed in the scale suspended from the point of support B; then the force tending to draw the beam from the horizontal position may be expressed by P B, multiplied by such very small weight acting upon the point B.

Let the centre of gravity of the whole be at G; then the force acting against the former will be G P multiplied into the weight of the beam and scales, and when these forces are equal, the beam will rest in an inclined280 position. Hence we may perceive that as the centre of gravity is nearer to or further from the fulcrum S, (every thing else remaining the same) the sensibility of the balance will be increased or diminished.

For, suppose the centre of gravity were removed to g, then to produce an opposing force equal to that acting upon the extremity of the beam, the distance g p from the perpendicular line must be increased until it becomes nearly equal to G P; but for this purpose the end of the beam B must descend, which will increase the angle H S B.

As all weights placed in the scales are referred to the line joining the points of support, and as this line is above the centre of gravity of the beam when not loaded, such weights will raise the centre of gravity; but it will be seen that the sensibility of the balance, as far as it depends upon this cause, will remain unaltered.

For, calling the distance S G unity, the distance of the centre of gravity from the point S (to which the weight which has been added is referred) will be expressed by the reciprocal of the weight of the beam so increased; that is, if the weight of the beam be doubled by weights placed in the scales, S g will be one half of S G; and if the weight of the beam be in like manner trebled, S g will be one third of S G, and so on. And as G P varies as S G, g p will be inversely proportionate to the increased weight of the beam, and consequently, the product obtained by multiplying g p by the weight of the beam and its load will be a constant quantity, and the sensibility of the balance, as before stated, will suffer no alteration.

We will now suppose that the fulcrum S, fig. 188., is situated below the line joining the points of support, and that the centre of gravity of the beam when not loaded is at G. Also that when a very small weight is placed in the scale suspended from the point B, the beam is drawn from its horizontal position, the deviation being a measure of the sensibility of the balance. Then, as before stated, G P multiplied by the weight of the281 beam will be equal to P′ B multiplied by the very small additional weight acting on the point B.

Now if we place equal weights in both scales, such additional weights will be referred to the point W, and the resulting distance of the centre of gravity from the point W, calling W G unity, will be expressed as before by the reciprocal of the increased weight of the loaded beam. But G P will decrease in a greater proportion than W G: thus, supposing the weight of the beam to be doubled, W g would be one half of W G; but g p, as will be evident on an inspection of the figure, will be less than half of G P; and the same small weight which was before applied to the point B, if now added, would depress the point B, until the distance g p became such as that, when multiplied by the weight of the whole, the product would be as before equal to P′ B, multiplied by the before mentioned very small added weight. The sensibility of the balance, therefore, in this case would be increased.

If the beam be sufficiently loaded, the centre of gravity will at length be raised to the fulcrum S, and the beam will rest indifferently in any position. If more weight be then added, the centre of gravity will be raised above the fulcrum, and the beam will turn over.

Lastly, if the fulcrum S, fig. 189., is above the line joining the two points of support, as any additional weights placed in the scales will be referred to the point W, in the line joining A and B, if the weight of the beam be doubled by such added weights, and the centre of gravity be consequently raised to g, W g will become equal to half of W G. But g p, being greater than one half of G P, the end of the beam B will rise until g p becomes such as to be equal, when multiplied by the whole increased weight of the beam, to P B, multiplied by the small weight, which we suppose to have been placed as in the preceding examples, in the scale.

From what has been said it will be seen that there are three positions of the fulcrum which influence the282 sensibility of the balance: first, when the fulcrum and the points of support are in a right line, when the sensibility of the balance will remain the same, though the weight with which the beam is loaded should be varied: secondly, when the fulcrum is below the line joining the two points of support, in which case the sensibility of the balance will be increased by additional weights, until at length the centre of gravity is raised above the fulcrum, when the beam will turn over; and, thirdly, when the fulcrum is above the line joining the two points of support, in which case the sensibility of the balance will be diminished as the weight with which the beam is loaded is increased.

The sensibility of a balance, as here defined, is the angular deviation of the beam occasioned by placing an additional constant small weight in one of the scales; but it is frequently expressed by the proportion which such small additional weight bears to the weight of the beam and its load, and sometimes to the weight the value of which is to be determined.

This proportion, however, will evidently vary with different weights, except in the case where the centre of gravity of the beam is in the line joining the points supporting the scales, the fulcrum being above this line, and it is therefore necessary, in every other case, when speaking of the sensibility of the balance, to designate the weight with which it is loaded: thus, if a balance has a troy pound in each scale, and the horizontality of the beam varies a certain small quantity, just perceptible on the addition of one hundredth of a grain, we say that the balance is sensible to 1/1152000 part of its load with a pound in each scale, or that it will determine the weight of a troy pound within 1/576000 part of the whole.

The nearer the centre of gravity of a balance is to its fulcrum the slower will be the oscillations of the beam. The number of oscillations, therefore, made by the beam in a given time (a minute for example), affords the most accurate method of judging of the sensibility of the283 balance, which will be the greater as the oscillations are fewer.

Balances of the most perfect kind, and of such only it is our present object to treat, are usually furnished with adjustments, by means of which the length of the arms, or the distances of the fulcrum from the points of support, may be equalised, and the fulcrum and the two points of support be placed in a right line; but these adjustments, as will hereafter be seen, are not absolutely necessary.

The beam is variously constructed, according to the purposes to which the balance is to be applied. Sometimes it is made of a rod of solid steel; sometimes of two hollow cones joined at their bases; and, in some balances, the beam is a frame in the form of a rhombus: the principal object in all, however, is to combine strength and inflexibility with lightness.

A balance of the best kind, made by Troughton, is so contrived as to be contained, when not in use, in a drawer below the case; and when in use, it is protected from any disturbance from currents of air, by being enclosed in the case above the drawer, the back and front of which are of plate glass. There are doors in the sides, through which the scale-pans are loaded, and there is a door at the top through which the beam may be taken out.

A strong brass pillar, in the centre of the box, supports a square piece, on the front and back of which rise two arches, nearly semicircular, on which are fixed two horizontal planes of agate, intended to support the fulcrum. Within the pillar is a cylindrical tube, which slides up and down by means of a handle on the outside of the case. To the top of this interior tube is fixed an arch, the terminations of which pass beneath and outside of the two arches before described. These terminations are formed into Y s, destined to receive the ends of the fulcrum, which are made cylindrical for this purpose, when the interior tube is elevated in order to relieve the axis when the balance is not in use. On284 depressing the interior tube, the Y s quit the axis, and leave it in its proper position on the agate planes. The beam is about eighteen inches long, and is formed of two hollow cones of brass, joined at their bases. The thickness of the brass does not exceed 0·02 of an inch, but by means of circular rings driven into the cones at intervals they are rendered almost inflexible. Across the middle of the beam passes a cylinder of steel, the lower side of which is formed into an edge, having an angle of about thirty degrees, which, being hardened and well polished, constitutes the fulcrum, and rests upon the agate planes for the length of about 0·05 of an inch.

Each point of suspension is formed of an axis having two sharp concave edges, upon which rest at right angles two other sharp concave edges formed in the spur-shaped piece to which the strings carrying the scale-pan are attached. The two points are adjustable, the one horizontally, for the purpose of equalising the arms of the beam, and the other vertically, for bringing the points of suspension and the fulcrum into a right line.

Such is the form of Troughton’s balance: we shall now give the description of a balance as constructed by Mr. Robinson of Devonshire Street, Portland Place:—

The beam of this balance is only ten inches long. It is a frame of bell-metal in the form of a rhombus. The fulcrum is an equilateral triangular prism of steel one inch in length; but the edge on which the beam vibrates is formed to an angle of 120°, in order to prevent any injury from the weight with which it may be loaded. The chief peculiarity in this balance consists in the knife-edge which forms the fulcrum bearing upon an agate plane throughout its whole length, whereas we have seen in the balance before described that the whole weight is supported by portions only of the knife-edge, amounting together to one tenth of an inch. The supports for the scales are knife-edges each six tenths of an inch long. These are each furnished with two pressing screws, by means of which they may be made parallel to the central knife-edge.

285

Each end of the beam is sprung obliquely upwards and towards the middle, so as to form a spring through which a pushing screw passes, which serves to vary the distance of the point of support from the fulcrum, and, at the same time, by its oblique action to raise or depress it, so as to furnish a means of bringing the points of support and the fulcrum into a right line.

A piece of wire, four inches long, on which a screw is cut, proceeds from the middle of the beam downwards. This is pointed to serve as an index, and a small brass ball moves on the screw, by changing the situation of which the place of the centre of gravity may be varied at pleasure.

The fulcrum, as before remarked, rests upon an agate plane throughout its whole length, and the scale-pans are attached to planes of agate which rest upon the knife-edges forming the points of support. This method of supporting the scale-pans, we have reason to believe, is due to Mr. Cavendish. Upon the lower half of the pillar to which the agate plane is fixed, a tube slides up and down by means of a lever which passes to the outside of the case. From the top of this tube arms proceed obliquely towards the ends of the balance, serving to support a horizontal piece, carrying at each extremity two sets of Y s, one a little above the other. The upper Y s are destined to receive the agate planes to which the scale-pans are attached, and thus to relieve the knife-edges from their pressure; the lower to receive the knife-edges which, form the points of support, consequently these latter Y s, when in action, sustain the whole beam.

When the lever is freed from a notch in which it is lodged, a spring is allowed to act upon the tube we have mentioned, and to elevate it. The upper Y s first meet the agate planes carrying the scale-pans and free them from the knife-edges. The lower Y s then come into action and raise the whole beam, elevating the central knife-edge above the agate plane. This is the usual state of the balance when not in use: when it is to be brought286 into action, the reverse of what we have described takes place. On pressing down the lever, the central knife-edge first meets the agate plane, and afterwards the two agate planes carrying the scale-pans are deposited upon their supporting knife-edges.

A balance of this construction was employed by the writer of this article in adjusting the national standard pound. With a pound troy in each scale, the addition of one hundredth of a grain caused the index to vary one division, equal to one tenth of an inch, and Mr. Robinson adjusts these balances so that with one thousand grains in each scale, the index varies perceptibly on the addition of one thousandth of a grain, or of one-millionth part of the weight to be determined.

It may not be uninteresting to subjoin, from the Philosophical Transactions for 1826, the description of a balance perhaps the most sensible that has yet been made, constructed for verifying the national standard bushel. The author says,—

“The weight of the bushel measure, together with the 80 lbs. of water it should contain, was about 250 lbs.; and as I could find no balance capable of determining so large a weight with sufficient accuracy, I was under the necessity of constructing one for this express purpose.

“I first tried cast iron; but though the beam was made as light as was consistent with the requisite degree of strength, the inertia of such a mass appeared to be so considerable, that much time must have been lost before the balance would have answered to the small differences I wished to ascertain. Lightness was a property essentially necessary, and bulk was very desirable, in order to preclude such errors as might arise from the beam being partially affected by sudden alterations of temperature. I therefore determined to employ wood, a material in which the requisites I sought were combined. The beam was made of a plank of mahogany, about 7O inches long, 22 inches wide, and 21/4 thick, tapering from the middle to the extremities. An opening was cut in the centre, and strong blocks screwed to each side of the287 plank, to form a bearing for the back of a knife-edge which passed through the centre. Blocks were also screwed to each side at the extremities of the beam on which rested the backs of the knife-edges for supporting the pans. The opening in the centre was made sufficiently large to admit the support hereafter to be described, upon which the knife-edge rested.

“In all beams which I have seen, with the exception of those made by Mr. Robinson, the whole weight is sustained by short portions at the extremities of the knife-edge; and the weight being thus thrown upon a few points, the knife-edge becomes more liable to change its figure and to suffer injury.

“To remedy this defect, the central knife-edge of the beam I am describing was made 6 inches, and the two others 5 inches long. They were triangular prisms with equal sides of three fourths of an inch, very carefully finished, and the edges ultimately formed to an angle of 120°.

“Each knife-edge was screwed to a thick plate of brass, the surfaces in contact having been previously ground together; and these plates were screwed to the beam, the knife-edges being placed in the same plane, and as nearly equidistant and parallel to each other as could be done by construction.

“The support upon which the central knife-edge rested throughout its whole length was formed of a plate of polished hard steel, screwed to a block of cast iron. This block was passed through the opening before mentioned in the centre of the beam, and properly attached to a frame of cast iron.

“The stirrups to which the scales were hooked rested upon plates of polished steel to which they were attached, and the under surfaces of which were formed by careful grinding into cylindrical segments. These were in contact with the knife-edges their whole length, and were known to be in their proper position by the correspondence of their extremities with those of the knife-edges. A well imagined contrivance was applied by288 Mr. Bate for raising the beam when loaded, in order to prevent unnecessary wear of the knife-edge, and for the purpose of adjusting the place of the centre of gravity, when the beam was loaded with the weight required to be determined, a screw carrying a movable ball projected vertically from the middle of die beam.

“The performance of this balance fully equalled my expectations. With two hundred and fifty pounds in each scale, the addition of a single grain occasioned an immediate variation in the index of one twentieth of an inch, the radius being fifty inches.”

From the preceding account it appears that this balance is sensible to 1/1750000 part of the weight which was to be determined.

We shall now describe the method to be pursued in adjusting a balance.

1. To bring the points of suspension and the fulcrum into a right line.

Make the vibrations of the balance very slow by moving the weight which influences the centre of gravity, and bring the beam into a horizontal position, by means of small bits of paper thrown into the scales. Then load the scales with nearly the greatest weight the beam is fitted to carry. If the vibrations are performed in the same time as before, no further adjustment is necessary; but if the beam vibrates quicker, or if it oversets, cause it to vibrate in the same time as at first, by moving the adjusting weight, and note the distance through which the weight has passed. Move the weight then in the contrary direction through double this distance, and then produce the former slow motion by means of the screw acting vertically on the point of support. Repeat this operation until the adjustment is perfect.

2. To make the arms of the beam of an equal length.

Put weights in the scales as before; bring the beam as nearly as possible to a horizontal position, and note the division at which the index stands; unhook the289 scales, and transfer them with their weights to the other ends of the beam, when, if the index points to the same division, the arms are of an equal length; but if not, bring the index to the division which had been noted, by placing small weights in one or the other scale. Take away half these weights, and bring the index again to the observed division by the adjusting screw, which acts horizontally on the point of support. If the scale-pans are known to be of the same weight, it will not be necessary to change the scales, but merely to transfer the weights from one scale-pan to the other.

Of the Use of the Balance.

Though we have described the method of adjusting the balance, these adjustments, as we have before remarked, may be dispensed with. Indeed, in all delicate scientific operations, it is advisable never to rely upon adjustments, which, after every care has been employed in effecting them, can only be considered as approximations to the truth. We shall, therefore, now describe the best method of ascertaining the weight of a body, and which does not depend on the accuracy of these adjustments.

Having levelled the case which contains the balance, and thrown the beam out of action, place a weight in each scale-pan nearly equal to the weight which is to be determined. Lower the beam very gently till it is in action, and by means of the adjustment for raising or lowering the centre of gravity, cause the beam to vibrate very slowly. Remove these weights, and place the substance, the weight of which is to be determined in one of the scale-pans; carefully counterpoise it by means of any convenient substances put into the other scale-pan, and observe the division at which the index stands; remove the body, the weight of which is to be ascertained, and substitute standard weights for it so as to bring the index to the same division as before. These weights will be equal to the weight of the body.

If it be required to compare two weights together290 which are intended to be equal, and to ascertain their difference, if any, the method of proceeding will be nearly the same. The standard weight is to be carefully counterpoised, and the division at which the index stands, noted. And now it will be convenient to add in either of the scales some small weight, such as one or two hundredths of a grain, and mark the number of divisions passed over in consequence by the index, by which the value of one division of the scale will be known. This should be repeated a few times, and the mean taken for greater certainty.

Having noted the division at which the index rests, the standard weight is to be removed, and the weight which is to be compared with it substituted for it. The index is then again to be noted, and the difference between this and the former indication will give the difference between the weights in parts of a grain.

If the balance is adjusted so as to be very sensible, it will be long before it comes to a state of rest. It may, therefore, sometimes be advisable to take the mean of the extent of the vibrations of the index as the point where it would rest, and this may be repeated several times for greater accuracy. It must, however, be remembered, that it is not safe to do this when the extent of the vibrations is beyond one or two divisions of the scale; but with this limitation it is, perhaps, as good a method as can be pursued.

Many precautions are necessary to ensure a satisfactory result. The weights should never be touched by the hand; for not only would this oxydate the weight, but by raising its temperature it would appear lighter, when placed in the scale-pan, than it should do, in consequence of the ascent of the heated air. For the larger weights a wooden fork or tongs, according to the form of the weight, should be employed; and for the smaller, a pair of forceps made of copper will be found the most convenient. This metal possessing sufficient elasticity to open the forceps on their being released from pressure, and yet not opposing a resistance sufficient to interfere with291 that delicacy of touch which is desirable in such operations.

Of Weights.

It must be obvious, that the excellence of the balance would be of little use, unless the weights employed were equally to be depended upon. The weights may either be accurately adjusted, or the difference between each weight and the standard may be determined, and, consequently, its true value ascertained. It has been already shown how the latter may be effected, in the instructions which have been given for comparing two weights together; and we shall now show the readiest mode of adjusting weights to an exact equality with a given standard.

The material of the weight may be either brass or platina, and its form may be cylindrical: the diameter being nearly twice the height. A small spherical knob is screwed into the centre, a space being left under the screw to receive the portions of fine wire used in the adjustment. It will be convenient to form a cavity in the bottom of each weight to receive the knob of the weight upon which it may be placed.

Each weight is now to be compared with the standard, and should it be too heavy, it is to be reduced till it becomes in a very small degree too light, when the amount of the deficiency is to be carefully determined.

Some very fine silver wire is now to be taken, and the weight of three or four feet of it ascertained. From this it will be known what length of the wire is equal to the error of the weight to be adjusted; and this length being cut off is to be enclosed under the screw. To guard against any possible error, it will be advisable before the screw is firmly fixed in its place, again to compare the weight with the standard.

The most approved method of making weights expressing the decimal parts of a grain, is to determine, as before, with great care, the weight of a certain length of fine wire, and then to cut off such portions as are equal to the weights required.

292

Before we conclude this article we shall give a description, from the Annals of Philosophy for 1825, of “a very sensible balance,” used by the late Dr. Black:—

“A thin piece of fir wood, not thicker than a shilling, and a foot long, three tenths of an inch broad in the middle, and one tenth and a half at each end, is divided by transverse lines into twenty parts; that is, ten parts on each side of the middle. These are the principal divisions, and each of them is subdivided into halves and quarters. Across the middle is fixed one of the smallest needles I could procure, to serve as an axis, and it is fixed in its place by means of a little sealing wax. The numeration of the divisions is from the middle to each end of the beam. The fulcrum is a bit of plate brass, the middle of which lies flat on my table when I use the balance, and the two ends are bent up to a right angle so as to stand upright. These two ends are ground at the same time on a flat hone, that the extreme surfaces of them may be in the same plane; and their distance is such that the needle, when laid across them, rests on them at a small distance from the sides of the beam. They rise above the surface of the table only one tenth and a half or two tenths of an inch, so that the beam is very limited in its play. See fig. 190.

“The weights I use are one globule of gold, which weighs one grain, and two or three others which weigh one tenth of a grain each; and also a number of small rings of fine brass wire, made in the manner first mentioned by Mr. Lewis, by appending a weight to the wire, and coiling it with the tension of that weight round a thicker brass wire in a close spiral, after which, the extremity of the spiral being tied hard with waxed thread, I put the covered wire into a vice, and applying a sharp knife, which is struck with a hammer, I cut through a great number of the coils at one stroke, and find them as exactly equal to one another as can be desired. Those I use happen to be the 1/30 part of a grain each, or 300 of them weigh ten grains; but I have others much lighter.

293

“You will perceive that by means of these weights placed on different parts of the beam, I can learn the weight of any little mass from one grain, or a little more, to the 1/1200 of a grain. For if the thing to be weighed weighs one grain, it will, when placed on one extremity of the beam, counterpoise the large gold weight at the other extremity. If it weighs half a grain it will counterpoise the heavy gold weight placed at 5. If it weigh 6/10 of a grain, you must place the heavy gold weight at 5, and one of the lighter ones at the extremity to counterpoise it, and if it weighs only one or two, or three or four hundredths of a grain, it will be counterpoised by one of the small gold weights placed at the first or second, or third or fourth division. If, on the contrary, it weighs one grain and a fraction, it will be counterpoised by the heavy gold weight at the extremity, and one or more of the lighter ones placed in some other part of the beam.

“This beam has served me hitherto for every purpose; but had I occasion for a more delicate one, I could make it easily by taking a much thinner and lighter slip of wood, and grinding the needle to give it an edge. It would also be easy to make it carry small scales of paper for particular purposes.”

The writer of this article has used a balance of this kind, and finds that it is sensible to 1/1000 of a grain when loaded with ten grains. It is necessary, however, where accuracy is required, to employ a scale-pan. This may be made of thin card paper, shaped as in fig. 191.

A thread is to be passed through the two ends, by tightening which they may be brought near each other.

The most convenient weights for this beam appear to be two of one grain each, and one of one tenth of a grain. They should be made of straight wire; and if the beam be notched at the divisions, they may be lodged in these notches very conveniently. Ten divisions on each side of the middle will be sufficient. The weight of the scale-pan must first be carefully ascertained,294 in order that it may be deducted from the weight, afterwards determined, of the scale-pan and the substance it may contain.

If the scale-pan be placed at the tenth division of the beam, it is evident that by means of the two grain weights, a greater weight cannot be determined than one grain and nine tenths; but if the scale-pan be placed at any other division of the beam, the resulting apparent weight must be increased by multiplying it by ten, and dividing by the number of the division at which the scale-pan is placed; and in this manner it is evident that if the scale-pan be placed at the division numbered 1, a weight amounting to nineteen grains may be determined.

We have been tempted to describe this little apparatus, because it is extremely simple in its construction, may be easily made, and may be very usefully employed on many occasions where extreme accuracy is not necessary.

Description of the Steelyard.

The steelyard is a lever, having unequal arms; and in its most simple form it is so arranged, that one weight alone serves to determine a great variety of others, by sliding it along the longer arm of the lever, and thus varying its distance from the fulcrum.

It has been demonstrated, chapter xiii., that in the lever the proportion of the power to the weight will be always the same as that of their distances from the fulcrum, taken in a reverse order; consequently, when a constant weight is used, and an equilibrium established by sliding this weight on the longer arm of the lever, the relative weight of the substance weighed, to the constant weight, will be in the same proportion as the distance of the constant weight from the fulcrum is to the length of the shorter arm.

Thus, suppose the length of the shorter arm, or the distance of the fulcrum from the point from which the weight to be determined is suspended, to be one inch;295 let the longer arm of the lever be divided into parts of one inch each, beginning at the fulcrum. Now let the constant weight be equal to one pound, and let the steelyard be so constructed that the shorter arm shall be sufficiently heavy to counterpoise the longer when the bar is unloaded. Then suppose a substance, the weight of which is five pounds, to be suspended from the shorter arm. It will be found that when the constant weight is placed at the distance of five inches from the fulcrum, the weights will be in equilibrium, and the bar consequently horizontal. In this steelyard, therefore, the distance of each inch from the fulcrum indicates a weight of one pound. An instrument of this form was used by the Romans, and it is usually described as the Roman statera or steelyard. A representation of it is given at fig. 192.

The steelyard is in very general use for the coarser purposes of commerce, but constructed differently from that which we have described. The beam with the scales or hooks is seldom in equilibrium upon the point F, when the weight P is removed; but the longer arm usually preponderates, and the commencement of the graduations, therefore, is not at F, but at some point between B and F. The common steelyard, which we have represented at fig. 193., is usually furnished with two points, from either of which the substance, the weight of which is to be determined, may be suspended. The value of the divisions is in this case increased in proportion as the length of the shorter arm is decreased. Thus, in the steelyard which we have described, if there be a second point of suspension at the distance of half an inch from the fulcrum, each division of the longer arm will indicate two pounds instead of one, and these divisions are usually marked upon the opposite edge of the steelyard, which is made to turn over.

This instrument is very convenient, because it requires but one weight; and the pressure on the fulcrum is less than in the balance, when the substance to be weighed296 is heavier than the constant weight. But, on the contrary, when the constant weight exceeds the substance to be weighed, the pressure on the fulcrum is greater in the steelyard than in the balance, and the balance is, therefore, preferable in determining small weights. There is also an advantage in the balance, because the subdivision of weights can be effected with a greater degree of precision than the subdivision of the arm of the steelyard.

C. Paul’s Steelyard.

A steelyard has been constructed by Mr. C. Paul, inspector of weights and measures at Geneva, which is much to be preferred to that in common use. Mr. C. Paul states, that steelyards have two advantages over balances: 1. That their axis of suspension is not loaded with any other weight than that of the merchandise, the constant weight of the apparatus itself excepted; while the axis of the balance, besides the weight of the instrument, sustains a weight double to that of the merchandise. 2. The use of the balance requires a considerable assortment of weights, which causes a proportional increase in the price of the apparatus, independently of the chances of error which it multiplies, and of the time employed in producing an equilibrium.

1. In C. Paul’s steelyard the centres of the movement of suspension, or the two constant centres, are placed on the exact line of the divisions of the beam; an elevation almost imperceptible in the axis of the beam, destined to compensate for the very slight flexion of the bar, alone excepted.

2. The apparatus, by the construction of the beam, is balanced below its centre of motion, so that when no weight is suspended the beam naturally remains horizontal, and resumes that position when removed from it, as also when the steelyard is loaded, and the weight is at the division which ought to show how much the merchandise weighs. The horizontal situation in this steelyard, as well as in the others, is known by means of the297 tongue which rises vertically above the axis of suspension.

3. It may be discovered, that the steelyard is deranged if, when not loaded, the beam does not remain horizontal.

4. The advantage of a great and a small side (which in the other augments the extent of their power of weighing) is supplied by a very simple process, which accomplishes the same end with some additional advantages. This process is to employ on the same division different weights. The numbers of the divisions on the bar, point out the degree of heaviness expressed by the corresponding weights. For example, when the large weight of the large steelyard weighs 16 lbs., each division it passes over on the bar is equivalent to a pound; the small weight, weighing sixteen times less than the large one, will represent on each of these divisions the sixteenth part of a pound, or one ounce; and the opposite face of the bar is marked by pounds at each sixteenth division. In this construction, therefore, we have the advantage of being able, by employing both weights at once, to ascertain, for example, almost within an ounce, the weight of 500 pounds of merchandise. It will be sufficient to add what is indicated by the small weight in ounces, to that of the large one in pounds, after an equilibrium has been obtained by the position of the two weights, viz. the large one placed at the next pound below its real weight, and the small one at the division which determines the number of ounces to be added.

5. As the beam is graduated only on one edge, it may have the form of a thin bar, which renders it much less susceptible of being bent by the action of the weight, and affords room for making the figures more visible on both the faces.

6. In these steelyards the disposition of the axes is not only such that the beam represents a mathematical lever without weight, but in the principle of its division, the interval between every two divisions is a determined and aliquot part of the distance between the two fixed points298 of suspension; and each of the two weights employed has for its absolute weight the unity of the weight it represents, multiplied by the number of the divisions contained in the interval between the two centres of motion.

Thus, supposing the arms of the steelyard divided in such a manner that ten divisions are exactly contained in the distance between the two constant centres of motion, a weight to express the pounds on each division of the beam must really weigh ten pounds; that to point out the ounces on the same divisions must weigh ten ounces, &c. So that the same steelyard may be adapted to any system of measures whatever, and in particular to the decimal system, by varying the absolute heaviness of the weights, and their relation with each other.

But to trace out, in a few words, the advantages of the steelyards constructed by C. Paul for commercial purposes, we shall only observe,—

1. That the buyer and seller are certain of the correctness of the instrument, if the beam remains horizontal when it is unloaded and in its usual position. 2. That these steelyards have one suspension less than the old ones, and are so much more simple. 3. That by these means we obtain, with the greatest facility, by employing two weights, the exact weight of merchandise, with all the approximation that can be desired, and even with a greater precision than that given by common balances. There are few of these which, when loaded with 500 pounds at each end, give decided indication of an ounce variation; and the steelyards of C. Paul possess that advantage, and cost one half less than balances of equal dominion. 4. In the last place, we may verify at pleasure the justness of the weights, by the transposition which their ratio to each other will permit; for example, by observing whether, when the weight of one pound is brought back one division, and the weight of one ounce carried forward sixteen divisions, the equilibrium still remains.

It is on this simple and advantageous principle that299 C. Paul has constructed his universal steelyard. It serves for weighing in the usual manner, and according to any system of weights, all ponderable bodies to the precision of half a grain in the weight of a hundred ounces; that is to say, of a ten-thousandth part. It is employed, besides, for ascertaining the specific gravity of solids, of liquids, and of air, by processes extremely simple, and which do not require many subdivisions in the weights.

We think the description above given will be sufficiently intelligible without a representation of this instrument. An account of its application to the determination of specific gravities will be found in vol. iii. of the Philosophical Magazine.

The Chinese Steelyard.

This instrument is used in China and the East Indies for weighing gems, precious metals, &c. The beam is a small rod of ivory, about a foot in length. Upon this are three lines of divisions, marked by fine silver studs, all beginning from the end of the beam, whence the first is extended 8 inches, the second 61/2, and the third 81/2. The first is European weight, and the other two Chinese. At the other end of the beam hangs a round scale, and at three several distances from this end are holes, through which pass so many fine strings, serving as different points of suspension. The first distance makes 13/5 inches, the second 31/5, or double the former, and the third 44/5, or triple the same. The instrument, when used, is held by one of the strings, and a sealed weight of about 11/4 oz. troy, is slid upon the beam until an equilibrium is produced; the weight of the body is then indicated by the graduated scale above mentioned.

The Danish Balance.

The Danish balance is a straight bar or lever, having a heavy weight fixed to one end, and a hook or scale-pan to receive the substance, the weight of which is to300 be determined, suspended from the other end. The fulcrum is moveable, and is made to slide upon the bar, till the beam rests in a horizontal position, when the place of the fulcrum indicates the weight required. In order to construct a balance of this kind, let the distance of the centre of gravity from that point to which the substance to be weighed is suspended be found by experiment, when the beam is unloaded. Multiply this distance by the weight of the whole apparatus, and divide the product by the weight of the apparatus increased by the weight of the body. This will give the distance from the point of suspension, at which the fulcrum being placed, the whole will be in equilibrio: for example, supposing the distance of the centre of gravity from the point of suspension to be 10 inches, and the weight of the whole apparatus to be ten pounds; suppose, also, it were required to mark the divisions which should indicate weights of one, two, or three pounds, &c. First, for the place of the division indicating one pound we have 10 × 10/10 + 1 = 100/10 + 1 = 91/11 inches, the place of the division marking one pound. For two pounds we have 100/10 + 2 = 81/3 inches, the place of the division indicating two pounds; and for three pounds 100/10 + 3 = 79/13 inches for the place of the division indicating three pounds, and so on.

This balance is subject to the inconvenience of the divisions becoming much shorter as the weight increases. The distance between the divisions indicating one and two pounds being, in the example we have given, about seven tenths of an inch, whilst that between 20 and 21 pounds is only one tenth of an inch; consequently a very small error in the place of the divisions indicating the larger weights would occasion very inaccurate results. The Danish balance is represented at fig. 194.

301

The Bent Lever Balance.

This instrument is represented at fig. 195. The weight at C, is fixed at the end of the bent lever A B C, which is supported by its axis B on the pillar I H. A scale-pan E, is suspended from the other end of the lever at A. Through the centre of motion B draw the horizontal line K B G, upon which, from A and C let fall the perpendiculars A K and C D. Then if B K and B D are reciprocally proportional to the weights at A and C, they will be in equilibrio, but if not, the weight C will move upwards or downwards along the arc F G till that ratio is obtained. If the lever be so bent that when A coincides with the line G K, C coincides with the vertical B H, then as C moves from F to G, its momentum will increase while that of the weight in the scale-pan E will decrease. Hence the weight in E, corresponding to different positions of the balance, may be expressed on the graduated arc F G.

Brady’s Balance, or Weighing Apparatus.

This partakes of the properties both of the bent lever balance and of the steelyard. It is represented, at fig. 196. A B C is a frame of cast iron having a great part of its weight towards A. F is a fulcrum, and E a moveable suspender, having a scale and hook at its lower extremity. E K G are three distinct places, to which the suspender E may be applied, and to which belong respectively the three graduated scales of division expressing weights, f C, c d, and a b. When the scale and suspender are applied at G, the apparatus is in equilibrio, with the edge A B horizontal, and the suspender cuts the zero on the scale a b. Now, any substance, the weight of which is to be ascertained, being put into the scale, the whole apparatus turns about F, and the part towards B descends till the equilibrium is again established, when the weight of the body is read off from the scale a b, which registers to ounces and extends to two pounds. If the weight of the body exceed two pounds,302 and be less than eleven pounds, the suspender is placed at K; and when the scale is empty, the number 2 is found to the right of the index of the suspender. If now weights exceeding two pounds be placed in the scale, the whole again turns about F, and the weight of the body is shown on the graduated arc c d, which extends to eleven pounds, and registers to every two ounces.

If the weight of the body exceed eleven pounds, the suspender is hung on at E, and the weights are ascertained in the same manner on the scale f C to thirty pounds, the subdivisions being on this scale quarters of pounds. The same principles would obviously apply to weights greater or less than the above. To prevent mistake, the three points of support G, K, E, are numbered 1, 2, 3; and the corresponding arcs are respectively numbered in the same manner. When the hook is used instead of the scale, the latter is turned upwards, there being a joint at m for that purpose.

The Weighing Machine for Turnpike Roads.

This machine is for the purpose of ascertaining the weight of heavy bodies, such as wheel carriages. It consists of a wooden platform placed over a pit made in the line of the road, and which contains the machinery. The pit is walled withinside, and the platform is fitted to the walls of the pit, but without touching them, and it is therefore at liberty to move freely up and down. The platform is supported by levers placed beneath it, and is exactly level with the surface of the road, so that a carriage is easily drawn on it, the wheels being upon the platform whilst the horses are upon the solid ground beyond it. The construction of this machine will be readily understood by reference to fig. 197., in which the platform is supposed to be transparent so as to allow of the levers being seen below it.

A, B, C, D, represent four levers tending towards the centre of the platform, and each moveable on its fulcrum at A, B, C, D; the fulcrum of each rests upon a piece securely fixed in the corner of the pit. The platform is303 supported upon the cross pins a, b, c, d, by means of pieces of iron which project from it near its corners, and which are represented in the plate by the short dark lines crossing the pins a, b, c, d. The four levers are connected under the centre of the platform, but not so as to prevent their free motion, and are supported by a long lever at the point F, the fulcrum of which rests upon a piece of masonry at E: the end of this last lever passes below the surface of the road into the turnpike house, and is there attached to one arm of a balance, or, as in Salmon’s patent weighing machine, to a strap passing round a cylinder which winds up a small weight round a spiral, and indicates, by means of an index, the weight placed upon the platform.

Captn. Kater, del. H. Adlard, sc.

London, Pubd. by Longman & Co.

Suppose the distance from A to F to be ten times as great as that from A to a, then a force of one pound applied beneath F would balance ten pounds applied at a, or upon the platform. Again: let the distance from E to G be also ten times greater than the distance from the fulcrum E to F; then a force of one pound applied to raise up the end of the lever G would counterpoise a weight of ten pounds placed upon F. Now, as we gain ten times the power by the first levers, and ten times more by the lever E G, it follows, that a force of one pound tending to elevate G, would balance 100 lbs. placed on the platform; so that if the end of the lever G be attached to one arm of a balance, a weight of 10 lbs. placed in a scale suspended from the other arm, will express the value of 1000 lbs. placed upon the platform. The levers are counterpoised, when the platform is not loaded, by a weight H applied to the end of the last lever, continued beyond the fulcrum for that purpose.

Of Instruments for weighing by means of a Spring.

The spring is well adapted to the construction of a weighing machine, from the property it possesses of yielding in proportion to the force impressed, and consequently giving a scale of equal parts for equal additions of weight. It is liable, however, to suffer injury, unless304 the steel of which it is composed be very well tempered, from a want of perfect elasticity, and, consequently, from not returning to its original place after it has been forcibly compressed. This, however, must be considered to arise, in a great measure, from imperfection of workmanship, or of the material employed, or from its having been subjected to too great a force.

The Spring Steelyard.

The little instrument known by this name is in very general use, and is particularly convenient where great accuracy is not necessary, as a spring which will ascertain weights from one pound to fifty, is contained in a cylinder only 4 inches long and 3/4 inch diameter.

This instrument is represented at fig. 198. It consists of a tube of iron, of the dimensions just stated, closed at the bottom, to which is attached an iron hook for supporting the substance to be weighed; a rod of iron a b, four tenths of an inch wide and one tenth thick, is firmly fixed in the circular plate c d, which slides smoothly in the iron tube.

A strong steel spring is also fastened to this plate, and passed round the rod a b without touching it, and without coming in contact with the interior of the cylindrical tube. The tube is closed at the top by a circular piece of iron through which the piece a b passes.

Upon the face of a b the weight is expressed by divisions, each of which indicates one pound, and five of such divisions in the instrument now before us occupy two tenths of an inch. The divisions, notwithstanding, are of sufficient size to enable them to be subdivided by the eye.

To use this instrument, the substance to be weighed is suspended by the hook, the instrument being held by a ring passing through the rod at the other end. The spring then suffers a compression proportionate to the weight, and the number of pounds is indicated by the division on the rod which is cut by the top of the cylindrical tube.

305

Salter’s improved Spring Balance.

A very neat form of the instrument last described has been recently brought before the public by Mr. Salter, under the name of the Improved Spring Balance. It is represented at fig. 199. The spring is contained in the upper half of a cylinder behind the brass plate forming the face of the instrument; and the rod is fixed to the lower extremity of the spring, which is consequently extended, instead of being compressed, by the application of the weight. The divisions, each indicating half a pound, are engraved upon the face of the brass plate, and are pointed out by an index attached to the rod.

Marriott’s Patent Dial Weighing Machine.

The exterior of this instrument is represented at fig. 200., and the interior at fig. 201. A B C is a shallow brass box, having a solid piece as represented at A, to which the spring D E F is firmly fixed by a nut at D. The other end of the spring at F is pinned to the brass piece G H, to the part of which at G is also fixed the iron racked plate I. A screw L serves as a stop to keep this rack in its place. The teeth of the rack fit into those of the pinion M, the axis of which passes through the centre of the dial-plate, and carries an index which points out the weight. The brass piece G H is merely a plate where it passes over the spring, and the tail piece H, to which the weight is suspended, passes through an opening in the side of the box.

Of the Dynamometer.

This is an important instrument in mechanics, calculated to measure the muscular strength exerted by men and animals. It consists essentially of a spring steelyard, such as that we first described. This is sometimes employed alone, and sometimes in combination with various levers, which allow of the spring being made more delicate, and consequently increase the extent of the divisions indicating the weight.

306

The first instrument of this kind appears to have been invented by Mr. Graham, but it was too bulky and inconvenient for use. M. le Roy made one of a more simple construction. It consisted of a metal tube, about a foot long, placed vertically upon a stand, and containing in the inside a spiral spring, having above it a graduated rod terminating in a globe. This rod entered the tube more or less in proportion to the force applied to the globe, and the divisions indicated the quantity of this force. Therefore, when a man pressed upon the globe with all his strength, the divisions upon the rod showed the number of pounds weight to which it was equal.

An instrument of this kind for determining the force of a blow struck by a man with his fist was lately exhibited at the National Repository. It was fixed to a wall, from which it projected horizontally. In place of the globe there was a cushion to receive the blow, and as the suddenness with which the spring returned rendered it impossible to read the division upon the rod, another rod similarly divided was forced in by the plate forming the basis of the cushion, and remained stationary when the spring returned. The common spring steelyard, however, which we first described, is in principle the same as M. le Roy’s dynamometer, and is much more conveniently constructed for the purpose we are considering. The ring at one end may be fixed to an immovable object, and the hook at the other attached to a man, or to an animal, and the extent to which the graduated rod is drawn out of the cylinder shows at once the force which is applied. Though this is perhaps the best, and certainly the most simple dynamometer, others have been contrived, which are, however, but modifications of the spring steelyard. One of these is represented at fig. 202. The spiral spring acts in the manner before described, but its divisions are increased in size, and therefore rendered more perceptible by means of a rack fixed to the plate, acting against the spiral spring, the teeth of which move a pinion upon which the arm I is fixed, pointing to the graduated arc K.

307

Another dynamometer has been invented by Mr. Salmon; it is represented at fig. 203. and is a combination of levers with the spring. By means of these levers a much more delicate spring, and which is therefore more sensible, may be employed than in the dynamometer last described.

The manner in which these levers and spring act will be readily understood by an inspection of the figure. Like the weighing machine for carriages, the fulcrum of each lever is at one end, and the force is diminished in passing to the spring, in the ratio of the length of its arms. The spring moves a pinion by means of a rack, upon which pinion a hand is placed, indicating by divisions upon a circular dial-plate, the amount of the force employed.

The spring used in this machine is calculated to weigh only about 50 lbs. instead of about 5 cwt., as in the last described; but by means of the levers which intervene between it and the force applied, it will serve to estimate a force equal to 6 cwt., and might obviously be made to go to a much greater extent, by varying the ratio of the length of the arms of the levers.

ON COMPENSATION PENDULUMS.

(336.) It is said of Galileo that, when very young, he observed a lamp suspended from the roof of a church at Pisa, swinging backwards and forwards with a pendulous motion. This, if it had been remarked at all by an uneducated mind, would, most probably, have been passed by as a common occurrence, unworthy of the slightest notice; but to the mind imbued with science no incident is insignificant; and a circumstance apparently the most trivial, when subjected to the giant force of expanded intellect, may become of immense importance to the improvement and to the well-being of man. The fall of an apple, it is said, suggested to Newton the theory of gravitation, and his powerful mind speedily extended to all creation that great law which brings an308 apple to the ground. The swinging of a lamp in a church at Pisa, viewed by the piercing intellect of Galileo, gave rise to an instrument which affords the most perfect measure of time, which serves to determine the figure of the earth, and which is inseparably connected with all the refinements of modern astronomy.

The properties of the pendulum, and the manner in which it serves to measure time, have been fully explained in chapter xi.; and if a substance could be found not susceptible of any change in its dimensions from a change of temperature, nothing more would be necessary, as the centre of oscillation would always remain at the same distance from the point of suspension. As every known substance, however, expands with heat, and contracts with cold, the length of the pendulum will vary with every alteration of temperature, and thus the time of its vibration will suffer a corresponding change. The effect of a difference of temperature of 25°, or that which usually occurs between winter and summer, would occasion a clock furnished with a pendulum having an iron rod to gain or lose six seconds in twenty-four hours.

It became, then, highly important to discover some means of counteracting this variation to which the length of the pendulum was liable, or, in other words, to devise a method by which the centre of oscillation should, under every change of temperature, remain at the same distance from the point of suspension: happily, the difference in the rate of expansion of different metals presented a ready means of effecting this.

Graham, in the year 1715, made several experiments to ascertain the relative expansions of various metals, with a view of availing himself of the difference of the expansions of two or more of them when opposed to each other, to construct a compensating pendulum. But the difference he found was so small, that he gave up all hope of being able to accomplish his object in that way. Knowing, however, that mercury was much more affected by a given change of temperature than any other sub309stance, he saw that if the mercury could be made to ascend while the rod of the pendulum became longer, and vice versâ, the centre of oscillation might always be kept at the same distance from the point of suspension. This idea happily gave birth to the mercurial pendulum, which is now in very general use.

Captn. Kater, del. H. Adlard, sc.

London, Pubd. by Longman & Co.

In the mean time, Graham’s suggestion excited the ingenuity of Harrison, originally a carpenter at Barton in Lincolnshire, who, in 1726, produced a pendulum formed of parallel brass and steel rods, known by the name of the gridiron pendulum.

In the mercurial pendulum, the bob or weight is the material affording the compensation; but in the gridiron pendulum the object is attained by the greater expansion of the brass rods, which raise the bob upwards towards the point of suspension as much as the steel rods elongate downwards.

In the present article, we shall describe such compensation pendulums as appear to us likely to answer best in practice; and we trust we shall be able to simplify the subject so as to render a knowledge of mathematics in the construction of this important instrument unnecessary.

The following table contains the linear expansion of various substances in parts of their length, occasioned by a change of temperature amounting to one degree. We have taken the liberty of extracting it from a very valuable paper by F. Bailey, Esq., on the mercurial compensation pendulum, published in the Memoirs of the Astronomical Society of London for 1824.

310

TABLE I.

Linear Expansion of various Substances for One Degree of Fahrenheit’s Thermometer.

Substances.
Expansions.
Authors.
White Deal, ·0000022685 Captain Kater.
·0000028444 Dr. Struve.
English Flint Glass, ·0000047887 Dulong and Petit.
Iron (cast), ·0000061700 General Roy.
·0000065668 Dulong and Petit.
Iron (wire), ·0000068613 Lavoisier and L.
Iron (bar), ·0000069844 Hasslar.
Steel (rod), ·0000063596 General Roy.
Brass, ·0000104400 Commissioners of
Weights and Measures
—mean of several
experiments.
Lead, ·0000159259 Smeaton.
Zinc, ·0000163426 Ditto.
Zinc (hammered), ·0000172685 Ditto.
Mercury in bulk, ·00010010 Dulong and Petit.

From this table it is easy to determine the length of a rod of any substance the expansion of which shall be equal to that of a rod of given length of any other substance.

The lengths of such rods will be inversely proportionate to their expansions. If, therefore, we divide the lesser expansion by the greater (supposing the rod the length of which is given to be made of the lesser expansible material), and multiply the given length by this quotient, we shall have the required length of a rod, the expansion of which will be equal to that of the rod given. For example:—The expansion of a rod of steel being, from the above table, ·0000063596, and that of brass,311 ·0000104400; if it were required to determine the length of a rod of brass which should expand as much as a rod of steel of 39 inches in length, we have ·0000063596/·0000104400 = ·6091, which, multiplied by 39, gives 23·75 inches for the length of brass required.

We shall here, in order to facilitate calculation, give the ratio of the lengths of such substances as may be employed in the construction of compensation pendulums.

TABLE II.

Steel rod and brass compensation, as 1: ·6091
Iron wire rod and lead compensation, ·4308
Steel rod and lead compensation, ·3993
Iron wire rod and zinc compensation, ·3973
Steel rod and zinc compensation, ·3682
Glass rod and lead compensation, ·3007
Glass rod and zinc compensation, ·2773
Deal rod and lead compensation, ·1427
Deal rod and zinc compensation, ·1313
Steel rod and mercury in a steel cylinder, ·0728
Steel rod and mercury in a glass cylinder, ·0703
Glass rod and mercury in a glass cylinder, ·0529

It is evident that in this table the decimals express the length of a rod of the compensating material, the expansion of which is equal to that of a pendulum rod whose length is unity.

As we are not aware of the existence of any work which contains instructions that might enable an artist or an amateur to make a compensation pendulum, we shall endeavour to give such detailed information as may free the subject from every difficulty.

The pendulum of a clock is generally suspended by a spring, fixed to its upper extremity, and passing through a slit made in a piece which is called the cock of the pendulum. The point of suspension is, therefore, that part of the spring which meets the lower surface of the cock. Now the distance of the centre of oscillation of the pendulum from this point may be varied in two ways; the one by drawing up the spring through this312 slit, and the other by raising the bob of the pendulum. Either of these methods may be practised in the compensation pendulum, but the former is subject to objections from which the latter is exempt.

Suppose it were required to compensate a pendulum of 39 inches in length, of steel, by means of the expansion of a brass rod. Here, referring to fig. 204., we have S C 39 inches (which is to remain constant) of steel; the pendulum spring, passing through the cock at S, is attached to another rod of steel, which is fixed to the cross piece R A at A. The other end of the cross piece at R is fastened to a brass rod, the lower extremity of which is fixed to the cock of the pendulum at B. Now the brass rod B R must expand upwards, as much as the steel rod A C expands downwards; and the length of the brass must be such as to effect this, leaving 39 inches of the steel rod below the cock of the pendulum.

Let us first try 80 inches of steel. Multiplying this by ·6091, we have 48·73 inches for the length of brass, which compensates 80 inches of steel. But as 48·73 inches of the steel, equal in length to the brass, would in this case be above the cock of the pendulum, it would leave only 31·27 inches below it, instead of 39 inches.

Let us now try 100 inches of steel. This, multiplied as before by ·6091, gives 60·91 inches, according to the expansions which we have used, for the length of the brass rod, and leaves 39·09 inches below the cock of the pendulum, which is sufficiently near for our present purpose.

From what has been said we may perceive that the total length of the material of which the pendulum rod is composed must be always equal to the length of the pendulum added to the length of the compensation.

In this instance we have effected our object, by drawing the pendulum-spring through the slit; but we will now show how the same thing may be done by moving the bob of the pendulum. At fig. 205., let S C, as before, be equal to 39 inches. Let the steel rod S D turn off313 at right angles at D, and let a rod of brass B R, of 61 inches in length, ascend perpendicularly from this cross piece to R. To the upper part of the brass rod fix another cross piece R A, and from the extremity A let a steel rod descend to E, bending it as in the figure till it reaches C. Now the total length of the pieces of steel expanding downwards is equal to S D, D F, and F C (amounting together to 39 inches), to which must be added a length of steel equal to that of the brass rod B R, (61 inches), making together 100 inches of steel as before, the expansion of which downwards is compensated by that of the brass rod, of 61 inches in length, expanding upwards.

This form, however, is evidently inconvenient, from the great length of brass and steel which is carried above the cock of the pendulum; but it is the same thing whether the brass and steel be each in one piece, or divided into several, provided the pieces of steel be all so arranged as to expand downwards, and those of brass upwards. Thus, at fig. 206., the portions of steel expanding downwards are together equal, as before, to 100 inches, and the two brass pieces expanding upwards are together equal to 61 inches. So that, in fact, the two last forms of compensation which we have described differ in no respect from each other in principle, but only in the arrangement of the materials. The last is the half of the gridiron pendulum, the remaining bars being merely duplicates of those we have described, and serving no other purpose but to form a secure frame-work.

Harrison’s Gridiron Pendulum.

After what has been said, little more is necessary than to give a representation of this pendulum. This is done at fig. 207., in which the darker lines represent the steel rods, and the lighter those of brass. The central rod is fixed at its lower extremity to the middle of the third cross piece from the bottom, and passes freely through holes in the cross pieces which are above, whilst the other rods are secured near their extremities to the cross314 pieces by pins passing through them. In order to render the whole more secure, the bars pass freely through holes made in two other cross pieces, the extremities of which are fixed to the exterior steel wires. As different kinds of the same metal vary in their rate of expansion, the pendulum when finished may be found upon trial to be not duly compensated. In this case one or more of the cross pieces is shifted higher or lower upon the bars, and secured by pins passed through fresh holes.

Troughton’s Tubular Pendulum.

This is an admirable modification of Harrison’s gridiron pendulum. It is represented at fig. 208., where it may be seen that it has the appearance of a simple pendulum, as the whole compensation is concealed within a tube six tenths of an inch in diameter.

A steel wire, about one tenth of an inch in diameter, is fixed in the usual manner to the spring by which the pendulum is suspended. This wire passes to the bottom of an interior brass tube, in the centre of which it is firmly screwed. The top of this tube is closed, the steel rod passing freely through a hole in the centre. Into the top of this interior tube two steel wires, of one tenth of an inch in diameter, are screwed into holes made in that diameter, which is at right angles to the motion of the pendulum. These wires pass down the tube without touching either it or the central rod, through holes made in the piece which closes the bottom of the interior tube. The lower extremities of these wires, which project a little beyond the inner tube, are securely fixed in a piece which closes the bottom of an exterior brass tube, which is of such a diameter as just to allow the interior tube to pass freely through it, and of a sufficient length to extend a little above it. The top of the exterior tube is closed like that of the interior, having also a hole in its centre, to allow the first steel rod to pass freely through it. Into the top of the exterior tube, in that diameter which coincides with the motion of the pendulum, a315 second pair of steel wires of the same diameter as the former are screwed, their distance from the central rod being equal to the distance of each from the first pair. They consequently pass down within the interior tube, and through holes made in the pieces closing the lower ends of both the interior and exterior tubes. The lower ends of these wires are fastened to a short cylindrical piece of brass of the same diameter as the exterior tube, to which the bob is suspended by its centre.

Captn. Kater, del. H. Adlard, sc.

London, Pubd. by Longman & Co.

Fig. 209. is a full sized section of the rod; the three concentric circles represent the two tubes, and the rectangular position of the two pair of wires round the middle one is shown by the five small circles.

Fig. 210. is the part which closes the upper end of the interior tube. The two small circles are the two wires which proceed from it, and the three large circles show the holes through which the middle wire and the other pair of wires pass.

Fig. 211. is the bottom of the interior tube. The small circle in the centre is where the central rod is fastened to it, the others the holes for the other four wires to pass through.

Fig. 212. is the part which closes the top of the external tube. In the large circle in the centre a small brass tube is fixed, which serves as a covering for the upper part of the middle wire, and the two small circles are to receive the wires of the last expansion.

Fig. 213. represents the bottom of the exterior tube, in which the small circles show the places where the wires of the second expansion are fastened, and the larger ones the holes for the other pair of wires to pass through.

Fig. 214. is a cylindrical piece of brass, showing the manner in which the lower ends of the wires of the last expansion are fastened to it, and the hole in the middle is that by which it is pinned to the centre of the bob. The upper ends of the two pair of wires are, as we have observed, fastened by screwing them into the pieces which stop up the ends of the tubes, but at the lower ends they are all fixed as represented in fig. 214. The pieces316 represented by figs. 213. and 214. have each a jointed motion, by means of which the fellow wires of each pair would be equally stretched, although they were not exactly of the same length.

The action of this pendulum is evidently the same as that of the gridiron pendulum, as we have three lengths of steel expanding downwards, and two of brass expanding upwards. The weight of the pendulum has a tendency to straighten the steel rods, and the tubular form of the brass compensation effectually precludes the fear of its bending; an advantage not possessed by the gridiron pendulum, in which brass rods are employed.

Mr. Troughton, to the account he has given of this pendulum in Nicholson’s Journal, for December, 1804, has added the lengths of the different parts of which it was composed, and the expansions of brass and steel from which these lengths were computed. The length of the interior tube was 31·9 inches, and that of the exterior one 32·8 inches, to which must be added 0·4, the quantity by which in this pendulum the centre of oscillation is higher than the centre of the bob. These are all of brass. The parts which are of steel are,—the middle wire, which, including 0·6, the length of the suspension spring, is 39·3 inches. The first pair of wires 32·5 inches; and the second pair, 33·2 inches. The expansions used were, for brass ·00001666, and for steel ·00000661, in parts of their length for one degree of temperature.

Benzenberg’s Pendulum.

This pendulum is mentioned in Nicholson’s Journal for April, 1804, and is taken from Voigt’s Magazin für den Neuesten Zustande der Naturkunde, vol. iv. p. 787. The compensation appears to have been effected by a single rod of lead in the centre, of about half an inch thick; the descending rods were made of the best thick iron wire.

As this pendulum deserves attention from the ease with which it may be made, and as others which have317 since been produced resemble it in principle, we have given a representation of it at fig. 215., where A B C D are two rods of iron wire riveted into the cross pieces A C B D. E F is a rod of lead pinned to the middle of the piece B D, and also at its upper extremity to the cross piece G H, into which the second pair of iron wires are fixed, which pass downwards freely through holes made in the cross piece B D. The lower extremities of these last iron wires are fastened into the piece K L, which carries the bob of the pendulum.

To determine the length of lead necessary for the compensation, we must recollect, as before, that the distance from the point of suspension to the centre of the bob (speaking always of a pendulum intended to vibrate seconds) must be 39 inches. Let us suppose the total length of the iron wire to be 60 inches; then, from the table which we have given, we have ·4308 for the length of a rod of lead, the expansion of which is equivalent to that of an iron rod whose length is unity. Multiplying 60 inches by ·4308, we have 25·84 inches of lead, which would compensate 60 inches of iron; but this, taken from 60 inches, leaves only 34·16 instead of 39 inches. Trying again, in like manner, 68·5 inches of iron, we find 29·5 inches of lead for the length, affording an equivalent compensation, and which, taken from 68·5 inches, leaves 39 inches.

The length of the rod of lead then required as a compensation in this pendulum is about 291/2 inches.

The writer of this article would suggest another form for this pendulum, which has the advantage of greater simplicity of construction.

S A, fig. 216., is a rod of iron wire, to which the pendulum spring is attached. Upon this passes a cylindrical tube of lead, 291/2 inches long, which is either pinned at its lower extremity to the end of the iron rod S A, or rests upon a nut firmly screwed upon the extremity of this rod.

A tube of sheet iron passes over the tube of lead, and318 is furnished at top with a flanche, by which it is supported upon the leaden tube; or it may be fastened to the top of this tube in any manner that may be thought convenient.

The bob of the pendulum may be either passed upon the iron tube (continued to a sufficient length) and secured by a pin passing through the centre of the bob, or the iron tube may be terminated by an iron wire serving the same purpose.

Here we have evidently the same expansions upwards and downwards as in the gridiron form, given to this pendulum by Mr. Benzenberg, joined to the compactness of Troughton’s tubular pendulum.

Ward’s Compensation Pendulum.

In the year 1806, Mr. Henry Ward, of Blandford in Dorsetshire, received the silver medal of the Society of Arts for the compensation pendulum which we are about to describe.

Fig. 217. is a side view of the pendulum rod when together. H H and I I are two flat rods of iron about an eighth of an inch thick. K K is a bar of zinc placed between them, and is nearly a quarter of an inch thick. The corners of the iron bars are bevelled off, which gives them a much lighter appearance. These bars are kept together by means of three screws, O O O, which pass through oblong holes in the bars H H and K K, and screw into the rod I I. The bar H H is fastened to the bar of zinc K K, by the screw m, which is called the adjusting screw. This screw is tapped into H H, and passes just through K K; but that part of the screw which passes K K has its threads turned off. The iron bar I I has a shoulder at its upper end, and rests on the top of the zinc bar K K and is wholly supported by it. There are several holes for the screw m, in order to adjust the compensation.

The action of this pendulum is similar to that last described, the zinc expanding upwards as much as the iron rods expand downwards, and consequently the319 instance from the point of suspension to the centre of oscillation remains the same.

Captn. Kater, del. H. Adlard, sc.

London, Pubd. by Longman & Co.

Mr. Ward states that the expansion of the zinc he used (hammered zinc) was greater than that given in the tables. He found that the true length of the zinc bar should be about 23 inches; our computation would make it nearly 26.

The Compensation Tube of Julien le Roy.

We mention this merely to state that it is similar in principal to the apparatus represented at fig. 204., with merely this difference, that, instead of the steel rod being fixed to a cross piece proceeding from the brass bar B R, it is attached to a cap fixed upon a brass tube (through which it passes) of the same length as that of the brass rod B R. Cassini spoke well of this pendulum, and it was used in the observatory of Cluny about the year 1748.

Deparcieux’s Compensation.

This was contrived in the same year as that invented by Julien le Roy. It is represented at fig. 218., where A B D F is a steel bar, the ends of which are to be fixed to the lower sides of pieces forming a part of the cock of the pendulum. G E I H is of brass, and stands with its extremities resting on the horizontal part B D of the steel frame. The upper part E I of the brass frame passes above the cock of the pendulum, and admits the tapped wire K, to which the pendulum spring is fixed through a squared hole in the middle. A nut upon this tapped wire gives the adjustment for time. The spring passes through the slit in the cock in the usual manner.

It may be easily perceived that this pendulum is in principle the same as that of Le Roy; the expansion of the total length of steel A B S C downwards being compensated by the equivalent expansion of the brass bar G E upwards. It is, however, preferable to Le Roy’s, because the compensation is contained in the clock case.

320

Deparcieux had previously published, in the year 1739, an improvement of an imperfectly compensating pendulum, proposed in the year 1733 by Regnauld, a clockmaker of Chalons. In this pendulum Deparcieux employed a lever with unequal arms to increase the effect of the expansion of the brass rod, which was too short.

We may here remark, that all fixed compensations are liable to the same objection, namely, that of not moving with the pendulum, and therefore not taking precisely the same temperature.

Captain Kater’s Compensation Pendulum.

In Nicholson’s Journal, for July, 1808, is the description of a compensation pendulum by the writer of this article. In this pendulum the rod is of white deal, three quarters of an inch wide, and a quarter of an inch thick. It was placed in an oven, and suffered to remain there for a long time until it became a little charred. The ends were then soaked in melted sealing-wax; and the rod, being cleaned, was coated several times with copal varnish. To the lower extremity of the rod a cap of brass was firmly fixed, from which a strong steel screw proceeded for the purpose of regulating the pendulum for time in the usual manner.

A square tube of zinc was cast, seven inches long and three quarters of an inch square; the internal dimensions being four tenths of an inch. The lower part of the pendulum rod was cut away on the two sides, so as to slide with perfect freedom within the tube of zinc. To the bottom of this zinc tube a piece of brass a quarter of an inch thick was soldered, in which a circular hole was made nearly four tenths of an inch in diameter, having a screw on the inside. A cylinder of zinc, furnished with a corresponding screw on its surface, fitted into this aperture, and a thin plate of brass screwed upon the cylinder, served as a clamp to prevent any shake after the length of zinc necessary for compensation should have been determined. A hole was made through321 the axis of the cylinder, through which passed the steel screw terminating the pendulum rod.

An opening was made through the bob of the pendulum, extending to its centre, to admit the square tube of zinc which was fixed at its upper extremity to the centre of the bob. The pendulum rod passed through the bob in the usual manner, and the whole was supported by a nut on the steel screw at the extremity.

In this form the compensation acts immediately upon the centre of the bob, elevating it along the rod as much as the rod elongates downwards: the method of calculating the length of the required compensation is precisely the same as that we have before given.

Assuming the length of the deal rod to be 43 inches, and multiplying this by ·1313 from Table II., we have 5·64 inches for the length of the zinc necessary to counteract the expansion of the deal. The length of the steel screw between the termination of the pendulum rod and the nut was two inches, and that of the suspension spring one inch. Now, 3 inches of steel multiplied by ·3682 would give 1·10 inches for the length of zinc which would compensate the steel, and, adding this to 5·64 inches, we have 6·74 inches for the whole length of zinc required.

In this pendulum, the length of the compensating part may be varied by means of the zinc cylinder furnished with a screw for that purpose. The bob of this pendulum and its compensation are represented at fig. 219.

It has been objected to the use of wooden pendulum rods, that it is difficult, if not impossible, to secure them from the action of moisture, which would at once be fatal to their correct performance. The pendulum now before us has, however, been going with but little intermission since it was first constructed: it is attached to a sidereal clock, not of a superior description, and exposed to very considerable variations of moisture and dryness; yet the change in its rate has been so very trifling as to authorize the belief that moisture has little322 or no effect upon a wooden rod prepared in the manner we have described. Its rate, under different temperatures, shows that it is over-compensated; the length of the zinc remaining, as stated in Nicholson’s Journal 7·42 inches, instead of which it appears, by our present compensation, that it should be 6·78 inches.

Reid’s Compensation Pendulum.

Mr. Adam Reid of Woolwich presented to the Society of Arts, in 1809, a compensation pendulum, for which he was rewarded with fifteen guineas. This pendulum is the same in principle with that last described; the rod, however, is of steel instead of wood, and the compensation possesses no means of adjustment. This pendulum is represented at fig. 220., where S B is the steel rod, a little thicker where it enters the bob C, and of a lozenge shape to prevent the bob turning, but above and below it is cylindrical.

A tube of zinc D passes to the centre of the bob from below, and the bob is supported upon it by a piece which crosses its centre, and which meets the upper end of the tube.

The rod being passed through the bob and zinc tube, a nut is applied upon a screw at the lower extremity of the rod in the usual manner. If the compensation should be too much, the zinc tube is to be shortened until it is correct.

The length of the zinc tube will be the same in this pendulum as in that of Mr. Ward—about 23 inches, if his experiments are to be relied upon.

The objection to this pendulum appears to be its great length, which amounts to 62 inches. We conceive it would be preferable to place the zinc above the bob, as in the modification which we have suggested of Benzenberg’s pendulum.

Ellicott’s Pendulum.

It appears that the idea of combining the expansions of different metals with a lever, so as to form a com323pensation pendulum, originated with Mr. Graham; for Mr. Short, in the Philosophical Transactions for 1752, states that he was informed by Mr. Shelton, that Mr. Graham, in the year 1737, made a pendulum, consisting of three bars, one of steel between two of brass; and that the steel bar acted upon a lever so as to raise the pendulum when lengthened by heat, and to let it down when shortened by cold.

Captn. Kater, del. H. Adlard, sc.

London, Pubd. by Longman & Co.

This pendulum, however, was found upon trial to move by jerks, and was therefore laid aside by the inventor to make way for the mercurial pendulum.

Mr. Short also says that Mr. Fotheringham, a quaker of Lincolnshire, caused a pendulum to be made, in the year 1738 or 1739, consisting of two bars, one of brass and the other of steel, fastened together by screws with levers to raise or let down the bob, and that these levers were placed above the bob.

Mr. John Ellicott of London had made very, accurate experiments on the relative expansions of seven different metals, which, however, will be found to differ more or less from the results of the experiments of others. It is not, however, from this to be concluded that Ellicott’s determinations were erroneous; for the expansion of a metal will suffer considerable change even by the processes to which it is necessarily subjected in the construction of a pendulum. It is therefore desirable, whenever a compensation pendulum is to be made, that the expansions of the materials employed should be determined after the processes of drilling, filing, and hammering have been gone through.

It had been objected to Harrison’s gridiron pendulum, that the adjustments of the rods was inconvenient, and that the expansion of the bob supported at its lower edge would, unless taken into the account, vitiate the compensation. These considerations, it is supposed, gave rise to Ellicott’s pendulum, which is nearly similar to those we have just mentioned.

Ellicott’s pendulum is thus constructed:—A bar of brass and a bar of iron are firmly fixed together at their324 upper ends, the bar of brass lying upon the bar of iron, which is the rod of the pendulum. These bars are held near each other by screws passing through oblong holes in the brass, and tapped into the iron, and thus the brass is allowed to expand or contract freely upon the iron with any change of temperature. The brass bar passes to the centre of the bob of the pendulum, a little above and below which the iron is left broader for the purpose of attaching the levers to it, and the iron is made of a sufficient length to pass quite through the bob of the pendulum.

The pivots of two strong steel levers turn in two holes drilled in the broad part of the iron bar. The short arms of these levers are in contact with the lower extremity of the brass bar, and their longer arms support the bob of the pendulum by meeting the heads of two screws which pass horizontally from each side of the bob towards its centre. By advancing these screws towards the centre of the bob, the longer arms of the lever are shortened, and thus the compensation may be readily adjusted. At the lower end of the iron rod, under the bob, a strong double spring is fixed, to support the greater part of the weight of the bob by its pressure upwards against two points at equal distances from the pendulum rod. Mr. Ellicott gave a description of this pendulum to the Royal Society in 1752, but he says the thought was executed in 1738. As this pendulum is very seldom met with, we think it unnecessary to give a representation of it.

Compensation by means of a Compound Bar of Steel and Brass.

Several compensations for pendulums have been proposed, by means of a compound bar formed of steel and brass soldered together. In a bar of this description, the brass expanding more than the steel, the bar becomes curved by a change of temperature, the brass side becoming convex and the steel concave with heat. Now, if a bar of this description have its ends resting on325 supports on each side the cock of the pendulum, the bar passing above the cock with the brass uppermost, if the pendulum spring be attached to the middle of the bar, and it pass in the usual manner through the slit of the cock, it is evident that, by an increase of temperature, the bar will become curved upwards, and the pendulum spring be drawn upwards through the slit, and thus the elongation of the pendulum downwards will be compensated. The compensation may be adjusted by varying the distance of the points of support from the middle of the bar.

Such was one of the modes of compensation proposed by Nicholson. Others of the same description (that is, with compound bars) have been brought before the public by Mr. Thomas Doughty and Mr. David Ritchie; but as they are supposed to be liable to many practical objections, we do not think it requisite to describe them more particularly.

There is, however, a mode of compensation by means of a compound bar, described by M. Biot in the first volume of his Traité de Physique, which appears to possess considerable merit, of which he mentions having first witnessed the successful employment by the inventor, a clockmaker named Martin. At fig. 221., S C, is the rod of the pendulum, made, in the usual manner, of iron or steel; this rod passes through the middle of a compound bar of brass and steel (the brass being undermost), which should be furnished with a short tube and screws, by means of which, or by passing a pin through the tube and rod, it may be securely fixed at any part of the pendulum rod.

Two small equal weights W W slide along the compound bar, and, when their proper position has been determined, may be securely clamped.

The manner in which this compensation acts is thus:—Suppose the temperature to increase, the brass expanding more than the steel, the bar becomes curved, and its extremities carrying the weights W and W are elevated, and thus the place of the centre of oscillation326 is made to approach the point of suspension as much, when the compensation is properly adjusted, as it had receded from it by the elongation of the pendulum rod.

There are three methods of adjusting this compensation: the first, by increasing or diminishing the weights W and W; the second, by varying the distance of the weights W and W from the middle of the bar; and the third, by varying the distance of the bar from the bob of the pendulum, taking care not to pass the middle of the rod. The effect of the compensation is greater as the weights W and W are greater or more distant from the centre of the bar, and also as the bar is nearer to the bob of the pendulum.

M. Biot says that he and M. Matthieu employed a pendulum of this kind for a long time in making astronomical observations in which they were desirous of attaining an extreme degree of precision, and that they found its rate to be always perfectly regular.

In all the pendulums which we have described, the bob is supposed to be fixed to the rod by a pin passing through its centre, and the adjustment for time is to be made by means of a small weight sliding upon the rod.

Of the Mercurial Pendulum.

We have been guided, in our arrangement of the pendulums which we have described, by the similarity in the mode of compensation employed; and we have now to treat of that method of compensation which is effected by the expansion of the material of which the bob itself of the pendulum is composed.

On this subject, as we have before observed, an admirable paper, from the pen of Mr. Francis Baily, may be found in the Memoirs of the Astronomical Society of London, which leaves nothing to be desired by the mathematical reader. But as our object is to simplify, and to render our subjects as popular as may be, we must endeavour to substitute for the perfect accuracy which Mr. Baily’s paper presents, such rules as may be found not only readily intelligible, but practically appli327cable, within the limits of those inevitable errors which arise from a want of knowledge of the exact expansion of the materials employed.

At fig. 222., let S B represent the rod of a pendulum, and F C B a metallic tube or cylinder, supported by a nut at the extremity of the pendulum rod, in the usual manner, and having a greater expansibility than that of the rod. Now C, the centre of gravity, supposing the rod to be without weight, will be in the middle of the cylinder; and if C B, or half the cylinder, be of such a length as to expand upwards as much as the pendulum rod S B expands downwards, it is evident that the centre of gravity C will remain, under any change of temperature, at the same distance from the point of suspension S. M. Biot imagined that, in effecting this, a compensation sufficiently accurate would be obtained; but Mr. Baily has shown that this is by no means the fact.

Let us suppose the place of the centre of oscillation to be at O, about three or four tenths of an inch, in a pendulum of the usual construction, below the centre of gravity. Now, the object of the compensation is to preserve the distance from S to O invariable, and not the distance from S to C.

The distance of the centre of oscillation varies with the length of the cylinder F B, and hence suffers an alteration in its distance from the point of suspension by the elongation of the cylinder, although the distance of the centre of gravity C from the point of suspension remains unaltered.

We shall endeavour to render this perfectly familiar. Suppose a metallic cylinder, 6 inches long, to be suspended by a thread 36 inches long, thus forming a pendulum in which the distance of the centre of gravity from the point of suspension is 39 inches: the centre of oscillation in such a pendulum will be nearly one tenth of an inch below the centre of gravity. Now let us imagine cylindrical portions of equal lengths to be added to each end of the cylinder, until it reaches the point of328 suspension; we shall then have a cylinder of 78 inches in length, the centre of gravity of which will still be at the distance of 39 inches from the point of suspension. But it is well known that the centre of oscillation of such a cylinder is at the distance of about two thirds of its length from the point of suspension. The centre of oscillation, therefore, has been removed, by the elongation of the cylinder, about 13 inches below the centre of gravity, whilst the centre of gravity has remained stationary.

Now the same thing as that which we have just described takes place, though in a very minor degree, with our former cylinder, employed as a compensating bob to a pendulum. The rod expands downwards, the centre of gravity remains at the same distance from the point of suspension, and the cylinder elongates both above and below this point; the consequence of which is, that though the centre of gravity has remained stationary, the distance of the centre of oscillation from the point of suspension has increased. It is, therefore, evident that the length of the compensation must be such as to carry the centre of gravity a little nearer to the point of suspension than it was before the expansion took place; by which means the centre of oscillation will be restored to its former distance from the point of suspension.

Let us suppose the expansions to have taken place, and that the centre of gravity, remaining at the same distance from the point of suspension, the centre of oscillation is removed to a greater distance, as we have before explained. It is well known that the product obtained by multiplying the distance from the point of suspension to the centre of gravity, by the distance from the centre of gravity to the centre of oscillation, is a constant quantity; if, therefore, the distance from the centre of gravity to the point of suspension be lessened, the distance from the centre of gravity to the centre of oscillation will be proportionally, though not equally, increased, and the centre of oscillation will, therefore, be329 elevated. We see, then, if we elevate the centre of gravity precisely the requisite quantity, by employing a sufficient length of the compensating material, that although the distance from the centre of gravity to the point of suspension is lessened, yet the distance from the point of suspension to the centre of oscillation will suffer no change.

The following rule for finding the length of the compensating material in a pendulum of the kind we have been considering will be found sufficiently accurate for all practical purposes:—

Find in the manner before directed the length of the compensating material, the expansion of which will be equal to that of the rod of the pendulum. Double this length, and increase the product by its one-tenth part, which will give the total length required. We shall give examples of this as we proceed.

Graham’s Mercurial Pendulum.

It was in the year 1721 that Graham first put up a pendulum of this description, and subjected it to the test of experiment; but it appears to have been afterwards set aside to make way for Harrison’s gridiron pendulum, or for others of a similar description. For some years past, however, its merits have been more generally known, and it is not surprising that it should be considered as preferable to others, both from the simplicity of its construction, and the perfect ease with which the compensation may be adjusted.

We have already alluded to Mr. Baily’s very able paper on this pendulum, and we shall take the liberty of extracting from it the following description:—

At fig. 223. is a drawing of the mercurial pendulum, as constructed in the manner proposed by Mr. Baily.

“The rod S F is made of steel, and perfectly straight; its form may be either cylindrical, of about a quarter of an inch in diameter, or a flat bar, three eighths of an inch wide, and one eighth of an inch thick: its length from S to F, that is, from the bottom of the spring to the bottom of330 the rod at F, should be 34 inches. The lower part of this rod, which passes through the top of the stirrup, and about half an inch above and below the same, must be formed into a coarse and deep screw, about two tenths of an inch in diameter, and having about thirty turns in an inch. A steel nut with a milled head must be placed at the end of the rod, in order to support the stirrup; and a similar nut must also be placed on the rod above the head of the stirrup, in order to screw firmly down on the same, and thus secure it in its position, after it has been adjusted nearly to the required rate. These nuts are represented at B and C. A small slit is cut in the rod, where it passes through the head of the stirrup, through which a steel pin E is screwed, in order to keep the stirrup from turning round on the rod. The stirrup itself is also made of steel, and the side pieces should be of the same form as the rod, in order that they may readily acquire the same temperature. The top of the stirrup consists of a flat piece of steel, shaped as in the drawing, somewhat more than three eighths of an inch thick. Through the middle of the top (which at this part is about one inch deep) a hole must be drilled sufficiently large to enable the screw of the rod to pass freely, but without shaking. The inside height of the stirrup from A to D may be 81/2 inches, and the inside width between the bars about three inches. The bottom piece should be about three eighths of an inch thick, and hollowed out nearly a quarter of an inch deep, so as to admit the glass cylinder freely. This glass cylinder should have a brass or iron cover G, which should fit the mouth of it freely, with a shoulder projecting on each side, by means of which it should be screwed to the side bars of the stirrup, and thus be secured always in the same position. This cap should not press on the glass cylinder, so as to prevent its expansion. The measures above given may require a slight modification, according to the weight of the mercury employed, and the magnitude of the cylinder: the final adjustment, however, may be safely left to the artist. Some persons have recommended that a circular piece of331 thick plate glass should float on the mercury, in order to preserve its surface uniformly level.7 The part at the bottom marked H is a piece of brass fastened with screws to the front of the bottom of the stirrup, through a small hole, in which a steel wire or common needle is passed, in order to indicate (on a scale affixed to the case of the clock) the arc of vibration. This wire should merely rest in the hole, whereby it may be easily removed when it is required to detach the pendulum from the clock, in order that the stirrup might then stand securely on its base. One of the screw holes should be rather larger than the body of the screw, in order to admit of a small adjustment, in case the steel wire should not stand exactly perpendicular to the axis of motion. The scale should be divided into degrees, and not inches, observing that with a radius of 44 inches (the estimated distance from the bend of the spring to the end of the steel wire) the length of each degree on the scale must be 0·768 inch.”

In order to determine the length of the mercurial column necessary to form the compensation for this pendulum, we must proceed in the following manner:—

Let us suppose the length of the steel rod and stirrup together to be 42 inches. The absolute expansion of the mercury is ·00010010; but it is not the absolute expansion, but the vertical expansion in a glass cylinder, which is required, and this will evidently be influenced by the expansion of the base of this cylinder. It is easily demonstrable that, if we multiply the linear expansion of any substance (always supposed to be a very small part of its length) by 3, we may in all cases take the result for the cubical or absolute expansion of such332 substance. In like manner, if we multiply the linear expansion by 2, we shall have the superficial expansion.

If we want the apparent expansion of mercury, the absolute or cubical expansion of the glass vessel must be deducted from the absolute expansion of the mercury, which will leave its excess or apparent expansion. In like manner, deducting the superficial expansion of glass from the absolute expansion of mercury, we shall have its relative vertical expansion. Now, taking the rate of expansion of glass to be ·00000479, and multiplying it by 2, the relative vertical expansion of the mercury in the glass cylinder will be ·00010010 - ·00000958 = ·00009052.

The expansion of a steel rod, according to our table, is ·0000063596; which, divided by ·00009052, gives ·0703 for the length of a column of mercury, the expansion of which is equal to that of a steel rod whose length is unity.

We have now to multiply 42 inches by ·0703, which gives 2·95 inches; and this, deducted from 42, leaves 39·1 inches; so that the length of rod we have chosen is sufficiently near the truth. Now, double 2·95 inches, and add one tenth of its product, and we shall have 6·49 inches for the length of the mercurial column forming the requisite compensation. Mr. Baily’s more accurate calculation gives 6·31 inches.

A mercurial compensation pendulum may be formed, having a cylinder of steel or iron, with its top constructed in the same manner as the top of the stirrup, so as to receive the screw of the rod. To find the length of the mercurial column necessary in a pendulum of this description (that is, with a cylinder made of steel), we must double the linear expansion of steel, and take it from the absolute expansion of mercury to obtain the relative vertical expansion of the mercury. This will be ·00010010 - ·00001272 = ·00008738; and, proceeding as before, we have ·0000063596/·00008738 = ·07279.

Let the length of the steel rod be, as before, 42 inches.333 Multiplying this by ·07279, we have 3·057, which being doubled, and one tenth of the product added, we obtain 6·72 inches for the length of the compensating mercurial column; which Mr. Baily states to be 6·59.

A mercurial compensation pendulum having a rod of glass has been employed by the writer of this article, who has had reason to think well of its performance. Its cheapness and simplicity much recommend it. It is merely a cylinder of glass of about 7 inches in depth, and 21/2 inches diameter, terminated by a long neck, which forms the rod of the pendulum, the whole blown in one piece. A cap of brass is clamped by means of screws to the top of the rod, and to this the pendulum spring is pinned.

We have unquestionable authority for saying, that the mercurial pendulum of the usual construction, that is, with a steel rod and glass cylinder, is not affected by a change of temperature simultaneously in all its parts. Now, the pendulum of which we are treating being formed throughout of the same material in a single piece, and in every part of the same thickness, it is presumed it cannot expand in a linear direction, until the temperature has penetrated to the whole interior surface of the glass, when it is rapidly diffused through the mass of mercury. M. Biot mentions that a pendulum of this kind was formerly used in France, and expresses his surprise that it was no longer employed, as he had heard it very highly spoken of. The writer of this article has also used a pendulum with a glass rod, which differs from that we have just mentioned, in having the lower end of the rod firmly fixed in a socket attached to the centre of a circular iron plate, on the circumference of which a screw is cut, which fits into a collar of iron, supporting the cylinder (to which it is cemented) by means of a circular lip.

This arrangement, though perhaps less perfect than that we have just described, the pendulum not being in one piece, has the advantage of allowing a circular plate of glass to be placed upon the surface of the mercury, as334 practised by Mr. Browne. To determine the length of a column of mercury for a glass pendulum, let us suppose the glass, including the cylinder, to be 41 inches in length. Multiplying this by ·0529, the number taken from Table II. for a glass rod and mercury in a glass cylinder, we have 2·17 inches for the uncorrected length of mercury, which compensates 41 inches of glass. Suppose the steel spring to be one inch and a half long: multiplying this by ·0703, the appropriate decimal taken from Table II., we have 0·1, the length of mercury due to the steel, making with the former 2·27 inches, which, being doubled, and the product increased by its one-tenth part, we obtain five inches for the length of the required column of mercury.

Compensation Pendulum of Wood and Lead, on the Principle of the Mercurial Pendulum.

If by any contrivance wood could be rendered impervious to moisture, it would afford one of the most convenient substances known for a compensation pendulum. It does not appear that sufficient experiments have been made upon this subject to decide the question. Mr. Browne of Portland Place, who has devoted much of his time and attention to the most delicate enquiries of this kind, has, we believe, found that if a teak rod is well gilded, it will not afterwards be affected by moisture. At all events, it makes a far superior pendulum, when thus prepared, to what it does when such preparation is omitted.

Mr. Baily, in the paper we have before alluded to, proposes an economical pendulum to be constructed by means of a leaden cylinder and a deal rod. He prefers lead to zinc, on account of its inferior price, and the ease with which it may be formed into the required shape; and as there is no considerable difference in their rates of expansion, it is equally applicable to the purpose.

Let the length of the deal rod be taken at 46 inches. Then, to find the length of the cylinder of lead to compensate this, we have, in Table II., ·1427 for such a335 pendulum; which, being multiplied by 46, the product doubled, and one tenth of the result added to it, gives 14·44 inches for the length of the leaden cylinder. Mr. Baily’s compensation gives 14·3 inches.

Captn. Kater, del. H. Adlard, sc.

London, Pubd. by Longman & Co.

The rod is recommended to be made of about three eighths of an inch in diameter: the leaden cylinder is to be cast with a hole through its centre, which will admit with perfect freedom the cylindrical end of the rod. The cylinder is supported upon a nut, which screws on the end of the rod in the usual manner. This pendulum is represented at fig. 224.

Mr. Baily proposes that the pendulum should be adjusted nearly to the given rate by means of the screw at the bottom, and that the final adjustment be made by means of a slider moving along the rod. Indeed, this is a means of adjustment which we would recommend to be employed in every pendulum.

Smeaton’s Pendulum.

We shall conclude our account of compensation pendulums with a description of that invented by Mr. Smeaton. The compensation for temperature in this pendulum is effected by combining the two modes, which have been so fully described in the preceding part of this article.

The pendulum rod is of solid glass, and is furnished with a steel screw and nut at the bottom in the usual manner. Upon the glass rod a hollow cylinder of zinc, about the eighth of an inch thick, and about 12 inches long, passes freely, and rests upon the nut at the bottom of the pendulum rod.

Over the zinc cylinder passes a tube made of sheet-iron. The edge of this tube at the top is turned inwards, and is notched so as to allow of this being effected. A flanche is thus formed, by which the iron tube is supported, upon the zinc cylinder. The lower edge of the iron tube is turned outwards, so as to form a base destined to support a leaden cylinder, which we are about to describe.

336

A cylinder of lead, rather more than 12 inches long, is cast with a hole through its axis, of such a diameter as to allow of its sliding freely, but without shake, upon the iron tube over which it passes, and by the lower extremity of which it is supported.

Now the zinc, resting upon the nut and expanding upwards, will raise the whole of the remaining part of the compensation. This expansion upwards will be slightly counteracted by the lesser expansion downwards of the iron tube, which carries with it the leaden cylinder. The cylinder of lead now acts upon the principle of the mercurial pendulum, and, expanding upwards, contributes that which was wanting to restore the centre of oscillation to its proper distance from the point of suspension.

This pendulum, we have been informed, does well in practice, and we are not aware that any description of it has been before published.

The method of calculating the length of the tubes required to form the compensation is very simple; nothing more is necessary than to find the length of zinc, the expansion of which is equal to that of the pendulum rod.

Let the pendulum rod be composed of 43 inches of glass, the spring being an inch and a half long, and the screw between the end of the glass rod and the nut half an inch, making in the whole two inches of steel and 43 inches of glass.

Now to find the length of zinc that will compensate the glass, we have, from Table II., for glass and zinc ·2773, which, multiplied by 43, gives 11·92 inches. In like manner we obtain as a compensation for two inches of steel 0·74 of zinc, which, added to 11·92, gives 12·66 inches for the total length of the zinc cylinder.

Now if the iron tube and the lead cylinder be each made of the same length as the zinc, and arranged as we have described, the compensation will be perfect.

To prove this, find, by means of the expansions given in Table I., the actual expansion of each of the sub337stances employed in the pendulum, and we shall have the following results:—

The expansion of 12·66 inches of zinc expanding upwards is ·0002186
Deduct that of 12·66 inches of iron expanding downwards ·0000869
──────
Remaining effect of expansion upwards, referred to the lower extremity of the iron tube ·0001317
Now, for the lead.—On the principle of the mercurial compensation, subtract one tenth part of the length of the cylinder, and take half the remainder, and we shall have six inches of lead, the expansion of which upwards is ·0000955
──────
Total expansion of the compensation upwards ·0002272
──────
To find the expansion of the rod, we have the expansion of 43 inches of glass ·0002059
Of two inches of steel·0000127
──────
Total expansion of the pendulum rod ·0002186

Agreeing near enough with that of the compensation before found.

As we conceive we have been sufficiently explicit in our description of this pendulum, in the construction of which no difficulty presents itself, we think an engraved representation of it would be superfluous.

We have hitherto treated only of compensations for temperature; but there is another kind of error, which has been sometimes insisted upon, arising from a variation in the density of the atmosphere. If the density of the atmosphere be increased, the pendulum will experience a greater resistance, the arc of vibration will in consequence be diminished, and the pendulum will338 vibrate faster. This, however, is in some measure counteracted by the increased buoyancy of the atmosphere, which, acting in opposition to gravity, occasions the pendulum to vibrate slower. If the one effect exactly equalled the other, it is evident no error would arise; and in a paper by Mr. Davies Gilbert, President of the Royal Society of London, published in the Quarterly Journal for 1826, he has proved that, by a happy chance, the arc in which pendulums of clocks are usually made to vibrate is the arc at which this compensation of error takes place. This arc, for a pendulum having a brass bob, is 1° 56′ 30″ on each side of the perpendicular; and for a mercurial pendulum, 1° 31′ 44″, or about one degree and a half.

It is well known that, if a pendulum vibrates in a circular arc, the times of vibration will vary nearly as the squares of the arcs; but if the pendulum could be made to vibrate in a cycloid, the time of its vibration in arcs of different extent would then remain the same. Huygens and others, therefore, endeavoured to effect this by placing the spring of the pendulum between cheeks of a cycloidal form.

When escapements are employed which do not insure an unvarying impulse to the pendulum, the force may be unequally transmitted through the train of the clock in consequence of unavoidable imperfections of workmanship, and the arc of vibration may suffer some increase or diminution from this cause. To discover a remedy for this is certainly desirable.

The writer of this article some years ago imagined a mode, which he believes has also been suggested by others, by which he conceived a pendulum might be made to describe an arc approaching in form to that of a cycloid. The pendulum spring was of a triangular form, and the point or vertex was pinned into the top of the pendulum rod, the base of the triangle forming the axis of suspension. Now it is evident that when the pendulum is in motion, the spring will resist bending339 at the axis of suspension, with a force in some sort proportionate to the base of the triangle.

Suppose the pendulum to have arrived at the extent of its vibrations; the spring will present a curved appearance; and if the distance from the point of suspension to the centre of oscillation be then measured, it will evidently, in consequence of the curvature of the spring, be shorter than the distance from the point of suspension to the centre of oscillation, measured when the pendulum is in a perpendicular position, and consequently when the spring is perfectly straight.

The base of the triangle may be diminished, or the spring be made thinner; either of which will lessen its effect. We cannot say how this plan might answer upon further trial, as sufficient experiments were not made at the time to authorize a decisive conclusion.

We have thus completed our account of compensation pendulums; but before we conclude, it may not be unacceptable if we offer a few remarks on some points which may be found of practical utility.

The cock of the pendulum should be firmly fixed either to the wall or to the case of the clock, and not to the clock itself, as is sometimes done, and which has occasioned much irregularity in its rate, from the motion communicated to the point of suspension. We prefer a bracket or shelf of cast iron or brass, upon which the clock may be fixed, and the cock carrying the pendulum attached to its perpendicular back. This bracket may either be screwed to the back of the clock-case, or, which is the better mode, securely fixed to the wall; and if the latter be adopted, the whole may be defended from the atmosphere, or from dust, by the clock-case, which thus has no connection either with the clock or with the pendulum.

The point of suspension should be distinctly defined and immovable. This may be readily effected, after the pendulum shall have taken the direction of gravity, by means of a strong screw entering the cock (which should340 be very stout) on one side, and pressing a flat piece of brass into firm contact with the spring.

The impulse should be given in that plane of the rod which coincides with the plane of vibration passing through the axis of the rod. If the impulse be given at any point either before or behind this plane, the probable result will be a tremulous unsteady motion of the pendulum.

A few rough trials, and moving the weight, will bring the pendulum near its intended time of vibration, which should be left a little too slow; when the bob should be firmly fixed to the rod, if the form of the pendulum will admit of it, by a pin or screw passing through its centre.

The more delicate adjustment may be completed by shifting the place of the slider with which the pendulum is supposed to be furnished on the rod.

Mr. Browne (of whom we have before spoken) practises the following very delicate mode of adjustment for rate, which will be found extremely convenient, as it is not necessary to stop the pendulum in order to make the required alteration. Having ascertained, by experiment, the effect produced on the rate of the clock, by placing a weight upon the bob equal to a given number of grains, he prepares certain smaller weights of sheet-lead, which are turned up at the corners, that they may be conveniently laid hold of by a pair of forceps, and the effect of these small weights on the rate of the clock will be, of course, known by proportion. The rate being supposed to be in defect, the weights necessary to correct this may be deposited, without difficulty, upon the bob of the pendulum, or upon some convenient plane surface, placed in order to receive them: and should it be necessary to remove any one of the weights, this may readily be done by employing a delicate pair of forceps, without producing the slightest disturbance in the motion of the pendulum.


341

INDEX.

A.
Action and reaction, 34.
Aeriform fluids, 26.
Animalcules, 12.
Atmosphere, impenetrability of, 22.
 Compressibility and elasticity of, 23.
Atoms, 6.
 Coherence of, 7.
Attraction, magnetic, of gravitation, 8, 50, 64.
 Molecular or atomic, 69.
 Cohesion, 70.
Attwood, machine of, 92.
Axes, principal, 138.
Axis, mechanical properties of, 128.

B.
Balance, 279.
 Of Bates, 288.
 Use of, 289.
 Danish, 299.
 Bent-lever of Brady, 301.
Bodies, 2.
 Lines, surfaces, edges, area, length of, 4.
 Figure, volume, shape of, 5.
 Porosity of, 17.
 Compressibility of, 18.
 Elasticity, dilatibility of, 19.
 Inertia of, 27.
 Rule for determining velocity of; motion of two bodies after impact, 38.

C.
Capillary attraction, 73.
Capstan, 179.
Cause and effect, 7.
Circle of curvature, 99.
Cog, hunting, 191.
Components, 51.
Cord, 163.
Cordage, friction and rigidity of, 260.
Crank, 241.
Crystallisation, 14.
Cycloid, 158.

D.
Damper, self-acting, 234.
Deparcieux’s compensation pendulum, 319.
Diagonal, 51.
Dynamics, 160.
Dynamometer, 305.

E.
Electricity, 76.
Electro-magnetism, 76.
Equilibrium, neutral, instable, and stable, 118.

F.
Figure, 5.
Fly-wheel, 239.
Force, 6.
 Composition and resolution of, 49.
 Centrifugal, 98.
 Moment of; leverage of, 135.
 Regulation and accumulation of, 224.
Friction, effects of, 96.
 Laws of, 264.

G.
Governor, 227.
Gravitation, attraction of, 77.
 Terrestrial, 84.
Gravity, centre of, 107.
Gyration, radius of, centre of, 137.

H.
Hooke’s universal joint, 252.
Hydrophane, porosity of, 18.

I.
Impact, 39.
Impulse, 65.
Inclined plane, 163–209.
Inclined roads, 211.
Inertia, 27.
 Laws of, 32.
 Moment of, 137.

J.
Julien le Roy, compensation tube of, 319.

L.
Lever, 163.
 Fulcrum of; three kinds of, 167.
 Equivalent, 176.
Line of direction, 110.
Liquids, compressibility of, 24.
Loadstone, 68.

M.
Machines, simple, 160.
 Power of, 175.
 Regulation of, 225.
Magnet, 68.
Magnetic attraction, 8.
Magnetism, 76.
Magnitude, 4.
Marriott’s patent weighing machine, 305.
Materials, strength of, 272.
Matter, properties of, 2.
 Impenetrability of, 4.
 Atoms of; molecules of, 6.
 Divisibility of, 9.
 Examples of the subtilty of, 12.342
 Limit to the divisibility of, 13.
 Porosity of; density of, 17.
 Compressibility of, 18.
 Elasticity and dilatability of, 19.
 Impenetrability of, 22.
 Inertia of, 27.
Mechanical science, foundation of, 16.
Metronomes, principles of, 153.
Molecules, 6.
Motion, laws of, 46.
 Uniformly accelerated, 87.
 Table illustrative of, 90.
 Retarded; of bodies on inclined planes and curves, 94.
 Rotary and progressive, 127.
 Mechanical contrivances for the modification of, 245.
 Continued rectilinear; reciprocatory rectilinear; continued circular; reciprocating circular, 246.

N.
Newton, method of, for determining the thickness of transparent substances, 10.
 Laws of motion of, 46.

O.
Oscillation, 129.
 Of the pendulum, 145.
 Centre of, 152.

P.
Parallelogram, 51.
Particle, 6.
Pendulum, oscillation or vibration of, 145.
 Isochronism of, 147.
 Centre of oscillation of, 152.
 Of Troughton, 284.
 Compensation, 307.
 Of Harrison, 313.
 Tubular, of Troughton, 314.
 Of Benzenberg, 316.
 Ward’s compensation, 318.
 Captain Kater’s compensation, 320.
 Reid’s; Ellicott’s compensation, 322.
 Steel and brass compensation, 324.
 Mercurial, 326.
 Graham’s mercurial, 329.
 Wood and lead, 334.
 Smeaton’s, 335.
Percussion, 130.
 Centre of, 144.
Planes of cleavage, 15.
Porosity, 17.
Power, 161.
Properties, 2.
Projectiles, curvilinear path of, 82.
Pulley, 164.
 Tackle; fixed, 198.
 Single moveable, 200.
 Called a runner; Spanish bartons, 205.

R.
Rail-roads, 213.
Regulating damper, 233.
Regulators, 227.
Repulsion, 8.
 Molecular, 74.
Resultant, 51.
Rose-engine, 250.

S.
Salters, spring balance of, 305.
Screw, 209.
 Concave, 217.
 Micrometer, 223.
Shape, 5.
Siphon, capillary, 73.
Spring, 304.
Statics, 160.
Steelyard, 294.
 C. Paul’s, 296.
 Chinese, 299.

T.
Table, whirling, 99.
Tachometer, 234.
Tread-mill, 179.

V.
Velocity, angular, 99.
Vibration, 129.
 Of the pendulum, 145.
 Centre of, 152.
Volume, 5–17.

W.
Watch, mainspring of; balance wheel of, 195.
Water regulator, 229.
Wedge, 209.
 Use of, 215.
Weight, 161–291.
Weighing machines, 278.
 For turnpike roads, 302.
 By means of a spring, 303.
Wheels, spur, crown, bevelled, 189.
 Escapement, 194.
Wheel and axle, 177.
Wheel-work, 176.
Winch, 179.
Windlass, 178.
Wollaston’s wire, 10.

Z.
Zureda, apparatus of; Leupold’s application of, 251.

END OF MECHANICS.

London:
Spottiswoodes and Shaw
New-street-Square.


FOOTNOTES:

1 More exactly through 161/12 feet, or 193 inches.

2 This ratio is that of 31,416 to 10,000 very nearly.

3 Lardner on the Steam-Engine, Steam-Navigation, Roads, and Railways. 8th edition. 1851.

4 From the Greek words tachos speed, and metron measure.

5 Theatrum Machinarum, tom. ii. pl. 36. fig. 3.

6 In a strictly mathematical sense, the path of the point P is a curve, and not a straight line; but in the play given to it in its application to the steam-engine, it moves through a part only of its entire locus, and this part extending equally on each side of a point of inflection, the radius of curvature is infinite, so that in practice the deviation from a straight line, when proper proportions are observed in the rods, is imperceptible.

7 The variation produced in the height of the column of mercury (supposed to be 61/2 inches high) by an alteration of ± 16° in the temperature will be only ± 1/100 of an inch, or in other words, 1/100 of an inch will be the total variation from its mean state, by an alteration of 32° in the temperature. It is therefore probable that, in most cases of moderate alteration in the temperature, the centre only of the column of mercury is subject to elevation and depression, whilst the exterior parts remain attached to the sides of the glass vessel. It was with a view to obviate this inconvenience that Henry Browne, Esq. of Portland Place (I believe) first suggested the piece of floating glass.